| CATEGORII DOCUMENTE |
| Arhitectura | Auto | Casa gradina | Constructii | Instalatii | Pomicultura | Silvicultura |
Inca din cele mai vechi timpuri, omul a cautat metode prin care sa poata transporta diferite materiale sau hrana de la distante mult mai mari. Astfel, el a construit, folosindu-si inteligenta cu care este inzestrat, diferite mijloace de transport, de la cele mai rudimentare, atingand apogeul in sec. al XIX-lea, odata cu inventia automobilului.
Masinile sunt mijloace de transport mici si motorizate. Succesul lor ca mijloace de transport de persone si marfa se datoreaza vitezei si independentei pe care o permit.
Dintre realizarile tehnice care au cunoscut o evolutie indelungata, automobilul si-a cucerit treptat un loc insemnat in viata oamenilor, el fiind astazi un mijloc eficace pentru a invinge distantele si timpul si, devenind totodata stapanul necontestat al desului paienjenis de drumuri ce strabat intinsul pamantului.
Arhitectura automobilului a fost o problema careia constructorii i-au dat mai putina importanta, acestia urmarind in primul rand realizarea unor agregate mecanice cu care sa obtina performante tehnice deosebite.
Plecandu-se de la cele mai reusite trebuie sa
amintim numele lui Louis Renault, care in
Nici alti ingineri nu duceau lipsa de idei in domeniul mecanici, August Horch inventand cutia de viteze si diferentialul fabricate din aliaje usoare.
Daca momentul maxim al motorului ar fi transmis direct rotilor motoare automobilul n-ar putea porni. Pentru ca turatia motorului sa fie transmisa rotilor, ori sa putem manevra automobilul inapoi in conditiile in care arborele cotit al motorului se roteste intr-un singur sens, sau in vederea rezolvarii tuturor problemelor ridicate de circulatia pe diferite drumuri,cand valoarea necesara fortei de tractiune poate fi diferita, intre motor si rotile automobilului se monteaza o serie de mecanisme cu roti dintate, care reduc turatia dupa, necesitati, marind in acelasi timp cuplul transmis.
Rolul cutiei de viteze care face parte din transmisia automobilului este deci urmatorul:
permite modificarea fortei de tractiune in functie de variatia rezistentelor de inaintare;
permite deplasarea automobilului cu viteze reduse in raport cu turatia motorului;
permite mersul inapoi al automobilului, fara a inversa sensul de rotatie al motorului;
realizeaza intreruperea legaturii dintre motor si restul transmisiei in timp ce motorul functioneaza (dar automobilul sta pe loc).
Alegerea schemei de organizare se face pe baza rezultatelor obtinute la calculul de tractiune, in cadrul caruia s-a efectuat etajarea schimbatorului de viteze.
Cunoscandu-se numarul de trepte, trebuie aleasa solutia de cuplare pentru fiecare treapta, tinandu-se seama de tipul automobilului pentru care s-a proiectat cutia de viteze.
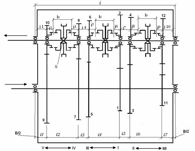
Am adoptat cutia de viteze cu doi arbori care face corp comun cu diferentialul adica am o solutie costructiva "totul-fata" cu sinconizatoare inertiale cu bolturi si inele de frictiune.Dupa cum se observa in fig 3.1 angrenajul pentru treapta de mers inapoi nu se realizeaza,roata dintata care realizeaza angrenarea fiind pe capacul cutiei de viteza ,ea nefiind montata in cutie nu se considera a fi un al treilea arbore (intermediar).
In Fig. 3.1 este prezentata schema de organizare a cutiei de viteze cu 5 trepte.
Fig. 3.1 Schema de organizare al unei cutii de viteze cu doi arbori
Cunoscandu-se numarul de trepte trebuie aleasa de cuplare pentru fiecare treapta tinand seama de tipul automubilului pentru care se proiecteaza cutia.
La autoturismele moderne se utilizeaza solutia de cuplare cu sincronizatoare la toate treptele de mers inainte.
In schema dc organizare a cutiei de viteze (fig.3.1) la alegerea pozitiei rotilor dintate fata de lagarele arborilor, este necesar sa se adopte initial, prin comparatie cu realizari similare existente, urmatoarele elemente:latimea rotilor dintate b, latimea sincronizatoarelor 1B, latimea lagarelor B, distantele dintre rotile diniate si jocut dintre rotile dintate j .
Rezulta din rel (2.30) -capitolul 2:
Rezulta din rel (2.34),(2.35),(2.36) urmatoarele rapoarte :
![]()
![]()
![]()
![]()
Calcuculul rotilor dintate comporta :determinarea numarului de dinti si definitivarea rapoatrelor de transmitere,calculul la incovoiere ,calculul la presiunea de contact si calculul la oboseala.
Determinarea numarului de dinti si definitivarea rapoartelor de transmitere ale cutiei.La determinarea numarului de dinti ai rotii trebuie indeplinite urm conditii :
Realizarea,pe cat posibil,a rapoartelor de transmitere determinate la etajarea cutiei de viteza ,avand in vedere faptul ca rotile dintate au un numar intreg de dinti
Alegerea pentru pinioanele cu diametrele cele mai mici a numarului de dinti apropiat de numarul minim admisibil,pentru a rezulta o cutie de viteze cat mai compacta.
Pentru autoturisme se allege formula de calcul de mai jos:
(3.1)
Unde:
- momentul maxim motor in N*m
C -distanta dintre axele arborilor
(3.2)

Unde:
- latimea lagarelor;
- jocurile dintre rotile dintate
si carter sau dintre roti;
- latimea perechilor de roti
dintate;
- latimea sincronizatoarelor.
-distanta dintre carter si rotile dintate si dintre roti
In tabelul de mai jos sunt prezentate date constructive pentru determinarea schemei de organizare a cutiei de viteze in mm (Tabel 3.1).
Tabel 3.1
|
Automobilul |
B |
j1; j10 |
b1,2..b11,12 |
ls |
|
Dacia 1300 | ||||
|
M-21 Volga | ||||
|
SR-131 |
Se adopta:
B=
j1; j10=
b1,2..b11,12=
ls=
(3.3)
(3.4)
Unde:
- distanta dintre arbori;
- coeficient care tine seama de
tipul cutiei de viteze.
C1-constanta
Se adopta:
Observatie:
In general, cutiile de viteze (impreuna cu carterul ambreiajului) reprezinta 2 - 3 % din greutatea autoturismului si 2,5 - 5 % din greutatea autocamionului cu motorul nealimentat.
Pentru cutia proiectata (cu pinioane cu dinti drepti ) se va calcula pe fiecare treapta de mers inainte numarul de dinti din angrenaj si se vor recalcula rapoartele de transmitere .
(3.5)
In cazul cutiilor de viteze pentru
automobile, unghiul variaza intre limitele
pentru autoturisme si
in cazul autocamioanelor si
automobilelor de teren.
Se adopta:
![]()
Unde:
- modulul
-unghiul de inclinare al
danturii
- diametrul pitch.
La cutiile de viteza cu dinti drepti modulul se va alege aproape de limita superioara(STAS 822-61)
In tabelul de mai jos sunt recomandari pentru alegerea diametrului pitch (Tabel 3.2).
Tabel 3.2
|
Tipul automobilului |
Momentul motor N*m |
Diametrul pitch (DP) |
|
|
Dantura dreapta |
Dantura inclinata |
||
|
Autoturisme |
- pana la 166 - peste 276 | ||
|
Autocamioane |
pana la 276 - peste 415 | ||
Pentru dantura inclinata, diametrul pitch este:
Din STAS se alege valoarea modulului:
(3.6)
![]()
(3.7)
(3.8)
(3.9)
Se recalculeaza
cu noile valori ale lui
si
(3.10)
(3.11)
(3.12)
![]()
(3.12)
Se recalculeaza
cu noile valori ale lui
si
(3.13)
(3.14)
![]()
(3.15)
Se recalculeaza
cu noile valori ale lui
si
(3.16)
(3.17)
![]()
(3.18)
Se recalculeaza
cu noile valori ale lui
si
(3.19)
![]()
Se recalculeaza
cu noile valori ale lui
si
Calculul se face conform tabel 14-10, pag. 24, din "Indrumar de proiectare in constructia de masini" de GHEORGHE RADULESCU
In urmatoarele subpuncte se vor calcula valori pentru o singura treapta, numarul de dinti de pe fiecare treapta insumat fiind acelasi.
Conform tabel 14-3, pag. 12, din "Indrumar de proiectare in constructia de masini" de GHEORGHE RADULESCU se alege la angrenaje cu dinti inclinati unghiul:
Conform tabel 14-3, pag. 12, din "Indrumar de proiectare in constructia de masini" de GHEORGHE RADULESCU se alege:
Conform tabel 14-1 si 14-2 pag. 13 din "Indrumar de proiectare in constructia de masini" de GHEORGHE RADULESCU se alege "Mecanica generala si grea"
Pentru ![]()
![]()
conform STAS 821-82
Conform STAS 6055-82, tabel 14-4, pag. 13, din "Indrumar de proiectare in constructia de masini" de GHEORGHE RADULESCU se alege:
Conform tabel 14-6, pag. 14(GHEORGHE RADULESCU-"Indrumar de proiectare in constructia de masini"), se alege deplasarile profil pentru angrenaje cilindrice exterioare cu dinti inclinati.
Pentru ca :
=
rezulta:
-suma
deplasarilor de profil
-deplasari specific de profil
(3.21)
Unde:
p- pasul
Ψ-(2.2--2.75)-pentru roti cu dinti inclinati
p=π*m=3.14*2.5=7.85=8
Distanta dintre axele angrenajelor este aceeasi pentru toate treptele.
(3.22)
(3.23)
![]()
Unde:
-unghiul profilului de referinta
in plan frontal
(3.24)
(3.25)
=2.5*26=65[mm]
=2.5*70=175[mm]
=2.5*34=85[mm]
=2.5*62=155[mm]
=2.5*44=110[mm]
=2.5*52=130[mm]
=2.5*47=117[mm]
=2.5*49=123[mm]
(3.26)
![]()
![]()
![]()
![]()

Se calculeaza analog pentru toate treptele pt ca toate diametrele cercurilor de picior insumate pe fiecare treapta separat sunt egale.
(3.27)
(3.28)
(3.29)
![]()


![]()
(3.30)
(mm)
![]()

![]()

Fig 3.2 Schema de calcul la incivoiere a danturii rotilor cu dinti inclinati
In cazul rotilor cu dantura inclinata avem formula:
(3.31)
-in care se inlocuiesc
(3.32)
Unde:
- latimea danturii;
- pasul
danturii;
- forta tangentiala;
- coeficientul care tine seama
de caracterul dinamic al solicitarii;
- coeficient care tine seama de concentrarea de eforturi de la baza
dintelui;
- coeficient care tine seama de
de gradul de acoperire.
-unghiul de inclinare a danturii
(3.33)
![]()
(3.34)
(3.35)
Unde:
- coeficientul care tine seama
de caracterul dinamic al solicitarii;
-
momentul motor maxim;
- raportul de transmitere dintre
motor si angrenajul care se verifica.
se alege pentru
autoturisme
(3.36)
(3.37)
Unde:
- coeficient care tine seama de
clasa de precizie de prelucrare a danturii;
pentru clasa de precizie I;
pentru clasa de precizie a II-a;
pentru clasa de precizie a III-a.
- viteza tangentiala a rotii pe
cercul de divizare.
Unde:
- grosimea dintelui la baza;
- raza de rotunjire a dintelui
la baza.
(3.38)
Unde:
(3.39)
(3.40)
(3.41)
(3.42)
(3.43)
Valoarea presiunii de contact are o mare influenta asupra duratei de functionare a rotilor dintate. Daca presiunea superficiala este prea mare, se produce deteriorarea suprafetei de lucru a danturii.
Determinarea preiunii de contact se face cu relatia:
(3.44)
In care:
- forta normala din angrenaj;
- lungimea suprafetelor in
contact;
si
- razele de curbura;
- modulul
de elasticitate
In cazul rotilor dintate cu dinti inclinati
(3.45)
unde
- latimea danturii;
-
unghiul de angrenare;
-
unghiul de inclinare a danturii.
![]()
l=22
In cazul determinarii efortului unitar de contact in polul angrenarii, razele de curbura se vorinlocui astfel:
pentru rotile cu dinti inclinati:
(3.46)
Unde:
si
- raza cercului de divizare.
-aleg cianurarea ca tratament aplicat rotilor dintate.
Eforturile unitare admisibile de contact Tabel 3.3
|
Treapta la care se utilizeaza rotile dintate |
Tratament aplicat rotilor dintate |
|
|
Cementare |
Cianurare |
|
|
Treapta I si de mers inapoi Treptele superioare | ||
Arborii cutiei de viteze sunt solicitati la incovoiere si torsiune.Aceste solicitari dau nastere la deformatii elastic de incoboiere si rasucire ,care,daca depasesc limitele admisibile ,conduc la o angrenare necorespunzatoare(se modifica legile angrenarii si reduc gradul de acoperire.
De aceea ,in majoritatea cazurilor dimensionarea arborilor se face dupa considerente de rigiditate si nu de rezistenta.
Incarcarile arborilor cutiilor de viteze sunt determinate de fortele din angrenajele rotilor dintate. Aceste forte dau nastere ta reactiuni corespunzatoare in lagarele arborilor a caror determinare este necesara atat pentru calculul de rezistenta al arborilor, cat si pentru calculul de alegere al rulmentilor.
In fiecare angrenaj actioneaza o forta tangentiala Ft, una radiala Fr si una axiala Fa.
Se vor calcula Ft,Fr,Fa pentru toate pinioanele de pe treptele de mers inainte.
(3.47)
(3.48)
(3.49)
Unde:
-forta tangentiala
-forta radiala
-forta axiala
-raza cercului de divizare a rotii
-unghiul de inclinare a danturii
-unghiul de angrenare

![]()
![]()
![]()
![]()
![]()
![]()
![]()
![]()
![]()
![]()
Forta tangentiala pe pinioane:
![]()
N
N
N
N
N
N
N
N
Forta radiala pe pinioane:
![]()
![]()
![]()
![]()
![]()
![]()
![]()
![]()
![]()
Forta axiala pe pinioane:
![]()
![]()
![]()
![]()
![]()
![]()
![]()
![]()
![]()
In Fig. 3.3 este prezentata schema de incarcare a arborilor cutiei de viteze cu doi arbori.

Fig.3.3 Incarcarea pe arbori
(3.50)
Unde:
- efortul unitar de incovoiere;
- efortul unitar de torsiune.
Mt -momentul de torsiune
Mi - momentul incovoietor
Wi - modulul de rezistenta la incovoiere
Wt - modulul de rezistenta la torsiune
Mm-momentul maxim
(3.51)
(3.52)
(3.53)
Se calculeaza momentele de torsine pe fiecare treapta:
![]()
![]()
![]()
![]()
![]()
Predimensionarea arborilor cutiei de viteze se face cu urmatoarele relatii:
pentru arborele primar:
;
-in N*cm (3.54)
pentru arborele intermediar si secundar:
.
-pentru arborele principal
- pentru arborele secundar
Unde:
- momentul motor maxim;
- distanta dintre axele
arborilor.
La proiectarea arborilor se poate utiliza, de asemenea, urmatoarele relatii dintre cel mai mare diametru al arborelui d si lungimea dintre reazemele l:
pentru arborele primar si intermediar:
;
pentru arborele secundar:
.
Pentru arborele principal:
![]()
![]()
(3.55)
pentru arborele primar si
intermediar.
Pentru arborele secundar:
![]()
![]()
(3.56)
pentru arborele secundar.

Modulul de rezistenta la torsiune si incovoiere pentru arborele principal si secundar:
- arborele primar. (3.57)
-arborele
secundar. (3.58)

-arborele primar.

- arborele secundar.
Calculul efortului unitar pe trepte de viteza :
arborele primar. (3.59)
arborele secundar. (3.60)
Pentru arborele principal si secundar:
Avand aceleasi module de rezistenta efortul unitar este la fel pe ambii arbori.
![]()
![]()
![]()
![]()
![]()
Pentru
efortul
unitar de incovoiere va fi:
arborele primar. (3.61)
arborele secundar.
![]()
![]()
=![]()
![]()
![]()
![]()
![]()
![]()
![]()
Fiindca
=
rezulta ca
efortl echivalent
va fi acelasi si pentru arborele secundar cat
si pentru cel primar.
(3.62)
![]()
![]()
![]()
![]()
![]()
In general arborii transmisiei automobilului se sprijina pe rulmenti,cei mai raspanditi fiind rulmentii radiali cu bile ce pot prelua si o anumita sarcina axiala.Acesti rulmenti sunt mai ieftini ,au un randament ridicat,se monteaza usor si nu necesita reglaje in procesul expluatarii.Rulmentii cu role cilindrice sa utilizeaza in cazul in care distant dintre axa este redusa, iar rulmentii radiali cu bile de aceleasi dimensiuni nu pot prelua sarcinile respective.Rulmentii cu role conice pot prelua sarcini radiale si axiale mari ,dar sunt mai scumpi si necesita reglaje in timpul expluatarii.
Am ales rulmenti radiali cu bile .
Pentru arborele primar:
Se adopta conform pag. 84 din "Atlas. Reductoare de roti dintate" de I. Crudu si alti, rulment radial cu conice pe un rand:

Simbol rulment: STAS 9321-85
Pentru arborele secundar
Se adopta conform pag. 84 din "Atlas. Reductoare de roti dintate" de I. Crudu si alti, rulment radial cu bile si rulment radial-axial cu role conice pe un rand:

Simbol rulment:
STAS 9321-85
STAS 1723-80
|
Politica de confidentialitate | Termeni si conditii de utilizare |
Vizualizari: 3362
Importanta: ![]()
Termeni si conditii de utilizare | Contact
© SCRIGROUP 2026 . All rights reserved