| CATEGORII DOCUMENTE |
| Arhitectura | Auto | Casa gradina | Constructii | Instalatii | Pomicultura | Silvicultura |
Siteme de cogenerare apa calda de consum-energie termica incalzire.
Planseu solar direct.
Tehnica planseului solar direct (PSD) constituie in prezent una dintre cele mai interesante aplicatii ale energiei solare pentru incalzirea locuintelor unifamiliare.
Planseul solar direct este elementul de planseu care asigura simultan functiunile de stocaj de energie si de distributie de energie, spre deosebire de instalatiile de incalzire solare traditionale, in care fluidul caloportor primar este incalzit in cadrul captatorului solar, utilizat pentru incalzirea agentului secundar in cadrul unui boiler, care are rol si de acumulator de energie, dupa care este introdus intr-un circuit clasic de incalzire cu apa calda de consum.
Sistemul prezinta, in comparatie cu sistemul clasic, o seama de avantaje, printre care merita mentionate, costul de investitie mult mai redus precum si spatiu ocupat redus.
Sistemul a fost dezvoltat in diverse solutii, mai mult sau mai putin performante. Unele solutii permit cogenerarea de energie termica pentru procesul de incalzire, precum si apa calda de consum, cu ajutorul captatorilor integrati direct in acoperis. De asemenea exista solutii echipate cu sisteme de control-reglaj care permit optimizarea procesului de producere agent incalzire-apa calda de consum.

Pentru cresterea performantelor de exploatare, sistemele planseu termic solar direct, ca de altfel majoritatea sistemelor care exploateaza resursele solare, sunt concepute cu ajutorul softurilor specializate, care permit dimensionarea optimala, in raport cu caracteristicile de clima, necesarul solicitat si particularitatile anvelopei deservite.

Un astfel de
soft a fost dezvoltat de Centrul de Cercetari Stiintifice
si Tehnice in domeniul Constructiilor din Franta (Centre Scientifique et Technique du
Batiment)- CSTB.
Softul este construit pe baza unei metode de calcul care permite:
Stabilirea intensitatii radiatiei solare pe un plan inclinat la un unghi oarecare, cu considerarea efectelor de umbrire generate de elementele inconjuratoare (masca) ;
Stabilirea valorii coeficientului pierderilor globale de caldura pe baza mai multor metode (simplificate sau detaliate)
Determinarea necesarului de caldura pentru o cladire neechipata cu sisteme solare;
Alegerea si conceperea acoperisului solar;
Evaluarea economiilor realizate prin intermediul utilizarii planseului solar;
Determinarea necesarului de caldura pentru prepararea apei calde de consum la o cladire neechipata cu sisteme solare;
Stabilirea cantitatii procentuale de apa calda de consum posibil a fi preparata cu ajutorul energiei solare;
Evaluarea economiilor realizate prin intermediul prepararii apei calde cu ajutorul planseului solar
determinarea coeficientului de cuplaj
evaluarea economiilor posibil a fi realizate in cazul utilizarii sistemelor cuplate
evaluarea coeficientului energiei injectate
stabilirea necesarului de energie de adaos, pentru incalzire si preparare apa calda de consum, in cazul utilizarii planseelor solare directe
determinarea
randamentelor sistemelor de adaos de energie pentru incalzire;
determinarea randamentelor sistemelor de adaos de energie pentru prepararea apei calde de consum;
estimarea economiilor realizate cu sistemul de incalzire, de preparare apa calda de consum si/sau respectiv cu sistemele cuplate.
Sistem de cogenerare apa calda de consum,
energie termica cu panori solare si centrala termica ca sursa de adaos
Sistemele dezvoltate au urmarit exploatarea la maximum a energiei solare, posibilitatea de adaptare eficienta a sistemului la cererea de consum si puterea termica necesara.
s-au dezvoltat diferite scheme:
cu boiler combinat, cu boiler multienergie
cu boiler si schimbator de caldura,
cu schimbator de caldura si rezervoare de adaos
Sistem de cogenerare apa calda de consum,
energie termica cu panori solare si pompe de caldura
Aceste sisteme s-au dezvoltat in special dupa 1990, ca urmare a masurilor de reducere a consumurilor energetice impuse.
Sistemul poate prezenta autonomie energetica.
Cercetarile in acest domeniu af fost dezvoltate:
in scopul gasirii parametrilor optimi de functionare si a controlului functionarii in acest sens.
In scopul adaptarii corecte la cererea de consum si clima de calcul.
Prezentam in continuare trei scheme caracteristice oferite de firma Wiessmann.


2.1.2.Sisteme de producere a energiei termice cu ajutorul pompelor de caldura care valorifica energia geotermala sau cea deseu.
2.1.2.1.Pompe de caldura. Baze teoretice. Principii. Tipuri caracteristice.
Descoperirea pompelor de caldura poate fi fixata in timp la inceputul secolului XX odata cu inventarea frigiderului, dezvoltarea acestora precum si integrarea in sistemele de producere a energiei pentru cladiri fiind realizata de catre elvetieni, imediat dupa cel de-al doile razboi mondial iar in prezent asistam la o preocupare intensa a specialistilor pentru cresterea performantelor acestora.
Destinatia unei pompe de caldura se regaseste in insasi denumirea acesteia, adica pompeaza caldura.
Mai exact, aceasta extrage caldura dintr-un mediu rece pentru a o transfera unui alt mediu pe care-l incalzeste. Aceste medii sunt cunoscute sub denumirea de sursa rece si respectiv sursa calda.
La baza functionarii acestora stau diverse principii de functionare. Se disting din acest punct de vedere :
pompe de caldura cu compresie mecanica
pompe de caldura cu absorbtie
Principiul de de functionare al pompelor de caldura cu
compresie mecanica
Pentru preluarea energiei din mediul rece si cedarea acesteia mediului cald se utilizeaza un fluid (lichid sau gaz) care prezinta particularitatea de a-si schimba faza odata cu modificarea presiunii. Lichidul are tendinta de a fierbe cand scade presiune iar gazul are tendinta de a se condesa cand creste presiunea. Paradoxal, lichidul fierbe la temperaturi negative, producand simultan un frig intens iar condensarea gazelor este insotita de o degajare de caldura importanta. Energia necesara pentru functionarea sistemului este cea transferata compresorului pentru cresterea presiunii gazului, fiind relativ scazuta in comparatie cu energia generata.
Transferul de caldura se realizeaza intre:
un corp cu temperatura mai joasa (de exemplu temperatura mediului ambiant - aer, apa, sol) pe care il vom numi sursa rece ( si care ajunge in vaporizator);
un corp cu temperatura mai mica decit a sursei reci numit agent frigorific ( acesta conform principiului enuntat poate prelua caldura sursei reci);
un corp care va trebui sa primeasca , de la agentul frigorific, caldura ( in condensator ), numit agent termic;
La baza principiului de functionare a PDC concureaza o serie de fenomene si legi ale fizicii, dintre care enumeram:
Principiul al II lea al termodinamicii: 'Caldura nu poate trece niciodata de la sine de la un corp cu temperatura mai joasa la unul cu temperatura mai inalta ' ( enuntul lui Clausius)
In secolul al- XIX - lea, cunoscutul fizician J. Watt a descoperit ca un gaz care este comprimat degaja caldura si invers, daca este destins - absoarbe caldura!
Agentul frigorific, pe linga faptul ca are un punct de fierbere foarte scazut (cca -2 s C) are si proprietatea de a acumula energie transfomindu-se din stare lichida in stare gazoasa si poate usor ceda aceasta caldura revenind la starea lichida initiala.
In momentul cind agentul frigorific devine gaz prin preluarea caldurii sursei reci, acesta este introdus intr-un compresor (doar gazele se pot comprima - lichidele sunt incompresibile) iar in timpul compresiei (asa cum stim deja ) temperatura agentului frigorific creste cu citeva zeci de grade, suficient sa ajunga la o temperatura mai mare decat a agentului termic si sa-i poata ceda acestuia cadura .
Dupa ce agentul frigorific cedeaza energia agentului termic, revine treptat la starea initiala (lichida) si este trecut printr-un ventil de expansiune unde pierde presiunea acumulata in compresor
Din acest moment ciclul se repeta iar pompa de caldura 'pompeaza' caldura dinspre sursa rece spre agentul termic - bineinteles prin intermediul agentului frigorific si cu aportul compresorului.
Practic pompa termica cu compresie mecanica transforma energia mecanica (electrica) in energie termica doar intr-o masura redusa, cca 25%.33%. Energia mecanica este obtinuta cu ajutorul unui electromotor alimentat de la reteua de electrica, sau cu un motor diesel.
Principiul de baza al pompei termice este acelasi cu cel al instalatiilor frigorifice, sau al celor de conditionare a aerului, insa temperaturile intre care lucreaza difera de cele caracteristice acestor instalatii.
Interschimbarea rolurilor vaporizatorului cu condensatorul prin intermediul unei vane cu patru cai, permite utilizarea pompei termice in sezonul cald pentru conditionarea aerului asa cum se arata in Fig.2.

Fig.2.Trecerea de la regimul de vara (racire) la cel de iarna (incalzire) se face prin simpla repozitionare a vanei inversoare cu patru cai.
In acest caz disiparea caldurii evacuate din cladire are loc prin intermediul unui turn de racire. De regula termenul de pompa termica este rezervat instalatiilor destinate incalzirii spatiilor sau prepararii acm, insa functionarea lor permite si utilizarea ca instalatii de racire/conditionare a aerului, ceea ce le sporeste gradul de utilizare reducandu-le timpul de amortizare.
Agenti frigorifici
recomandati
In functionarea unei PDC agentul frigorific joaca un rol esential. In clipa de fata freonul, considerat ne-ecologic a fost inlocuit cu agenti frigorifici ecologici
Ca refrigerenti se folosesc in ultimii ani amestecuri azeotrope de hidrocarburi fluorurate HFC.
Utilizarea diferitilor agenti frigorifici este in corelatie cu destinatia pompelor:
R-134a, R-152a, R-404A, R-407C, R-410A (pompe termice destinate incalzirii)
R-134a, R-410A, R-407C (sisteme centralizate de conditionare a aerului)
R-410A, R-407C (sisteme unitare de conditionare a aerului).
Hidrofluorocarburile necontinind clor au un potential nul de distrugere a stratului de ozon (ODP) insa se dovedesc periculoase din punctul de vedere al incalzirii globale (GWP). Ca urmare revin in atentia producatorilor de pompe termice hidrocarburile (de exemplu pentanul, propanul) si amoniacul, dar si bioxidul de carbon si apa [2]. Acestea se gasesc si sub forma libera in natura si de aceea pot fi considerate ecologice.
Coeficientul de
performanta.

Ciclul
dupa care functioneaza o pompa de caldura cu comprimare de vapori actionata
electric (prescurtat PDC) este ciclul Carnot inversat. Diagrama T-S a Ciclului
Carnot inversat si ideal este prezentata in fig. 3. unde : 4 -1 >
vaporizare ;2 - 3 > condensare ; 3 - 4 >
expansiune
Fig. 3. diagrama T-S a ciclului CARNOT inversat si ideal
Daca se noteaza cu :
T=temperatura corpului care primeste caldura (agentul termic)
Tu= temperatura corpului din care se extrage caldura (sursa rece)
e=coeficient de eficienta dupa Carnot
T-Tu = diferenta de temperatura intre corpul cald si corpul rece (temperatura exprimata in grade absolute Kelvin)
Atunci se defineste prin coeficient de performanta :
COP=e = T/T-Tu
Suprafata a = energia preluata din mediul inconjurator
Suprafata b = energia consumata de compreseor
a+ b = energia totala cedata agentului termic
s = entropia (continutul de energie la o stare data)
Diagrama T-S prezentata mai sus este pur teoretica. In natura nu exista procese ideale.
Datorita pierderilor termice, mecanice, electrice valoarea e-ului este mult mai scazuta in realitate.
Coeficientul de performanta real (cop) depinde de ecartul de temperatura
dintre sursa rece si agentul termic.
In concluzie daca dorim o eficienta maxima , atunci diferanta intre sursa rece (apa, aer, sol) si agentul termic trebuie sa fie cat mai mica.
In aceste conditii sisteme de distributie a caldurii cu temperaturi coborate (30-40sC : incalzire in pardoseala, in pereti, ventiloconvectoare) sunt cele mai indicate.
Bibliografia germana indica temperaturile sursei reci si ale celei calde cu notatii de genul W10/W35, EO/W35, LO/W50, BO/W35, etc.).
Putem conchide, pe baza celor prezentate mai sus, ca eficienta unei PDC creste o data cu scaderea diferentei de temperatura intre sursa rece si agentul termic.
Valoarea COP- lui definit mai sus este o valoare momentana ( intodeuna supraunitara ). Pentru a putea stabili un COP cat mai apropiat de relitate se ia in calcul o perioada mai lunga ( de ex. un an ) si se stabileste un COP anual, care este evident diferit de cel momentan (de obicei la calcularea lui se tine cont de toate consumurile auxiliare, cum ar fi pompele de extractie, recirculare, etc).
Producatorii si furnizorii profesionisti de PDC indica acest COP in specificatiile tehnice precizand automat si ecartul de temperatura.
Coeficientul de performanta al PDC pentru regimul de racire (climatizare de vara) este denumit si EER - eficienta energetica de racire.
In acest regim PDC urmeaza Ciclul Carnot normal, PDC 'transformandu-se' intr-un veritabil frigider. Intamplator prescurtarile 'COP' ( coefficient of performance ) si 'EER' ( energetic efficiency of refrigeration ) corespund cu prescurtarile folosite in limba engleza si va fi foarte usor sa recunoastem acesti coeficienti in literatura de specialitate sau specificatii tehnice scrise in aceasta limba!
Valoarea EER are o importanta deosebita la dimensionarea PDC reversibile deoarece necesarul de racire este mai mare decat necesarul de incalzire si in aceasta situatie puterea compresorului va fi data de necesarul de racire.
In momentul de fata PDC foarte performante au un COP cuprins in general intre 3.5-5.5 si in mod exceptional depasesc aceste valori.
Un exemplu in acest sens sunt anumite PDC fabricate de firma austriaca NEURA cu o conceptie cu totul speciala, care ajung in treapta de functionare 'ECO' la COP ce se apropie de cifra 8 .
Regimul de functionare al PDC.
Tehnologia actuala permite functionarea fara ajutorul altor surse de
caldura a multor pompe de caldura cu compresie mecanica PDC. Exista situatii in
care se impune si functionarea impreuna sau alternativ cu alte surse.
Regimurile de functionare posibile sunt (fig.5.):
momovalent ( PDC serveste numai ca sursa de incalzire - purtator energetic: energia electrica) ;
bivalent - paralel (se foloseste o PDC simultan cu o alta sursa de caldura) In cazul ca sursa ce functioneaza in paralel cu PDC foloseste energia electrica, atunci vorbim despre un sistem bivalent - paralel monoenergetic;
bivalent - alternativ (in aceasta situatie functioneaza sau PDC sau cealalta sursa de incalzire);
bivalent - partial - paralel
In actiunea de conceptie a sistemelor care utilizeaza pompele de caldura, respectiv la dimensionarea acestora prezinta o importanta majora considerarea corecta a regimurilor de functionare deoarece:
prin supradimensionare se maresc costurile de investitii si se genereaza o functionare defectuoasa a pompei ajungindu-se la porniri si opriri mai dese si implicit la uzura prematura a echipamentului.
Prin subdimensionare se mareste timpului de functionare cu aceleasi efecte de uzura a componentelor.
Clasificarea
PDC dupa sursa rece si agentul termic:
PDC sol-apa ( sursa rece- solul, agent termic- apa) -in aceasta categorie includem si PDC cu vaporizare directa.
PDC apa-apa (sursa rece- apa, agent termic- apa);
PDC aer-apa (sursa rece- aerul, agent termic- apa)
PDC sol-aer,
PDC apa-aer
PDC aer-aer
Sursele de
caldura
F Solul
PDC sol-apa este o PDC foarte raspandita comparativ cu cea apa-apa si are ca 'sursa rece' caldura solara acumulata in straturile superioare ale Pamantului.
Practica a aratat si teoria a confirmat, ca incepind de la o anumita distanta in sol (cca15m), temperatura ramane relativ constanta (cu fiecare 30m in adincime temperatura creste doar cu cca un grad Celsius) (fig. 6.). Acest urias potential energetic aflat la mii de km adancime nu face obiectul folosirii PDC.
Caldura necesara functionarii acestora se extrage doar din straturile superioare (care sunt incalzite, de fapt, de la Soare) si, temperatura la care se folosesc PDC sol apa este intre cca. 8s C si 30s C .
Din aceasta categorie larga fac parte pompele termice care utilizeaza
solul (GCHP) acestea fiind cu cu bucla inchisa denumite si geotermale (GHP)
apele freatice (GWHP), cu bucla deschisa
apele de suprafata (SWHP)
straturile de mare adancime
Captarea 'sursei reci' la PDC SOL- APA se poate face :
cu captatoare plane - ingropate la cca 1-1.5 m (se mai pot folosi captatoare sub forma de spirala sau kunette)
cu sonde de adancime - ce pot ajunge de la 50 la 100m (in cazuri speciale pot ajunge si la 250m)
cu
vaporizare directa dispusa in captatoare plane din cupru
Sistemele de captare din sol mai sunt numite si sisteme cu 'bucla inchisa'.
pdc cu schimbatoare de caldura sol-apa plane
Se utilizeaza numai in situatia in care dispunem de spatiu suficient in jurul obiectivului pe care dorim sa-l incalzim cu o PDC.
Puterea specifica de extragere a caldurii din sol este cuprinsa intre10W/mp si 50W/mp (sol uscat necompactat 10W/mp ; sol compact umed 20-30W/mp; sol ud nisip si pietris 40W/mp ).
Schimbatorul de caldura SOL-APA esterealizat din polietilena.
Circuitul se ingroapa la 1-1.5m in sol, suprafata de pamint superioara captatoarelor putind fi cultivata.
Pentru a se evita givrarea sistemului circuitul captatoarelor este umplut cu solutie antigel (glicol)
Avantajele sistemului: fiabil, simplu de realizat, investitie relativ mica, COP relativ ridicat.
Dezavantajul
principal al sistemului este necesarul ridicat de spatiu si faptul ca nu poate
fi amplasat pe orice sol.
Pentru cresterea performantelor acestui sistem s-a propus utilizarea apei de ploaie pentru mentinerea in stare umeda a solului in care este inglobat schimbatorul (SISTEMUL AqaGeo-Kollektor utilizat la PDC cu captatoare plane STIEBEL-ELTRON) (fig. 8.)
Sistemul este relativ simplu si este compus dintr-o folie impermeabila ce este amplasata sub captatoarele plane si un sistem subteran controlat de distribuie a apei pluviale deasupra schimbatorului. Prin folosirea acestui sistem se poate realiza o captare foarte eficienta a caldurii pamantului de pana la 40W/mp ajungandu-se la micsorarea suprafetei de captare cu pana la 70% a captatoarelor plane. Sistemul influenteaza pozitiv vegetatia aflata deasupra.
Amplasarea colectorilor de sol sub forma unor
colaci elicoidali reduce suprafata de teren necesara insa
trebuie avut in vedere ca aceeasi cantitate de energie termica
este extrasa de pe o suprafata mai redusa ceea ce poate avea
consecinte asupra orizontului de inghet, pe termen mediu si
lung.

Intrucat aceste sisteme cu bucla inchisa
sunt destinate sa lucreze si la temperaturi negative fluidul de
transfer termic este un amestec de apa cu 20% propilen glicol, avind
punctul de inghet la -7,8 0C; chiar daca acest amestec
reduce intr-o oarecare masura eficenta instalatiei
conditiile de functionare il impun. Pentru a evita inghetarea
amstecului temperatura apei freatice va trebui sa fie cu aproximativ 5.6 0C mai calda, adica
de cca -2 0C. De altfel scaderea temperaturii apei din sol
atrage dupa sine inrautatirea performantelor si a
eficientei pompei termice: o scadere a temperaturii de la -1 0C
la -6,5 0C conduce la o scadere a performantei pompei
termice cu 15%. In mod simetric, in perioada de functionare in regim de
racire o crestere a temperaturii de la 21 la 32 0C va
reduce performanta instalatiei cu cca 9%, iar a eficientei cu
25%.
pdc cu sonde de adincime (SAU verticale)
Se recomanda cand nu se dispune de spatiu suficient in jurul constructiei.
Forajele se pot executa pina la 250m. In general sondele de adincime se foreaza la100m iar in cazul ca nu sunt conditii la 50m.
Puterea de extragere a caldurii cu sonde de adancime:

sedimente
uscate: 30W/ml
ardezie basalt 55W/ml
piatra densa cu conductibilitate termica ridicata: 80W/ml
sol cu circulatie puternica a apei freatice: 100W/ml
Distanta dintre sonde este de minim 5m.
Puterea termica
extrasa printr-un put se recomanda a fi de cca 7 .10, 5 kW. In
fiecare put se introduce o conducta in forma de bucla U.
Aceste bucle sunt conectate la conductele de colectare-distribuire plasate
orizontal in santuri si care fac legatura cu pompa termica
amplasata in cladire. Conform normelor in vigoare (ISO-13256) temperatura
standard a fluidului din buclele de colectare este pentru incalzire de 0 0C
iar pentru racire de 25 0C.
Adancimea de forare depinde de puterea termica a pompei termice (fig.11).
Pompele termice frecvent intalnite pe piata sunt in gama de puteri 10.30 kW, fiind insa in continua extindere. Preturile de achizitie a pompelor termice scad odata cu cresterea puterii acestora ( o pompa termica de 1,7 kW costa aproximativ 1000 $, iar una de 5 kW revine la un pret cuprins intre 2000 si 3000 , insa la puteri ce depasesc 10 kW pretul poate ajunge la 4000.5000 $). Daca supradimensionarea pompei termice conduce la functionarea ciclica exagerata a acesteia, subdimensionarea sa atrage consumuri suplimentare de combustibil pentru sistemul de incalzire auxiliar; acesta din urma trebuie dimensionat cu atentie avind in vedere temperatura medie a aerului din timpul iernii.
Folosirea
PDC in cooperare cu izvoare geotermale de mare adancime, ce au temperaturi de
mii de grade C ( aceste izvoare numindu-se si' izvoare de roca
fierbinte') este posibila doar dupa ce acestea din urma au pierdut
potentialul si au ajuns la temperaturi compatibile cu functionarea unei PDC.
Schema de principiu a unei instalatii de recuperare a caldurii din straturile de mare adancime (roca fierbinte) ale Pamantului si transformarea ei in energie electrica si energie termica de incalzire.
Sistemul cu sonde verticale are acelasi principiu la baza cu cel al captatoarelor plane.
Ca avantaje: fiabilitate ridicata, nu ocupa spatiu mare, COP ridicat (avind in vedere ca 'sursa rece' este mai' calda' ca in cazul captatoatrelor plane), nu necesita aprobari speciale de mediu.
Dezavantaje: investitie mai mare, necesita utilaje speciale, personal bine pregatit in executia lucrarii.
Sistemele cu PDC sol-apa care utilizeaza distributia caldurii si frigului in pereti printr-o retea de vase capilare, reuseste sa realizeze racirea pasiva (SISTEMUL KAPITHERM-fig.
pdc cu vaporizare directa
La sistemul cu
vaporizare directa nu mai exista un circuit separat de captare, circuitul
agentului frigorific avind rolul de circuit de captare, fiind ingropat direct
in sol, devenind captatorul 'sursei reci'.
Acest circuit 'direct' este realizat din teava
de cupru fara suduri si cu un manson de protectie din polietilena. Circuitul se
ingroapa la cca. 1-1.5m si
se
aseaza pe un pat de nisip.
Avantajele sistemului sunt: COP foarte ridicat, fiabilitate mai mare fata de sistemul cu captatoare plane, se micsoreaza suprafata ocupata de captatoare fata de sistemul cu captatoare plane.
Dezavantaje:
este limitata plaja de putere (pana la 30-50kW).
La dimensionare se tine cont de calitatea solului.
Un
sistem cu totul original si cu avantaje suplimentare in functionare, este
sistemul NEURA care are un schimbator de caldura intermediar, un sistem
electronic de reglare a turatiei compresorului functie de sarcina, iar agentul
frigorific R407C este inlocuit cu gaz lichefiat (propan).
Prin dimensionarea adecvata a compresorului se obtine un sistem cu performanta foarte ridicata si cu un inalt grad de fiabilitate. O consecinta directa a acestor avantaje este reducerea spatiului necesar captarii cu cca 15-20% si implicit marirea plajei de putere. Functionarea lina a compresorului mareste substantial durata de functionare si duce la cresterea randamentului PDC. Aceste sisteme depasesc orice asteptari ajungand la un COP aproape de 7 cu functionarea in regim de turatie redusa si ecart minim de temperatura.
Un avantaj major al sistemului NEURA este si faptul ca PDC este amplasata in exteriorul casei intr-o cutie speciala din fibra. Nu ocupa spatiu, nu produce zgomot.
pompa de caldura apa - apa (Sistemele geoexchange)
Sistemul apa-apa este numit si sistem de captare cu bucla deschisa.
Apa freatica este extrasa printr-un put forat in sol in vederera utilizarii sale la incalzire, respectiv la racire. Apa freatica provine din spatiile goale existente in straturile geologice neconsolidate (nisip si pietris) precum si din cele consolidate (gresie si roca vulcanica). Viteza de curgere a apei prin vaporizator nu trebuie sa depaseasca 0.8m/s
Unitatea geologica capabila sa furnizeze, printr-un put, suficienta apa freatica pentru scopuri practice, denumita acvifer este alimentata continu cu apa din precipitatii, sau cu cea de suprafata. Fisurile existente in roca formeaza un sistem de comunicare prin care circula apa freatica permitind reincarcarea acviferului pe masura ce putul este exploatat in vederea productiei de apa.
Variatiile de temperatura de la suprafata solului influenteaza temperatura apei freatice pana la adancimi de cca 10 m Fig.6.
La adancimi cuprinse intre 10 m si 20 m temperatura apei freatice ramane relativ constanta la valori cu 1 la 2 0C mai ridicate decat temperatura medie anuala [7]. Gradientul geotermal care apare la adincimi mai mari, catre centrul pamantului, face sa creasca temperatura solului cu 1 0C la fiecare 35 m.
Puturile forate cu un diametru de 150 mm sau mai mare pot fi autosustinute, avind o adancime de 500 m sau chiar mai mult. Pentru aplicatii rezidentiale este suficient un singur put cu adincime de cca 215 m comparativ cu aplicatiile comerciale in care sunt necesare doua puturi cu adincime de 450 m. Partea superioara a putului care nu patrunde in roca este captusita cu tuburi de otel perforate, pentru a permite patrunderea apei in put.
Forarea puturilor se face cu tehnologia traditionala, Pentru evitarea surparii putului in timpul forarii se pot injecta lichide cu densitate mare precum cele polimerice. Acestea sunt recuperate de la suprafata solului dupa ce deverseaza.
Poate realiza cel mai ridicat COP. Un astfel de sistem apa-apa poate ajunge usor la un COP=5 si chiar il poate depasi. Poate furniza puteri mari (mii de kW), pe o singura unitate sau cupland mai multe unitati de putere mai mica.
Deoarece performanta sistemului depinde de o seama intraga de factori, s-au impus o serie intreaga de norme :
calitatea apei: apa potabila;
apa extrasa din straturile freatice trebuie reinjectata in sol (putul de injectie trebuie sa fie amplasat la min. 15m in aval fata de directia de curgere a apei in panza freatica)
pentru fiecare kW termic instalat este necesar un volum minim de apa de 160litri/ora, adica 0.16mc/ora (la min 8 s C), debitul trebuind asigurat in orice moment de putul de extractie;.
Proiectele destinate aplicatiilor rezidentiale sunt concepute sa extraga 35 kW/put (Standing Column Well, SCW), in timp ce la aplicatiile comerciale ating valori de 246 kW/put. De regula, productia de apa a unui astfel de acvifer este mai mica de 40 l/min. Productii mai mari se pot obtine in cazul unor puturi ce au fost forate in zona unei fracturi mai mari, sau in locatii in care acviferul are in subsolul sau materiale compozite neconsolidate, precum nisip si/sau pietris. Pentru aplicatii rezidentiale sunt necesare debite de 11.15 l/min, iar pentru cele comerciale valorile pot ajunge la 19.39 l/min. Productivitatea unui astfel de put depinde de mai multi factori, precum transmisivitatea acviferului, grosimea sa si proiectul putului.
Un proiect bine intocmit va furniza un debit de apa suficient din acvifer, evitind insa perforatii prea mari in tuburile de consolidare a putului, precum si o sita cu ochiuri exagerate care va favoriza patrunderea in put de materiale care vor distruge pompa de apa, sau sistemul geotermal. Constructia sistemelor geotermale implica in mod necesar proiectarea de catre un inginer hidrogeolog pe baza informatiilor geologice specifice inclusiv a testelor zonei respective O abordare integrata a intregului sistem bazata pe analiza sa multidisciplinara va aduce nemijlocit si economii de energie.
Sistemele geotermale cu pompe termice sunt cele mai eficiente energetic, nepoluante pentru mediul inconjurator si eficiente din punct de vedere al costurilor, conform statisticilor efectuate de organizatii de specialitate precum Agentia de Protectie a Mediului (EPA) din SUA. Sistemele geotermale de pompe termice de tip bucla deschisa ofera eficiente energetice comparabile cu cele de tip bucla inchisa insa la costuri substantial mai reduse. Acest tip de stocare/exploatare a energiei termice in acvifere este in continua extindere, mai ales ca pe aceasta cale nu se mai degaja bioxid de carbon in atmosfera.
O caracteristica a sistemelor geotermale de pompe termice este investitia initiala relativ mare comparativ cu alte sisteme conventionale destinate incalzirii si racirii. La pretul pompei termice se adauga cel de forare care variaza in functie de conditiile geografic si de cele subterane fiind cuprins intre 40 si 45 Euro, respectiv 120.160 RON pentru fiecare metru forat. Din acest motiv se dovedesc mai economice puturile de tip SCV comparativ cu puturile duble de productie respectiv reinjectie, Fig.8.a. Datorita economiei de energie aceste sisteme se amortizeaza in doi pana la zece ani, dupa care cheltuielile de intretinere si cele legate de energie devin mult mai reduse comparativ cu cele aferente sistemelor conventionale de incalzire si conditionare a aerului evitandu-se totodata degajarea unor cantitati importante de gaze cu efect de sera.
PDC apa-apa are un rol deosebit de important in industrie sau in exploatarea la maximum a izvoarelor geotermale. Apele reziduale sau apele geotermale cu temp. maxime de 28-30 s C pot fi cu succes valorificate. In cazul apelor geotermale izvorul poate fi multiplicat prin folosirea in cascada a mai multor PDC. Evident se va tine cont de calitatea apei, acest impediment putind fi evitat prin folosirea unor schimbatoare de caldura adecvate (anticorosive).
PDC apa-apa
poate fi utilizata si prin exploatarea apei din lacuri, fluvii, ape de tunel,
baraje (care au temperaturi > 8 s C). Si in aceste situatii calitatea apei
fiind esentiala. Folosirea unor filtre corespunzatoare poate rezolva cu succes
acest impediment.
In cazul utilizarii PDC apa-apa este bine de stiut ca se poate folosi apa extrasa din sol la racirea directa (pasiva)a spatiilor. Costurile de exploatare ale unui astfel de sistem sunt neglijabile (doar pompa de extragere a apei din put si pompele de recirculare). Exista, totusi si sisteme care fac exceptie.
Sistemul KAPITHERM prezentat anterior poate fi cu usurinta adaptat si la PDC apa-apa si cu sistem de distributie de joasa temperatura normal (podea, pereti, ventiloconvectoare).
Sistemul cu turatie variabila tip ECO de la NEURA este aplicat si la PDC apa-apa.
PDC AER-APA
Sistemele cu aer sunt utilizate rar, la sistemele de incalzire in general, datorita eficientei scazute a agentului termic aerul. Sistemele reprezentative sunt cele cunoscute sub denumirea generica de 'aer conditionat' sunt de fapt PDC aer-aer iar COP-ul lor este sub 3).
Pompele termice avand ca sursa de caldura aerul ambiant nu sunt eficiente in domeniul temperaturilor ambiante apropiate de punctul de inghet al apei:
pe de o parte depunerea de zapada/gheata pe vaporizator impune degivrarea sa periodica (la 30, 60, sau 90 de minute, in functie de climat si umiditatera atmosferica) cu implicatii directe asupra coeficientului de performanta;
in al doilea rind in zonele climatice caracterizate de temperaturi scazute ale aerului ambiant aceste pompe nu mai pot funiza caldura in conditii cat-de-cat eficiente tocmai in sezonul rece, adica tocmai atunci cind ar trebui sa asigure macar o parte a caldurii necesare confortului.
Pompele termice sunt economice din punct de vedere functional daca coeficientul de performanta, COP este mai mare decit 2,5; de aceea utilizarea acestora sub temperaturi exterioare de 0 0C nu este convenabila, impunind intrarea in functiune a unei surse de caldura auxiliare. In vederea utilizarii intr-o masura mai redusa a surselor auxilare de energie (de exemplu rezistente electrice) prezinta interes coborarea temperaturii punctului de echilibru, ceea ce se poate realiza fie prin imbunatatirea performantei termice a anvelopei cladirii, fie prin alegerea unei pompe termice de capacitate mai mare decit cea rezultata din sarcina de racire. Insa o supradimensionare a capacitatii de racire va determina, in perioada calda a anului, o functionare ciclica excesiva cu consecinte in disconfortul de temperatura si in nivelul de umiditate si care va conduce la scoaterea prematura din uz a pompei termice. Perioada de amortizare a pompelor termice avand ca sursa de caldura aerul este de 2 pana la 7 ani.
Dezavantajul major al sistemului este faptul ca nu poate functiona monovalent la temperaturi foarte scazute (incepand de la cca.-15sC).
Aceste
PDC pot functiona bivalent- paralel monoenergetic prin folosirea unei
rezistente electrice care intra in functiune la temperaturi foarte scazute (
sub -15s C). Datorita acestui fapt puterea de incalzire este limitata.
Cu toate ca PDC aer -apa are cel
mai scazut COP dintre toate PDC la care facem referire, ea este, alaturi de PDC
sol-apa, una dintre cele mai vandute PDC din Europa. Este utilizata atat la sistemele de preparare
a apei calde menajere cat si la incalzire.
Prin cuplarea cu panourile solare a unei PDC aer- apa se realizeaza un sistem ultraeficient de producere a apei calde menajere si chiar si pentru incalzirea pe timp de iarna.
Sistemul aer- apa-poate fi utilizat pe scara mare si la incalzirea piscinelor:
PDC aer-apa se poate ingloba in sisteme de improspatare si racier a aerului din anumite incaperi in paralel cu producerea apei calde menajere. Exista o larga varietate de modele de PDC aer- apa combinate cu sisteme de aerisire si ventilatie. Aceste sisteme se preteaza in special la dotarea caselor cu consum scazut de energie (case eficiente) sau la utilarea caselor passive (in interiorul site-ului veti gasi referiri la aceste constructii).
Punctul de echilibru defineste temperatura de la care devine necesara utilizarea unei surse suplimetare de caldura. La pompele termice avind ca sursa de caldura aerul punctul de echilibru se situeaza in domeniul valorilor negative, dar apropiate de zero Celsius.
Apele de suprafata
Cea mai ieftina solutie ce se poate adopta pentru amplasarea circuitului de conducte colectoare este imersarea acestuia in apa acumulata sub forma unui iaz, sau unui lac mai ales daca este situat in apropierea cladirii. In timpul verii instalatia va lucra pentru climatizare "deversand" in lac cca 1% din aportul solar maxim, iar in timpul iernii va prelua din apa acestuia aproximativ 6,6 W/m2. Ca urmare a faptului ca densitatea maxima a apei corespunde temperaturii de 4 0C la fundul lacurilor apa nu ingheata niciodata fiind intotdeauna cu 2,8 la 5,6 0C mai calda decit cea de la suprafata. Aceasta inlatura necesitatea utilizarii propilen glicolului din conductele colectoare.
Conductele colectoare sunt realizate cel mai frecvent din polietilena, polibutilena sau polietilena de densitate ridicata PE 3408. Conductele din cupru folosite cu succes (datorita conductivitatii termice mult superioare sunt suficiente lungimi de trei-patru ori mai scurte comparativ cu cele din plastic) nu au insa durabilitatea celor din PE 3408 sau polibutilena.
Apele reziduale de la spalatorii, fabrici, sau de la condensatoarele racite cu apa ale instalatiilor frigorifice sau de conditionare a aerului se dovedesc atragatoare din punctul de vedere al temperaturii, respectiv al coeficientului de performanta, insa tratarea ei inaintea utilizarii este preferabila chiar daca in cazul unei proiectari adecvate se poate renunta la aceasta.
-Scheme de pompe de caldura cu valorificarea diferitelor resurse energetice.
Pentru cresterea
performantelor pompelor de caldura s-au dezvoltat diferite structuri de
alcatuire a acestora, cu sisteme de control eficiente si diferite scheme de
integrare in sisteme complexe de valorificare a energiilor regenerabile.
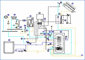
In figura alaturata este prezentata schema de principiu pentru un sistem hibrid cu PDC si panouri solare numit PDC solara.
In anexa 1 unt prezentate o serie de scheme.
In cadrul unei teze de doctorat care a avut ca subiect
studiul schemelor de pompe de caldura de tip standard, realizata la
Realizarea unui sistem hibrid de producere a energiei termice solare cu producerea energie termice cu pompa de caldura si prepararea apei calde este sustinuta de urmatoarele argumente :
. energia solara termica nu permite deservirea continua a solicitarilor de incalzire/racire ale unei cladiri decat prin intermediul unui stocaj termic, oneros si dificil de realizat. Combinatrea unei pompe de caldura cu o instalatie solara este in acest caz o masura de crestere a eficientei unui sistem de valorificare a energiilor regenerabile.
. combinarea unei pompe de caldura cu o instalatie solara permite diminuarea sarcinii termice a pompei de caldura, respectiv lungimea circuitelor si lucrarilor de realizare a acestora.
In conceptia schemei trebuie sa se tina cont de urmatoarele aspecte.
. evitarea amestecului de temperatura ridicata si joasa, deoarece incalzirea apei la temperatura ridicata are drept consecinta negativa scaderea COP pompa caldura.
. respectarea separatiei producere apa calda sanitara-incalzire cladire atat pentru circuitul solar cat si pentru cel al pompei de caldura.
. prelevarea energiei pentru incalzire din partea inferioara a boilerului.
. integrarea stocajului pentru incalzire in boilerul de apa calda.
.punerea la punct a unui sistem de reglalj care sa tina cont de toti parametri de interes.
Schema prezentata mai sus prezinta o functionare eficienta si prezinta avantajele :
Respecta nivelu de temperaturi
Simplifica la maximum schema generala
Suprima functionarea organelor inutile.

|
Politica de confidentialitate | Termeni si conditii de utilizare |
Vizualizari: 5139
Importanta: ![]()
Termeni si conditii de utilizare | Contact
© SCRIGROUP 2025 . All rights reserved