| CATEGORII DOCUMENTE |
| Astronomie | Biofizica | Biologie | Botanica | Carti | Chimie | Copii |
| Educatie civica | Fabule ghicitori | Fizica | Gramatica | Joc | Literatura romana | Logica |
| Matematica | Poezii | Psihologie psihiatrie | Sociologie |
UTILIZAREA OSCILOSCOPULUI CATODIC
1. Scopul lucrari.
Cunoasterea modului de utilizare a osciloscopului pentru masurarea amplitudinii, frecventei, defazajelor si pentru ridicarea caracteristicilor de transfer.
2.Notiuni teoretice.
Studiul utilizarii osciloscopului pentru masurarea amplitudinii, frecventei si defazajelor se face pe circuite simple: de derivare, de integrare si divizorul de tensiune.
a)Circuitul de derivare
Configuratia unui circuit de derivare este prezentata in figura 1.

Pentru acest circuit (fig.1) exista relatiile:
U2(t)=Ri(t) [2.1]
U1(t)=![]()
i(t)dt [2.2]
In relatia [2.2], daca R si C sunt mici, atunci contributia in suma a celui de-al doilea termen se poate neglija. In aceasta situatie se pot scrie relatiile:
U1(t)=![]()
i(t)dt
+Ri(t) [2.3]
i(t)=C
[2.4]
U2(t)=RC
[2.5]
Observam ca se efectueaza operatia de derivare (relatia [2.5]) in conditiile in care R si C sunt mici.
Daca U1 este un semnal dreptunghiular conditiile impuse se rezuma la:
=RC<<ti [2.6]
unde ti este durata impulsului. Formele de unda de la intrarea si de la iesirea circuitului, pentru semnalul dreptunghiular, sunt reprezentate in figura 2.

Fig.2
Raspunsul circuitului de derivare la impulsuri dreptunghiulare, in cazul
<<ti.
Circuitul de integrare.
Configuratia unui circuit de integrare este prezentata in figura 3.

Fig.3 Circuit de integrare.
Pentru circuitul de integrare (fig.3) exista urmatoarele relatii:
U2(t)=
i(t)dt [2.7]
U1(t)=Ri(t)+
i(t)dt [2.8]
In relatia [2.8], daca R si C sunt mari, atunci contributia in suma a celui de-al doilea termen se poate neglija. In aceasta situatie se pot scrie relatiile:
U1(t)=Ri(t) [2.9]
i(t)=
U1(t) [2.10]
U2(t)=
U1(t)dt [2.11]
Deci, circuitul din figura 3 efectueaza operatia de integrare (relatia [2.11]), in conditile in care R si c sunt mari.
Daca U1(t) este un semnal dreptunghiular, conditiile impuse se rezuma la respectarea relatiei:
=RC>>ti [2.12]
unde ti este durata impulsului.
Formele de unda de la intrarea si de la iesirea circuitului de integrare, pentru semnalul dreptunghiular, sunt reprezentate in figura urmatoare:

Fig.4
Raspunsul circuitului de integrare la semnalul dreptunghiular aplicat la
intrare, in cazul
>>ti.
c) Divizorul de tensiune.
Un exemplu de
divizor de tensiune (fig.5) este tocmai circuitul de intrare al osciloscopului,
unde R1 si C1 sunt parametri sondei, iar R2 si
C2 sunt parametrii intrarii Y ai osciloscopului. In functie
de raportul dintre constantele de timp
1=R1C1
si respectiv
2=R2C2
la aplicarea unui impuls la intrarea circuitului (fig.5.b), semnalul de la iesire poate fi
supracompensat (
1>
2),
compensat (
1=
2)
sau subcompensat (
1<
2).

Fig.5.a.

Fig.5.b.
Fig.5.
Divizorul de tensiune (a) si raspunsurile lui (b) in functie de raportul
1/
2.
2.1.Masurarea defazajelor.
2.2.Metoda elipsei.
Pentru masurarea defazajului dintre doua semnale, cu ajutorul osciloscopului, se aplica pe intrarea X a acestuia un semnal, iar pe intrarea Y semnalul defazat.
Daca semnalul aplicat pe intrarea X are expresia :
Ux=U1sin(
t+
1) [2.13]
iar semnalul aplicat pe intrarea X are expresia:
Uy=U2sin(
t+
2) [2.14]
pe ecranul osciloscopului se va vizualiza o elipsa (de aceea metoda se mai numeste si metoda elipsei). Figura vizualizata se mai numeste si figura Lissajous.
Pentru a gasi ecuatia elipsei in planul xOy trebuie sa eliminam timpul intre cele doua ecuatii ([2.13] si [2.14]). Pentru aceasta le scriem sub forma:
=sin
t
cos
1+cos
t
sin
1 [2.15]
=sin
t
cos
2+cos
t
sin
2 [2.16]
Inmultind pe
cea de-a doua cu sin
1
si scazind-o din prima ecuatie inmultita cu sin
2
obtinem:
sin
2-
sin
1=sin
t
sin(
2-
1) [2.17]
Inmultind
acum a doua ecuatie cu cos
1
si scazind-o din prima inmultita cu cos
2,
obtinem:
cos
2-
cos
1=-cos
t
sin(
2-
1) [2.18]
In sfirsit, ecuatia traiectoriei rezulta ridicind la patrat ultimile doua relatii si adunindu-le membru cu membru:
+
-
cos(
2-
1)=sin2(
2-
1) [2.19]
Curba data de ecuatia [2.19] reprezinta, in general, o elipsa ai carei parametri depind de diferenta de faza:
=
2-
1 [2.20]
Pentru a ne da seama mai bine de aceasta dependenta, vom considera citeva cazuri particulare.

Fig.6. Reprezentarea imaginilor obtinute pentru diferite valori ale defazajului.
a)
=
-
=0
sau
=
-
=2
.
In acest caz, din [2.19] obtinem ecuatia unei drepte:
Uy=(U2/U1)Ux [2.21]
adica deplasarea are loc in lungul unei drepte care trece prin origine si face cu axa Ox un unghi de tangenta egala cu U2/U1(fig.6.a.)
b)
=
-
=
.
In acest caz, obtinem ecuatia:
Uy=(-U2/U1)Ux [2.22]
care corespunde unei deplasari in lungul unei drepte care face cu axa Ox un unghi de tangenta (-U2/U1) (fig.6.e.)
c)
=
-
=
/2
sau
=3
/2.
Din relatia [2.19] obtinem expresia:
+
=1 [2.23]
care este ecuatia unei elipse de semiaxe U1 si
respectiv, U2 (fig.6.c. si g.). Daca amplitudinile celor
doua tensiuni sunt egale, U1=U2=U atunci
traiectoria spotului va fi un cerc de raza U. Situatia cu
=
/2
se deosebeste de cea cu
=3
/2
prin sensul de parcurgere al traiectoriei (fig.6.c.si g.).
In toate
celelalte cazuri (cu
=
-
<2
)
obtinem din nou traiectorii eliptice, insa axele elipselor respective nu
vor mai fi dirijate in lungul celor doua axe de coordonate. Miscarea care se va obtine pentru cazul
-
=
si, respectiv,
-
=
-
va avea loc in lungul unor elipse de aceleasi semiaxe si va diferi doar prin
sensul de parcurgere al traiectoriei. In figura 6 sunt reprezentate imaginile
obtinute pentru unele valori particulare ale defazajului.
Relatia [2.19] ne permite sa masuram defazajul facand anumite determinari ale dimensiunilor elipsei (fig.7.)
Fig.7. Imaginea obtinuta pe ecranul osciloscopului in metoda elipsei.
Punctul "O" (fig.7.) corespunde pozitiei spotului data de Ux=0 si Uy=0.
Cand Ux=0,
iar Uy
0
spotul se afla in punctul B sau B1. In aceste puncte, din
[2.19], rezulta valoarea corespunzatoare a tensiunii Uy:
Uy=
U2sin
[2.24]
Deci segmentul BB1 are lungimea:
BB1=2k2U2sin
[2.25]
unde, k2 este factorul de deflexie pe verticala.
Din relatia [2.1], rezulta ca deviatia maxima a spotului pe verticala este k2U2, deci lungimea segmentului AA1 va fi:
AA1=2k2U2 [2.26]
Din [2.25] si [2.26] se obtine relatia care permite calcularea defazajului:
sin
=
[2.27]
Observatie. O relatie asemanatoare se poate obtine facand calcule fata de segmentele CC1 si DD1 (fig.7.):
sin
=
[2.28]
analizand
figura 6, se constata ca figurile Lissajous pot avea aceiasi
forma pentru doua defazaje diferite (de ex. fig.6.b.si h.). Ceea
ce difera este sensul de parcurgere a elipsei care este in sens orar,
daca
[0;
],
sau in sens antiorar, daca
[
;2
].
Eliminarea impreciziei semnalate mai sus se poate face prin determinarea
sensului de parcurgere a elipsei, dar numai la frecvente joase (cativa Hz), cand
poate fi urmarit vizual spotul.
La frecvente mari eliminarea impreciziei se face analizand modul in care se modifica forma figurii la cresterea defazajului.
De exemplu, se introduce un defazaj suplimentar prin inserarea unui circuit R.C. cu unul din semnalele U1 sau U2. In fig. 8. se aplica in serie cu semnalul U2. Circuitul R.C. introdus mareste defazajul (fig.8.b.).
Fig.8. Masurarea semnului defazajului in metoda elipsei
Daca
elipsa initiala inserarii avea forma din figura 8.c. iar cea
finala, dupa inserarea circuitului R.C., avea forma din fig.8.d.,
rezulta ca defazajul initial era cuprins in intervalul [0;
].
Daca,
dimpotriva, elipsa finala are forma reprezentata in fig.8.e.,
defazajul initial era cuprins in intervalul [
,2
]
(sau [-
,0])
Observatie. Inainte de a folosi metoda elipsei trebuie sa verificam ca frecventele celor doua semnale defazate sunt egale si ca defazajele introduse de cele doua amplificatoare (pe orizontala si pe verticala) sunt egale, in caz contrar fiind necesare corectii.
2.1.2. Metoda sincronizarii cu semnal de referinta.
Metoda consta in doua faze:
Faza 1. La intrarea Y a osciloscopului se aplica semnalul U1, considerat de referinta. Cu acelasi semnal se realizeaza si sincronizarea, extern (fig.9.a.). Stabilind crescator va fi punct de referinta. Baza de timp va fi, de asemenea, declansata in acest moment (fig.9.c).
Faza 2. Se
deconecteaza semnalul U1 de la borna Y (mentinandu-se la
intrarea de sincronizare externa), si se aplica la intrarea Y
semnalul U2 defazat fata de U1 cu
.
Sincronizarea facandu-se extern cu semnalul U1, se va vizualiza
semnalul U2 asa ca in fig.9.b. Se deduce imediat ca
defazajul se va citi direct pe
ecranul osciloscopului.
Fig.9. Masurarea defazajelor prin metoda sincronizarii cu semnalul de referinta.
2.2. Masurarea frecventei.
2.2.1. Metoda citirii directe.
Aceasta metoda (cea mai des folosita) consta in:
- vizualizarea stabila a unui numar cat mai mic de perioade din semnalul a carui frecventa o vom determina.
- se citeste pozitia comutatorului frecventei B.T. (TIMP/DIV).
- se determina numarul de diviziuni pe care se extinde o perioada de semnal.
- inmultind numarul de diviziuni/perioada de semnal cu numarul TIMP/DIV obtinem perioada semnalului vizualizat care prin inversare ne da frecventa semnalului.
2.2.2. Metode de comparatie.
2.2.2.1. Metoda figurilor Lissajous.
Schema de masura este cea din figura 10, semnalul de frecventa necunoscuta fiind aplicat la o pereche de placi.
Fig.10. Masurarea frecventei prin metoda figurilor Lissajous.
Daca cele doua frecvente se afla intr-un raport exprimabil printr-un numar rational se obtine o curba inchisa numita figura Lissajous.
Se va demonstra ultima afirmatie. Pentru aceasta se considera ca se aplica osciloscopului doua semnale a caror frecvente se afla in raportul m/n. Perioadele acestor semnale pot fi scrise: T1=mT si T2=nT.
In momentul t0 spotul are coordonatele:
y0=Usin(
t0+
)
x0=U2sin(
t0+
) [2.29]
Se observa ca in momentele t=t0+kmnT curba trece tot prin punctul de coordonate x,y. S-a aratat astfel ca daca frecventele celor doua semnale sunt intr-un raport exprimabil printr-un numar rational, spotul descrie o curba inchisa, deci are o miscare periodica:
TL=mnT=mT2=nT1. [2.30]
In cazul miscarii periodice, din forma curbei care apare pe ecranul osciloscopului, se poate deduce atat raportul frecventelor, cat si defazajul dintre cele doua semnale (paragraful 2.1.)
Pentru acestea se considera perioada T1 si se numara punctele de intersectie ale curbei descrise de spot cu doua drepte, una verticala si una orizontala, dusa prin acelasi punct din interiorul domeniului delimitat de figura. Este clar ca, in timpul unei perioade T, daca ramurile curbei nu se suprapun la ducerea si la intoarcerea spotului, x trece de n ori prin valoarea maxima, iar y de m ori.
Deci, la o figura Lissajous, la care ramurile nu coincid pe portiuni finite, raportul frecventelor semnalelor aplicate pe placile verticale si orizontale este egal cu numarul de puncte de intersectie dintre figura Lissajous si doua drepte, una orizontala, si alta verticala, dusa prin acelasi punct din interiorul figurii.
2.2.2.2. Metoda modularii intensitatii spotului.
Se aplica la borna Y a osciloscopului un semnal de frecventa cunoscuta numita frecventa etalon (fig.11.). La borna Z de modulare a intensitatii spotului se aplica semnalul a carui frecventa se doreste a fi masurata. Astfel imaginea semnalului etalon va fi "intrerupta" de un numar de ori N, acest numar reprezentand chiar numarul de perioade ale semnalului de masurat cuprinse intr-o perioada a semnalului etalon (fig.11.).
Fig.11. Masurarea frecventei prin metoda modularii intensitatii spotului.
Deci, frecventa necunoscuta fn va fi data de relatia.
fn=N fe [2.31]
3.Desfasurarea lucrarii.
3.1. Se calibreaza osciloscopul, vizualizand un semnal dreptunghiular de amplitudine si frecventa cunoscute (furnizat de osciloscop sau de un generator extern).
3.2. Se realizeaza circuitul de derivare, cu R=10K si C=22nF. Se aplica la intrarea circuitului impulsuri dreptunghiulare de frecventa f=500Hz, factor de umplere 1/2 si amplitudine 2V.
Se determina cu ajutorul osciloscopului si se noteaza amplitudinea si frecventa semnalului de la iesire.
Se deseneaza, corelate in timp, formele de unda ale semnalului de la intrare si de la iesire.
3.3. Se repeta punctul 3.2. modificandu-se frecventa de la intrare, lin in intervalul 100Hz-10KHz. Se observa evolutia semnalului de la iesire. Se completeaza tabelul urmator:
|
f[Hz] | |||||||||
|
Forma unda U1 |
| ||||||||
|
Form unda U2 |
3.4. Se
ridica caracteristica |H(j
)|=U2(j
)/U1(j
)|
in functie de frecventa, lucrand cu semnal sinusoidal de amplitudine |U1(j
)|=1V.
Se completeaza tabelul urmator:
|
f |
10Hz |
100Hz |
1KHz |
10KHz |
100KHz |
1MHz |
|
|U2(j | ||||||
|
|H(j |
3.5. Se repeta punctele 3.2., 3.3. si 3.4. pentru circuitul de integrare cu R=10K si C=22nF.
3.6. Se relizeaza configuratia de divizor de tensiune din fig.5 cu R1=10K, C1=22nF, R2=200K si C2=100nF.
Se repeta punctele 3.2. si 3.4. pentru aceasta configuratie.
3.7. Se verifica daca defazajele introduse de etajele pe verticala si pe orizontala ale osciloscopului sunt egale. In acest scop se conecteaza in paralel intrarile Y si X si se aplica ambelor intrari un semnal de frecventa egala cu cea la care se lucreaza. Daca pe ecran apare o linie dreapta, inseamna ca cele doua defazaje sunt egale. In caz contrar apare o elipsa, cu dimensiunile careia se calculeaza defazajul introdus de etaje. Introducandu-se un defazaj suplimentar in serie cu intrarea unuia dintre amplificatoare si observandu-se modificarea imaginii, se deduce si semnalul defazajului (vezi paragraful 2.1.1.).
3.8. Se aplica la intrarea X a osciloscopului semnal sinusoidal cu amplitudinea aleasa astfel incat imaginea sa se inscrie cat mai bine in ecranul osciloscopului, iar pe intrarea Y acelasi semnal trecut intr-o retea de defazare (fig.12.). Frecventa de lucru se ia de 1khz.

Fig.12. Montaj pentru masurarea defazajului prin metoda elipsei.
Se calculeaza defazajul introdus de aceasta retea, dupa care se determina acelasi defazaj cu metoda elipsei. Se vor compara rezultatele si se vor explica eventualele diferente.
Cu reteaua de defazaj suplimentara (Se va folosi ca retea de defazaj suplimentara un circuit ca cel din fig.8. cu R=200K si C=100nF.) se va determina intervalul in care se afla defazajul (sau semnul defazajului) circuitului studiat.
3.9. Se repeta punctul 3.8. variindu-se frecventa de lucru in plaja 1KHz-10KHz. Se va completa tabelul urmator:
|
f[KHz] | ||||||||||
|
| ||||||||||
|
| ||||||||||
|
figura Lissajous vizualizata |
| |||||||||
|
|
3.10. Se realizeaza montajul din fig. 13. in care:
-G.S. este un generator de semnal sinusoidal:
-G.S.E. este un generator de semnal de frecventa etalon.
Se alege pozitia atenuatorului si valorile Uy si Ux astfel incat imaginea sa se incadreze pe ecranul osciloscopului cat mai bine.
Se va vizualiza o figura Lissajous.
Fig. 13. Montaj pentru masurarea frecventei pentru metoda figurilor Lissajous.
Cunoscand fx, rezulta:
fy=fx
[2.32]
unde: nx reprezinta numarul de puncte de intersectie ale figurii Lissajous cu o dreapta orizontala.
ny reprezinta numarul de puncte de intersectie ale figurii Lissajous cu o dreapta verticala.
Dreptele respective trebuie sa se intersecteze intr-un punct din interiorul figurii.
Obtinerea unei figuri stabile se realizeaza reglind frecventa fx.
Se vor face 6 masuratori ale frecventei de retea dand valori lui fx in domeniul 20Hz-200Hz. Se completeaza tabelul urmator:
|
fx [Hz] | ||||||
|
figura Lissajous vizualizata | ||||||
|
ny | ||||||
|
nx | ||||||
|
fy |
3.11. Se realizeaza montajul din figura 11, in care "Z" este borna de modularea intensitatii spotului.
Se regleaza Ue astfel incat imaginea obtinuta sa se incadreze cat mai bine in ecran si sa se poata face marcarea.
Se regleaza luminozitatea pentru a observa optim zonele de modulatie.
Se regleaza baza de timp pina ce se obtine o imagine stabila.
Se va determina frecventa de retea luand fe=10Hz (vezi paragraful 2.2.2.2.).
3.12. Se realizeaza montajul din figura 14.
Fig.14. Trasarea caracteristicii i-u a diodei semiconductoare.
Pe placile de deflexie orizontala se aplica tensiunea preluata direct de pe dioda, iar pe placile de deflexie verticala se aplica o marime proportionala cu curentul prin dioda.
Se va vizualiza si se va desena caracteristica curent-tensiune a unei diode Zener.
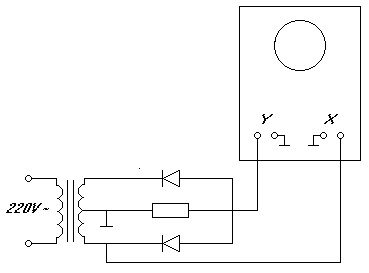
3.13. Se va vizualiza si se va desena caracteristica de transfer a redresorului bialternanta. Pentru aceasta se va realiza montajul din figura 15.
Fig.15. Trasarea caracteristicii de transfer a redresorului bialternanta.
4. Intrebari.
4.1. Cum se modifica raspunsul la impulsuri dreptungiulare daca se intrerupe unul dintre condensatoarele divizorului de tensiune compensat (fig.5)?
4.2. Ce se intimpla daca, in figura 8, circuitul de defazare suplimentara se introduce in serie cu celalalt semnal?
4.3 Semnalul Ux are frecventa fx=1KHz. Utilizand metoda figurilor Lissajous pentru determinarea frecventei semnalului Uy, s-au obtinut figurile urmatoare:
Ce frecventa a avut Uy in fiecare caz?
4.4. Demonstrati relatia [2.28].
4.5. Aratati sensul de parcurgere al caracteristici i-u la dioda, in decursul unei perioade a semnalului din secundarul transformatorului (fig.14.).
Desenati montajul pentru ridicarea caracteristicii i-u a diodei cu ajutorul ampermetrului si voltmetrului.
Comparati cele doua metode.
4.6. Se poate inlocui transformatorul (fig.14) cu o sursa de tensiune continua?
4.7. Sa se explice formele de unda vizualizate la punctele 3.2. si 3.5.
4.8. Sa se indice sursele posibile de erori in cadrul masuratorilor efectuate cu osciloscopul.
4.9. Sa se deseneze figura Lissajous care s-ar obtine pe ecranul osciloscopului, daca la intrare se aplica semnalele:
Ux=Usin(
t+
)
Uy=Ucos2
t
4.10. Sa se deseneze montajul care permite vizualizarea caracteristicii de transfer a redresorului monoalternanta. Sa se explice functionarea acestuia.
|
Politica de confidentialitate | Termeni si conditii de utilizare |
Vizualizari: 2200
Importanta: ![]()
Termeni si conditii de utilizare | Contact
© SCRIGROUP 2025 . All rights reserved