| CATEGORII DOCUMENTE |
| Aeronautica | Comunicatii | Electronica electricitate | Merceologie | Tehnica mecanica |
MAsurarea CapacitATii Si a inductivitATii
1. Introducere
Principalele metode folosite pentru masurarea in c.a. a parametrilor de circuit sunt: metode de tip cu echilibrare (folosind circuite de masurare in punte), metode cu conversie impedanta - tensiune si metode de rezonanta.
Functie de metoda, impedanta masurata se descrie prin componentele polare (modul, argument) sau prin componentele rectangulare (activa, reactiva); de multe ori se prefera descrierea impedantei masurate prin perechea: componenta reactiva (L sau C), factorul de calitate (sau prin factorul de disipatie).
2. PunTi de
Exista o varietate impresionanta de punti de c.a., ce se grupeaza functional in: punti simple , punti cu transformator, punti de radiafrecventa.
2.1. PunTi simple de
2.1.1. Generalitati
A.Configuratia principiala
Generaliz`nd puntea simpla de c.c., puntea simpla de c.a. are in brate impedante, este alimentata in c.a. - sinusoidal (cu frecventa apropiata de 1KHz) si foloseste un indicator de zero selectiv (acordat pe frecventa sursei de alimentare). Prin definitie, intr-o punte simpla de c.a., nu este admisa existenta unor cuplaje (inductive, capacitive) intre componentele de pe brate si/sau diagonale.
B. Analiza starii de echilibru
1B. Descrierea relationala a starii de echilibru
Pentru puntea simpla de c.a. din fig.1, echilibrul se obtine atunci c`nd
,
(indicatorul de zero fiind sensibil doar la modulul valorii tensiunii de
dezechilibru a puntii); tin`nd cont de expresia lui
, la
echilibru este valabila relatia:
, (1)
|
Fig.1. Structura principiala a puntii simple de c.a. |
relatie echivalenta cu sistemul:
(2)
Folosind pentru
impedantele
scrierea polara
din (2) rezulta:
,
relatii din care
rezulta conditia
sau, echivalent (tin`nd cont de valorile
posibile pentru
),:
(3)
Relatia (3) este
echivalenta cu afirmatia ca nu orice combinatie aleasa pentru caracterul
impedantelor
permite echilibrarea puntii, ci doar acelea ce
asigura ca
semnul sumei
sa poata fi acelasi cu semnul sumei
.
Daca se accepta descrierea rectangulara
, relatiile (2) sunt echivalente cu:
(4)
2B. Convergenta procesului de echilibrare
Ecuatiile sistemului (4) fiind independente, implica necesitatea a doua elemente variabile pentru a obtine echilibrul puntii. Daca dupa un numar finit de modificari a elementelor variabile se obtine echilibrul puntii , puntea se considera convergenta.
Teoretic convergenta puntii se obtine numai daca elementele reglabile modifica independent partea activa si partea reactiva a impedantei dintr-un singur brat al puntii; in plus daca frecventa de alimentare se alege astfel inc`t factorul de calitate al bratului reglabil sa fie in jurul unitatii, sensibilitatea puntii este practic aceeasi fata de fiecare din elementele reglabile.
Practic, datorita pragului de sensibilitate al indicatorului de zero, orice pereche de elemente reglabile echilibreaza puntea (prin mai multe, sau mai putine reglaje succesive). Din motive constructive singurele elemente reglabile dintr-o punte de c.a. sunt de tip rezistiv sau capacitiv (puntile utilizabile nu contin bobine ca impedanta cunoscuta datorita impreciziilor constructive mari ale acestora).
C. Variante principiale de punti simple de c.a.
Puntile la care impedantele din brate adiacente sunt reale se numesc punti de raport, ele permit`nd compararea a doua impedante de aceeasi natura. Daca impedantele din bratele opuse sunt reale, puntea se numeste de tip produs si permite compararea a doua impedante de naturi diferite.
|
Fig. 2. Punti simple de c.a. pentru masurarea condensatoarelor: a) puntea Sauty; b) puntea Nerust; c) puntea Schering; d) puntea Kohlrousch |
Utilizarile celor doua tipuri de punti sunt evidente daca analizam (3). Cum elementele cunoscute dintr-o punte nu pot fi dec`t R si C puntile pentru capacitati sunt punti de tip raport, iar cele pentru inductivitati, sunt punti de tip produs.
2.1.2. Principalele punti simple de c.a.
A.Proprietati
Puntile simple de c.a. utilizate, au urmatoarele proprietati:
asigura relatii la echilibru independente de frecventa tensiunii de alimentare (cu avantaj evident pentru precizia masurarii);
au o buna convergenta (de obicei optima, elementele reglabile - un condensator si un rezistor - apartin`nd aceluiasi brat al puntii);
componentele
impedantei de ma
Observatie: Relatiile la
echilibru pentru fiecare punte simpla de c,.a. se
obtin din (2.), dupa ce in prealabil s-a evaluat expresia:
; pentru
simplitatea calculelor asociate sistemului (2), impedantele bratelor cu
conexiuni in derivatie se exprima prin inversul admitantei.
B. Punti simple de c.a. pentru capacitati
1B. Introducere
Variantele de punti simple pentru capacitati, folosite frecvent, sunt prezentate in fig.2, in care C* - condensatorul de masurat; in cazul fiecarei punti schema echivalenta pentru C* s-a ales asa inc`t componentele sale sa fie determinate prin relatii independente de frecventa.
2B. Puntea Sauty
Aceasta punte, cu structura din fig.2.a.,
este folosita pentru masurarea condensatoarelor cu pierderi mici; deoarece
expresia
,
implicata in (2), are forma concreta:
,
din Re
= 0 si Im
= 0 rezulta:
(5)
Elementele reglabile pot
fi
- perechea optima, sau
atunci c`nd o capacitate variabila inseamna o
conditie greu de indeplinit.
3B. Puntea Nernst
Aceasta punte, cu structura din fig.2.b., este folosita pentru masurarea condensatoarelor cu pierderi mari; deoarece:
,
in care
,
conditiile (2) asupra lui
sunt echivalente cu conditii similare impuse
lui
; cum:

din Re
= 0 si
Im
= 0, rezulta:
(6)
3B. Puntea Schering
Aceasta punte - cu structura din fig.2.c.-, alimentata in c.a. de frecventa industriala (50Hz), se foloseste at`t pentru masurarea condensatoarelor de joasa tensiune c`t si a celor de inalta tensiune (caz in care, pentru protectia experimentatorului, este obligatorie utilizarea diagonalelor ca in fig.2.c, protectia fac`ndu-se prin eclatoare).
La echilibru puntea are relatiile:
(7)
Elementele variabile sunt
(ultimul gradat chiar in
).
4B. Puntea Kohlrausch
Aceasta punte, cu structura din fig.2.d.,
este dedicata exclusiv condensatoarelor polarizate (cu pierderi mari);
- asigura polarizarea lui C*, fara sa afecteze
IZ. La echi-
libru
(8)
5B.Observatie
Din fig.2 ai din relatiile (4) 7) rezulta recomandarea de a utiliza schema echivalenta serie pentru condensatoare cu pierderi mici.
C. Punti de c.a. pentru inductivitate proprie
1C. Introducere
|
Fig. 3. Punti simple pentru masurarea inductivitatii proprii: a) puntea Maxwell - Wien ; b) puntea Hay ; c) puntea Owen serie |
Variantele de punti folosite frecvent pentru bobine, sunt prezentate in
fig.3, in care L* - bobina de ma
), sa fie
indepen-dente de frecventa; se recomanda schema serie pentru bobine cu Q mic,
iar schema derivatie pentru bobine cu Q mare.
2C. Puntea Maxwell - Wien
Av`nd schema din fig.2.a., aceasta punte este cea mai frecvent utili-zata pentru masurarea inductivitatii.
Relatiile pentru (
) se obtin
prin prelucrarea diferentei
,
echivalenta din punct de vedere al relatiilor (2) cu
. Se
obtine:

|
Fig. 4 Punte Hay pentru bobine cu premagnetizare |
iar din
conditiile Re
= 0 si Im
= 0 rezulta:
3C.Puntea Hay
Av`nd structura din fig.7.2.3.b., aceasta punte este recomandata pentru masurarea inductivitatilor cu factor de calitate mare.
Relatiile pentru (
) sunt:

Observatie Puntea Hay poate fi completata (fig.4) astfel inc`t sa permita masurarea bobinelor cu premagnetizare; in schema folosita alimentarea are doua ramuri in paralel (una de c.c. cu posibilitatea reglarii curentului de premagnetizare, o alta de c.a. ce alimenteaza puntea de masurare).
4C. Puntea Owen
Varianta
serie a acestei punti, cu schema din fig.7.2.3.c.,
permite masurari de precizie (puntea are si o varianta paralela ce masoara
, in a
carei schema
sunt conectate in paralel).
Relatiile la echilibru sunt:
(10)
5C. Observatie
|
Fig.5. Conexiunile: adi-tionala a) si diferentiala b), pentru doua bobine cuplate magnetic |
Daca doua bobine cuplate magnetic se inseriaza aditional si diferential (fig.5.a,b) atunci masur`nd, cu una din puntile de inductivitate proprie, inductivitatile echivalente ale celor doua conexiuni, se poate calcula inductivitatea mutuala, M, cu relatia:
, (11)
La, Ld fiind inductivitatile echivalente ale conexiunilor aditionala, respectiv diferentiala. Metoda este utilizabila doar pentru valori mari ale lui M, altfel relatia (11) implica erori mari de masurare; exista si punti specializate pentru inductivitate mutuala (Campbell, Carey - Foster) folosite insa rar.
D. Erori la masurarea cu punti simple de c.a.
1D. Surse de erori
Relatiile de calcul pentru parametrii echivalentti ai
condensatorului sau bobinei de ma
Pe l`nga aceste erori principiale masurarile cu punti de c.a. sunt afectate de o serie de erori suplimentare datorate:
parametrilor reziduali ai componentelor din punte, componente ce nu se comporta ca elemente ideale (rezistoare cu reactanta nula, condensatoare fara pierderi, s.a.);
cuplajelor parazite (inductive si capacitive) intre laturile si/ sau diagonalele puntii.
2D. Modalitati de micsorare a erorilor suplimentare
Micsorarea erorilor suplimentare se face prin:
alegerea unei frecvente de alimentare a puntii asa inc`t parametrii reziduali ai componentelor puntii sa fie nesemnificativi (uzual frecventa de alimentare este in gama 8001500Hz); in plus se recomanda ca frecventa de alimentare a puntii sa nu fie un multiplu intreg de 50Hz, put`ndu-se astfel elimina usur influentele ale retelei de alimentare industriala -prin cuplaje inductive si capacitive- asupra obiectului de masurat.
folosirea unui indicator de nul selectiv (acordat pe frecventa de alimentare a puntii) si cu alimentare de c.c. flotanta (asa inc`t sa se elimine cuplajele parazite prin sursa de alimentare, comuna generatorului de semnal ce alimenteaza puntea si indicatorului de zero).
introducerea unor ecrane de protectie individuale, pentru anumite componente ale puntii (zise ecrane de garda), si potentializarea acestora indirecta (fara cuplare efectiva ci prin simularea de potential) la potentialul diagonalei indicatoare;
ecranarea electrostatica a puntii sau realizarea prin cablu bifilar a conexiunilor din punte;
Cu masurile de protectie enuntate este posibila reducerea erorilor suplimentare sub 0 0,5%.
2.2. PunTi cu transformator
A. Variante principiale
1A. Structura
Structurile principiale ale celor mai simple punti cu
transformator sunt prezentate in fig.6.a c, in care: TT - transformator de
tensiune, TI -
transformator de curent, IZ - indicator
de zero, G - generator
de semnal sinusoidal,
- impedanta de masurat,
- impedanta etalon.
|
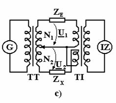
Fig. 6. Principalele variante de punti cu transformator: a) cu transformator de tensiune ; b) cu transformator de curent; c) cu transformatoare de tensiune si de curent |
2A. Relatii la echilibru
Se considera TT si TI constructii ideale ceea ce inseamna ca: raportul tensiunilor, respectiv al curentilor infasurarilor este dependent doar de numarul de spire al acestor infasurari; infasurarile au impedante de dispersie neglijabile.
Se analizeaza, in conditii de idealizare, corelatiile de la echilibrul puntilor:
2A.1. Pentru puntea cu transformator de tensiune TT:
Deoarece la echilibru
,
rezulta:
(12)
2A.2 Pentru puntea cu transformator de curent TI:
Indicatorul IZ are indicatie nula c`nd fluxul prin
transformatorul de curent TI este nul, deci
. Cum in
momentul echilibrului
, rezulta:
(13)
2A.3. Pentru puntea cu TT si TI:
Din
rezulta
, sau:
(14)
Observatie: Deoarece
rapoartele
pot fi modificate in limite largi (de exemplu in
gama 1000/11/1000) rezulta limite foarte largi de
masurare pentru puntile cu transformator.
3A. Eliminarea influentelor parazite
Daca in schema principiala din fig.6.a impedantele
se prevad cu inel de garda si acesta se
potentializeaza la priza infasurarii TT se constata independenta relatiei de
echilibru a puntii fata de capacitatile parazite asociate constructiilor reale pentru
. Pentru
analiza se da in fig.7 schema echivalenta a constructiei, in care:
infasurarile
secundare ale TT sunt echivalate prin impedantele interne
(uzual de
ordinul ohmmilor) si generatoarele
;
|
Fig.7 Schema echivalenta pentru punte cu TT si impedan-te tripolare |
conexiunile
tripolare pentru
pun in evidenta impedantele parazite (spre
ecranul de garda potentializat la M)
.
Deoarece
sunt scurtcircuitate de
, iar
apar in paralel cu IZ, rezulta influenta
nula a impedantelor parazite asupra echilibrului puntii.
Pentru schemele din fig.6.b,c rezulta concluzii similare.
B. Punte cu transformator universala
Din (12) (14) rezulta, pentru
variantele principiale de punti cu transformator, conditia impusa impedantelor
de a avea acelasi caracter si in plus cerinta
ca impedanta etalon sa-si poata modifica factorul de calitate; prin modificarea
configuratiei din fig.6.c, ca in fig.8 aceste conditii se pot elimina rezult`nd
o punte universala L,C,G.
|
Fig. 8 Punte cu transformatoare universala |
1B. Structura
Componentele puntii universale din fig.8. sunt:
TT - transformator de tensiune, ce permite
modificarea in trepte a lui
si modificarea continua a lui
- reglaje ce asigura modificarea continua a caracterului impedantei etalon-;
TI - transformator de curent (cu
reglabil in trepte);
- comutator de semn;
put`nd-se inversa, prin
faza tensiunii
, se
asigura, cu o impedanta etalon
capacitiva, masurarea unor impedante
at` de tip capacitiv c`t si de tip inductiv.
2B. Relatii la echilibru
Relatiile la echilibru ale puntii din fig.8 sunt:
(15)
O constructie concreta dupa schema din fig.8 are
frecventa de alimentare inc`t
, iar erorile de masurare sunt in gama
0,01%0,1%.
2.3. PunTi pentru mAsurAri in radiofrecvenTA
2.3.1. Conditii impuse
Datorita numeroaselor efecte parazite (generate de componentele reziduale) ce apar la frecvente ridicate (peste 100kHz), puntile pentru masurarea componentelor din circuitele de radiofrecventa (bobine in special) indeplinesc c`teva conditii specifice: folosesc doar capacitati reglabile pentru echilibrare, rezistentele folosite sunt fixe si de valori mici, constructiile sunt ecranate.
7.2.3.3.2. Puntea Schering de radiofrecventa.
|
Fig. 9 Punte Schering de inalta frecventa |
Aceasta punte are schema din fig.9, fiind o punte de
substitutie cu elementele reglabile. Elementul de compa-ratie este C*
(echivalat prin conexiunea serie
),
masurarea presupun`nd doua etape:
E1 se
scurtcircuiteaza
, puntea
echilibr`ndu-se din C* si
( fie
- valorile la echilibru);
E2: se introduce
si se reechilibreaza puntea; fie
- valorile la echilibru.
Consider`nd
,
relatiile la echilibru pentru cele doua etape (derivate din
) sunt:

Scaz`nd relatiile de mai sus obtinem:
|
a)
b) Fig. 10 Punte in T podit: a) schita principiuala; b) schema echivalenta |
(16)
Egal`nd partile reale si imaginare din (16) rezulta evident:
Banda de frecventa in care puntea se foloseste este: 0,550MHz.
7.2.3.3.3. Punti cu retea in T
A. Punte cu retea T podit.
1A. Structura, relatia de echilibru
Aceasta punte are schema principiala din fig.10.a., in care
- impedanta de ma
- impedante cunoscute. Din schema
echi-valenta, prezentata in fig. 10.b., -in care (
) a fost
transfigurata in triunghi- , rezulta ca se obtine indicatie zero la IZ daca:
,
sau echivalent:
. Tin`nd cont de expresia lui
rezulta relatia de echilibru a puntii in T
podit:
(18)
2A.Observatii
Cum
nu pot fi dec`t de tip rezistiv sau capacitiv,
rezulta ca
nu poate fi dec`t de tip
inductiv.
Configuratia din fig.10.a) ofera un avantaj important privind ecranarea, deoarece at`t generatorul G c`it si indicatorul de zero IZ au un punct comun M ce poate fi pam`ntat; dezavantajul variantei este ca impedanta de masurat nu poate fi dec`t de tip flotant.
B. Punte de tip dublu T.
1B. Structura principiala
|
Fig.11 Punte dublu T pentru inductante |
Se obtine puntea de tip dublu T daca in
schema din fig.10.a) se inlocuieste
cu o alta retea in T, T'
) -
pozitionata, ca si retea T initiala, intre punctele A,B,M -; reteaua T' contine
pe
in bratul
(deci cu posibilitatea de a avea un punct
conectat la M, borna pam`ntata).
Conditia de echilibru a puntii dublu T este
evident
, deci:
Observatie: Domeniul de masurare al puntilor cu retea in T este 0,550MHz.
2B. Varianta concreta de punte dublu T
O varianta concreta de punte dublu T este
prezentata in fig.11. Puntea se foloseste in varianta cu dubla masurare; in
prima etapa impedanta de masurat
nu este conectata, in a doua etapa
conect`ndu-se; echilibrarea puntii se obtine
cu ajutorul lui
. Metoda dublei masurari
permite eliminarea influentelor parazite rezistive asociate elementelor
reglabile.
3. ImpedanTmetre cu detecTie sensibilA la fazA
3.1. Principiu functional
Se stie (parg.5.5.4) ca detectia sensibila la faza se asociaza in planul complex
(+1,+j) cu determinarea modulului proiectiei unui fazor
dupa directia unui alt fazor
, fiind echivalenta operatiei: Real
, cu
un fazor unitate in faza cu
.
Proprietatea enuntata a detectiei sensibile la faza poate
fi folosita pentru determinarea componentelor unei impedante lineare; intr-adevar
raport`ndu-ne la schema din fig. 12.a) si diagrama fazoriala din fig.12.b) -
realizata pentru
de tip capacitiv - rezulta ca:
, (20)
fiind defazata cu /2 fata de
(
). Av`nd in
vedere ca:
(21)
rezulta, pentru acelasi factor de proportionalitate in (20) si (21), dependentele:
(22)
|
|
Pentru determinarea lui
sunt deci necesare operatiile de: detectie
sensibila la faza si evaluarea unui raport. Cum cea mai simpla modalitate de
evaluare a unui raport este conversia analog-numerica
de tip dubla panta, rezulta una din explicatiile constructiei exclusiv cu afisare
numerica a impedantelor cu detectie sensibila la faza.
3.2. Variante constructive de impedantmetre
A. Varianta cu masurare directa
|
Fig. 13 Impedantmetru cu detectie sensibila la faza si masurare directa - schita constructiva principiala |
Varianta are schema
principiala din fig. 13 in care: Osc- generator de tensiune sinusoidala
(cu frecventa in jurul lui 1KHz);
-amplifica-toare operationale;
- detectoare
sensibile la faza; DF - circuit defazor cu
.
Evident schema se
com-pleteaza cu comutatoare de semn (la nivelul
) dupa
caracterul impedantei 
B.Varianta cu compensare
Ideea variantei, cu schita principiala prezen-tata in fig.14 (in care M -multiplicator, I -integrator, -sumator), este urmatoarea:
|
Fig. 14. Impedantmetru cu compensare |
se realizeaza, cu
ajutorul unor detectoare sensibile la faza (DSF) si a unor multiplicatoare (M),
un generator de tensiune de compensare (GTC) ce ofera
-careia i se pot controla , indepen-dent,
componentele in faza
si in
cuadratura
definite fata de tensiunea de alimentare
-.
Atunci c`nd schema se echilibreaza, deci
,
componentele -in faza si in cuadratura de faza (fata de
)- ale lui
si
coincid; in aceste conditii
devine o masura a componentelor (activa,
reactiva) ale impedantei
.
4. Metode de rezonanTA (Q-metru)
Metodele de rezonanta sunt destinate masurarii reactantelor pentru elemente de circuit cu factor de calitate, Q, suficient de mare (practic 10); rezistenta se masoara doar ca parametru secundar, precizia masurarii fiind relativ redusa.
Aparatul de masurat, ce foloseste o metoda de rezonanta pentru evaluarea impedantelor, este Q-metrul; masurarea se poate face printr-o metoda directa sau prin comparatie.
|
Fig. 15. Schema principiala a Q-metrului |
Cea mai simpla
schema pentru un Q-metru este prezentata in fig. 15, in care:
- ansamblu ce permite genera-rea unei tensiuni
de alimentare masurabile
, av`nd
frecventa in gama 0,05200MHz;
-
condensator etalon cu valori in gama 10500pF.
Impedanta de masurat se
conecteaza in pozitiile figurate cu
(evident atunci c`nd se masoara
in locul lui
se introduce o bobina cu inductivitate cunoscuta
).
La rezonanta sunt valabile relatiile:
(23)
Erorile de masurare cu un Q-metru sunt in gama 13% pentru reactanta si 515% pentru factorul de calitate.
Observatie Fata de varianta
principiala din fig.15, masurarea unei impedante se mai poate face si prin inserierea
ei, la bornele definite pentru
, cu o
inductivitate cunoscuta.
Bibliografie
7.1. P. Jacobs, V.Jadin, Mesures Electriques, Dunod, 1968.
7.2. B. Oliver, J.Cage, Electronic Measurements and Instrumentation, McGraw-Hill, 1971. Aurel Millea, Masurari electrice -principii si metode-. ET, 1980.
7.4.Constantin Iliescu (coord.), Masurari electrice si electronice. EDP, 1983.
7.5. Emil Pop, s.a., Tehnici moderne de masurare. Ed. Facla, 1983
7.6. Bentley, Principles of measurement systems, Longman Scien., 1986.
7.7. H. Germer, N. Wefers, Messelektronik, Huthig, 1988.
|
Politica de confidentialitate | Termeni si conditii de utilizare |
Vizualizari: 5017
Importanta: ![]()
Termeni si conditii de utilizare | Contact
© SCRIGROUP 2026 . All rights reserved