| CATEGORII DOCUMENTE |
| Aeronautica | Comunicatii | Electronica electricitate | Merceologie | Tehnica mecanica |
CONVERTORUL C.C.-C.C. IN SEMIPUNTE (HALF-BRIDGE)
Convertor c.c.-c.c. in semipunte (half bridge). Tensiunea continua obtinuta la iesirea redresorului este aplicata convertorului c.c.-c.c. Prin intermediul elementelor de comutatie din convertor se obtin impulsuri dreptunghiulare de tensiune, de frecventa fixa si cu factor de umplere impus de circuitul de comanda. Filtrul de iesire al convertorului extrage componenta continua a tensiunii dreptunghiulare, aceasta fiind chiar tensiunea continua de iesire.
In sursa analizata este folosit un convertor c.c.-c.c. in semipunte, a carui schema este prezentata in figura 1.2 Formele de unda specifice acestui convertor sunt prezentate in figura 1.3

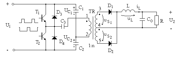
Fig. 1.2 Convertorul c.c.-c.c. in semipunte (half-bridge).

Fig. 1.3 Forme de unda specifice convertorului in semipunte.
Convertorul in
semipunte face parte din categoria convertoarelor cu izolare galvanica
intrare-iesire. Transferul energiei primar-sarcina se face pe durata de
conductie a tranzistoarelor
si
, astfel incat functionarea acestui convertor este
asemanatoare cu cea a convertorului forward.
Din analiza functionarii rezulta avantajele si dezavantajele acestei topologii.
Functionarea convertorului in semipunte
Asa cum se poate vedea pe formele de
unda prezentate in figura 3, tranzistoarele
si
conduc alternativ, intervalele de conductie fiind separate de
intervale in care diodele
si
conduc simultan, ca
diode de conductie libera. Condensatoarele
si
au valori egale si
suficient de mari astfel incat tensiunea pe ele sa poata fi considerata
. Condensatorul
, astfel incat nu va mai fi reprezentat in schemele
echivalente. Condensatorul
are valoare suficient
de mare astfel incat tensiunea de iesire
sa poata fi
considerata
Consideram ca origine momentul
(v. fig. 3).
Pe intervalul
conduce tranzistorul
. Schema echivalenta este prezentata in figura 1.4

Fig.
1.4 Schema
echivalenta pe intervalul
.
In analiza ce urmeaza vom considera dispozitivele de comutatie ca fiind ideale. Putem scrie relatia:
. (1)
Astfel, dioda
este polarizata direct
si conduce iar dioda
este blocata, fiind
polarizata invers. Transferul de energie se face prin secundarul
, functionarea fiind asemanatoare cu cea a convertorului
forward.
Pe intervalul
tranzistoarele sunt
blocate. tendinta de scadere a curentului
determina aparitia
unei tensiuni
negative si, implicit,
intrarea in conductie a diodelor
si
(ca diode de nul).
Schema echivalenta este prezentata in figura 1.5

Fig.
1.5 Schema
echivalenta pe intervalele
si
.
Pe acest interval este valabila relatia:
. (2)
Pe intervalul
conduce tranzistorul
. Schema echivalenta este prezentata in figura 6.

Fig.
1.6 Schema echivalenta
pe intervalul
.
In
acest caz dioda
este polarizata direct
si conduce iar dioda
este blocata.
Transferul de energie se face prin secundarul
. Principial modul de functionare este identic celui de pe
intervalul de conductie a tranzistorului
.
Pe intervalul
schema echivalenta
este cea din figura 5 si corespunde conductiei diodelor
si
ca diode de nul.
Determinarea caracteristicii de reglaj in modul de conductie continua
Considerand
functionarea simetrica a convertorului, adica
si
, putem efectua analiza doar pe prima perioada
. Determinam astfel expresia caracteristicii de reglaj
idealizate (neglijand pierderile datorate dispozitivelor de comutatie si
componentelor magnetice) si valorile extreme ale curentului prin inductanta L.
Din analiza functionarii putem concluziona urmatoarele:
Functionarea este echivalenta cu cea a convertorului forward si, prin extensie, cu cea a convertorului Buck, in sensul ca transferul de energie se face pe durata de conductie a contactorului static.
Factorul de umplere al tensiunii de comanda
pentru tranzistoarele din convertorul half-bridge nu poate depasi valoarea 0,5.
La D>0,5 apar suprapuneri ale conductiei tranzistoarelor
si
, scurtcircuitand sursa de alimentare.
Folosirea configuratiei half-bridge permite
marirea puterii de iesire ce se poate obtine folosind un anumit tip de
contactor static, datorita conductiei alternative a acestora precum si
conectarii in paralel a diodelor
si
pe durata conductiei
acestora ca diode de nul.
Spre deosebire de convertorul forward, care foloseste jumatate din caracteristica B(H) a miezului magnetic (excitatie unidirectionala), convertorul c.c.-c.c. in semipunte utilizeaza intreaga caracteristica B(H) a miezului magnetic, deoarece excitatia este bidirectionala, reducand astfel riscul saturarii miezului magnetic. Asa cum se poate vedea din schemele echivalente din figurile 4 si 6, sensul curentului prin primarul
transformatorului
pe intervalele
si
este diferit, ceea ce
asigura excitatia bidirectionala a miezului magnetic. Pentru a evita saturarea
miezului magnetic, este necesar ca valoarea medie a curentului prin primarul
transformatorului sa fie nula (sa nu aibe componenta continua). Pentru aceasta
trebuie asigurata simetria intervalelor de conductie a tranzistoarelor, adica
. In practica este dificil ca aceasta conditie sa fie
respectata, atat datorita posibile asimetrii a semnalului de comanda cat si
datorita nereproductibilitatii timpilor de comutatie ai tranzistoarelor. De
aceea, cuplarea transformatorului se face prin condensatorul
, care elimina componenta continua a curentului, facand sa
dispara riscul saturarii miezului magnetic. O posibila problema este legata de
faptul ca
trebuie sa admita curent
pulsatoriu de valoare efectiva importanta.
Existenta a doua condensatoare de filtrare la intrare, legate in serie, constituie un avantaj al acestei configuratii, deoarece permite realizarea unui circuit dublor de tensiune, facand posibila utilizarea sursei atat la tensiunea de intrare de 110V c.a. cat si la 220V c.a. Din punct de vedere al gabaritului existenta a doua condensatoare de filtraj de valoare mare este dezavantajoasa.
|
Politica de confidentialitate | Termeni si conditii de utilizare |
Vizualizari: 2173
Importanta: ![]()
Termeni si conditii de utilizare | Contact
© SCRIGROUP 2025 . All rights reserved