Scrigroup - Documente si articole

     

HomeDocumenteUploadResurseAlte limbi doc
AeronauticaComunicatiiElectronica electricitateMerceologieTehnica mecanica


DECODIFICATORUL (DCD)

Electronica electricitate



+ Font mai mare | - Font mai mic



DECODIFICATORUL (DCD)

Functie Serveste la identificarea unui cod de intrare cu n biti prin activarea unei singure iesiri (din cele m) corespunde codului de intrare. Fiecare iesire corespunde unei anumite combinatii a valorilor de intrare. In general intre n si m exista relatia m = 2n, dar exista si DCD la care m < 2n.



In schema bloc din figura 3.1, vectorul intrarilor este format din cele n linii notate x0, x1, xn-1, iar vectorul iesirilor (active SUS in varianta a, respectiv active JOS in varianta b) din liniile y0, y1, , ym-1. En este o intrare de validare care poate inhiba simultan toate iesirile DCD. In tehnologie CMOS, in seria 4000 iesirile DCD disponibile sunt fie active SUS, fie active JOS, iar in tehnologie TTL (implicit si in seriile CMOS rapide 74HC, 74LV, etc) iesirile DCD sunt active JOS.   

   

a. b.

Figura Schema bloc pentru un decodificator n:m cu validare,

a - iesirile active SUS, b - iesirile active JOS.

Cel mai simplu DCD are o intrare si o iesire, fiind realizat cu un inversor (figura 3.2). Un DCD 2:4 necesita 4 porti SI-NU si doua inversoare, iesirile fiind active JOS.

   

a. b.

Figura 3.2. DCD simple - schema electrica,   

a - DCD 1:2, iesiri active SUS, b - DCD 2:4, iesiri active JOS.

Schema electrica pentru un DCD 3:8 necesita 8 porti SI-NU cu cate 3 intrari (figura 3.3). Intrarile se aplica prin perechi de inversoare pentru a asigura ca fiecare intrare sa reprezinte o singura sarcina (TTL).

Schema se poate completa cu un circuit de validare (figura 3.4). Daca circuitul nu este validat, toate iesirile DCD sunt in starea 1. Pentru validare este necesar ca E2 = 1, E1A = E2B = 0.

   

Figura 3.3. Structura unui DCD 3:8.

Fiecarei iesiri ii corespunde un circuit SI-NU, ceea ce face ca iesirile circuitului sa fie active pe 0. Acest lucru inseamna ca iesirea activata este pe 0 iar toate celelalte iesiri sunt pe 1. De exemplu: pentru x0 = 1, x1 = 0, x2 = 1, iesirea este pe 0 si toate celelalte sunt 1.

Decodificatorul din figura 3.4 realizat in tehnologie TTL (74LS138) este foarte raspandit in aplicatii datorita versatilitatii oferite de validarea multipla.   

   

Figura 3.4. Un DCD 3:8 foarte raspandit, 74LS138.

1. Alte tipuri de decodificatoare

Principalele DCD realizate in tehnologie TTL sunt (figura 3.5):

74LS42 - DCD care serveste pentru decodificarea cifrelor zecimale de la 0,..,9, codificate binar. Aici m < 2n (DCD 4:10), fara intrare de validare.

74LS139 - contine doua decodificatoare binare 2:4 complet independente, fiecare decodificator avand n = 2 si m = 4 si are o intrare de validare proprie activa pe 0.

74LS138 - DCD 3:8 contine un DCD 3:8 avand n = 3 si m = 8 si are 3 intrari de validare active pe 0 (2), respectiv pe 1 (o intrare).

74LS154 - decodificator binar avand n = 4 si m = 13 (DCD 4:13).

   

Figura 3.5. DCD in tehnologie TTL.

Principalele DCD realizate in tehnologie CMOS sunt (figura 3.3):

- contine doua DCD 2:4 independente cu iesirile active SUS, fiecare avand n = 2 si m = 4, o intrare de validare proprie activa JOS.

- contine doua DCD 2:4 independente cu iesirile active JOS, fiecare avand n = 2 si m = 4, o intrare de validare proprie activa JOS.

- DCD 4:10 avand n = 4 si m = 10, cu iesiri active SUS fara nici o intrare de validare.

- DCD 4:13 cu iesiri active SUS, intrare de validare activa JOS, avand n = 4 si m = 13.

- DCD 4:13 cu iesiri si intrare de validare active JOS, avand n = 4 si m = 13.

Figura 3.3. DCD in tehnologie CMOS.

O categorie aparte de decodificatoare sunt utilizate pentru comanda afisajelor cu 7 segmente (figura 3.7). In tehnologie CMOS se fabrica circuitele 4511 si 4513, cu 4 intrari si 7 iesiri, iar in tehnologie TTL se produc circuite pereche (74LS47 si 74LS247 pentru afisaje cu anod comun, respectiv 74LS48 si 74LS248 pentru circuite cu catod comun).

este un latch, decodificator si etaj de iesire capabil sa furnizeze la iesire un curent de 25 mA, potrivit pentru comanda afisajelor cu catod comun (LED). Poate afisa doar cifrele 09, pe care le poate si memora de altfel.

este un latch, decodificator si etaj de iesire capabil sa furnizeze la iesire un curent de 25 mA, potrivit pentru comanda afisajelor cu catod comun (LED), daca PH = 1 logic, a afisajelor cu anod comun (LED), daca PH = 0 logic, respectiv a afisajelor cu cristale lichide (LCD). Poate afisa doar cifrele 09, pe care le poate si memora de altfel.

74LS47 si 74LS247 sunt decodificatoare realizate pentru comanda afisajelor cu anod comun, care pot afisa 13 combinatii (cifrele 09 si alte 5 semne, plus afisaj stins).

74LS48 si 74LS248 sunt decodificatoare realizate pentru comanda afisajelor cu catod comun, care pot afisa 13 combinatii (cifrele 09 si alte 5 semne, plus afisaj stins).

Figura 3.7. DCD binar - 7 segmente.

2. Extinderea capacitatii de decodificare

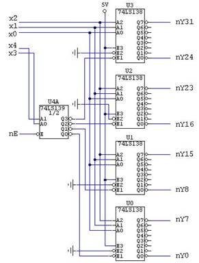
Extinderea capacitatii este una din cele mai comune probleme din aria de utilizare a circuitelor integrate digitale, aplicabila practic la toate tipurile de circuite logice: decodificatoare, codificatoare, multiplexoare, numaratoare, memorii, etc. Pentru decodificatoare extinderea tipica se realizeaza dupa schema din figura 3.8, in care U4A este utilizat pentru validarea unui singur DCD dintre U0 - U3, in functie de combinatia variabilelor x4, x3.

Figura 3.8. Obtinerea unui DCD 5:32 cu validare.

Combinatiile variabilelor x4 - x0 sunt prezentate in tabelul nEN este o intrare globala de validare; pentru nEN = 1, toate iesirile sunt inactive (1 logic). De obicei x4 - x0 sunt biti de adresa, rangurile mai semnificative fiind utilizate pentru selectia decodificatorului activ (x4 - x3 selecteaza U0 - U3), iar rangurile mai putin semnificative o anumita iesire dintr-un DCD (x2 - x0 selecteaza una din cele 8 iesiri ale unui DCD).

Versatilitatea intrarilor de validare de la 74LS138 permite o implementare mai simpla a extinderii (figura 3.9), prin utilizarea unui circuit inversor si renuntarea la posibilitatea validarii globale.

Tabelul 3.1

Functionarea DCD 5:32 cu validare

nE

x

x

x

x

x

DCD

Iesire activa

x

X

x

x

x

U0

nY

U0

nY

U0

nY

U1

nY

U1

nY

U2

nY

U2

nY

U3

nY

U3

nY

Figura 3.9. Obtinerea unui DCD 5:32, varianta a II-a.

Intr-un microsistem DCD se utilizeaza la selectia diferitelor circuite integrate sau porturi. Un circuit complex (port) poate raspunde la mai multe adrese adiacente (de exemplu circuitul Intel 8255 are o intrare de selectie circuit nCS si doua linii de adresa A0 si A1, continand astfel 4 porturi - 3 de date si unul de comanda). Decodificarea adreselor se poate face complet, caz in care toate liniile de adresa ajung la DCD sau incomplet - doar o parte din liniile de adresa si sau adrese sunt decodificate. Exemplele din figurile 3.8 si 3.9 sunt decodificari complete, pe cand cea din figura 3.10 este incompleta.

Figura 3.10. Decodificare incompleta a magistralei de adrese intr-un microsistem.

Tabelul 3.2

Decodificare completa si incompleta cu explicarea spatiului de adresare

nEN

A7

A3

A5

A4

A3

A2

A1

A0

nCS

Domeniu

adresare

Exemple de trunchiere

DCD

X

X

X

X

X

X

X

X

X

X

X

X

X

nCS0

0x00 - 0x1F

0x00, 0x04,, 0x1C

X

X

X

X

X

nCS1

0x20 - 0x3F

0x21, 0x25,, 0x3D

X

X

X

X

X

nCS2

0x40 - 0x4F

0x42, 0x43,, 0x5E

X

X

X

X

X

nCS3

0x30 - 0x7F

0x33, 0x37,, 0x9F

X

X

X

X

X

nCS4

0x80 - 0x9F

0x81, 0x85,, 0x9D

X

X

X

X

X

nCS5

0xA0 - 0xBF

0xA3, 0xA7,, 0xBF

X

X

nCS3

0xC0 - 0xC3

X

X

nCS7

0xC4 - 0xC7

X

X

nCS13

0xDC - 0xDF

X

X

nCS14

0xE0 - 0xE3

X

X

nCS15

0xE4 - 0xE7

X

X

nCS21

0xFC - 0xFF

3. Aplicatii ale decodoficatoarelor

1. Identificarea unui cod - este chiar functia fundamentala a unui DCD.

2. Implementarea functiilor logice cu n variabile, unde n corespunde cu numarul de intrari de cod ale DCD. Implementarea functiilor logice folosind DCD este foarte avantajoasa pentru ca iesirile unui DCD binar reprezinta termenii din exprimarea canonica disjunctiva a functiilor logice. Numarul functiilor (de acelasi numar de variabile binare) ce pot fi implementate nu este limitat decat de factorul de bransament la iesire, ce corespunde iesirilor DCD. Exista doua variante de implementare: DCD si o poarta SI-NU, respectiv un DCD si o poarta SI.

In primul caz la intrarile circuitului SI-NU se conecteaza iesirile DCD ce corespund termenilor cuprinsi in functie. Pentru a doua varianta, la intrarile circuitului SI se conecteaza iesirile DCD ce corespund termenilor necuprinsi in functia F.

Fie functia F = P0 + P3 + P5. In acest caz n = 3 si se poate utiliza un DCD 3:8.

Varianta DCD + SI-NU

Varianta DCD + SI

, adica

   

Figura 3.11. Implementarea de functii cu DCD si porti.

Pentru reducerea numarului de circuite, in cazul functiilor de 3 variabile se utilizeaza varianta cu porti SI-NU pentru functii cu maxim 4 termeni P, iar varianta cu SI atunci cand numarul termenilor care nu apar in functie este mai mic de 4. In tehnologie TTL circuitele SI-NU se fabrica cu 2, 3, 4, 8, 13 intrari, pe cand circuitele SI se fabrica cu 2, 3, 4 intrari.

3. Comanda afisajelor cu 7 segmente. Schemele electrice din figurile 3.9 si 3.10 sunt evident incomplete, lipsind rezistoarele de limitare a curentului prin segmente. Acestea se conecteaza in serie cu iesirile DCD si au o valoare tipica de 330Ω. In ambele figuri este redata situatia afisarii semnului corespunzator la 11002 = 0x0C.

Intrarea nLT (Lamp Test) activa JOS determina atunci cand este trecuta in 0 logic aprinderea tuturor segmentelor, permitand astfel verificarea afisajului. nRBI (Ripple Blank Input) este intrarea de mascare a zerourilor nesemnificative, iar nRBO este iesirea corespunzatoare. Pinul nRBO ofera si functia suplimentara de stergere (BI Blanking Input) prin care se poate comanda stingerea tuturor segmentelor afisajului.

   

Figura 3.12. Afisaje cu anod comun comandate de circuitele TTL 74LS47, respectiv 74LS247.

   

Figura 3.13. Afisaje cu catod comun comandate de circuitele TTL 74LS47, respectiv 74LS247.

Figura 3.14. Afisaj cu trei cifre - configuratie standard.

Figura 3.15. Afisaj cu trei cifre - mascarea zeroului semnificativ.

Intrarea RBI permite stingerea zerourilor nesemnificative atunci cand este conectata la iesirea RBO a decodificatorului de rang imediat adiacent.

Figura 3.13. Afisaj cu trei cifre - testarea segmentelor.

   

Figura 3.17. Afisaj cu trei cifre cu zero in pozitia cea mai putin semnificativa.

   

Figura 3.18. Afisaj cu trei cifre - mascarea zeroului mai putin semnificativ.

Pentru un numar mai mare de cifre comandate se folosesc tehnici de multiplexare a afisarii, care vor fi prezentate la x.x

4. Utilizarea unui DCD 4:10 fara intrare de validare ca DCD 3/8 cu intrare de validare.

Se realizeaza utilizand intrarea de rang semnificativ, notata x3, D sau A3 ca intrare de validare activa jos (nEN). Se pot folosi doar iesirile nY0 - nY7 ale DCD.

5. Tema. Sa se proiecteze un circuit cu 4 intrari care sa semnalizeze momentele in care exact una dintre intrari este 1 logic.

Rezolvare: sunt necesare un DCD 4/13 cu iesiri active sus si o poarta SAU cu 4 intrari.



Politica de confidentialitate | Termeni si conditii de utilizare



DISTRIBUIE DOCUMENTUL

Comentarii


Vizualizari: 5452
Importanta: rank

Comenteaza documentul:

Te rugam sa te autentifici sau sa iti faci cont pentru a putea comenta

Creaza cont nou

Termeni si conditii de utilizare | Contact
© SCRIGROUP 2025 . All rights reserved