| CATEGORII DOCUMENTE |
| Aeronautica | Comunicatii | Electronica electricitate | Merceologie | Tehnica mecanica |
MASURAREA PUTERII IN CIRCUITE DE CURENT CONTINUU SI IN CIRCUITE DE CURENT ALTERNATIV MONOFAZATE
1. Consideratii generale
Puterea absorbita de un receptor, conectat intr-un circuit de curent continuu, se defineste ca produsul intre tensiunile la bornele sale UR si curentul pe care-l absoarbe de la sursa de alimentare, IR:
![]()
Puterea debitata de un generator se defineste ca produsul intre tensiunea la bornele sale UG si curentul debitat IG:
![]()
Din definitiile puterii absorbite de un receptor (consumator) si debitata de un generator (sursa), rezulta metodele de masurare a puterii in curent continuu:
a). metoda indirecta a ampermetrului si voltmetrului;
b). metoda directa cu wattmetrul.
1.1. Metoda indirecta a ampermetrului si voltmetrului (metoda voltampermetrica)
Pentru determinarea puterii consumate de receptor sau debitate de sursa, in curent continuu se utilizeaza doua aparate magnetoelectrice: un ampermetru si un voltmetru. Dupa modul de legare a voltmetrului fata de ampermertru se disting: montajul amonte (fig. 1.a) cand voltmetrul este legat in circuit inaintea ampermetrului si montajul aval (fig. 1.b) cand voltmetrul este legat in circuit dupa ampermetru.
Daca se noteaza cu U si I indicatiile voltmetrului, respectiv a ampermetrului, cu RV si RA rezistentele interioare ale voltmetrului si ale ampermetrului, expresiile puterii consumate de receptor respectiv generate de generator sunt:


1.1.1. Montajul amonte (fig. 1.a):
- puterea consumata de receptor PR sau debitata de sursa PG:
![]()
![]()

1.1.2. Montajul aval (fig. 1.b):
- puterea consumata de receptor PR sau debitata de sursa PG:


Metoda voltmetrului si ampermetrului este o metoda indirecta de masurare a puterii.
Se constata ca puterea consumata de receptor PR
si debitata de generator PG sunt date de produsul
indicatiilor ampermetrului si voltmetrului, din care se scad sau se
aduna puterile consumate de aparatele de masura (
si
). In general, aceste consumuri fiind mici, de ordinul a
(0,55)W se pot neglija, si puterea se calculeaza cu relatia :
Se pot determina eroarea absoluta de metoda si eroarea relativa pentru fiecare montaj in parte:
1.1.3. Pentru montajul amonte:
a). Eroarea absoluta de metoda:
- pentru receptor :
- pentru generator
(sursa):
b). Eroarea relativa:
- pentru receptor : ![]()
- pentru generator: 
1.1.4. Pentru montajul aval:
a). Eroarea absoluta de metoda:
- pentru receptor :
- pentru generator
(sursa):
b). Eroarea relativa:
- pentru receptor : 
- pentru generator: ![]()
Eroarea
relativa de metoda la masurarea puterii consumate de receptor PR
in montaj amonte este cu atat mai mica cu cat tensiunea pe ampermetru (
) este mai mica decat caderea de tensiune pe
receptorul R; montajul este adecvat
pentru masurarea receptoarelor de puteri mari.
Eroarea
relativa de metoda la masurarea puterii consumate de receptor PR
in montaj aval este cu atat mai mica, cu cat curentul prin voltmetru:
este mai mic decat
curentul I din circuit, deci cu cat rezistenta RV a
voltmetrului este mai mare decat rezistenta receptorului R; montajul este
adecvat pentru masurarea consumului de putere al receptoarelor cu
rezistenta mica, deci a puterilor mici. Indiferent de modul de
conectare a aparatelor, intre puterile: PG - generata de
sursa; PR - consumata de receptor si puterea
absorbita de aparate PA si PV, exista
relatia: PG=PR+
PA+ PV.
1.2. Metoda directa de masurare a puterii cu wattmetrul
Masurarea puterii in circuitele de curent continuu, cu ajutorul wattmetrului se executa in mod analog cu masurarea puterii active in circuitele de curent alternativ, expusa in paragraful 1.3.
1.3. Masurarea puterii in circuite monofazate de curent alternativ
Presupunand un dipol
electric avand aplicata la borne tensiunea u si fiind parcus de
curentul i, puterea instantanee la borne este data de relatia:
.
Puterea instantanee este primita sau cedata, dupa cum sensurile tensiunii la borne u si curentului i, se asociaza dupa regula de la receptoare sau de la generatoare.
Puterea activa consumata de un receptor sau debitata de un generator se defineste ca valoarea medie a puterii instantanee luata pe o perioada:

Puterea aparenta S este produsul valorilor efective ale tensiunii si curentului:
![]()
Puterea
reactiva: ![]()
In circuitele de c.a. monofazat, puterea activa se masoara cu ajutorul wattmetrelor electrodinamice si ferodinamice.
Wattmetrul electrodinamic, are bobina fixa legata in serie in circuitul de masurare si dimensionata astfel incat sa permita trecerea crentului I absorbit de receptor; bobina mobila este montata in serie cu o rezistenta aditionala, la bornele ei aplicandu-se tensiunea U (fig. 2).

Ecuatia de functionare a wattmetrului electrodinamic in c.a. este:
![]()
si inlocuind:![]()
si
(
- rezistenta circuitului de tensiune; Rbm -
rezistenta bobinei mobile, Ra - rezistenta
aditionala), rezulta:
![]()
![]()
![]()
;
![]()
Wattmetrul are circuitul de tensiune rezistiv, deci: curentul I2 este in faza cu tensiunea U.
Deviatia α a wattmetrului este proportionala cu puterea activa data de tensiunea aplicata circuitului de tensiune si curentul ce parcurge bobina de curent a wattmetrului.
Pentru ca indicatia wattmetrului sa fie obtinuta in sensul normal al scarii sale cand P>0, trebuie respectata polaritatea bornelor aparatului. In acest scop, inceputurile bobinelor de curent si de tensiune sunt marcate cu un semn distinctiv (asterix, sageata, litera, etc.)
Indicatia wattmetrului depinzand de unghiul de defazaj prin factorul de putere cosφ, rezulta ca pentru valori ale unghiului φ cuprinse intre -90˚ si +90˚, deviatia este in sensul normal al scarii. Deviatia devine negativa pentru unghiuri ce depasesc 90˚ indiferent in ce sens, ceea ce se intampla la alimentarea circuitelor wattmetrului cu surse diferite (ex. la utilizarea lor in circuite trifazate); pentru a se obtine deviatia in sensul normal al scarii, se inverseaza polaritatea la unul din circuitele wattmetrului (se schimba cu 180˚ faza curentului fie in bobina de curent fie in bobina de tensiune), citirea respectiva luandu-se cu semnul minus.
Determinarea puterii
masurate de wattmetru se face pe baza relatiei:
, unde CW
este constanta wattmetrului, iar αW este numarul de
diviziuni citite in momentul masurarii.
Constanta wattmetrului se face pe baza valorilor nominale ale curentului, tensiunii si factorului de putere, de obicei egal cu unitatea, valori pentru care deviatia α trebuie sa rezulte egala cu deviatia maxima, deci:
[W/div]
Circuitele de curent si de tensiune ale wattmetrului sunt dimensionate pentru anumite valori nominale ale curentului si tensiunii. Extinderea domeniului de masurare a domeniului de tensiune se realizeaza pana la tensiuni de 600V prin montarea in circuitul de tensiune a wattmetrului a unor rezistente aditionale. Pentru tensiuni mai mari de 600V se utilizeaza transformatoare de masura de tensiune. Circuitele de curent ale wattmetrelor sunt dimensionate, in general, pentru curenti pana la 5A.
Pentru curenti mai mari de 5A, extinderea domeniului de masura a circuitului de curent se realizeaza prin transformatoare de masura de curent.
Datorita dependentei deviatiei wattmetrului de factorul de putere cos , se poate intampla, in cazul unei folosiri neatente in montajele de laborator, ca circuitele de curent si de tensiune sa fie supraincarcate si totusi deviatia sa nu depaseasca valoarea sa maxima ( max
De aceea, se recomanda sa se foloseasca in acelasi montaj cu wattmetrul, un ampermetru si un voltmetru pentru urmarirea in permanenta a marimilor din circuit: curent si tensiune, care nu trebuie sa depaseasca limita superioara a intervalului de masurare al circuitelor wattmetrului.
Masurarea puterii active in circuitele monofazate se realizeaza cu ajutorul wattmetrului legat in motaj amonte (fig. 3) si in motaj aval (fig. 4). Se masoara puterea activa P consumata de receptorul Z.
Se folosesc urmatoarele notatii:
PW - indicatia wattmetrului;
I - valoarea efectiva a curentului indicat de ampermetru;
U - valoarea efectiva a tensiunii indicate de voltmetru;
RV - rezistenta interna a voltmetrului;
RA - rezistenta interna a ampermetrului;
RW - rezistenta circuitului de tensiune a wattmetrului;
rW - rezistenta bobinei de curent a wattmetrului;


Puterea indicata de wattmetru in montaj amonte va fi:
, de unde:
Pentru montajul aval:
, de unde:
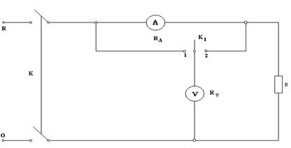
2. Schema de lucru si aparate folosite

Montaj 1
A - ampermetru - 5A
V - voltmetru
R - rezistenta (receptor)
K1 - intrerupator cu doua pozitii
Montajul (1) pentru masurarea puterii in c.c. cu ampermetrul si voltmetrul.

Montaj 2
Montajul (2) pentru masurarea puterii active in circuite monofazate de c.a.
A - ampermetru - 5A
V - voltmetru - 300V
W - wattmetru In=5A
Un=60V
Ra - rezistenta aditionala
B - bobina cu miez de fier
K1 - intrerupator cu doua pozitii
K2 - intrerupator cu o pozitie
K1 - intrerupator de la tablou
3. Modul de lucru si chestiuni de studiat
Se realizeaza montajul (1) pentru masurarea puterii in c.c. prin metoda ampermetrului si voltmetrului. Se alimenteaza montajul cu tensiune continua
Se citesc indicatiile ampermetrului si a voltmetrului pentru montajul amonte (K1 pe pozitia 1) - si citirile se trec in tabelul de mai jos. Se comuta K1 pe pozitia (2) - montaj aval si se citesc indicatiile ampermetrului si voltmetrului - citiri care se trec in tabel, facandu-se apoi calculele conform relatiilor din lucrare.
|
Nr. crt. |
A |
V |
Felul monta- jului |
PR [W] |
ΔP |
Δr |
Obs. |
||||
|
CA [A/div] |
αA [div] |
I [A] |
CV [V/div] |
αV [div] |
U [V] |
||||||
|
amonte |
RA= |
||||||||||
|
aval |
Rv= |
||||||||||
Se realizeaza montajul (2), alimentand montajul cu tensiune alternativa monofazata (220V, 127V). Pentru prima masuratoare K2 deschis. Se citesc A, V si W cu K1 pe pozitia 1 (montaj amonte) - si citirile se trec in tabel. Se comuta K1 pe pozitia 2 (montaj aval) si se citesc cele trei aparate - indicatiile fiind trecute in tabel. Apoi se inchide si K2, introducandu-se in circuit si bobina in paralel cu rezistenta, facandu-se citiri pentru montaj amonte si aval.
|
Nr. crt |
Felul montajului |
A |
V |
W |
S [VA] |
Q [VAR] |
cosj |
Obs. |
||||||
|
CA [A/div] |
aA [div] |
I [A] |
CV [V/div] |
aV [div] |
U [V] |
CW [W/div] |
aW [div] |
P [W] |
||||||
4.Tabel de date
|
Politica de confidentialitate | Termeni si conditii de utilizare |
Vizualizari: 4054
Importanta: ![]()
Termeni si conditii de utilizare | Contact
© SCRIGROUP 2025 . All rights reserved