Scrigroup - Documente si articole

     

HomeDocumenteUploadResurseAlte limbi doc
AeronauticaComunicatiiElectronica electricitateMerceologieTehnica mecanica


Masurarea puterii active prin metoda celor trei ampermetre

Electronica electricitate



+ Font mai mare | - Font mai mic



Masurarea puterii active prin metoda celor trei ampermetre

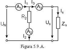
Problema 5.9.

In figura 5.9.A. este prezentata schema circuitului pentru masurarea puterii active prin metoda celor trei ampermetre. Aparatele sunt identice, au , diviziuni, si indica, diviziuni, diviziuni si respectiv diviziuni.



Cunoscand valoarea rezis-tentei neinductive si neglijand consumul aparatelor sa se determine puterea activa la bornele sarcinii, factorul de putere si impedanta de sarcina.

Rezolvare

Deoarece este neinductiva cu-rentul este in faza cu U (figura 5.9.B).

Puterea activa la bornele sarcinii are expresia:

Din diagrama fazoriala:

Rezulta:

Se inlocuieste in expresia puterii active :

Cele trei ampermetre masoara valorile:

Deci:

Pentru impedanta de sarcina se obtine valoarea:

Factorul de putere al sarcinii se exprima prin:

deci sarcina este pur rezistiva.

Considerand puterea activa calculata la bornele sarcinii ca functie de , si , valori masurate direct, se determina eroarea maxima probabila asupra rezultatului masurarii aplicand metoda diferentierii logaritmice.

Prin diferentiere membru cu membru se obtine succesiv:

Se exprima curentii prin:

,

Rezulta:

Se inlocuiesc diferentialele logaritmice prin erori relative maxime si se schimba semnul factorilor negativi:

Tinandu-se seama de expresia clasei de precizie pentru fiecare din cele trei ampermetre:

se obtine:



Politica de confidentialitate | Termeni si conditii de utilizare



DISTRIBUIE DOCUMENTUL

Comentarii


Vizualizari: 1875
Importanta: rank

Comenteaza documentul:

Te rugam sa te autentifici sau sa iti faci cont pentru a putea comenta

Creaza cont nou

Termeni si conditii de utilizare | Contact
© SCRIGROUP 2026 . All rights reserved