| CATEGORII DOCUMENTE |
| Aeronautica | Comunicatii | Electronica electricitate | Merceologie | Tehnica mecanica |
INTOCMIREA SCHEMEI DE ACTIONARE SI COMANDA A UNUI MOTOR HIDRAULIC LINIAR CU DUBLA ACTIUNE ACTIONAT PRIN POMPE IN PARALEL
Presa este prevazuta cu un singur cilindru, cu dubla actiune. Actionarea organului de lucru al presei, cu forma unui cadru mobil, se produce direct prin cilindru, fixat pe cadru, pe cand pistonul este fixat pe traversa fixa. Alimentarea camerelor A si B ale cilindrului are loc prin canalele interioare din piston. Pompele sunt cu pistoane radiale, autoreglabile de putere constanta. Prin deconectarea unui anumit numar de pompe, cu ajutorul unor distribuitoare de deconectare comandate electric se poate viteza de lucru a presei.
Fig.1 Schema de actionare si comanda a
unui motor hidraulic liniar cu dubla actiune actionat prin pompe in paralel
FUNCTIONARE:
Cursa de coborare:1/DH

Cursa de lucru:1/DH Pa>P2 P1

Cursa de
ridicare:2/DH;
M1;
M2

Pozitia de asteptare:0/DH;
M1;
M2

1. CALCULUL RECEPTORULUI
1.1.Determinarea diametrului pistonului de lucru
P-presiunea
de lucru
F-forta
utila
F=60KN=6000
Se
alege conform STAS 7777-67 P=63
Stabilirea diametrului standardizat
=12,5cm
.3.Recalcularea fortei teoretice cu diametrul STAS
.4.Stabilirea diametrului tijei pistonului din conditia de compresiune simpla
se
adopta
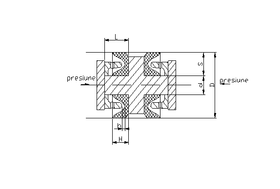
.5.Alegerea sistemulei de etansare intre piston si cilindru
Se aleg, garnitura, manseta de translatie cu profil U STAS 7906-67
H=12,5
D=125
d=100
Fig.2 Alegerea sistemulei de etansare intre piston si cilindru
|
D |
d |
S |
H |
h |
Lmax |
x |
|
|
.6.Alegerea sistemului de etansare intre tija si capac
H=8,5
D=80
d=63
Fig.3. sistemul de etansare intre tija si capac
|
d |
D |
s |
H |
h |
Lmax |
x |
.7.Calculul fortei reale dezvoltate de cilindru
![]()
![]()
![]()
![]()
.8.Calculul cilindreei
.9.Calculul debitelor
.Calculul timpilor
Timpul necesar pentru realizarea cursei active
Timpul necesar pentru realizarea cursei de revenire
|
Politica de confidentialitate | Termeni si conditii de utilizare |
Vizualizari: 2869
Importanta: ![]()
Termeni si conditii de utilizare | Contact
© SCRIGROUP 2026 . All rights reserved