| CATEGORII DOCUMENTE | 
| Agricultura | Asigurari | Comert | Confectii | Contabilitate | Contracte | Economie | 
| Transporturi | Turism | Zootehnie | 
| Navigatie | 
CALDARINELE NAVALE - FUNCTIONAREA INSTALATIEI ELECTRICE
1. Pregatirea pentru pornire
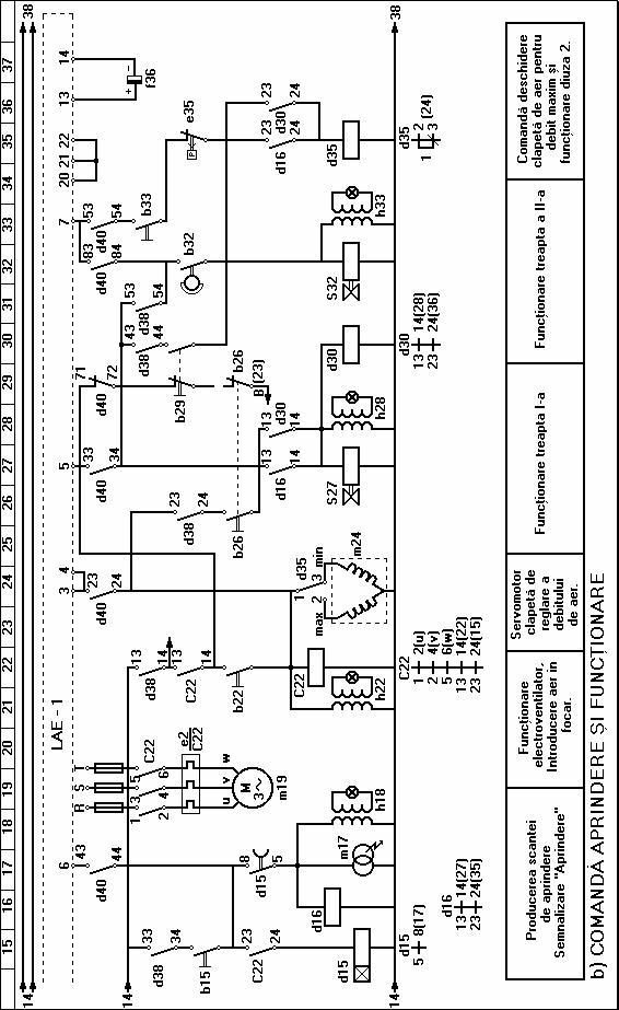
Se aplica tensiunea de alimentare trifazata de la tabloul principal de distributie prin închiderea întrerupatoarelor a02 si a02a. Aplicarea tensiunii de alimentare este semnalizata de aprinderea lampilor h04, h05, h06 pentru sistemul de forta trifazat si pentru schema de comanda. Notatiile sunt conform cu cele din figura 10.
Întrerupatorul b08 este în pozitia închis. Acest întrerupator montat în afara compartimentului caldarinei dar în imediata apropiere de acesta, permite, prin deconectarea sa, întreruperea functionarii caldarinei în situatia în care se sesizeaza incendiu sau alta avarie produsa în compartimentul caldarinei.
Arzatorul este rabatat spre focar în pozitia de lucru si ca urmare contactul de usa b0 este închis.
Este alimentata schema electrica de protectie si semnalizari. Se aprind lampile de semnalizare
h69 – nivel de avarie apa caldarina,
h73 – presiune maxima abur,
h75 – prsiune scazuta combustibil,
si functioneaza alarma sonora.
Se conecteaza pentru scurt timp întrerupatorul b60 cu revenire în pozitia zero dupa întreruperea actionarii. Este alimentat releul d60 de restabilire a situatiei normale pentru schema de semnalizare.
Întrucât nivelul apei de alimentare a caldarinei este în limitele normale, contactele traductorului de nivel maxim si minim de avarie, e67a si e67b sunt închise, releul d67 este alimentat si prin contactele d67 (5 - 6), d60 (33 - 34) este alimentat si releul d68. Se stinge lampa de semnalizare h69 – nivel de avarie apa caldarina si la întreruperea alimentarii releului d60, prin încetarea actionarii întrerupatorului b60, se mantine alimentarea releului d68 prin propriul contact d68 (13 - 14). În schema de pornire se închide contactul d68 (23 - 24) si se mentine în aceasta pozitie atât timp cât nivelul apei de alimentare este în limitele normale de lucru.
La pornire presiunea aburului este nula, contactul traductorului de presiune maxima de avarie e72 este închis si intial prin contactul d60 (43 - 44) este alimentat releul d72 dupa care alimentarea se mentine prin propriul contact d72 (13 - 14). Se deschide contactul d72 (31 - 32), se stinge lampa de semnalizare h73 – presiune maxima abur si în schema pregatirii pentru pornire si blocare la avarii se închide d72 (23 - 24) care ramâne în aceasta pozitie permitând pornirea si functionarea instalatiei atât timp cât presiunea aburului nu depaseste limita maxima.
De asemenea, pentru valoarea normala a presiunii combustibilului, contactul traductorului e74 se închide si se realizeaza circuitul de alimentare al releului d74, initial prin contactul d60 53 54), ulterior prin contactul d74 (13 – 14). Se deschide contactul d74 (31 – 32) si se întrerupe functionarea lampii de semnalizare h75 – presiune scazuta combustibil.
Schema de protectie si semnalizare este conceputa astfel încât la depasirea limitelor maxime ale unui parametru (presiunea aburului sau nivelul apei), se comanda oprirea instalatiei si declansarea semnalizarii optice si acustice. La revenirea în limitele normale a parametrului care a declansat protectia, semnalizarea continia sa functioneze. Pentru revenirea schemei în situatia normala este necesara interventia operatorului care dupa ce a constatat cauza care a declansat semnalizarea apasa pe butonul b60 si prin releul d60 se reface situatia normala si se întrerupe semnalizarea.
Se alege regimul de functionare al caldarinei prin punerea comutatorului b39 din schema alegerii regimului de lucru pe pozitia AUTOMAT sau MANUAL.
Dupa efectuarea operatiunilor prezentate, instalatia este pregatita pentru functionare. Pâna la darea semnalului de pornire este aprinsa lampa de semnalizare h4 – blocare.
Regimul de baza pentru functionarea caldarinei este regimul automat. La alegerea acestui regim comutatorul b39 se fixeaza pe pozitia 2 – AUTOMAT. Este alimentat releul d40 care îsi va actiona contactele pregatind circuitele pentru functionarea în acest regim.
Se conecteaza întrerupatorul b33 care va permite functionarea duzei 2 pentru ca arzatorul sa lucreze la capacitate maxima pâna când presiunea aburului ajunge în apropierea valorii nominale. Se obtine în acest mod scurtarea duratei de ajungere la parametrii nominali de încalzire.
Pentru pornire, se trece initial comutatorul b2 din schema pregatirii pentru pornire pe pozitia 1 initiere, este alimentat releul d2 care în continuare îsi mentine alimentarea prin contactul propriu d2 (13 – 14), dupa care comutatorul b2 trece pe pozitia 2 – conectat. se aplica faza tensiunii de alimentare la borna 1 a programatorului. Nulul tensiunii de alimentare este conectat permanent la borna 2 a programatorului. Concomitent se deschide contactul d2 (51 - 52) si se întrerupe lampa de semnalizare h4 – blocare.
Programatorul LAE – 1 intra în functiune si comanda în continuare secventele fazelor de aprindere cu durata totala a circuitului de 120 secunde.
În continuare se prezinta secventele fazelor de aprindere si functionare în regim automat a instalatiei urmarind schema electrica de automatizare prezentata.
Faza I PREPURJAREA. Din momentul darii comenzii de pornire, programatorul este alimentat prin bornele 1 si 2. De la borna 1 tensiunea se aplica la borna 18 legata împreuna cu borna 8.
La prima pornire presiunea aburului este nula si contactul traductorului e14 este închis. De asemenea si contactul d49 (13 – 14) în cazul în care caldarina functioneaza cu combustibil diesel sau în cazul folosirii combustibilului greu acesta are temperatura corespunzatoare functionarii duzelor. Prin contactele închise ale traductorului de presiune e14 si releului d49tensiunea de la borna 8 se aplica la borna 9 a programatorului. Se pune în functiune programatorul si prin contactul releului acestuia se aplica tensiunea la borna 3 a programatorului.
Urmarind schema comenzii de aprindere si functionare, tensiunea care apare la borna 3 a programatorului se aplica bobinei contactorului C22 si servomotorului clapetei de aer m24. Ca urmare, prin închiderea contactelor principale ale contactorului C22 este pus în functiune electromotorul arzatorului m19 iar clapeta de aer se deschide pentru debit partial. Intra în funtiune ventilatorul care introduce aer pentru aerisirea focarului si pentru eliminarea eventualelor gaze de ardere ramase de la functionarea anterioara. Functionarea arzatorului este semnalizata de aprinderea lampii h18. În acelasi timp axul electromotorului antreneaza si pompa de combustibil care realizeaza presiunea necesara.
Din prezentarea functionarii programatorului LAE – 1, rezulta ca faza de prepurjare are durata de 30 60 secunde.
Faza II APRINDEREA. Dupa parcurgerea primei faze programatorul aplica tensiunea la borna 6 a programatorului. La aparitia tensiunii la borna 6 a programatorului. La aparitia tensiunii la borna 6 a programatorului, prin contactele închise d40 (43 – 44), C22 (23 – 24) este alimentat releul d15.
Releul d15 cu temporizare de circa 2 secunde închide contactul d15 (8 – 5) si se alimenteaza: releul d16, transformatorul de aprindere m17 si lampa de semnalizare h18 aprindere. Între electrozii de aprindere apare scânteia electrica. Se închide contactul d16 (13 – 14) pregatind pentru functionare circuitul de alimentare a electrovalvulei duzei 1, s2
Dupa trecerea unui timp de circa 3 secunde de la aparitia scânteii electrice, programatorul aplica tensiunea de la borna 4 la borna 5 si prin contactele închise d40 (33 – 34), d16(13 – 14) este alimentata electrovalvula s2 Electrovalvula închide circuitul de retur al combustibilului si presiunea creata pune în functiune duza 1 care pulverizeaza combustibilul în focar. La intrarea în functiune a duzei 1 se aprinde lampa de semnalizare h28 functionare duza 1. Este alimentat releul d30 care prin contactele d30 (13 – 14) si d30 (23 – 24) mentine alimentarea electrovalvulei s27 si a releului d35 dupa deconectarea releului d16.
În prezenta aerului , scânteii electrice si a combustibilului pulverizat se produce aprinderea.
Dupa confirmarea aprinderii, programatorul îsi continua programul. Daca în perioada de siguranta nu se produce aprinderea, programatorul opreste functionarea arzatorului, urmând ca la reluare sa se parcurga din nou toate etapele.
Faza III MARIREA FLACARII. În situatia normala, dupa confirmarea aprinderii se continua programul si la secunda 81 se aplica tensiunea la borna 7 a programatorului. De la borna 7 prin contactele închise d40(53 – 54), b33, contactul traductorului e35 închis pentru presiuni sub 5,5 bar, este alimentat releul d35.
Releul d35 comuta contactul sau din circuitul srvomotorului m24 si comanda deschiderea clapetei de aer în pozitia de debit maxim. În aceasta pozitie a clapetei, axul cu came al servomotorului comanda închiderea contactului b32.
Se închide circuitul de alimentare al electrovalvulei duzei 2 de la borna 7 a programatorului prin contactele închise d40 (83 – 84), b32. Este alimentata electrovalvula s32 care deschide circuitul de combustibil spre duza 2. Combustibilul pulverizat în focar de duza 2 se aprinde de la flacara deja existenta la duza 1. În acest moment functioneaza ambele duze asigurând capacitatea maxima de lucru a arzatorului.
Functionarea duzei 2 este marcata de aprinderea lampii h33 – functionare duza 2.
În continuare, din prezentarea functionarii programatorului, la secunda 89 se comanda întreruperea tensiunii de la borna 6 si ca urmare se deconecteaza circuitul de aprindere iar la secunde 93 se întrerupe functionarea programatorului.
Arzatorul functioneaza la capacitate maxima si presiunea aburului creste continuu.
REDUCEREA FLACARII. Când presiunea aburului din caldarina ajunge la valoarea de 5,5 bar, apropiata de presiunea nominala, traductorul de presiune e35 îsi deschide contactul si se întrerupe alimentarea releului d35.
În circuitul servomotorului clapetei de aer m24 se comuta contactul d35 în pozitia initiala 1 – 3 si se comanda închiderea clapetei de aer pe pozitia corespunzatoare de debit partial. În aceasta pozitie a clapetei axul cu came deschide contactul b32 si se întrerupe circuitul de alimentare al electrovalvulei s32. Se întrerupe functionarea duzei 2 si arzatorul lucreaza în continuare cu capacitate redusa, avand în functiune numai duza 1.
OPRIREA CALDARINEI. Comanda de oprire a caldarinei se da atunci cand presiunea aburului ajunge la valoarea de 7 bar. La aceasta valoare a presiunii aburului se deschide contactul traductorului e14 si se întrerupe tensiunea aplicata la borna 9 a programatorului.
Se întrerupe alimentarea releului programatorului si prin deschiderea contactelor sale se întrerupe tensiunea aplicata la bornele 3, 4, 5 si 7 având ca urmare: întreruperea alimentarii contactorului C22 si deconectarea electromotorului arzatorului, întreruperea alimentarii electrovalvulei s27 si încetarea functionarii duzei 1.
Arzatorul caldarinei îsi întrerupe functionarea. Disparitia flacarii este sesizata de fotoelement si se întrerupe alimentarea releului FR apartinând programatorului. Se reia functionarea programatorului din momentul întreruperii la secunda 93 pâna la secunda 120. În aceasta perioada contactele celor 13 microântrerupatoare revin în pozitia initiala pregatind circuitele pentru o noua reluare a programului.
RELUAREA CICLICA A FUNTIONARII. Releele diferentiale de presiune sunt astfel reglate încât traductorul de presiune e35 deschide contactul la depasirea limitei de 5,5 bar si închide contactul când presiunea este mai mica de 4 – 4,5 bar iar traductorul de presiune e14 îsi deschide contactul pentru valoarea nominala a presiunii 7 bar si îl închide cand presiunea scade sub limita de 3,5 bar.
Dupa parcurgerea primului ciclu si oprirea caldarinei atunci când presiunea aburului a ajuns la valoarea nominala, presiunea aburului începe sa scada treptat ca urmare a utilizarii lui în instalatia de încalzire a compartimentelor navei. La atingerea valorii de 4 – 4,5 bar se închide contactul traductorului e35. Instalatia nu pornaste. Închiderea contactului e35 face posibila functionarea duzei 2 la reluareea ciclului de lucru.
Ciclul de functionare se reia atunci când presiunea aburului scade pâna la limita de 3,5 bar si se închide contactul traductorului e14. Prin închiderea contactului e14 se reia functionarea arzatorului parcurgându se toate etapele prezentate anterior. Urmeaza o noua perioada de functionare care se va întrerupe automat atunci când presiunea aburului va ajunge la valoarea nominala, 7 bar.
În acest mod automatizarea caldarinei MONARCH realizeaza o functionare ciclica a arzatorului caldarinei pentru mentinerea presiunii aburului în limitele 3,5 – 7 bar.
Pentru functionarea caldarinei în regim manual se executa în prealabil toate operatiunile prezentate la pregatirea pentru pornire. Comutatorul de alegere a regimurilor de lucru, b39, se pune pe pozitia 1 MANUAL.
La aplicarea tensiunii de alimentare este conectat releul d38 care prin actionarea contactelor sale pregateste circuitele pentru functionarea în regim manual. Se aprinde lampa de semnalizare h39 – MANUAL.
Pornirea se executa prin manevrarea aceluias comutator b2. Se fixeaza initial b2 pe pozitia 1 si se alimenteaza releul d2. Se întrerupe alimentarea lampii de semnalizare h4 blocare si se închide contactul de automenttinere a alimentarii d2 (13 – 14).
Se trece comutatorul b2 pe pozitia 2 – conectat si prin contactele d2 (33 – 34), se aplic[ tensiune la schema de comanda. În regimul de lucru manual programatorul LAE – 1 nu este alimentat si ca urmare acesta nu lucreaza în acest regim.
În continuare, prin conectarea manuala într-o anumita ordine a întrerupatoarelor, se executa fazele aprinderii. Scema este astfel conceputa încât sa se asigure ordinea normala a operatiunilor si nu se poate trece la faza urmatoare decât dupa executarea fazei precedente. Durata fazelor este stabilita de operator.
Faza I PREPURJAREA. Se închide întrerupatorul b22 si se stabilesc circuitele de alimentare pentru contactorul C22 si servomotorul clapetei de aer prin contactele închise d38 (13 – 14), b26, b29, d40 (71 – 72). Servomotorul m24 deschide clapeta de aer pentru debit partial si prin închiderea contactelor principale C22 porneste electromotorul ventilatorului.
Se introduce aer în focar si se executa aerisirea acestuia pentru eliminarea gazelor ramase de la functionarea anterioara. Se aprinde lampa h18 care indicafunctionarea electroventilatorului.
Se închide contactul C22 (13 – 14) prin care se men’ine alimentarea contactorului C22 în etapele urmatoare când se vor deschide b29 si b26. De asemenea se închide contactul C22 (23 – 24) si se permite alimentarea circuitului de aprindere în faza urmatoare.
Durata operatiunii de prepurjare este stabilita de operator.
Faza II APRINDEREA. Se conecteaza circuitul de aprindere prin închiderea întrerupatorului b15. Este alimentat releul d15 si acesta, cu temporizare, închide contactul d15 (5 – 8) prin care se alimenteaza transformatorul de aprindere m17, releul d16 si lampa de semnalizare h18 aprindere . Tensiunea înalta de la transformator se aplica electrozilor si se produce scânteia electrica. Releul d16 închide contactele d16 (13 – 14), si d16 (23 – 24) pregatind momentul urmator.
Pentru pulverizarea combustibilului în focar se conecteaza întrerupatorul b26 si prin contactele închise d38 (23 – 24), b26, d16(13 – 14) se aplica la tensiunea de alimentare pentru electovavula s27 care prin închiderea returului de combustibil pune în functiune duza 1.
Prezenta aerului, a scânteii electrice si a combustibilului pulverizat de duza 1 realizeaza aprinderea si aparitia flacarii.
Functionarea duzei 1 este semnalizata de aprinderea lampii de semnalizare h28 – functionare duza 1. În acelasi timp cu alimentarea electrovalvulei s27 este alimentat si releul d30. Prin închiderea contactelor d30(13 – 114) si d30 (23 – 24) se mentin alimentarile pentru electrovalvula s27 si releul d35 dupa întreruperea functionarii releului d16 ca urmare a deconectarii circuitului de aprindere.
Faza III MARIREA FLACARII. Pentru marirea capacitatii de lucru a arzatorului se conecteaza întrerupatorul b29. Prin contactele închise d38(42 – 44), b29, d16(23 – 24) se stabileste circuitul de alimentare a releului d35. Acest releu prin comutarea contactului sau din circuitul servomotorului m24 comanda deschiderea clapetei de aer în pozitia de debit maxim. Când clapeta a ajuns în pozitia de debit maxim, axul cu came închide contactul b32 si se aplica tensiunea de alimentare pentru electrovalvula s32 prin contactele d38 (53 – 54), b32.
Diuza 2 intra în functiune si arzatorul lucreaza la capacitate maxima. Functionarea duzei 2 este semnalizata de lampa h33 – functionare duza 2.
În continuare, pe durata de functionare a arzatorului, urmarirea flacarii se face de catre operator care în cazul disparitiei flacarii intervine prin comenzi manuale pentru oprirea instalatiei.
Prezenta operatorului pentru supravegherea caldarinei este obligatorie în situatia în care se lucreaza în regim manual. Urmarind continuu functionarea, operatorul intervine pentru reducerea capacitatii arzatorului prin scoaterea din functiune a duzei 2 atunci când presiunea aburului ajunge în apropierea valorii nominale si întreruperea functionarii arzatorului când presiunea aburului are valoarea nominala. Reluarea ciclica a functionarii caldarinei se face de asemenea de catre operator.
Regimul de lucru manual constituie un regim de rezerva care se aplica numai în situatia în care sistemul automat nu functioneaza.
![]()

![]()

![]()

![]()

| 
Politica de confidentialitate | Termeni si conditii de utilizare | 
              
                Vizualizari: 392				
                Importanta: ![]()
Termeni si conditii de utilizare | Contact 
     
      © SCRIGROUP 2025 . All rights reserved