| CATEGORII DOCUMENTE |
| Bulgara | Ceha slovaca | Croata | Engleza | Estona | Finlandeza | Franceza |
| Germana | Italiana | Letona | Lituaniana | Maghiara | Olandeza | Poloneza |
| Sarba | Slovena | Spaniola | Suedeza | Turca | Ucraineana |
| електронен | изкуство култура | икономика | история | книга | компютри | медицина | психология |
| различни | социология | техника | управление | финанси | химия |
DOCUMENTE SIMILARE |
|
TERMENI importanti pentru acest document |
|
са множествен достъп с честотно делене FDMA TDMA TDM множественият достъп и мултиплексирането са две различни концепции и както е отбелязано в CCIR Report
CDMA CDMA SSMA PAMA
“преназначени”, което означава, че те са разпределени върху фиксирана или отчасти фиксирана база до определени потребители. Следователно тези вериги не са подходящи зо общо ползване. Преназначаването е просто за реализация, но е ефективно само за вериги с продължителен натоварен трафик. Алтернатива на преназначаването е множествен достъп с търсене и назначаване (DAMA DAMA
FDMA TDMA CDMA
SDMA
Telesat Canada FDM FM m G T dB K
FDMA
FDM FM FDMA FDM FM SSBSC uplink
Прието е, че приемо-предавателните лъчи от сателитната антена са глобални, заобикалящи и трите земни станции. Всяка земна станция излъчва една носеща в посока uplink downlink
FDM FM
FDMA
uplink MHz MHz downlink GHz FDM FM MHz MHz
Telesat
single channel per carrier SCPC SCPC
FM FDMA
Intelsat SCPC MHz kHz kHz QPSK PCM MHZ I kHz SCPC I Hz SCPC Miya AFC
Intelsat SCPC TWT TWT FDMA
Intelsat SCPC
SCPC FDMA
SCPC Telesat Canada Thin Route Message Facilities PSK/SCPC m G T dB K m
FDMA с търсене и назначаване
FM SCPC PSK SCPC
За такава система забавянето от допитването има тенденция да се увеличи неимоверно много при увеличаване на броя на участващите земни станции. Вместо с използване на допитваща последователност, при възникнала нужда земните станции могат да заявяват повиквания директно през главната земна станция. Това е отбелязано като случаен достъп с централизиран контрол. Заявките за повикване преминават през цифрова верига, която е или теснолентова цифрова радиовръзка, или верига, минаваща през сателитния транспондер, която е резервирана за тази цел. Ако са подходящи, честотите се назначават от главната станция и когато повикването приключи, те отново се освобождават. Ако няма свободни честоти, блокираните заявки зе повикване могат да бъдат поставени да чакат на опашка или да бъде направен втори опит за повикване от станцията, търсеща връзка.
и той е познат като случаен достъп с разпределен контрол. Добра илюстрация на такава система е Spade Intelsat
Spade
Spade Spade single channel per carrier pulse code modulated multiple access demand assignment equipment Spade Comsat Intelsat Martin Intelsat SCPC Common Signaling Channel CSC
Spade
CSC kHz и нейната централна честота е на отстояние 18,045 MHz CSC 1’ MHz
CSC A B C D E F CSC F F CSC канала. Станция F CSC CSC F ms CSC F
Spade
CSC
CSC F Spade CSC DASS CSC
CSC Spade SCPC
TWT
BTR FDMA K BTR B EIRP Equivalent isotropically radiated power BTR
EIRP C N EIRP C N
FDMA downlink
FDMA carrier to noise
C N carrier to noise REQ C N
![]()
(12.2)
noise to carrier carrier to noise
![]()
d wnlink uplink
![]()
![]()
(12.4)
FDMA B downlink [EIRP D
![]()
BN B carrier to noise
![]()
(12.6)
EIRP BTR
(12.7)
![]()
(12.8)
![]()
(12.9)
Да разгледаме сега ефекта от ограничението на мощността. Приемаме, че FDMA
(12.10)
BTR BTR BTR
(12.11)
![]()
(12.12)
K
![]()
![]()
(12.14)
BO O BO back off back off
MHz EIRP d W G T dB K dB FDMA MHz back off dB carrier to noise downlink back off carrier to noise uplink
Mathcad dB back off BOdB
BTR MHz BdBTR : = 10 log (BTR /Hz)
B MHz BdB log B Hz
EIRP
EirpdBWS
Back off
BOdBO
LOSSESdB
G T
GTRdB
CNRdBD EirpdBWS GTRdB LOSSESdB BdBTR
CNRdBD
αdB BOdBO у-ние(12.11)
KdB αdB BdBTR BdB у-ние(12.11)
KdB/10
K K
back off
BTR B
TDMA
TDMA TWT
bursts), TDMA TDMA R
bit rate TF
M Rb TF
Rb по време на продължителността на рамката. Тези М бита са предадени като бърст в следващата рамка, без да се прекъсва последователността на входа. М битовете са предадени по времето на бърста T
RT = M / TB = Rb TF / TB
burst rate bit rate TF
TF дори и ако действителното закъснение между предаващите и приемните буфери се приеме за нула, приемащата страна отново ще трябва да изчака да измине време TF , преди да приеме първия излъчен бърст. В геостационарната сателитна система действителното закъснение при разпространение е значителна част от секундата и допълнителни закъснения в резултат на други причини могат да бъдат пренебрегнати. Пореди по-горе изброените причини се ограничава продължителността на рамката, макар че при съществуващата техника има други фактори, които ограничават допълнително тази продължителност. Периодът на рамката обикновено се избира да бъде 125μs, като това е стандартния период, използван в телефонните системи с импулсно-кодова модулация PCM PCM PCM
TDMA TIMs MUX preamble RF RF
TDMA
DMA
Първият опорен бърст, който маркира началото на рамката, е предаден члез главната първична станция за сравнение и съдържа съгласуваща информация, нужна за усвояване и синхронизация на бърстовете. Вторият опорен бърст, който е предаден чрез вторичната станция за сравнение, осигурява синхронизация, но не носи информация за усвояване на бърстовете. Вторичният опорен бърст се игнорира от приемащите земни станции, освен ако не се повреди главната първична станция.
Guard Time G
Carrier and bit timing recovery CBR CBR CBR времеинтервала, е модулирана с известна фазово-изменена последователност, която позволява да се възстанови битовото съгласуване. Точното битово съгласуване е нужно за изпълнението на функцията дискретизация и запомняне (sample and hold
Burst code word BCW BCW BCW BCW BCW
Station identification code SIC Intelsat Intelsat системата забавянето в резултат от разпространението на сигнала се изчислява чрез измерванията, направени от станцията за сравнение и предадени до земната станция като отговор по канала за координация и закъснение. Други канали в Intelsat burst
TTY
SC
VOW
VOW
Preamble and Postamble
Етикета е началната част на трафичния бърст, която носи информация, сходна с тази в опорния бърст. При някои системи разположението на каналите в опорния бърст е идентично на това в етикета. Етикетът не пренася трафик. На фиг. 12.13 единствената разлика между етикета и опорния бърст е тази, че етикета осигурява поръчков жичен (Order wire OW Intelsat Coordination and delay channel - CDC
Postamble
TDMA Phase locked loop PLL hang up
Intelsat ms b R QPSK
Quadrature Phase shift keying QPSK QPSK MHz utomatic frequency control AFC MHz MHz AFC Voltage controlled oscillator VCO AFC PLL MHz VCO
AFC
Проблем при метода с фазова детекция може да бъде междубърстовата интерференция, породена от енергията, съхранена в детекторната верига за който и да е бърст. За да се предотврати тази интерференция е нужно внимателно проектиране на детекторната верига и възможност за използване на интервала за възстановяване (postamble Gagliardi
unique word start of receiving frame SORF uplink Spilker
burst time plan SORF SORF tA TA SORF tB TB SORF ms
TDMA FDMA burst position acquisition burst position synchronization
SORF
open loop timing control ms adaptvie open loop timing
loopback timing control Обратната връзка е свързана с факта, че земната станция приема своето собствено предаване, от което може да определи обхвата. Следователно метода с обратна връзка може да бъде използван тогава, когато сателита излъчва глобално или когато регионалните лъчи обхващат всички земни станции в мрежата. За процеси на усвояване са подходящи няколко метода, но като цяло те изискват да бъде осигурен някакъв вид определяне на обхвата, така че те осигуряват ограничена оценка за позицията на времеинтервалите. При един метод, трафичната станция предава бърст с ниско ниво, съдържащ само етикета. Нивото на мощност е с 20-25 dB s SORF direct closed loop feedback
feedback timing control . Когато трафичната станция се намира извън сателитния лъч, съдържащ нейното собствено предаване, методът с отворена обратна връзка, разбира се, не е точен и могат да бъдат използвани други методи, за да може станцията да приеме обхождащата информация. Когато синхронизиращата информация е предадена обратно към земната станция от друга, отдалечена от нея станция, говорим за контрол със зaтворена обратна връзка feedback closed loop control Intelsat acquisition stage), отдалечената станция може да върне обратно информация за направляване на позиционирането на късия бърст, а след като бъде усвоен правилния времеинтервал, може да бъде върната обратно необходимата синхронизираща информация.
TDM SORF SOTF
SORF DA DB SOTF SOTF SOTF tA DA t D i Di
2ti Di C (12.17)
Intelsat ms
ti Intelsat ms Di Intelsat Di s Di DC Di Nuspl de Buda Aloha Rosner TDMA
unique word UW BCW TDMA UW UW UW UW UW UW
UW
UW N I UW
I UW
I > E N UW UW
BER N I
pI pI p N I
N I NCp
![]()
N I
PI NCI pI (12.20)
UW UW I I > E
![]()
![]()
(12.22)
UW I Mathcad
N E p
Pmiss . 10-13
Сега разглеждаме последователносттa N, която не е UW, но която е била приета за UW, дори ако се различава от UW по определен брой позиции на битовете E и нека I да бъде действителния брой битови позиции, по който случайната последователност се различава от UW. Така E съответства на броя допуснати грешки, разглеждани спрямо UW, въпреки че те могат да не бъдат грешки за съобщението, което е представено с тези битове. I UW. Като се вземе предвид равенство UW
(12.23)
N N N
PF N W
![]()
(12.25)
I BER Mathcad
N E
![]()
PF = 6.9 . 10-7
UW
12.7.6 Трафични данни
FDMA TDMA
12.7.7 Ефективност на рамката и капацитет на канала
Frame efficiency FE
FE ηF (12.26)
ηF (12.27)
Добавените битове overhead bits
При фиксиран брой добавени битове, равенство (12.27) показва, че по-висока ефективност се постига чрез по-дълга рамка или по-голям брой общи битове. Обаче по-дългите рамки изискват по-голяма буферна памет и добавят допълнително закъснение от разпространение. Синхронизацията също ще бъде затруднена от гледна точка на това, че позицията на сателита се изменя във времето. Ясно е също, че по-малкият брой добавени битове също увеличава ефективността, но намалените синхронизиращи и защитни интервали изискват по-сложно оборудване.
Intelsat
Обща дължина на рамката : 120 832 символа
Трафични бърстове за рамка : 14
Опорни бърстове за рамка: 2
Защитен интервал: 103 символа
P
CDC
R
OH
ηF
Rb n n Rb ηF R
n Rb ηF R
n ηF R Rb
Intelsat kb s QPSK ms
ms ms
QPSK RT Mb s
n x x
TDMA
TDMA CSC Spade CSC ms kb s CSC kHz
SU , показана на фиг.12.19, е тази част от бърста за данни, SCPC SU
CSC Spade
TDMA Intelsat
Intelsat Intelsat PCM QPSK
PCM kHz PCM kb s SC kb s Mb s
Intelsat ms Mb s
Intelsat Digital speech interpolation DSI Digital noninterpolated DNI
TDMA Intelsat
TDMA
TDMA FDMA FDMA TDM
TDMA
CCIR Report ms μs ms ms
Интерполация на речта и предсказване
telephone load activity factor CCITT Pratt Bostian digital speech interpolation digital time assignment speech interpolation TASI speech predictive encoded communications SPEC
Intelsat
TASI Intelsat TASI Intelsat DSI interpolated DSI AC
DSI = digital speech interpolation ; DNI = digital noninterpolation
DSI N M N > M Intelsat N M
предава реч, като последователностите от речеви speech spurts s TDMA DSI Закъснението, което е въведено в речевата верига (фиг. 12.22), позволява да бъде завършен процеса по назначаване на канал. Но това закъснение не може да компенсира точно закъснението при назначаването на канала, поради което може да се изгуби първата част от речевия поток. Това се нарича свързващ клип (сonnect clip
Intelsat
DSI
freeze out
connect clip ms ms ms
DSI N M
SPEC SPEC Sciulli Campanella PCM μs Mb s
PCM мултиплексора, е поделен във времето между всички входни сигнали. Той е способен да предотвратява предаването на шум по време на интервалите на мълчание. Когато устройството за предварително предсказване приеме нова извадка, то я сравнява с предишната извадка за същия гласов канал, която е съхранена в него и предава новата извадка само ако тя се различава от предишната по някаква предварително зададена стойност. Тези нови извадки са наречени непредсказуеми PCM Mb s PCM PCM
Чрез преместване на многословните речеви извадки и периодите на мълчание по предавателната линия се постига удвояване на капацитета. На фиг. 12.23 се вижда, че при входно-изходна скорост от 4096 Mb s Mb s SPEC DSI метода е, че тук не се получава замразяване. При претоварване не могат да се променят стойностите на извадките. Това обаче води до по-грубо квантуване и следователно се увеличава шума от квантуване. Но това е по-приемливо, отколкото замразяването.
SPEC b SPEC
downlink
TDMA TWT back off uplink FDMA
FDM FDMA carrier to noise carrieri to noise downlink C N е един от факторите, които определят максималното цифрово отношение, изразено с равенство (9.24). Това равенство може да се запише така:
Eb N BER BER Eb N dB Rb C N link budget C N е фиксирано чрез параметрите на уравнението на връзката, дадени (10.57), Rb Rb IF Rb IF
![]()
m BPSK m QPSK roll off factor
![]()
(12.30)
C N downlink dB Hz TDMA QPSK BER IF
Eb N dB BER
Rb dB b s
Mb s
QPSK m
BIF x MHz
MHz EIRP C N dBHz
Сравнение на използваните мощности в посока uplink TDMA FDMA
FDMA FEC Rb EIRP
uplink uplink downlink b Rb R
TDMA FDMA EIRP

R Rb FDM uplink RT TDMA uplink
BER Eb N Eb N TDMA FDMA uplink R C N TDMA FDMA uplink LOSSES G T C N EIRP
[EIRP]TDMA - [EIRP]FDMA = [RT] - [Rb] (12.31)
TDMA FDMA
[P]TDMA - [P]FDMA = [RT] - [Rb] (12.32)
FDMA b) TDMA
GHz uplink dB G T dB K uplink Eb N dB
FDMA dB T
b downlink dB b s uplink TDMA
T Mb s R dB b s [Eb N dB


P dBW или W
b TDMA dB EIRP dB
[P dBW W
FDMA TDMA back off
uplink FDMA TWTA
FDMA TDM
FDMA TDMA
CPS Stevenson et al CPS FDMA TDM FDMA uplink TDM downlink uplink downlink
uplink TDM downlink downlink
FDMA TDM b
TDMA b
VHSIC
SAW
SAW SAW
SAW устройството изпълнява функцията на закъснител. В допълнение, електродите са способни да осигурят множество полезни предавателни характеристики. Тези две особености, заедно с факта, че устройството малко, го правят един мощен сигнално-обработващ компонент.
FDMA FDMA FDMA SAW
FDMA
FDMA PSK FDMA FDMA TDM
CW b CW RF ns div MHz μs
CW b показва изходния сигнал, получен от три синхронни входни сигнала – две CW CW
12.9 TDMA
TDMA TDMA SS TDMA
b
SS TDMA Scarcella Abbott switch mode b N N uplink downlink uplink downlink GHz GHz Ku uplink downlink
SS TDMA SS TDMA b SS TDMA
TDM downlink. Всяка рамка е нормална TDMA
RF
European Olympus TDMA
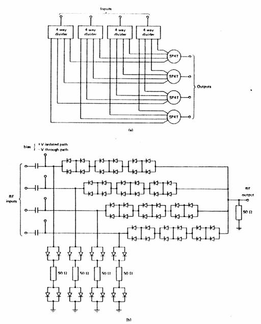
b SP4T
CDMA SSMA CDMA SS/TDMA
Pickholtz
дължина, в която битовете са случайно разпределени, може да се използва като фазово-модулирана носеща. Ако предварително направим копие на последователността, съхранено в приемника, случайните изменения на фазата може да бъдат предсказани и тогава модулацията е псевдослучайна.
PN последователност. Такава последователност се използва като тактова последователност, както е показано на фиг. 12.31. Битовете от двоичната последователност се наричат чипове (chips) PN (c/s)
PN
PN
A.cos[ωt + φ(t)] φ(t) PN PN PPN(t)
eT = PPN(t) A.cos[ωt + φ(t)] (12.33)
PPN(t)
eR = P2PN(t) A.cos[ωt + φ(t)] (12.34)
PPN(t) P2PN(t) = 1
eR = A.cos[ωt + φ(t)] (12.35)
P2PN(t) = 1
CDMA
processing gain
Gp = Tb / Tc
Tb Ti
Ej Ej / Gp [Ej] – [Gp] dB IEEE Transactions on Communications, 1982 Dikon, 1984
FDMA
FM/FDMA
Intelsat SCPC
SCPC/FDMA
Spade
Spade
![]()
![]()
![]()
![]()
(12.4)
![]()
![]()
(12.6)
![]()
(12.7)
![]()
(12.8)
![]()
(12.9)
![]()
(12.10)
(12.11)
![]()
(12.12)
![]()
![]()
(12.14)
M = Rb TF
RT = M / TB = Rb TF / TB
TDMA
ТDMA
Intelsat 2ms b) R; с) композиция на QPSK
AFC
(SORF)
TDMА SORF SOTF
2ti +Di = C (12.17)
UW
pI = pI (1-p) N-I (12.18)
![]()
PI = NCI.pI (12.20)
![]()
![]()
(12.22)
![]()
(12.23)
PF = 2-N .W
![]()
(12.25)
FE = ηF = (12.26)
ηF = 1 - добавени битове / общ брой битове (12.27)
n Rb = ηF RТ
n = ηF RТ Rb
(CSC) Spade
TDMA Intelsat
Intelsat
DSI = digital speech interpolation ; DNI = digital noninterpolation
SPEC b) SPEC
![]()
![]()
(12.30)

[EIRP]TDMA - [EIRP]FDMA = [RT] - [Rb] (12.31)
[P]TDMA - [P]FDMA = [RT] - [Rb] (12.32)
FDMA b) TDMA
FDMA TDM b
CW b CW RF ns div MHz μs
b
RF
b SP T
PN
PN
eT = PPN(t) A.cos[ωt + φ(t)] (12.33)
eR = P2PN(t) A.cos[ωt + φ(t)] (12.34)
eR = A.cos[ωt + φ(t)] (12.35)
Gp = Tb / Tc
MHz EIRP d W G T dB K dB FDMA MHz back off dB carrier to noise downlink back off carrier to noise uplink
Mathcad dB back off BOdB
BTR MHz BdBTR : = 10 log (BTR /Hz)
B MHz BdB log B Hz
EIRP
EirpdBWS
Back off
BOdBO
LOSSESdB
G T
GTRdB
CNRdBD EirpdBWS GTRdB LOSSESdB BdBTR
CNRdBD
αdB BOdBO у-ние(12.11)
KdB αdB BdBTR BdB у-ние(12.11)
KdB/10
K K
back off
BTR B
N E p
Pmiss . 10-13
N E
![]()
PF = 6.9 . 10-7
Intelsat
Обща дължина на рамката : 120 832 символа
Трафични бърстове за рамка : 14
Опорни бърстове за рамка: 2
Защитен интервал: 103 символа
P
CDC
R
OH
ηF
Intelsat kb s QPSK ms
ms ms
QPSK RT Mb s
n = 0.949 x 120 832 x 103 / 64 = 1792
C N downlink dB Hz TDMA QPSK BER е 10-5 . Изчислете максималната скорост на предаване и IF
Eb N dB BER
Rb dB b s
Mb s
QPSK m
BIF x MHz
GHz uplink dB G T dB K uplink Eb N dB
FDMA dB T
b downlink dB b s uplink TDMA
T Mb s R dB b s [Eb N dB


P dBW или W
b TDMA dB EIRP dB
[P] = 1.4 + 12 = 13.4 dBW 21.9 W
|
Politica de confidentialitate | Termeni si conditii de utilizare |
Vizualizari: 2399
Importanta: ![]()
Termeni si conditii de utilizare | Contact
© SCRIGROUP 2025 . All rights reserved