| CATEGORII DOCUMENTE |
| Bulgara | Ceha slovaca | Croata | Engleza | Estona | Finlandeza | Franceza |
| Germana | Italiana | Letona | Lituaniana | Maghiara | Olandeza | Poloneza |
| Sarba | Slovena | Spaniola | Suedeza | Turca | Ucraineana |
DOCUMENTE SIMILARE |
|
TERMENI importanti pentru acest document |
|
Tento jednoduchý osciloskop používám již mnoho let při bastlení. Prapůvodní konstrukce (vznikla asi tak v roce 1977) měla mnohem jednodušší zapojení a byla na několika 'bastldeskách' v krabici od bot. Se zde uvedeným zapojením funguje osciloskop od roku 1988. Na osciloskopu je pikantní především obrazovka, která je německá (Telefunken) a je na ní nápis Wermacht a pamatuje zjevně ještě druhou světovou válku. Obrazovka je v krytu z podobně velké obrazovky, kryt však pochází z ruského radiolokátoru. Na obrazovce je uveden typ 07s1, nakonec se mi ji podařilo na 99% identifikovat jako LB7/15. Srovnání s obdobnými typy obrazovek uvedu v části Napájecí zdroj a připojení obrazovky.

Zde popsaný jednoduchý osciloskop má své výhody i nevýhody. Pro řízení vstupní citlivosti a kmitočtu časové základny není použit přepínač a kalibrovaný dělič, ale obyčejný logaritmický potenciometr. Neodhadnete tak podle polohy přepínačů vstupní napětí a kmitočet, nastavení je však mnohem rychlejší. Také časová základna je pouze volně běžící se synchronizací, chybí režim se spouštěním. Synchronizace však v uvedeném zapojení pracuje naprosto bezchybně.

Obr. 1. Zesilovač Y
Figure 1. Y amplifier
Schéma zesilovače Y je na obr. 1. Úkolem zesilovače je zesílit měřený signál v pokud možno co nejširším kmitočtovém rozsahu a s minimálním fázovým zkreslením. Protože v době, kdy jsem osciloskop stavěl nebyly k dispozici rychlé operační zesilovače, je vstupní část sestavena z tranzistorů T1 až T6. Tranzistory T5 a T9 slouží jako zdroje proudu pro zesilovače. Starší verze osciloskopu (zmíněná v úvodu) měla vstupní zesilovač s MAA501. I přes různé nestandardní kmitočtové kompenzace IO byl kmitočtový rozsah velmi malý, asi 200 kHz. Zesilovač na obr. 1 má symetrický vstup a symetrický výstup. Napěťové zesílení vstupní části je asi 30 dB (29x), kmitočtová charakteristika je zcela plochá nejméně do 1 MHz. Potenciometrem P1 se nastavuje vstupní citlivost, potenciometrem P3 stejnosměrný posuv. Do báze tranzistoru T1 teče jistý malý proud. Ten je kompenzován zdrojem proudu s T6. Trimr P2 se nastaví při oživování tak, aby se stopa na obrazovce nehýbala, otáčíme-li hřídelí P1.
Následuje výstupní zesilovač s tranzistory T7 až T9. Tento zesilovač budí přímo vychylovací destičky. Zesílení tohoto stupně je asi 26 dB (21x). Maximální přenášený kmitočet je omezen především kapacitou vychylovacích destiček obrazovky a přívodů. Proto je výstupní zesilovač Y (a také X) umístěn co nejblíže vývodům obrazovky a s obrazovkou spojen krátkými přívody - viz foto. Rovněž přívody k bázím tranzistorů T7 a T8 jsou vedeny 'vzduchem', aby jejich kapacita byla minimální. K rozšíření kmitočtového rozsahu slouží kompenzační cívky zapojené v sérii s kolektorovými rezistory a také kompenzační člen s P4 a sériově zapojeným kondenzátorem 220 pF. Kmitočtový rozsah je 2 MHz pro pokles 3 dB, charakteristika je díky kompenzacím plochá asi do 1 MHz.
Oživení vertikálního zesilovače je jednoduché, předpokládá však alespoň částečně oživenou časovou základnu osciloskopu. Ze všeho nejdříve pak bude třeba oživit napájecí zdroj a obvody obrazovky. Protože k oživení časové základny je dobrý alespoň částečně fungující vertikální zesilovač, nezbyde než tyto funkční bloky oživovat postupně po částech.
Potenciometrem P3 nastavte stopu na střed obrazovky. Měřením se přesvěčte, že na kolektorech T7 a T8 je přibližně stejné napětí. Trimrem P4 pak nastavte toto napětí na 80 V, což je napětí na vývodu A2 obrazovky. Při vertikálním posunu stopy by se tato napětí mělo symetricky měnit. Nebude-li průměr napětí na vychylovacích destičkách stejný jako na A2, bude se paprsek směrem ke kraji obrazovky rozostřovat. Na vstup pak přiveďte signál s obdélníkovým průběhem s kmitočtem asi 200 kHz. Je důležité mít P1 vytočen na maximální citlivost a amplitudu signálu upravit na generátoru nebo předřadným děličem z rezistorů s malým odporem (nejvýše stovky ohmů). Parazitní kapacity P1 by jinak mohly průběh signálu zkreslit. Otáčením jader v cívkách a trimrem P4 se snažíme vykompenzovat zesilovač tak, aby obrázek na stínítku obrazovky se co nejvíce podobal původnímu obdélníkovému signálu. V případě potřeby upravte i kapacitu kondenzátoru v sérii s P4. Amplituda signálu by měla být taková, aby obraz na stínítku zabíral tak polovinu průměru stínítka. Snižte kmitočet signálu. Měřený signál by neměl mít žádné překmity. Posledním testem zkontrolujte linearitu zesilovače. Přiveďte na vstup signál s harmonickým (sinusovým) průběhem. Na obrazovce by nemělo být patrné žádné zkreslení signálu a žádné zákmity.
Koncové tranzistory zesilovače jsou dosti teplé, protože se na nich ztrácí výkon asi 600 mW. Použití chladiče by však zvětšilo parazitní kapacity a snížil by se tak maximální zobrazovaný kmitočet. Jak se posléze ukázalo, vypuštěním cívek se příliš nezhorší tvar zobrazeného signálu a naopak, mají-li příliš velkou indukčnost, bude mít zobrazovaný (obdélníkový) signál překmity.
Obr. 2. Zesilovač X a časová základna
Figure 2. X amplifier and time base
Zapojení zesilovače X a časové základny je na obr. 2. Předpokládejme, že přepínač je v poloze 1. Zapojení pak funguje jako zesilovač. Měřený signál postupuje ze vstupního konektoru přes rezistor na potenciometr P6, kterým se nastavuje vstupní citlivost. Dále se signál zesílí nejdříve operačním zesilovačem IO2, pak koncovým diferenčním zesilovačem s T12 až T14 a následně přivede na vychylovací destičky obrazovky. Kmitočtový rozsah je asi do 200 kHz. Pokud by tento kmitočtový rozsah vyhověl, lze takto zapojit i zesilovač Y. Komparátor s IO3 je zablokován přivedením kladného napětí +15V přes diodu na vývod 2. Komparátor s IO1 je zablokován uzemněním vývodu 3.
V poloze 2 pracuje zesilovač X jako časová základna. Operační
zesilovač IO2 a komparátor IO3 pracují jako generátor napětí s pilovitým
průběhem. Kmitočet generátoru je řízen napětím přiváděným na vývod 3 IO2, tedy
potenciometrem P6. Napětím se vlastně řídí jen doba růstu výstupního napětí,
tj. doba, po kterou je integrováno vstupní napětí kondenzátorem ve zpětné
vazbě. Dosáhne-li napětí na výstupu IO2 (vývod 6) asi 11 V, překlopí se
komparátor IO3 a z vývodu 1 se přes diodu přivede kladné napájecí napětí na
vývod 2 IO2. Napětí na výstupu IO2 se bude velmi rychle zmenšovat, protože IO2
nyní integruje napětí opačné polarity. Dosáhne-li napětí na výstupu IO2 asi -6
V, komparátor se překlopí zpět a cyklus se opakuje. Potřebná hystereze je
nastavena rezistorem mezi vývody
Dobrá synchronizace chodu časové základny s měřeným signálem je velmi důležitá. Po několika nevydařených jednoduchých a nepříliš funkčních zapojeních jsem postavil zde uvedený obvod. Měřený signál ze zesilovače Y je přiveden na vstup 3 komparátoru IO1, kde se porovnává s napětím z potenciometru P7. Na výstupu komparátoru je signál s obdélníkovým průběhem, ze kterého se při sestupné hraně tvaruje tranzistorem T10 velmi úzký záporný impuls. Tímto impulsem se strhává komparátor s IO3. Doba aktivního běhu časové základny se tak může zkrátit téměř na jednu polovinu. Pokud není napětí na běžci potenciometru v rozmezí rozkmitu měřeného signálu, komparátor se nepřeklápí a časová základna není synchronizována. Časová základna synchronizuje na sestupnou část průběhu měřeného signálu. Pokud je třeba synchronizovat i na náběžnou hranu, stačí odebírat signál z kolektoru tranzistoru T3 místo z T4, případně použít přepínač.
V poloze 3 přepínače pracuje časová základna zcela shodně jako v poloze 2, jen kmitočet časové základny je asi 50x vyšší. V poloze 4 je časová základna také nastavena na vyšší kmitočet, synchronizace však není řízena interně signálem ze zesilovače Y, ale externě signálem na vstupu X. V poloze 5 pracuje časová základna s nižším kmitočtem, stejně jako v poloze 2. Kmitočet ČZ není nijak synchronizován, naopak, signál z časové základny je vyveden na konektor vstupu X. V této poloze osciloskop spolupracuje s rozmítačem a signálem ČZ se přelaďuje vf oscilátor rozmítače.

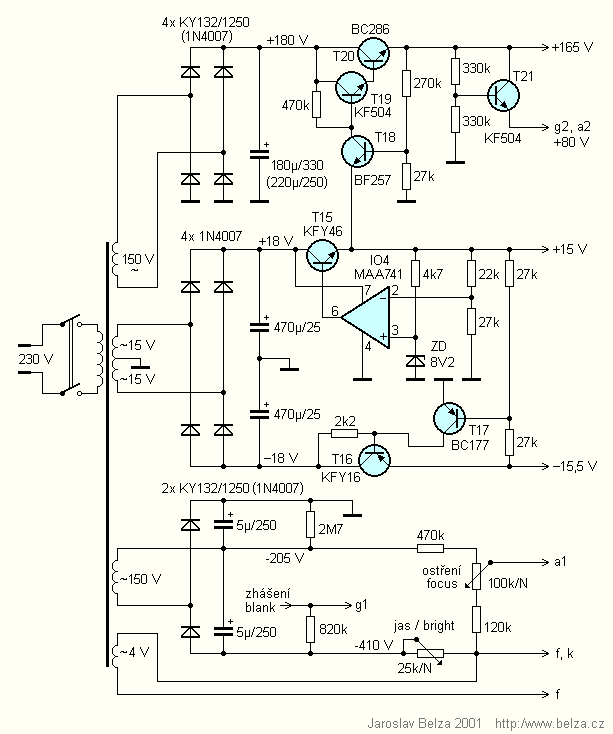
Obr. 3. Napájecí zdroj
Figure 3. Power supply
Napájecí zdroj musí zajistit celou řadu napětí. Schéma
napájecího zdroje je na obr. 3.
Vstupní obvody a časová základna jsou napájeny napětím +/-15 V. Ke stabilizaci
napětí +15 V slouží obvod s T15, IO4 a Zenerovou diodou. Napětí -15 V je
odvozeno z napětí +15 V 'vlečeným' stabilizátorem s T16 a T17. Rovněž
napětí +165 V pro napájení koncových zesilovačů je odvozeno z napětí +15 V obvodem
s T18, T19 a T20. Napětí +80 V pro napájení druhé anody obrazovky je získáno z
napětí +165 V děličem a výstup je posílen tranzistorem T21. K napájení
obrazovky je potřeba poměrně velké napětí. Napětí -410 V pro napájení katody je
nestabilizované a získá se zdvojovačem napětí z dalšího vinutí, rovněž jako
žhavicí napětí 4 V (nebo 6,3 V - podle typu obrazovky). Zdroj +
Obrazovka, kterou jsem použil má poměrně velké napájecí napětí (2000 V) a velmi malou citlivost. Při podstatně menším napětí, které jsem použil v osciloskopu (asi 500 V) již funguje s dostatečným jasem a citlivost vychylovacích destiček se zvětší natolik, že lze použít zesilovače s poměrně malým napětím (zde 165 V). U jiných, modernějších obrazovek nebude takové drastické zmenšení napájecího napětí potřeba, protože mají dostatečnou citlivost. Zapojení a patice použité obrazovky je na obr. 5. Katoda je uvnitř propojena s jedním koncem žhavicího vlákna.
|
|
||
|
f |
žhavení |
heater |
Podobné typy obrazovek s průměrem
|
typ |
LB7/15 |
7QR20 |
B7S1 |
DG7-2 |
DG7-5 |
DG7-6 |
|
Ugz |
-70 V |
-40 (-25) V |
-15 -60 V |
-30 V |
0 -50 V |
0 -50 V |
|
Ua1 |
500 V |
190 (120) V |
140 190 V |
150 350 V |
200 300 V |
200 300 V |
|
Ua2 |
2 000 V |
800 (500) V |
500 V |
800 V |
800 V |
800 V |
|
Uf/If |
4 V/1 A |
6,3 V/0,6 A |
4 V/0,7 A |
4 V/1 A |
6,3 V/0,31 A |
6,3 V/0,31 A |
|
SD1/D2 |
0,07 mm/V |
0,28 (0,44) mm/V |
0,28 mm/V |
0,22 mm/V |
0,25 mm/V |
0,25 mm/V |
|
SD3/D4 |
0,05 mm/V |
0,25 (0,4) mm/V |
0,18 mm/V |
0,18 mm/V |
0,16 mm/V |
0,16 mm/V |
|
Telefunken |
TESLA |
RFT |
Valvo |
Philips |
Valvo |
|
|
průměr/délka |
70/160 mm |
70/152 (165) mm |
71/162 (179) mm |
71/163 mm |
71/160 mm |
71/163 mm |
Mnou použitá obrazovka pracuje už dlouhá léta v 'podžhaveném' režimu: Ugz = 0 až -10 V, Ua1 = asi 50 V a Ua2 asi 500 V. Pro jiné typy obrazovek bude třeba tato napětí upravit.
Mechanické uspořádání osciloskopu ani rozpisku součástek neuvádím, protože předpokládám, že pokud se někdo do stavby osciloskopu pustí, upraví si zapojení podle svého.
Jaroslav Belza
Zapojení v papírovém časopise otištěno nebylo a asi už nebude
12. až 20. 9. 2001
|
Politica de confidentialitate | Termeni si conditii de utilizare |
Vizualizari: 1966
Importanta: ![]()
Termeni si conditii de utilizare | Contact
© SCRIGROUP 2025 . All rights reserved