| CATEGORII DOCUMENTE |
| Bulgara | Ceha slovaca | Croata | Engleza | Estona | Finlandeza | Franceza |
| Germana | Italiana | Letona | Lituaniana | Maghiara | Olandeza | Poloneza |
| Sarba | Slovena | Spaniola | Suedeza | Turca | Ucraineana |
DOCUMENTE SIMILARE |
|
ĮVADAS
Trupintuvas tai įrenginys skirtas trupinti akmenis ir gaminti i jų skaldą. Pramoninėje gamyboje iauniniai trupintuvai naudojami stambiam ir vidutiniam trupinimui. Trupintuvo darbo principas glūdi tame, kad trupintuvą sudaro dvi trupinimo iaunos tarpusavyje sudarančios pleito formos kiaurymę į kurią ukraunamas trupinamas akmuo. Daugeliu atveju viena trupintuvo iauna įtvirtinta nejudamai, o kita judamai. Mano atveju taipogi yra judanti ir nejudanti iauna. Kadangi trupinimo kamera pleito formos tai akmenys joje pasiskirsto pagal skersmenį, stambūs viruje smulkūs apačioje. Judančios iaunos periodikai artėja viena prie kitos ir suspausdamos akmenis juos trupina. Akmenys i trupintuvo neioka, nes trinties kampas tarp mediagos ir akmens yra didesnis u ugriebimo kampą. Judančioms iaunoms atsitraukus sutrupinti akmenys ibyra i trupintuvo ir paalinami. iauniniuose trupintuvuose trupinimo procesas vyksta nuo trupinimo, skaldymo ir dalinio trynimo tarp dviejų iaunų.
Priklausomai nuo kinematinių ypatybių iauninius trupintuvus galima suskirstyti į dvi pagrindines grupes:
Trupintuvus su paprastu iaunos judesiu, kuriuose judesys nuo ekscentrinio veleno į judančią iauną perduodamas tam tikra grandine. Tokiu būdu kiekvienas mazgo takas juda tam tikra trajektorija (apskritimo lanku).
Trupintuvai su sudėtingu iaunos judesiu sudaro vieną kinematinę porą tarp ekscentrinio veleno ir judančios iaunos ir ios poros judėjimas vyksta udara trajektorija , daniausiai elipse.
Trupinimo plytos ilgaamikumas tiesiogiai priklauso nuo iaunos eigos vertikalios dedamosios.
Paprasto judesio trupintuvuose, kuriuose maa vertikali suspaudimo judesio dedamoji, trupinimo plytos ilgaamikumas keletą kartų didesnis nei sudėtingo judesio trupintuvuose. Kitas paprasto judesio trupintuvo privalumas yra tas, kad laimima daugiau jėgos virutinėje trupinimo kameros dalyje. Tai labai svarbu kai trupinama kalnų uolos ypatingai tvirta mediaga. Paprasto judesio iauninio trupintuvo trūkumu tampa palyginti maa virutinė trupinimo iaunos eiga. Didesnė judančios iaunos eiga, virutinėje trupinimo kameros dalyje, reikalinga tam, kad būtų utikrintas patikimas mediagos ugriebimas. Kuo didesni akmenys ukraunami, tuo didesnė turi būti eiga. i sąlyga nėra tokia aktuali apatinėje trupinimo kameros dalyje kadangi čia akmenys būna smulkesni ir savo matmenimis artimi produktui. Dėl ios prieasties judančios iaunos eiga trupinimo kameros apačioje sąlyginai turi būti maesnė.
Sudėtingo judesio trupintuvai pagal savo konstrukciją yra paprastesni , kompaktikesni . Jų gamybai reikia maiau metalo. Dėl udaro judesio ciklo virutinėje trupinimo kameros dalyje judesys vyksta pagal apskritimą, o apatinėje pagal elipsę.
iauniniai trupintuvai klasifikuojami pagal ukrovimo angos dydį. Markiruotėje nurodomas ukrovimo angos dydis ir ukrovimo angos plotis.
PAGRINDINIŲ PARAMETRŲ NUSTATYMAS
1.1. Ugriebimo kampo tikrinimas
Reikia patikrinti ar akmuo neioks i trupinimo kameros, tai įvertinam ugriebimo kampu ir vidinės trinties kampu.
1.1.1. Skaičiuojama trupinimo jėga
(1.1)
Čia k = 0,3 koeficientas, Ftrup aktyvus trupinamo paviriaus plotas
kur l2 = 2/3 L1
= 2/3 ∙ 0,841 = 0,561 m.
σp stiprumo riba sutrupintos mediagos itempimui, Mpa; σp = 6,5 Mpa.
Įvertinus atsargos koeficientą k = 1,5;
trupinimo jėga Pt = k ∙ Ptrup = 1,5 ∙ 0,81 = 1,215 Mpa.
Skaičiuojama jėgų P atstojamoji ,iūr. (1 pav.)
čia: a - ugrėbimo kampas.
1.1.3. Skaičiuojamos jėgos laikančios gabalą ir neleidiančios jam iokti
(1.3)
Čia f akmens trinties į metalą koeficientas
1.1.4.Tikrinama sąlyga ar akmuo neioks i akmenskaldės
(1.4)
Kaip matyti i gauto rezultato ugriebimo kampas yra pakankamas

1 pav. Ugriebimo kampas

2 pav. Trupinimo kameros skaičiavimo schema
1.2. Trupinimo kameros parametrų skaičiavimas
Skaičiuosiu nominalią judamos iaunos eigą, trupinimo laipsnį, akmenskaldės darbo auktį, ukrovimo angos plotį, smulkinimo kameros auktį, naudoju altinį [1], [3] iur. 2 pav.
1.2.1. Skaičiuojama ukrovimo angos matmenys ir minimali faktika judančios iaunos eiga
kur e = σsp /E - santykinis suspaudimas (1.5)
D maksimalus ukraunamo akmens skersmuo.
D = B ∙ 0,85 = 350 ∙ 0,85 = 297,5mm=0,2975m; čia B ukrovimo angos plotis, mm.
mm.; priimu d=50mm;d - didiausias
susmulkintų dalelių skersmuo, mm.
čia: i-trupinimo laipsnis.
Sk= 7 + 0,1d = 7 +0,1∙ 50 = 12mm.- judančios iaunos faktika eiga kameros apačioje.
Sb 0,03 ∙ B = 0,03 ∙ 350 = 10,5mm.- judančios iaunos faktika eiga kameros viruje.
e = d S = 50 26 = 24 akmenskaldės ikrovimo angos minimalus matmuo, mm. čia : S-faktika judančios iaunos eiga.
1.2.2. Akmenskaldės darbo auktis h:
mm (1.6)
čia: s iaunos apatinės dalies eiga, s = 22mm, a = 21o
1.2.3. Akmenskaldės ikrovimo angos minimalus matmuo e:
e = d s = 30 22 = 8 mm;
mm
mm
mm
čia: s iaunos apatinės dalies eiga, s = 22mm;
d didiausias susmulkintų dalelių skersmuo, mm.
D-
B-
i-
1.2.4. Smulkinimo kameros auktis.
mm. (1.7)
Priimu smulkinimo kameros auktį H = 710mm.
Ekscentrinio veleno sukimosi danis
is dydis reikalingas norint apskaičiuoti trupinimo kameros plotį ir variklio galingumą.
3,78aps/s;
3,79 aps/s.
Taip pat skaičiuoju sūkius pagal altinį[5]:
269 aps/min=4,48 aps/s (1.10)
iose fermulėse n ekscentrinio veleno sukiai, g` - mediagos kritimo pagreitis, h darbinis trupinimo auktis, s iaunos apatinės dalies eiga , a - ugriebimo kampas.
Priimu n = 4,0aps/s.
Ekscentrinio veleno sukimosi kampinis greitis:
rad/s. (1.11)
Variklio galingumo skaičiavimas
Skaičiavimus atliksiu pasinaudojant keleta formulių, ir pagal jas priimsiu variklio galingumą.
Skaičiuoju pagal Kirpičiovo-Kikos formulę:
1-
86,7kW; (1.12)
Skaičiuju pagal F.Bondo formulę:
2- N=720 ∙ L ∙ H ∙ r ∙ n = 720∙0,7∙0,71∙0,01∙4=14,3kW; (1.13)
(1.14)
Skaičiuju pagal empirinę V.A.Olevskio formulę:
(1.15)
Čia B ukrovimo angos plotis cm, L- ukrovimo angos ilgis cm.
Priimu artimiausią ,pagal parametrines charakteristikas duotąjai inyne, reikmę N = 40kW;
Parenku variklį AП 91-8 kurio galingumas 40 kW, nv = 730aps/min. [11]
DIRINĖS PAVAROS SKAIČIAVIMAS
Dirinė pavara naudojama perduoti sukimo momentą nuo variklio į ekscentrinį veleną, parenku plokčią dirą. Dirinės pavaros paprastai naudojamos derinyje su kitomis pavarų rūimis kampiniam greičiui sumainti.
altinis [11] , (3 pav.)
2.1. Nustatau varančiojo skriemulio skersmenį D pagal Saverino formul
D1 = (1150÷1350)
= (1150÷1350)
=
437÷513 mm; (2.1)
čia: N variklio galingumas, kW; n1 variklio apsisukimai, aps/min.
Pagal GOST priimu D1 = 450 mm.
2.2. Nustatau varomojo skriemulio skersmenį D2, imdamas santykinį slydimą ε = 0,01:
D2 = D1i ( 1- ε ) = 450∙3( 1-0,01) = 1337 mm;
Pagal GOSTą 1284-57 priimu D2 = 1300 mm.
2.3.Perdavimo skaičius pagal sūkius;
kur nvar-variklio
sūkiai; n-ekscentrinio veleno sūkiai. (2.2)
2.3.1 Patikslintas perdavimo skaičius i:
i =
(2.21)
2.4. Tarpainis atstumas A:
A = 1,5( D1 + D2 ) = 1,5( 450 + 1300 ) = 2625 mm. (2.3)

3 pav. Plokčio diro pavara
Nustatau diro ilgį L:
Gaubimo kampas α1:
Nustatau koeficientą Cα:
Surandu diro greitį v:
(2.4)
Nustatau koeficientą Cv:
Surandu duotom darbo sąlygom koeficientus
altinis[11]
Cr = 0,7, Cθ = 1.
Imdamas
apskaičiuoju k0:
Nustatau leitiną naudingą įtempimą kn :
2.10. Nustatau apskritiminę jėgą P:
(2.5)
Surandu reikiamą diro skerspjūvio plotą F:
(2.6)
Irenku gumuotą Б tipo dirą, rekomenduojamą,
kai v < 20 m/s;
Intarpų skaičius z = 6; diro storis δ:
= 1,5 ∙ 6 = 9 mm.
Patikrinu santykį
skaičiuotinas diro plotis
b:
Priimu pagal GOSTą 101-54 b = 200 mm; patikslinu diro skerspjūvio plotą F:
F = b∙δ =200 ∙ 9 = 1800 mm2. [11]
Nustatau diro akų įtempimą ir spaudimą į velenus:
Imu diro pradinius įtempimus σ0 = 1,77 MN/m2;
pradinį kiekvieno diro akos įtempimą S0 = σ0 ∙ F = 1,77 ∙ 106 ∙ 0,0018 = 3186 N;
Surandu darbinius akų įtempimus :
(2.7)
Spaudimas į velenus Q :
Q = 2∙S0∙sin /2 = 2∙3186∙sin80,5o = 7308 N.
SMAGRAČIO SKAIČIAVIMAS
I abiejų veleno galų statomi smagračiai. Smagračiai reikalingi norint padidinti sukimosi tolygumą ir suteikti judančioms iaunoms didesnę kinetinę energiją. Vienas smagratis toks kaip ekscentrinio veleno skriemulys, kitam gale maesnio diametro bet didesnio diametro smagratis, kurio kinetinė energija lygi kaip ir skriemulio.
altinis
Smagračio maksimalus ir minimalus kampinis greitis
wmax =wvid (1+δ/2 )=0,41(1+0,02/2)=0,4141rad/s;
wmin =wvid (1-δ/2 )=0,41(1-0,02/2)= 0,4059rad/s; kur
w vid-vidutinis kampinis greitis rad/s, d - smagračio sukimosi netolygumo koeficientas(0,015-0,035)..
3.2. Skaičiuojama smagračio masė m:
(3.1)
čia: D smagračio diametrą paimu i dirinės pavaros skaičiavimo
N variklio galingumas kW, g laisvo kritimo pagreitis m/s2, d - smagračio sukimosi netolygumo koeficientas, n smagračio sūkiai aps/min.
Kadangi smagračiai du tai m = 786/2 = 384kg.
3.3. Smagračio skerspjūvio plotas F:
(3.2)
Čia m smagračio masė, D smagračio skersmuo, g - metalo turinė masė.
3.4. Skaičiuojamas ratlankio storis h:
Priimu ratlankio plotį B = 0,5m ir skaičiuoju ratlankio storį
(3.3)
Priimu smagračio ratlankio storį h = 63mm.
3.5. Varomo skriemulio skerspjūvio plotas F1:
(3.4)
Čia m smagračio masė, D skriemulio skersmuo, g - metalo turinė masė.
3.6. Skaičiuojamas ratlankio storis h1:
Priimu ratlankio plotį B = 2,2 m ir skaičiuoju ratlankio storį
(3.5)
Priimu smagračio ratlankio storį h = 24mm.
PAGRINDINIŲ AKMENSKALDĖS ELEMENTŲ STIPRUMO SKAIČIAVIMAS
Stiprumo skaičiavimus atliksiu remdamasis altiniais [4], [5]. Pagrindiniai elementai tai akmenskaldės iaunos, ekscentriniai velenai ir apsauginės plytos.
4.1. Jėgų pagrindiniuose elementuose skaičiavimas
Jėgas apskaičiuosiu sumuodamas momentus apie takus A, B.
Skaičiuojama trupinimo jėga
(4.1.1)
Čia k = 0,3 koeficientas, Ftrup aktyvus trupinamo paviriaus plotas
kur l2 = 2/3 L1 = 2/3 ∙ 0,841 = 0,561 m.
σp stiprumo riba sutrupintos mediagos itempimui, Mpa; σp = 6,5 Mpa.
Įvertinus atsargos koeficientą k = 1,5;
trupinimo jėga Pt = k ∙ Ptrup = 1,5 ∙ 0,81 = 1,215 Mpa.
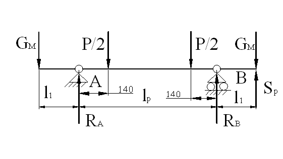
Skaičiuojamos judančią iauną veikiančios jėgos
(4 pav.) , altinis [8]
Atstumas nuo jėgos pridėjimo vietos iki judančią iauną laikančios aies
l1 = 1/3 L1 = 1/3 ∙ 841 = 280 mm;
Atstumas nuo trupinimo jėgos pridėjimo vietos iki apsauginės plytos rėmimosi į judančią iauną tako
L2 = 2/3 L1 = 2/3 ∙ 841 = 561 mm;
Čia g = 600; l1 ir l2 jėgų veikimo pečiai; L1 iaunos ilgis, L1 = 0,841 m.
- apsauginę plytą
veikianti jėga (4.1.2)
P2 = T2 = 0,56 MN;
P1 = Q ∙ l2/L1 = 1,215 ∙ 0,561/0,841 = 0,81 MN;
(4.1.3)
4 pav. Judančią iauną bei apsauginę plytą veikiančios jėgos
5 pav. Judančios iaunos skerspjūvis
Skaičiuojamas judančią iauną veikiantis momentas M1:
M1 = T1 ∙ l2 = 0,4045 ∙ 0,561 = 227 kN∙m.
čia: l2 jėgos veikimo petys
Skaičiuojamas iaunos atsparumas
Priimame iaunos skerspjūvio matmenis ( 5 pav. ) b = 840 mm = 84 cm;
b1 = h1 = h2 = 120 mm = 12 cm; h = h1 + h2 =12 + 12 = 24 cm.
iaunos skersojūvio plotas F = F2 + 3F1;
F1 = b1∙h1 = 12 ∙ 12 = 144 cm2;
F2 = b∙h2 = 84 ∙ 12 = 1008 cm2;
F = 1008 + 3∙144 = 1440 cm2 = 0,144 m2.
Atstumai nuo skerspjūvio svorio centro iki aies x-x :
y1 = 0,5∙h1 + h2 = 0,5∙12 + 12 =18 cm;
y2 = 0,5∙h2 = 0,5∙12 = 6 cm;
Atstumas nuo skerspjūvio krato iki aies x-x :
Y = ![]()
Skespjūvio ploto inercijos momentas aies x-x atvilgiu :
Skerspjūvio atsparumo momentas lenkimui :
Įtempimai iaunoje :
(4.1.5)
iauna turės stiprumo atsargą n = σn/σ0 = 120/53,7 = 2,2 tai utikrina stiprumo ribą (1,5).
Plienui 35 leistini įtempimai σn = 120 Mpa, kaip matome skaičiuoti įtempimai nevirija leistinų.
Apsauginės plytos skaičiavimas
Apsauginės plytos skaičiavime turime priimti atsargos koeficientą k = 1,3 maesnį u bendrą atsargos koeficientą, tam kad nuo perkrovimų lūtų apsauginė ploktė o ne kitos trupintuvo dalys. iam procesui ir naudojamos apsauginės plytos.( 4 pav.) altinis [5]
Apsauginę plytą veikianti jėga
b = 800 kampas tarp vaistiklio ir apsauginės plytos
(4.2.1)
Priimu T = 2,1 MN.
Apsauginės plytos stipruminis skaičiavimas
Skerspjūvio plotas F2 :
čia : σn = 70 MPa, leistini pilkojo ketaus СЧ15-32 įtempimai.
Storis a plytos prie pločio b2 = 600 mm:
(4.2.3)
Ilgis apsauginės plytos lpl = 342 mm.
Inercijos momentas :
(4.2.4)
Skersinis inercijos pjūvio spindulys:
(4.2.5)
Prie lankstumo λ = lpl / r = 34,2 / 0,64 = 53,4 ketui koeficientas φ = 0,52. literatūra [5]
Įtempimai veikiantys apsauginę plytą:
Tai aikiai virija leistinus įtempimus σn = 70 Mpa. Perskaičiuojam plytos storį a:
Priimu plytos storį a = 57 mm.
5. EKSCENTRINIO VELENO SKAIČIAVIMAS
Skaičiuojant ekscentrinį veleną naudojuosi literatūros altiniu
Skaičiuojamos ekscentrinį veleną veikiančios jėgos
Pagrindiniai apkrovimai sukeliantys velenų lenkimo deformacijas yra dirinės pavaros, bei iaunos ir atramu veikiatys apkrovimai. (6 pav.)
(5.1.1)
čia: m = 384kg smagračio masė, g = 9,81m/s2 laisvo kritimo pagreitis;
Skaičiuotina smagračio svorio jėga
Gsk = 2,26![]()
5.1.2. Skaičiuojamas sukimo momentas ant veleno
(5.1.2)
Čia N = 40kW variklio galingumas, n = 240 aps/min ekscentrinio veleno sukimosi danis.
6 pav. Ekscentrinio veleno skaičiavimo schema

7 pav. Lenkimo momentų epiūra
Dirine pavara perduodama jėga
(5.1.3)
čia: Ds = 1,4 m smagračio skersmuo.
5.1.4. Jėga veikianti veleną nuo dirinės pavaros
(5.1.4)
Skaičiuojama atraminės reakcijos jėga take A
(5.1.5)
čia: lp = 0,60m atstumas tarp veleno atramų, l1 = 0,2 m atstumas tarp veleno atramos ir smagračio svorio jėgos bei jėgos nuo dirinės pavaros pridėties tako.
5.1.6. Skaičiuojama atraminė reakcija take B
5.1.7. Skaičiuojamas ekscentrinio veleno lenkimo momentas
Skaičiuojami suminiai lenkimo momentai
(5.1.6)
Paskaičiavus lenkimo, sukimo ir suminius momentus braioma veleno epiūra ( 6 pav.)
Skaičiuojamas veleno minimalus skersmuo
Imamas plienas 35X, kurio stiprumo riba sB=916MPa, o didiausi leistini įtempimai
Imu veleno d = 200mm, kakliuko d1 = 0,75 ∙ d = 0,75 ∙ 200 = 150 mm ir tikrinu skaičiavimą
(5.2.3)
čia: M didiausi suminiai momentai ant atitinkamų veleno vietų.
Velenų stiprumas pakankamas.
6. TECHNINĖ DARBO SAUGA
Eksploatuoti trupintuvą leidiam tik asmenims , kuriems suėjo 18 metų, kurie praėję medicininę apiūrą ir yra tinkami į trupintojo pareigas. Turi turėti pakankamą techninių inių lygį, kad galėtų sėkmingai dirbti su trupintuvu.
Visi dirbantys su trupintuvais monės turi būti specisliai apmokyti. Apmokymo metu mokiniui dirbti su trupintuvu leidiama tik meistro prieiūroje.
Iki darbo pradios trupintojas turi įsitikinti ar jo darbo vieta atitinkavisus saugumo reikalavimus, patikrinti apsauginius įrenginius , instrumentus, mechanizmus ir kitus įrankius kurių gali prireikti darbo metu.
Visos judančios dalys ir mechanizmai turi turėti apsauginius gaubtus neleidiančius prisiliesti prie judančių dalių darbo metu.
Plakatai pagal saugumo techniką, perspėjantys enklai ir uraai turi būti gerai matomi ir nuvalyti nuo dulkių ir purvo. Prie paleidiant trupintuvą dirbti turi būti duotas perspėjantis signalas.
Jei trupintojas įranga paleidiama i tokios vietos, i kurios nesimato dalis įrangos garsinis signalas turi trukti nemaiau 10 sekundių. Po io signalo daroma ne maesnė kaip 30s pertrauka ir po signalo netrumpesnio kaip 30s pradedamas trupintuvo paleidimas.
Padidinto triukmo zonose turi būti dubliuota viesos signalizacija
Draudiama remontuoti judamas trupintuvo dalis ir aptvarus trupintuvui dirbant, o taip pat tepti , jei tepalinės neivestos į nepavojingą zoną.
Įstrigę trupintuve gabalai alinami kėlimo mechanizmais, traukti uolienos gabalus rankiniu būdu, daudoti kūjus ir lautuvus grietai draudiama,
Esant avariniam trupintuvo sustabdymui tolimesnis trupintuvo paleidimas leidiamas tik pagal specialiai parengtą instrukciją patvirtintą pagrindinėje ininerinėje tarnyboje.
Paalinti metalą i trupinimo kameros kalima tik esant asmeniui i techninės prieiūros tarnybos.
Remontuojant trupintuvą jo elektrinė schema turi būti prtraukta ir prie jungiklio sumontuotas plakatas su gerai matomu urau Nejungti dirba monės!.
Kiekvieno nelaimingo atvejo metu nukentėjęs ar įvykio liudininkas turi praneti apie nelaimingą įvykį techninės prieiūros asmeniui.
Trupintojas privalo reguliariai vesti uraus pamainų priėmimo ir perdavimo knygoje, esančioje jo darbo vietoje.
LITERATŪROS SĄRAAS
B .А. Бауман Механическое оборудование предприятии строительных материалов, изделии и конструкции. - M.: Maшиностроение, 1985.
J. Jurevičius, H. Sivilevičius Akmens madiagų trupinimo mainų skaičiavimas Vilnius, 1989. 24 p.
J. Jurevičius, D. Midvikis 1504 specialybės neakivaizdinio skyriaus studentų kursinio projekto i Statybos mainų ir montavimo įrenginių disciplinos iauninės akmenskaldės metodiniai nurodymai Vilnius, 1989. 16 p.
J. Jurevičius, M. Bogdevičius Statybos mainų praktikos darbai V.: Technika, 1991. 52 p.
Строительные расчеты. Примеры расчетов М.: Стройиздат, 1983. -
Statybos mainos V.:Mokslas, 1982 45p.
Б.В. Клушанцев, А.И. Касарев, Ю.А. Муйземнек лки. Конструкция, расчет, особенности эксплуатаций- М.: Машиностроение, 1981.
Строительные машены и оборудование M.: Высшая школа, 1987. - 376 с.
Механическое оборудование предприятии строительных индустрий М.: Стройиздат, 1973. -
Р.Д. Бейгельман и др. Справочьник М.: Машиностроение, 1975.
G. Ickovičius ir kt Mainų detalių kursinis projektavimas V.: Mintis, - 1967. - 594 p.
PRIEDAI
VILNIAUS GEDIMINO TECHNIKOS UNIVERSITETAS

Transporto technologinių įrenginių katedra
KELIŲ TIESIMO MEDIAGŲ GAMYBOS ĮRENGINIAI. KURSINIS DARBAS
iauninis trupintuvas
VILNIUS 2005
|
Politica de confidentialitate | Termeni si conditii de utilizare |
Vizualizari: 1876
Importanta: ![]()
Termeni si conditii de utilizare | Contact
© SCRIGROUP 2026 . All rights reserved