| CATEGORII DOCUMENTE |
| Aeronautica | Comunicatii | Electronica electricitate | Merceologie | Tehnica mecanica |
Circuite basculante bistabilede tip J-K si T
CBB-urile studiate pana acum sunt latch+uri imple MS, precum si posibilele retele realizate cu acestea depasesc nivelul circuitului combinational si pot fi considerate ca fiind circuite secventiale rudimentare datorita autonomiei limitate care nu ajunge sa se manifeste in evolutia starilor. Introducerea unor noi reactii de la iesire la intrarile date conduce la cresterea puternica a autonomiei, iar circuitele bistabile respective capata structura unui sistem logicsecvential adica devin automate elementare. Referindu-ne la clasificarea adoptata, acestea din urma pot fi considerate sisteme de ordinul 2, fata de latch-urile si circuitele MS de tip R-S care sunt sisteme de ordinul 1, sau cu circuite combinationale care sunt sisteme de ordin 0.
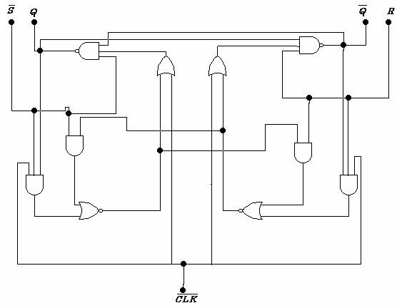
Circuitele J-K provin dintr-un circuit R-S la care se adauga 2 bucle de reactie totala prin intermediul unor porti AND sau NAND la intrare. Schema circuitului este.

Activarea intrarilor de reactie se face simultan cu semnalele de comanda eliminandu-se totodata nedeterminarea R=S=1 proprie circuitelor secventiale simple de ordinul 1.
Functionarea bistabilului J-K este dat in urmatorul tabel.
|
J |
K |
Qt |
Qt+1 |
|
|
Dupa tabelul de adevar se vede ca pentru cazul cand se aplica la interior J=0 ti K=1 bistabilul trece sau ramane in starea 2=0, iar atunci cand J=1 si K=0 bistabilul trece sau ramane in starea Q=1. Cu alte cuvinte intrarea J indeplineste rolul de punere pe 1 (set) pe cand intrarea K indeplineste rolul de punere pe 0, (reset) a bistabilului. Conform tabelului de adevar bistabilul functioneaza si daca la ambele intrari se aplica J=K=1. In acest caz bistabilul isi modifica starea cu conditia alegerii corecte a duratei comenzii. Este necesar ca durata semnalului de comanda sa fie mai mare decat timpul de propagare printr-o poarta si mai mic decat timpul de propagare prin doua portifapt vare se realizeaza prin deschierea altor doua porti AND si NAND. Cu ajutorul unui impuls de durata determinata se obtine astfel bistabilul J-K sincron care are o intrare suplimentara de tact.

Comparand schema circuitului bistabil JK cu modelul unui circuit secvential se vede ca cele doua sisteme sunt echivalente, adica bistabil de tip J-K constituie un veritabil automat finit sau automat elementar sistemului de ordin 2. In comparatie cu bistabilul JK bistabilele de tip R-S sunt retele de asemenea circuite constituie structuri de ordinul 1. In mod similar ti pentru aceleasi considerente ca cele facute in cazul circuitelor RS-MS, se realizeaza si se folosesc foarte mult circuitul bistabil J-K simplu, in aceste circuite se elimina nedeterminantul J=K=1 si in acelasi timp se elimina si necesitatea dimensionarea judicioasa a duratei impulsului de tact, tranzitiile starilor la iesiri avand loc pe frontul negativ al tactului. Datorita existentei circuitului de reactie starile logice de la iesirile Q si Q vor conditiona functionarea circuitului actionand asupra CL format din portile NAND care se deschid cand toate intrarile sunt 1 logic. Astfel lacircuitul de tip J-K in paralel cu evolutia iesirii, exista o evolutie in spatiul starilor ceea ce constituie principala caracteristica a sitemelor logice secventiale.

Ca si in cazul bistabilelor de tip RS-MS si la bistabilii de tip JK-MS trebuie sa se tina seama ca pentru comutarile corecte este necesar ca la intrarile Jsi K sa fie stabile in jurul frontului activ al tactului.
Toate tipurile de baza de circuite JK-MS sunt produse sub forma integrata in capsula cu doua randuri de pini. De regula asemenea circuite au si intrari prioritare de tip preset si clear dar care, evident, nu pot fi niciodata activate simultan. In productia curenta se fac circuite JK-MS cu una sau mai multe intrari J si respectiv una sau mai multe intrari K in functie de aplicatiile unde se folosesc.
Schema logica si respectiv conexiunile pa pinii capsulei circuitului integrat.

Se vede ca in desenul de mai jos, in cazul acestui bistabil intrarile J si K sunt legate impreuna, deci circuitul are o singura intrarede date, T si una sau amandoua din iesirile Q si Q disponibile.

Functionarea CBB de tip 7 este indicata de tabelul de adevar alcatuit pentru iesirea Q si care corespunde unrmatoarelor ecuatii logice de functionare.
Se vede ca daca intrarea T se afla in stare logica 0, anterioara impulsului de tact, iesrea Q nu se modifica la aplicarea tactului (CLK=1). Daca intrarea t s afla in starea 1, atunci in urma aplicarii tactului iesirea Q trece in starea complementara Q. Astfel bistabilul comuta in starea complementara mereu in urma aplicarii unui impuls de tact. Revenind la sratea initiala dupa fiecare doua impulsuri aplicate la intrarea de tact. Aceasta proprietate face ca bistabilii de tip T sa fie foatre multi utilizati in constructia numaratoarelor electronice si in alte circuite secventiale la care este necesara operasia de divizare a numarului impulsurilor de la intrare.
|
T |
Qt |
Qt+1 |
Rezulta din cele aratate ca bistabilul T nu indeplineste functia de memorie propriutisa avand un comportament determinat atat de intrarea de date cat si de stare (Qt) in care se afla. Pentru ca sa treaca de starea complementara, bistabilul trebuie sa stie in ce stare se afla la (la iesire) deci informatia de la iesire treuie adusa la intrarea prin bucla de reactie (cu care este inzestrat bitabilul J-K in general) si in acelesi timp sa tina seama de ce comanda se aplica la intrare. Astfel bistabilul de tip T constituie cel mai simplu automat.
Bistabilii de tip T se construiesc de regula cu bistabili J-K de tip master-slave ingloband astfel toate avantajele pe care asemenea circuite le comfera. De altfel familiile curente de circuite integrate nu contin bistabili de tip T care insa pot fi construiti legand impreuna intrarile J si K
(J=K=1).
|
Politica de confidentialitate | Termeni si conditii de utilizare |
Vizualizari: 3708
Importanta: ![]()
Termeni si conditii de utilizare | Contact
© SCRIGROUP 2026 . All rights reserved