| CATEGORII DOCUMENTE |
| Aeronautica | Comunicatii | Electronica electricitate | Merceologie | Tehnica mecanica |
Masurarea puterii active in curent alternativ monofazat cu wattmetrul electrodinamic
Problema 5.3.
Sa se justifice posibilitatea utilizarii
dispozitivului electrodinamic la masurarea puterii active. Pentru masurarea
puterii la bornele unui receptor alimentat in curent alternativ monofazat se
foloseste un wattmetru electrodinamic caracterizat prin:
,
,
diviziuni,
,
. Sa
se determine puterea activa, puterea reactiva, si puterea aparenta la bornele
sarcinii precum si factorul de putere al acesteia stiind ca indicatia
wattmetrului este
diviziuni, iar tensiunea de alimentare si
curentul absorbit de receptor au valorile efective
si respectiv
.
Rezolvare Dispozitivul electrodinamic poate fi utilizat la masurarea puterii active, daca bobina fixa numita "de curent" se conecteaza in serie cu sarcina, iar bobina mobila inseriata cu o rezistenta aditionala se conecteaza in paralel la bornele sarcinii (figura 5.3.A)
Deoarece
se considera
in faza cu
tensiunea U (figura 5.3.B.). De asemenea in majoritatea aplicatiilor se
neglijeaza caderea de tensiune la bornele bobine de curent astfel incat
.
Indicatia dispozitivului electrodinamic in curent alternativ este:
![]()
![]()
in care:
reprezinta constanta wattmetrului.
Numeric:
Puterea masurata:
Factorul de putere al sarcinii este:
Puterea reactiva la bornele receptorului se exprima prin:
Puterea aparenta:
Eroarea relativa procentuala limita la masurarea puterii cu wattmetrul are valoarea:
Observatie Se obtin diferite domenii pentru tensiune la wattmetru prin modificarea valorii rezistentei aditionale. Pentru curent sunt doua domenii corespunzatoare celor doua moduri de conectare, serie sau paralel, ale celor doua parti ale bobinei fixe.
Problema 5.4.
Un wattmetru electrodinamic se caracterizeaza prin:
,
,
,
,
diviziuni.
Sa se determine eroarea maxima de indicatie, constanta aparatului, factorul de
putere nominal, puterea masurata si eroarea relativa procentuala limita, daca
deviatia acului indicator este de 70 diviziuni.
Rezolvare
Din expresia clasei de precizie:
se determina eroarea maxima de indicatie:
Constanta wattmetrului:
Factorul de putere nominal:
Puterea masurata de aparat:
Eroarea relativa procentuala limita asupra rezultatului masurarii:
Problema 5.5.
Valorile efective ale tensiunii la borne si ale
curentului absorbit de un receptor alimentat in curent alternativ la frecventa
de 50Hz sunt:
si
, iar
puterea reactiva disipata
. In circuitul acestui
consumator se conecteaza un wattmetru electrodinamic (figura 5.5.A.)
caracterizat prin:
,
,
,
,
diviziuni.
Sa se exprime dependenta indicatiei aparatului de frecventa si sa se calculeze
variatia acesteia la o crestere cu 20% a frecventei in raport cu valoarea
nominala.
Se determina defazajul sarcinii (figura 5.5.B.c):
, deci
.
La functionarea wattmetrului in curent
continuu deviatia este
in care
si
sunt curentii prin cele doua bobine, fixa si
mobila.
Pentru deviatia maxima se poate scrie:
, din
care:
La functionarea in curent alternativ deviatia
echipajului mobil se exprima prin:
![]()
Din diagrama fazoriala (figura 5.5.B) se observa
ca
in care
este defazajul sarcinii iar ![]()
Pentru
:
Deci:
La frecventa nominala de
se obtine:
O crestere a frecventei cu 20% nu modifica practic
indicatia aparatului. Pentru
, se
obtine:
Problema 5.6.
Pentru masurarea puterii active la bornele unui receptor de curent
alternativ monofazat se utilizeaza un wattmetru electrodinamic avand:
,
,
diviziuni,
,
,
,
. Pentru a
se tine seama si de consumul wattmetrului in schema circuitului de masurare mai
sunt conectate (figura 5.6.) un ampermetru si un voltmetru caracterizate
prin
,
di-viziuni,
,
,
,
,
,
divizi-uni.
Daca indicatiile celor trei aparate sunt
diviziuni,
diviziuni,
diviziuni, sa se determine puterea la bornele sarcinii,
factorul de putere nominal al wattmetrului si eroarea relativa maxima probabila
asupra rezultatului masurarii daca rezistentele interne ale aparatelor au
valorile cunoscute cu o eroare relativa procentuala limita de 0,5%.
Rezolvare
Prin definitie, puterea activa este partea reala a puterii aparente complexe. Cu notatiile din figura 5.6 puterea masurata de wattmetru se exprima astfel:
Din care:
Curentul indicat de ampermetru este:
Puterea masurata de wattmetru are valoarea:
Deci:
Factorul de putere nominal al wattmetrului se determina din:
Se obtine:
Rezistenta sarcinii:
Pentru a determina eroarea relativa
maxima probabila asupra rezultatului masurarii se aplica metoda diferentierii
logaritmice, considerandu-se
functie de variabilele
,
, I,
.
Se logaritmeaza expresia puterii la bornele sarcinii:
Se diferentiaza membru cu membru:
In membrul drept se fac artificii de
calcul pentru a se obtine ca factori, diferentialele logaritmice ale marimilor
functie de care s-a exprimat
.
Se poate scrie:
Se tine seama ca:
si
.
Rezulta:
Pentru a se obtine eroarea relativa maxima probabila asupra rezultatului masurarii in cazul cel mai defavorabil cand termenii de eroare se cumuleaza, se inlocuiesc in membrul drept diferentialele logaritmice prin erori relative maxime, schimbandu-se totodata semnul factorilor negativi.
Avand in vedere expresiile prin care sunt definite erorile relative procentuale limita:
;
; ![]()
se obtine:
Se observa ca abaterile datorate tolerantelor rezistentelor
interne ale aparatelor nu modifica esential precizia rezultatului masurarii.
Problema 5.7.
Cu montajul prezentat in figura 5.7. se masoara
puterea la bornele unui receptor de curent alternativ monofazat. Folosin-du-se
aceleasi date ca la problema 5.6. sa se determine puterea activa la bornele
sarcinii si eroarea relativa maxima probabila exprimata in procente, asupra
rezultatului masurarii.
Prin definitie:

Din problema 5.6. se cunoaste
Voltmetrul masoara tensiunea:
Puterea activa la bornele sarcinii este:

Rezistenta sarcinii:
Se aplica metoda diferentierii logaritmice:
Daca se tine seama ca:
si 
se obtine:
Se inlocuiesc in membrul drept diferentialele logaritmice prin erori relative maxime si se schimba semnul factorilor negativi.
Pe baza relatiilor care definesc erorile relative
procentuale limita:
se obtine:
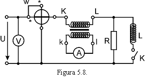
Problema 5.8.
Caracteristicile aparatelor utilizate in montajul reprezentat in figura 5.8. sunt urma-toarele:
- pentru voltmetru:
,
diviziuni;
pentru
wattmetru:
,
,
,
diviziuni;
pentru
ampermetru:
,
diviziuni,
,
;
pentru
transformatorul de masura de curent:
,
,
la
,
la
.
Daca intrerupatorul K este
deschis indicatiile voltmetrului si wattmetrului sunt:
diviziuni
si
diviziuni.
Se inchide K si se constanta ca
indicatiile wattmetrului si voltmetrului raman neschimbate, iar ampermetrul
indica
diviziuni.
Considerandu-se bobina ideala sa se determine factorul de putere al sarcinii si
eroarea relativa procentuala limita totala la masurarea curentului din infasurarea
primara a transformatorului.
In situatia K deschis, puterea masurata de wattmetru este:
Sarcina fiind rezistiva, se determina curentul prin infasurarea primara
a transformatorului de masura de curent cu relatia:
S-a folosit:
Dupa inchiderea intrerupatorului K, intensitatea curentului in infasurarea primara a transformatorului de curent este:
Puterea activa la bornele sarcinii ramane aceeasi, deci:
din care:
Se apreciaza clasa de precizie cu care functioneaza transformatorul de curent, calculand impedanta nominala de sarcina din secundarul acestuia.
Pentru
, rezulta ![]()
Pentru
, se
obtine ![]()
Deoarece
, se
considera ![]()
Eroarea limita de indicatie a ampermetrului:
Eroarea relativa procentuala limita totala la masurarea curentului de sarcina este:
|
Politica de confidentialitate | Termeni si conditii de utilizare |
Vizualizari: 3231
Importanta: ![]()
Termeni si conditii de utilizare | Contact
© SCRIGROUP 2025 . All rights reserved