| CATEGORII DOCUMENTE |
| Aeronautica | Comunicatii | Electronica electricitate | Merceologie | Tehnica mecanica |
Motorul Asincron Trifazat
Generalitati :
Masina Asincrona
este o masina de c.a care are o turatie
variabila in sarcina, la o frecventa
Cele mai raspandite masini asincrone sunt cele fara colector denumite si masini de inductie , si utilizate ca motoare aproape in exclsivitate.
Motoarele asincrone monofazate sunt folosite cel mai des in echipamente gospodaresti : ventilatoare, aspiratoare , masinii de spalat .
Masina asincrona poate sa fie cu - rotor bobinat (cu inele colectoare)
rotor in scurt circuit.
Statorul are rolul de a produce campul magnetic inductor.
Este format din carcasa miez magnetic , infasurari.
Grupele de bobine se leaga intre ele iar infasurarea de faza are numai doua capete scoase la placa de borne.
T.e.m care se induc in infasurarile de faza formeaza un sistem simetric si echilibrat numai daca infasurarile au acelasi numar de spire , iar bobinele acestora se succed in aceasi ordine sub toti poli.
Rotorul poate fi : - cu infasurare bobinata.
- cu infasurare din bare in scurt circuit.
Infasurarile pentru rotorul bobinat se executa din bobine similare bobinelor folosite la realizarea infasurarilor statorice .
Infasurarea pentru rotoarele in scurt circuit sunt formate din bare neizolate.
Particularitati constructive ale Motoarelor Asincrone Monofazate:
Se realizeaza pentru puteri sub 1KW.
Statorul este realizat cu poli inecati sau poli aparenti iar rotorul este realizat in colovie.
Ecuatii de functionare :
- componenta active a curentului de functionare in gol

- curentul de functionare in gol
![]()
- factor de puter

Parametrii corespunzatorii regimului de scurtcircuit ;
- rezistenta echivalenta scurtcircuit
![]()
- reactanta de scurtcircuit
![]()
- c1 coeficient de corectie

![]()
Pentru motor fazat in rotor rezulta :
![]()
Cuplul electromagnetic devine :

Cuplul de pornire de forma :

![]()

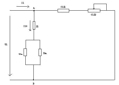
Schema echivalenta pentru o faza a masini asincrone

Exemplu ; MA cu parametri :
![]()
![]()
![]()
Curentul rotoric la alunecare s=(1500-1450)/1500=0,033 este:

Tensiunea indusa este
Curentul statoric este dat de relatia :

Din relatia de mai sus rezulta :
![]()
Cuplul electromagnetic are expresia :
![]()
Randamentul in regim de motor , se poate calcula usor astfel :
![]()
Curentul la pornire se calculeaza :

deci ![]()
sau valoarea aproximativa din schema echivalenta simplificata :
![]()
Cuplul la pornire se obtine astfel :
Factorul de putere la pornire se calculeaza astfel :
![]()
si deci ![]()
sau,mai simplu ![]()
Bibliografie :
-Marius Babescu - ''Electrotehnica culegere de probleme'' .
- Aurel Campeanu - ''Masini electrice''.
- Ion Vlad ; Sorin Enache '' Utilizarea metodelor numerice in proectarea masinilor electrice de tractiune " Editura " Sitech Craiova" 2000
|
Politica de confidentialitate | Termeni si conditii de utilizare |
Vizualizari: 2751
Importanta: ![]()
Termeni si conditii de utilizare | Contact
© SCRIGROUP 2025 . All rights reserved