| CATEGORII DOCUMENTE |
| Aeronautica | Comunicatii | Electronica electricitate | Merceologie | Tehnica mecanica |
Oscilatoare RC

Oscilatoarele armonice RC se pot realiza cu
circuite cu reactie pozitiva, conform fig.1; pentru amorsarea si intretinerea oscilatiilor
este necesara indeplinirea conditiei lui Barkhausen:
(1).
Relatia 1 trebuie indeplinita atat in
faza cat si in modul. Din conditia de faza
sau
(2) se deduce frecventa de oscilatie,
iar din conditia de amplitudine :
(3), se deduce conditia de amorsare a oscilatiilor.
Schema de principiu a unui oscilator cu retea de defazare este desenata in fig.3, in care amplificatorul, de tip inversor, poate fi realizat cu tranzistoare.
Presupunand ca amplificatorul de
baza are impedanta de intrare foarte mare (
) si impedanta de iesire foarte mica (
)si ca reteaua de reactie de tipul trece
sus este formata din trei celule identice, se deduc urmatoarele
relatii:
- din conditia ca reteaua de defazare sa realizeze
un defazaj de 1800 pe frecventa de oscilatie, relatia
(2), se determina frecventa de oscilatie:
(4).
- din conditia de amorsare a oscilatiilor, relatia
(3), se obtine conditia:
(5).
Amplitudinea oscilatiilor
este determinata de limitarea prin intrarea in saturatie sau in
blocare a tranzistoarelor amplificatorului de baza, mai precis a
tranzistorului care lucreaza la nivel mare. In cazul schemei
amplificatorului din fig.6, limitarea
amplitudinii oscilatiilor se produce pe tranzistorul
. In fig.4 sunt
reprezentate situatiile posibile de limitare a amplitudinii de
oscilatie in functie de pozitia punctului static de
functionare a tranzistorului
(pentru comparare, s-a
presupus ca dreptele de functionare dinamica au aceeasi
panta cu cea a dreptei de functionare statica si nu se
modifica).

Avand in vedere selectivitatea redusa a
retelelor RC in comparatie cu cea a retelelor LC, forma de
unda nu este sinusoidala decat la limita de amorsare a
oscilatiilor; pe masura ce se intra in
neliniaritatile amplificatorului, formele de unda sunt
distorsionate iar frecventa de oscilatie scade sub frecventa de
acord a retelei de reactie.
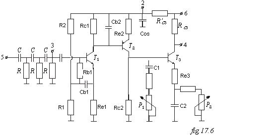
1. Se identifica circuitul din fig.6, cu ajutorul caruia se poate realiza un oscilator cu retea de defazare trece sus. Amplificatorul de baza este realizat cu trei tranzistoare cuplate direct, cu reactii negative locale atat pe curent continuu cat si pe curent alternativ (pentru a realiza o independenta a amplificarii de tensiune de punctele statice de functionare); intrarea amplificatorului de baza este de impedanta marita, prin bootstraparea circuitului de polarizare.

Cu
ajutorul potentiometrului
, amplificarea de tensiune relativa la borna de
iesire a amplificatorului (borna 4) va fi cuprinsa intre -25 si
-40 (valori aproximative); cu ajutorul potentiometrului
se regleaza
pozitia punctului static de functionare al tranzistorului
, ceea ce va determina limitarea amplitudinii
oscilatiilor prin intrarea acestui tranzistor in saturatie, in
blocare sau, simultan, atat in saturatie cat si in blocare.
Valorile elementelor de circuit:
R1 = 5kW R2 = 45kW
RB1 = 10kW RC1 = 5,6kW RE1 = 1kW
RE2 = 0,33kW RC2 = 0,9kW
Ra = 0,56k; R'os = 100W RE3 = 100W
P1 = 4 - 16kW P2 = 250W
Cb1 = 1mF; Cb2 = 100pF; C1 = 10mF; C2 = 10mF; Cos = 1mF.
2. Se alimenteaza circuitul cu
= 12V (la borna 2)
si se masoara punctele statice de functionare ale
tranzistoarelor. Se calculeaza valorile limita ale amplificarii
de tensiune a amplificatorului de baza, pentru cele doua valori
extreme ale potentiometrului
, cu relatii aproximative.
|
PSF |
Ic(mA) |
|UCE| (V) |
|
T1 | ||
|
T2 | ||
|
T3 |
Pentru
intre 1kW si 20kW : A are valori intre -22 si -40.
3. Se considera la intrarea circuitului de defazare (borna 5) un generator de frecventa variabila si de valoare eficace 1V si se masoara caracteristica de transfer a retelei de defazare. Se determina frecventa la care reteaua de defazare asigura un defazaj de 1800 cu ajutorul figurilor Lissajous. Se traseaza grafic caracteristica de transfer si se determina factorul de calitate al circuitului, precum si atenuarea la frecventa de acord. Se vor verifica relatiile (4) si (5) pentru frecventa de oscilatie si pentru atenuarea la frecventa de acord.
= 95.2 Hz (cu
relatia(4), in care R = 6.8kW si C = 0.1 mF)
fosc = 95 Hz, determinata cu ajutorul figurilor Lissajous.
Atenuarea masurata la frecventa de acord: br = 0,0346, pentru care A = 1/br 29, ceea ce verifica si relatia (5).
Circuitul de defazare este reprezentat in figura :

Pe osciloscop a fost vizualizata figura Lissajous pentru f = 95 Hz :

Aplicandu-se generatorul cu
valoarea efectiva 1V, pentru domeniul de frecventa 32 - 127 Hz s-au determinat
caracteristica de transfer in amplitudine:

respectiv in faza:
4. Se aplica, la borna 3, un generator
de semnal sinusoidal cu amplitudinea
reglabila
si cu
frecventa de acord a retelei de reactie. Se regleaza
potentiometrul
pe valoarea
maxima (amplificare de tensiune maxima) si se regleaza
potentiometrul
astfel incat punctul
static de functionare al tranzistorului
sa se afle la
mijlocul plajei dinamice maxime (la marirea tensiunii de intrare,
limitarea tensiunii de iesire sa se produca simultan sus si
jos), cand
.
Se va ridica curba
, masurand amplificarea de tensiune pentru diferite
valori ale tensiunii de intrare aplicate la intrare, la borna 3.
Pentru o amplificare egala, in modul, cu
atenuarea de la frecventa de acord a retelei de reactie, se determina
amplitudinea de oscilatie,
.
Se repeta masuratorile si
determinarile pentru o pozitie intermediara a
potentiometrului
( dar cu
); se constata ca noua valoare a amplitudinii de
oscilatie ,
, va fi diferita
de valoarea
, determinata anterior; se va justifica acest lucru.
P1 = 16kW
|
Ui (mV) |
|A| |
|
| |
Uosc = 128mV * 29 = 3,7V
P1 =4kW
|
Ui (mV) |
|A| |
Uosc' = 122 mV * 29 = 3,53V.
5. Se regleaza potentiometrul
astfel incat punctul
static de functionare al tranzistorului
sa se afle la
jumatatea plajei dinamice. Se
conecteaza intrarea retelei de reactie la iesirea
amplificatorului si se regleaza potentiometrul
(in sensul
maririi amplificarii de tensiune) pana la aparitia
oscilatiilor. Se vizualizeaza forma de unda de la iesirea
circuitului si se masoara frecventa de oscilatie cu un
frecventmetru numeric sau pe osciloscop, cu ajutorul figurilor Lissajous.
Formele de unda obtinute :
Uosc = 2,98V.
Se mareste amplificarea de tensiune
si se constata deformarea formei de unda de la iesire;
pentru
=
= 20 kW, se masoara frecventa de oscilatie. S-a
obtinut fosc = 121 Hz.
Formele de unda de la iesire in acest
caz :
Se compara valorile masurate cu cele
calculate cu relatia (4) si cu frecventa de acord a circuitului
de reactie masurata la punctul 2; se masoara
amplitudinea de oscilatie si se compara cu valoarea
determinata la punctul 2 pentru pozitii similare ale
potentiometrelor
si
.
Uosc = 2,82V, fosc = 98Hz, valori comparabile cu cele anterioare.
6. Se vizualizeaza caracteristica
dinamica a circuitului aplicand pe placile orizontale ale osciloscopului tensiunea de la
borna 5 (tensiunea de pe colectorul tranzistorului de iesire al
amplificatorului de baza) si pe placile verticale o tensiune
proportionala cu curentul de colector al tranzistorului
,
, culeasa de pe rezistenta
(la borna 6, pe curent
alternativ).
Potentiometrul
va fi pe pozitia
maxima si se va studia efectul pozitiei punctului static de
functionare al tranzistorului
(modificand
potentiometrul
) asupra caracteristicii dinamice si se va deduce
amplitudinea de oscilatie pentru pozitiile extreme ale
potentiometrului
; se vor face corelatii cu rezultatele obtinute la
punctul 4.
Pentru P2 = P2min = 70W
Pentru P2 = 250W
Pentru P2 = P2max = 1kW
|
Politica de confidentialitate | Termeni si conditii de utilizare |
Vizualizari: 1254
Importanta: ![]()
Termeni si conditii de utilizare | Contact
© SCRIGROUP 2025 . All rights reserved