Stabilizatoare
de tensiune continua
Scopul lucrarii
In lucrare sunt studiate diferite configuratii de circuite stabilizatoare
de tensiune continua, analizandu-se functionarea elementelor constituente.
Introducere teoretica
Circuitele stabilizatoare de tensiune
continua sunt circuite care asigura la iesirea lor o tensiune constanta in
conditiile in care tensiunea la intrare si sau curentul debitat in sacina variza. Stabilizatoarele se
interconecteaza intre redresor si circuitele care trebuiesc alimentate cu o
tensiune constanta, dupa cum este ilustrat in figura urmatoare:
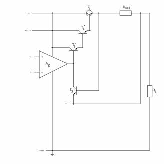
Un circuit stabilizator de
tensiune are in structura sa urmatoarele parti componente principale:
Referinta de tensiune (un circuit
capabil sa furnizeze o tensiune
, constanta, independenta fata de variatiile tensiunii de
alimentare
, temperaturii, etc.).Amplificator de eroare (un amplificator
diferential care realizeaza functia
).
Element de reglaj serie (poate fi
paralel pentru unele configuratii - unul sau mai multe trranzistoare in
configuratie Darlington; joaca rolul unui amplificator de curent, capabil sa
furnizeze curentul necesar in sarcina. El dicteaza curentul si tensiunea de
iesire ale stabilizatorului).Circuit de protectie (preia o parte din curentul
de iesire al amplificatorului de eroare pentru a evita depasirea valorii maxim
admisibile a curentului prin elementul de reglaj serie).Deci stabilizatorul
este, de fapt, format din doua parti:circuitul de stabilizare propriu-zis,circuitul
de limitare a curentului la iesire.
Exista doua configuratii de
circuite stabilizatoare:pentru tensiuni de iesire mai mici decat tensiunea de referinta, pentru tensiuni de iesire mai mari decat tensiunea de referinta. Pentru limitarea curentului de iesire se folosesc cu 

preponderenta doua metode:limitarea
la o valoare fixa a curentului de iesire
(prin deschiderea unui tranzistor
din circuitul de protectie atunci cand curentul de iesire depaseste aceasta valoare),limitare prin intoarcere a curentului de iesire (curentul prin
circuitul de protectie micsoreaza curentul ce intra in circuitul de reglaj serie).
Descrierea
lucrarii
Macheta folosita
permite interconectarea celor doua etaje (stabilizator si limitator) in oricare
din cele patru situatii posibile. Aceasta macheta este alimenta de la o sursa
de tensiune continua. Caracteristica de transfer a referintei de tensiune este prezentata in figura urmatoare:
Graficul lui VR
in functie de VI:

Din cele patru
configuratii posibile se studiaza doar una: stabilizator cu
si limitare la o
valoare fixa a curentului de iesire

Se ridica caracteristica de transfer (
) pentru doua valori ale rezistentei de sarcina:

VI1min=10V VI2min=9V 
V01=4,8V V02=4,7V
Se fixeaza referinta de tensiune (
,
) si se ridica
caracteristica de iesire
prin modificarea
sarcinii pe care lucreaza stabilizatorul. Pentru fiecare sarcina se masoara
potentialul in emitorul tranzistorului T2 :
|
valoare orientativa
|
|
|
|
|
|
|
|
|
valoare exacta
|
|
|
|
|
|
|
|
|

|
|
|
|
|
|
|
|
|

|
|
|
|
|
|
|
|
|

|
|
|
|
|
|
|
|
|

|
|
|
|
|
|
|
|
I01=0,184V I02=0,545V 
V01=4,8V V02=4,7V
Caracteristica de
iesire:
