| CATEGORII DOCUMENTE |
| Aeronautica | Comunicatii | Electronica electricitate | Merceologie | Tehnica mecanica |
bUCSA GHIDARE MATRITA
descrierea piesei
Piesa "Bucsa ghidare matrita" este o piesa de rotatie, obtinuta prin strunjire pentru toate suprafetele.
Piesa
face parte din constructia unei stante combinate, care se foloseste la o
operatie tehnologica de presare la rece la o tabla de
Ulterior operatiilor de strunjire analizate in prezenta lucrare, se vor executa operatiile de tratament termic si rectificare, piesa fiind solicitata la uzura.
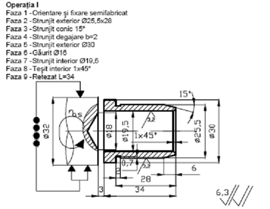
Din desenul de executie a piesei si datele inscrise in indicator, se observa ca piesa "Bucsa ghidare matrita" este o piesa de rotatie, se executa prin strunjire dintr-un semifabricat laminat din otel OLC 45.
Piesa are o forma constructiva tehnologica simpla alcatuita dintr-o succesiune de cilindri. Este suficienta o singura proiectie, reprezentata in sectiune longitudinala completa pentru a intelege forma si dimensiunile acesteia.
Forma constructiva - tehnologica este compusa din:
un
cilindru cu diametrul Ø30 mm, pe o lungime de
un cilindru Ø25,5 pe o lungime 22 cu o tesitura 1x45;
un trunchi de con cu baza Ø25,5 si generatoarea inclinata la 15;
un
canal cilindric exterior de lungime
un
cilindru interior avand diametrul Ø19,5 pe lungimea piesei de
Cotele netolerate ale piesa se inscriu in clasa de executie mijlocie. In timpul prelucrarii la astfel de piese trebuie respectata coaxialitatea suprafetelor cilindrice.
Fiind vorba de o piesa de rotatie cotarea este simpla, se foloseste o singura suprafata de cotare, ceea ce simplifica executarea piesei.
In concluzie piesa "Bucsa de ghidare" este tehnologica si nu ridica probleme de executie.
Alegerea materialului
Materialul piesei "Bucsa ghidare matrita" este OLC 45, care este un otel pentru tratamente termice, de rezistenta ridicata si tenacitate medie, cum r fi: discuri, arbori, biele, coroane dintate, piese supuse la uzura axe, suruburi, piulite) si pieselor fara rezistenta mare in miez. Acest otel se mai numeste si otel carbon de calitate, pentru ca are un grad ridicat de puritate si o compozitie chimica fixata in limite stranse, asigurand o constanta a caracteristicilor de calitate obtinute prin tratamente termice (de imbunatatire - calire si revenire). Notarea marcilor de otel de uz general se face prin simbolul OLC (otel carbon de calitate) urmat de doua cifre care reprezinta in sutimi de procente, continutul mediu de carbon (astfel, OLC 45 are continutul mediu de carbon 0,45 %).
a) Compozitia chimica a materialului
Conform STAS 880 - 80, compozitia chimica a otelului OLC 45 este indicata in tabelul urmator
|
Marca otelului |
Compozitia chimica % |
|||
|
C |
Mn |
P |
S |
|
|
OLC 45 |
Max. 0,045 |
Max. 0,040 |
||
b) Caracteristici mecanice si tehnologice (conform STAS 880 - 80)
|
Marca otelului 16≤Ø≤40 |
Tratament termic |
Limita de curgere Rp0,2 [N/mm2] |
Rezistenta la rupere Rm [N/mm2] |
Alungirea la rupere A |
Rezilienta KCU J/cm2 |
|
OLC 45 |
CR |
Semifabricatul este o bucata de material sau o piesa bruta care a suferit o serie de prelucrari mecanice sau tehnice, dar care necesita in continuare alte prelucrari pentru a deveni o piesa finita.
Piesa finita rezulta in urma prelucrarii semifabricatului cu respectarea tuturor conditiilor impuse prin desenul de executie (forma, dimensiune, toleranta, calitatea suprafetelor).
Semifabricatul supus prelucrarii prin aschiere are una sau mai multe dimensiuni mai mari decat al piesei finite.
Surplusul de material care trebuie indepartat de pe suprafata semifabricatului poarta denumirea de adaos de prelucrare. Un semifabricat bun re cat mai multe suprafete identice cu ale piesei finite, iar adaosul de prelucrare este redus la minimum.
Principalele tipuri de semifabricate folosite la prelucrarea prin aschiere sunt
bucati debitate din produse laminate (bare, profile, sarme);
piese brute obtinute prin turnare;
piese brute forjate liber;
piese brute forjate in matrita (matritate);
produse trase la rece.
Din semifabricatele enumerate, unele sunt caracterizate de o precizie ridicata, cum ar fi cele matritate, cele presate, din pulberi si cele turnate (in special cele turnate sub presiune).
Alegerea unui anumit tip de semifabricat este legata de seria de fabricatie.
Semifabricatele turnate sau matritate nu pot fi folosite decat atunci cand numarul pieselor de acelasi tip prelucrat este mare.
In cazul piesei "Bucsa ghidare matrita" unde avem o productie individuala vom alege ca semifabricat bara laminata Ø32.
3. calculul adaosului de prelucrare
Adaosul total pe lungime
, unde:
- lungimea semifabricatului,
=
- lungimea piesei finite,
=

[mm]
Adaosurile de prelucrare (intermediare, simetrice) sunt:
[mm]
4. tehnologia de executie a piesei
Descrierea procesului tehnologic
Avand in vedere desenul de executie al piesei si conditiile tehnologice legate de functionarea piesei s-au stabilit operatiile de prelucrare cu fazele lor.
Operatia I
-
SDV - uri: cutit profilat 45, subler 0 -
Masina - unealta
Strungul SN400 este un strung de marime mijlocie iar prelucrarile pe acest strung au un caracter universal, putandu-se efectua toate operatiile de strunjire si filetare.
Turatiile axului principal se pot schimba cu ajutorul a doua manete, un ghidaj, pe partea laterala a batiului permite instalarea sablonului sau a unei piese etalon pentru cazul cand strungul este dotat cu dispozitiv hidraulic de copiere. Strungul SN400 se executa in patru variante care se deosebesc prin distanta dintre varfuri. La acest tip de strung este posibila montarea unui portcutit pe sania transversala permitand-ui prelucrarea unei piese cu doua cutite in acelasi timp contribuind astfel la marirea productivitatii.
Caracteristicile tehnice (dimensiuni liniare in mm):
distanta intre varfuri: 750; 1000; 1500; 2000;
inaltimea varfurilor: 200;
distanta maxima de strunjire: 400 deasupra ghidajelor;
diametrul maxim de prelucrare: 210 deasupra saniei;
conul alezajului axului principal: Morse nr. 6;
pasul surubului conducator: 12;
numarul de turatii distincte ale arborelui principal: 22;
turatia minima si maxima a axului principal: 12 . 1500.
turatiile strungului normal SN400: 12, 15, 19, 24, 30, 38, 46, 58, 76, 96, 120, 150, 185, 230, 305, 380, 480,600, 765, 955, 1200, 1500.
puterea/ turatia motorului principal: 7,5 kW/1000 rot/min;
puterea/turatia motorului deplasari rapide: 1,1 kW/1500 rot/min;
avansurile longitudinale minime si maxime: 0,046 - 3,52 mm/rot;
cursa maxima a caruciorului: 650, 900, 1400, 1900;
unghiul de rotire a saniei portcutit:
;
pasul surubului saniei transversale: 5.
Calculul regimului de aschiere
a) Generalitati
Procesul de aschiere este caracterizat de o serie de marimi care in totalitate formeaza regimul de aschiere. Principalele elemente ale regimului de aschiere sunt: adancimea de aschiere, avansul, viteza de aschiere.
Adancimea de aschiere se noteaza cu litera "t" si reprezinta grosimea stratului de material din adaosul de prelucrare care se indeparteaza de pe suprafata semifabricatului la trecerea sculei aschietoare. Se masoara in mm.
Avansul "s" reprezinta marimea deplasarii pe care o executa scula (in cazul strungului) in scopul indepartarii unui nou strat de pe suprafata piesei. Se masoara in mm/rot. Avansul se alege cat mai mare pentru o productivitate mare de aschiere (degrosare) si cat mai mic pentru obtinerea unei calitati bune a suprafetei prelucrate (finisare).
Viteza de aschiere "v"
este viteza relativa a taisului sculei fata de piesa in timpul executarii
miscarii principale de aschiere. Se masoara in m/min (
,
unde: D este diametrul piesei si n turatia acesteia). Cand se recomanda o
anumita viteza de aschiere trebuie reglata masina - unealta se determina
turatia n (
).
Din sirul de valori al turatiilor masinii se alege valoarea imediat
inferioara a marimii calculate. Cu aceasta valoare se va calcula o valoare
reala a vitezei: ![]()
b) Regimul de aschiere - Ex.: pentru "strunjire cilindrica Ø25,5x28"
Adancimea de aschiere: se alege t=2 mm
Avansul: din tabelul cu
regimul de aschiere pentru strunjire longitudinala a otelului a otelului cu
rezistenta la rupere
daN/mm2,
cu cutit din otel rapid Rp3 se alege avansul s=0,4 mm/rot.
Viteza de aschiere: tot din tabel se alege viteza de aschiere v=33 m/min.
Determinarea turatiei:
rot/min
Din cartea masinii se adopta o valoare
imediat inferioara marimii calculate:
rot/min
Cu aceasta valoare a turatiei
se face determinarea vitezei de aschiere
reale:
m/min
5. normarea tehnica
Generalitati
Se poate determina ca norma de timp Nt sau norma de productie Np.
Norma de timp Nt reprezinta timpul necesar pentru executia unei lucrari sa operatii de unul sau mai muti muncitori in anumite conditii tehnice si organizatorice. Se exprima in unitati de timp (sec, min, ore).
Norma de timp este formata din timpi productivi si timpi neproductivi.
Pentru calcul se poate folosi relatia: ![]()
Tpi (timpul de pregatire - incheiere) este timpul de cunoastere a lucrarii, pentru obtinerea, montarea si reglarea sculelor, montarea dispozitivelor, reglarea masinii - unelte (la inceput) iar la sfarsit pentru scoaterea sculelor si dispozitivelor, predarea produselor, a resturilor de materiale si semifabricate.
Top - timpul operativ respectiv timpul efectiv consumat pentru prelucrarea materialului.
Este alcatuit din timpul de baza Tb si timpul ajutator:
unde 
Timpul de baza tb este tipul consumat pentru prelucrarea materialului, acesta schimbandu-si forma, dimensiunile, compozitia, proprietatile.
Timpul ajutator ta se consuma pentru actiunile ajutatoare efectuarii lucrului i timpul de baza, schimbarea turatiilor, inapoierea saniilor si meselor in pozitia initiala, prinderea si desprinderea pieselor, schimbarea pozitiei suportului portscule, etc.
Td - timpul de deservire - a locului de munca este consumat de muncitori pe intreaga durata a schimbului de lucru.
Ea are doua componente: timpul de deservire tehnica tdt si
timpul de deservire organizatorica tdo: ![]()
tdt - timpul pentru mentinerea in stare de functionare a utilajelor, sculelor si dispozitivelor (ungerea masinilor - unelte), ascutirea sculelor, controlul utilajelor.
tdo - este timpul folosit pentru organizarea lucrului, aprovizionarea cu scule, materiale, semifabricate, curatenia la locul de munca.
ton - timpul de odihna si necesitati fiziologice.
tto - timpul de intreruperi conditionate de tehnologie.
Calculul timpului operativ pentru strunjirea cilindrica Ø24x80,5

min
= lungimea de prelucrare
l1=
l2=
l =
tb = 0,55 min
- timp ajutator strunjire cilindrica
Ø24 mm
ta1 = 0,14 min - timp ajutator pentru manevrarea strungului
ta2 = 0,16 min - timp ajutator legat de faza
ta3 = 0,11 min - timp ajutator pentru masurarea cu sublerul
min
Timp operativ (timp de masina)
min
Timpul unitar - ![]()
Timpul de deservire - ![]()
6. norme de tehnice securitatii muncii si PSI
Generalitati
Pentru preintampinarea unor eventuale accidente la prelucrarea pieselor pe strungul normal este necesar ca personalul sa-si insuseasca normele de tehnica securitatii muncii.
Normele de protectia muncii in ramura constructiilor de masini si prelucrarea metalelor au fost intocmite in baza legii nr. 5/1965 (cu modificarile ulterioare), a normelor republicane de protectie a muncii. Decretul nr. 112/1973 dat de Ministerul Muncii si nr. 39/1977 al Ministerului Sanatatii.
Scopul prezentelor norme este sa contribuie la imbunatatirea continua a conditiilor de munca si la inlaturarea cauzelor care pot provoca accidente de munca si profesionale, prin aplicarea de procedee tehnice moderne, folosirea rezultatelor cercetarilor stiintifice si organizarea corespunzatoare a locului de munca.
Aplicarea prezentelor norme de protectia muncii este obligatorie pentru toate unitatile din economie, avand activitate cu specific de constructii de masini.
Inainte de inceperea lucrului, strungarul trebuie sa verifice starea de functionare a fiecarui bac de strangere. Daca bacurile sunt uzate, au joc, prezinta deformari sau fisuri, mandrina sau platoul trebuie inlocuite.
Inainte de inceperea lucrarii, muncitorul trebuie sa verifice cutitul in sensul daca acesta are profilul corespunzator prelucrarii pe care trebuie sa o execute, precum si materialului din care este confectionata piesa.
La cutitele de strung prevazute cu placute de carburi metalice se vor controla cu atentie fixarea placutei pe cutit, precum si starea acestuia. Nu se permite folosirea cutitelor de strung care prezinta fisuri sau deformari. Cutitele cu placute din carburi metalice sau ceramice vor fi ferite de jocuri mecanice.
Lungimea cutitului care iese din suport trebuie sa fie corespunzatoare iar fixarea acestuia se face cu cel putit doua suruburi bine stranse.
M. Voicu - Utilajul si tehnologia prelucrarilor prin aschiere
Gh. Biber - Manualul strungarului
|
Politica de confidentialitate | Termeni si conditii de utilizare |
Vizualizari: 3707
Importanta: ![]()
Termeni si conditii de utilizare | Contact
© SCRIGROUP 2025 . All rights reserved