| CATEGORII DOCUMENTE | 
| Arhitectura | Auto | Casa gradina | Constructii | Instalatii | Pomicultura | Silvicultura | 
 
  
 
    
  
   
    
 
    
PREPARATOARE DE APA CALDA MENAJERA
CU ACUMULARE
Modele 'LAMBORGHINI PAV-PAC-BVE-BOLV'
 
   
   
 
   
   
     
  
     
   
MANUAL TEHNIC DE MONTAJ, EXPLOATARE SI INTRETINERE
Cititi cu atentie instructiunile si observatiile continute in acest manual, deoarece sunt furnizate indicatii importante referitoare la montaj, exploatare si intretinere. Pastrati cu grija acest manual pentru orice consultatie ulterioara. Montajul trebuie efectuat numai de catre personal calificat care va citi prezentul manual si va respecta legialatia si normativele in vigoare. Prin personal calificat (abilitat, autorizat) se intelege personalul care are competenta tehnica necesara in domeniul instalatiilor de incalzire de uz industrial si civil, producere de ACM, alimentare cu apa potabila si industriala si evacuari de ape de uz menajer, pluvial, etc., autorizat de constructor sau furnizor, conform legislatiei in vigoare.
CUPRINS PAGINA
1. GENERALITATI 3
2. CARACTERISTICILE TEHNICE 3
3. DIMENSIUNI DE GABARIT 4
4. COMPONENTE PRINCIPALE 6
5. RACORDURI ELECTRICE-SCHEME 6
6. RACORDURI HIDRAULICE 10
7. VERIFICARI LA PUNEREA IN FUNCTIUNE 12
8. INTRETINERE PERIODICA 13
9. CRITERII DE ALEGERE A BOILERULUI 13
Bucatile de ambalaj (saci de plastic, polistiren expandat, sipci de lemn, etc.) nu trebuie sa fie lasate la indemana copiilor, fiind surse potentiale de pericol. Cititi cu atentie si pastrati la loc sigur manualul tehnic si certificatul de garantie.
ATENTIE:
Siguranta electrica a aparatului este asigurata numai atunci cand acesta este racordat corect la instalatia de impamantare efectuata conform normelor de siguranta in vigoare.
Este absolut necesara verificarea acestei cerinte fundamentale de securitate; in caz de dubiu, cereti un control ingrijit al instalatiei electrice de catre personal autorizat deoarece furnizorul nu isi asuma responsabilitatea pentru orice daune cauzate de impamantarea defectuoasa a instalatiei.
Controlati, cu ajutorul personalului autorizat, ca instalatia electrica sa fie cea potrivita cu puterea maxima absorbita de aparat (indicata pe placuta de timbru) si in special ca sectiunea cablurilor instalatiei este cea potrivita cu puterea absorbita de aparat.
Pentru alimentarea generala a aparatului de la reteaua electrica, nu este permisa folosirea de adaptori, prize multiple si/sau prelungitoare.
Pentru deconectarea de la retea trebuie sa prevedeti un intrerupator general conform normativelor in vigoare.
Exploatarea oricarei componente care utilizeaza energie electrica comporta respectarea anumitor masuri fundamentale de protectia muncii, cum ar fi:
nu atingeti aparatul cu parti ale corpului ude sau umede si/sau cu picioarele goale;
nu trageti de cablurile electrice;
nu lasati aparatul expus agentilor atmosferici (ploaie, soare, etc.) daca nu a fost prevazut in mod expres pentru acest regim de utilizare;
nu permiteti exploatarea aparatului de catre copii sau alte persoane neautorizate.
Cablul de alimentare al aparatului nu trebuie inlocuit de catre beneficiar; in caz de deteriorare a acestuia, opriti aparatul si adresati-va exclusiv personalului autorizat.
1. GENERALITATI
Boilerele PAV-PAC-BVE-BOLV sunt preparatoare de apa calda cu acumulare, de uz menajer, construite pentru a satisface o cerere de apa calda care este concentrata in anumite ore ale zilei (varf de sarcina).
Au o suprafata mare de schimb de caldura, care asigura fie o rapida refacere a temperaturii (reincarcare) acumularii, fie o producere in regim continuu de apa calda menajera pentru solicitarile distribuite in mod normal pe parcursul unei zile.
Boilerele sunt construite din tabla de otel de calitate, de grosime mare si tratate impotriva coroziunii electrochimice printr-un proces de vitrificare, efectuat conform normelor DIN 4753. Vitrificarea este realizata in doua straturi, fiecare din ele fiind supus unui proces termic de coacere la 900sC. Izolatia termica exterioara este realizata in spuma de poliuretan cu celule inchise. Sunt dotate din constructie cu anod de magneziu si capac demontabil de vizitare.
Schimbul de caldura este obtinut cu ajutorul unei serpentine cilindrice de diametru mare si protejata prin vitrificare.
Descrierea modelelor
PAV: sunt boilere verticale, de forma cilindrica cu imbracaminte in PVC dur si tablou de comanda extern. Pot fi prevazute (optional) si cu rezistenta electrica; reprezinta cea mai buna solutie pentru instalatiile modulare.
PAC: au fost concepute pentru cuplarea cu grupurile termice model EMME si VISA T, pentru ca au aceeasi linie estetica, putandu-se adapta si la un alt tip de cazan. La ele pot fi cuplate si rezistente electrice (optional). Sunt dotate cu electropompa de circulatie, supapa de siguranta, ventil automat de aerisire, robinet de golire si termostat de lucru.
BVE: sunt adaptate pentru a fi montate in centrala termica, prin cuplare la cazanele din seria SEC. Difera de seria PAC prin culoarea si forma carcasei.
BOLV: sunt acoperite cu o manta din tabla de otel emailata si concepute pentru a fi cuplate cu grupurile termice BIT-SYSTEM, astfel incat sa formeze un grup "UNIT" armonios si sigur in functionare. Aceste boilere se monteaza in pozitie orizontala si sunt dotate cu electropompa de circulatie, clapeta antiretur si racorduri flexibile pentru cuplarea la cazan.
2. CARACTERISTICI TEHNICE
| 
   Model  | 
  
   1  | 
  
   2  | 
  
   3  | 
  
   4  | 
  
   5  | 
  
   6  | 
  
   7  | 
  
   8  | 
  
   9  | 
  
   10  | 
  
   11  | 
 
| 
   
  | 
  
   kW kcal/h  | 
  
   litri  | 
  
   litri  | 
  
   l/h  | 
  
   l/10'  | 
  
   min  | 
  
   bar  | 
  
   bar  | 
  
   mbar  | 
  
   mc/h  | 
  
   kg  | 
 
| 
   PAV 150  | 
  
   36 - 31.000  | 
  
   130  | 
  
   6,5  | 
  
   885  | 
  
   145  | 
  
   9,8  | 
  
   6  | 
  
   10  | 
  
   75  | 
  
   2,06  | 
  
   75  | 
 
| 
   200  | 
  
   49 - 42.500  | 
  
   195  | 
  
   8,5  | 
  
   1215  | 
  
   230  | 
  
   11,3  | 
  
   6  | 
  
   10  | 
  
   100  | 
  
   2,83  | 
  
   95  | 
 
| 
   300  | 
  
   68,6 - 59.000  | 
  
   295  | 
  
   11,5  | 
  
   1685  | 
  
   340  | 
  
   13,3  | 
  
   6  | 
  
   10  | 
  
   320  | 
  
   3,93  | 
  
   130  | 
 
| 
   450  | 
  
   85 - 73.150  | 
  
   435  | 
  
   23,0  | 
  
   2090  | 
  
   515  | 
  
   16,5  | 
  
   6  | 
  
   10  | 
  
   160  | 
  
   4,87  | 
  
   205  | 
 
| 
   600  | 
  
   85 - 73.150  | 
  
   585  | 
  
   23,0  | 
  
   2090  | 
  
   690  | 
  
   20,0  | 
  
   6  | 
  
   10  | 
  
   160  | 
  
   4,87  | 
  
   240  | 
 
| 
   PAC - BVE 80  | 
  
   28,50 - 24.500  | 
  
   80  | 
  
   3,6  | 
  
   700  | 
  
   135  | 
  
   7,0  | 
  
   6  | 
  
   12  | 
  
   -  | 
  
   -  | 
  
   73  | 
 
| 
   120  | 
  
   34,88 - 30.000  | 
  
   120  | 
  
   4,2  | 
  
   857  | 
  
   190  | 
  
   9,0  | 
  
   6  | 
  
   12  | 
  
   -  | 
  
   -  | 
  
   105  | 
 
| 
   BOLV 120  | 
  
   37,10 - 32.000  | 
  
   120  | 
  
   6,2  | 
  
   915  | 
  
   145  | 
  
   8,5  | 
  
   6  | 
  
   12  | 
  
   -  | 
  
   -  | 
  
   100  | 
 
| 
   160  | 
  
   43,02 - 37.000  | 
  
   162  | 
  
   8,1  | 
  
   1050  | 
  
   190  | 
  
   9,5  | 
  
   6  | 
  
   12  | 
  
   -  | 
  
   -  | 
  
   124  | 
 
| 
   210  | 
  
   52,32 - 45.000  | 
  
   213  | 
  
   11,5  | 
  
   1285  | 
  
   240  | 
  
   11,0  | 
  
   6  | 
  
   12  | 
  
   -  | 
  
   -  | 
  
   160  | 
 
| 
   250  | 
  
   61,62 - 53.000  | 
  
   255  | 
  
   13,5  | 
  
   1515  | 
  
   275  | 
  
   13,5  | 
  
   6  | 
  
   12  | 
  
   -  | 
  
   -  | 
  
   177  | 
 
1 - putere termica consumata
2 - capacitate acumulare
3 - capacitate serpentina
4 - productie continua la Dt=35sC
5 - debit in primele 10 minute
6 - timp refacere temperatura acumulare
7 - presiune maxima de functionare acumulare
8 - presiune maxima de functionare serpentina
9 - pierdere de presiune pe serpentina
10 - debit necesar al electropompei de circulatie
11 - greutate
Temperatura agentului termic 85/70sC
Temperatura ACM 10/45sC.
Temperatura de stocare 60sC.
Regim de producere continua de ACM
Este debitul de ACM pe care boilerul il poate produce in continuu la temperatura Te=Ti + 35sC.
Debit la varful de consum (debit maximal)
Este debitul pe care boilerul il poate produce in timp de 10 minute, pana la obtinerea unei temperaturi minime de iesire Te=Ti + 25sC.
Timp de refacere a temperaturii acumularii
 
Este timpul necesar pentru a aduce apa din acumulare de la temperatura
de intrare Ti 10sC la temperatura de 45sC (diferenta de temp = 35sC).
   
   
 
   
   
     
  
     
   
 Plaja de functionare a
    electropompei de circulatie la boilerele BVE-PAC-BOLV. Pierderi de sarcina pe
    circuitul primar, boiler PAV.
 
   
 
   
   
   
   
   
  
   
 
   
   
   
 
   
   
     
  
     
   
   
 
  
   
 
   
   
 
   
   
     
  
     
   
   
 
  
   
   
   
   
 
   
   
     
  
     
   
3. DIMENSIUNI DE GABARIT (mm)
Model PAV
 
   
 
  
   
   
| 
   MODEL  | 
  
   A  | 
  
   B  | 
  
   C  | 
  
   D  | 
  
   intrare apa rece menajera  | 
  
   iesire apa calda menajera  | 
  
   intrare/iesire agent termic  | 
  
   Greutate  | 
 
| 
   
  | 
  
   F mm  | 
  
   mm  | 
  
   mm  | 
  
   mm  | 
  
   F M  | 
  
   F M  | 
  
   F H  | 
  
   kg  | 
 
| 
   PAV 150  | 
  
   600  | 
  
   855  | 
  
   170  | 
  
   620  | 
  
   1'  | 
  
   3/4'  | 
  
   1'  | 
  
   75  | 
 
| 
   PAV 200  | 
  
   600  | 
  
   1185  | 
  
   170  | 
  
   770  | 
  
   1'  | 
  
   3/4'  | 
  
   1'  | 
  
   95  | 
 
| 
   PAV 300  | 
  
   600  | 
  
   1605  | 
  
   170  | 
  
   970  | 
  
   1'  | 
  
   3/4'  | 
  
   1'  | 
  
   130  | 
 
| 
   PAV 450  | 
  
   800  | 
  
   1375  | 
  
   230  | 
  
   1130  | 
  
   1' 1/4  | 
  
   1' 1/4  | 
  
   1' 1/4  | 
  
   205  | 
 
| 
   PAV 600  | 
  
   800  | 
  
   1750  | 
  
   230  | 
  
   1130  | 
  
   1' 1/4  | 
  
   1' 1/4  | 
  
   1' 1/4  | 
  
   240  | 
 
Modele PAC - BVE
 
  
 
    
  
   
    
 
    
    
  
    
    
      
   
      
    
1 - intrare agent termic primar (in serpentina)
2 - iesire agent termic primar (din serpentina)
3 - iesire apa calda menajera
4 - intrare apa rece menajera
5 - racord de recirculare 1/2' FI
| 
   MODEL  | 
  
   A  | 
  
   B  | 
  
   C  | 
  
   intrare/iesire apa menajera  | 
  
   intrare/iesire agent termic  | 
  
   Greutate  | 
 
| 
   
  | 
  
   mm  | 
  
   mm  | 
  
   mm  | 
  
   F H  | 
  
   F H  | 
  
   kg  | 
 
| 
   PAC-BVE 80  | 
  
   450  | 
  
   850  | 
  
   600  | 
  
   1/2'  | 
  
   3/4'  | 
  
   73  | 
 
| 
   PAC-BVE 120  | 
  
   600  | 
  
   850  | 
  
   600  | 
  
   1/2'  | 
  
   3/4'  | 
  
   105  | 
 
Model BOLV
 
  
 
    
  
   
    
 
    
    
  
    
    
      
   
      
    
a - iesire apa calda menajera 1" FE
b - racord recirculare " FE
c - intrare apa rece menajera 1" FE
d - iesire agent termic primar (din serpentina) 1" FE
e - intrare agent termic primar (in serpentina) 1" FE
| 
   MODEL  | 
  
   A  | 
  
   B  | 
  
   C  | 
  
   Greutate  | 
 
| 
   
  | 
  
   mm  | 
  
   mm  | 
  
   mm  | 
  
   kg  | 
 
| 
   BOLV 120  | 
  
   555  | 
  
   835  | 
  
   565  | 
  
   100  | 
 
| 
   BOLV 160  | 
  
   555  | 
  
   1045  | 
  
   565  | 
  
   124  | 
 
| 
   BOLV 210  | 
  
   645  | 
  
   1355  | 
  
   565  | 
  
   160  | 
 
| 
   BOLV 250  | 
  
   645  | 
  
   1565  | 
  
   565  | 
  
   177  | 
 
4. COMPONENTE PRINCIPALE
Model PAV
 
  
 
    
  
   
    
 
    
    
  
    
    
      
   
      
    
1 - Intrerupator pornit/oprit
2 - Bec semnalizare functionare electropompa
3 - Termostat reglare temperatura ACM
4 - Termometru
A - Tablou de comanda
B - Anod de magneziu
C - Flansa demontabila pentru inspectare
D - Izolatie termica
E - Manta de protectie exterioara
F - Serpentina
Modele PAC-BVE - Dotare De Serie
 
   
 
  
   
   
Model BOLV - Dotare De Serie
 
  
 
    
  
   
    
 
    
    
  
    
    
      
   
      
    
A - Cazan
B - Anod de magneziu
C - Flansa demontabila pentru inspectare
D - Izolatie termica
E - Manta de protectie exterioara
F - Serpentina
G - Electropompa de circulatie
H - Clapeta de sens
1 - Racord flexibil retur
2 - Racord flexibil tur
3 - Cot FE/FI 1"
4 - Cot FI/FI 1"
5 - Garnitura
6 - Piulita 1"
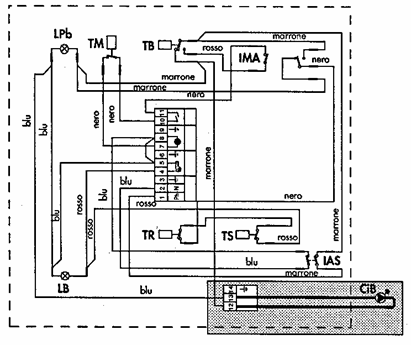
5. RACORDURI ELECTRICE-SCHEME
Racordurile electrice se realizeaza prin partea inferioara la boilerele model PAV si prin partea din spate a tabloului de comanda pentru boilerele modele PAC si BVE. La boilerele model BOLV, se efectueaza numai racordul electric la electropompa de circulatie, direct pe sirul de cleme.
Nu inversati niciodata nulul cu faza.
Instalatia trebuie efectuata in conformitate cu legislatia in vigoare.
Asigurati un bun racord de impamantare.
 
Model
PAV
   
   
 
   
   
     
  
     
   
 Montarea tabloului de
    comanda: Sonda termostatului de lucru si a termometrului
    trebuie sa fie bine fixata in interiorul tecii existente. 
    
 
   
 
   
   
   
  
   
 
   
   
   
 
   
   
     
  
     
   
   
 
  
   
   
Modele PAC-BVE
Pentru a avea acces in spatele carcasei tabloului de comanda efectuati operatiunile A-B. Boilerul PAC este livrat de serie cu kit-ul de cuplare electrica pentru cazanele EMME. Pentru cuplarea electrica directa, consultati schema de mai jos.
 
   
 
   
   
   
  
   
   
   
  
   
   
     
  
     
   
   
   
 
   
   
     
  
     
   
Conectare directa:
F Siguranta fuzibila
IG Intrerupator general
CiB Electropompa de circulatie agent termic primar
TB Termostat de lucru boiler
 
  
 
    
 
    
  
    
    
      
   
      
    
 Conectare boiler PAC cu cazan EMME: EI Comutator
    'vara/iarna' CiB Electropompa de circulatie agent
    termic primar TB Termostat de lucru boiler 
    
 
   
 
  
   
   
   
 
   
   
     
  
     
   
 Conectare boiler BVE cu cazan SEC: EI Comutator
    'vara/iarna' CiB Electropompa de circulatie agent
    termic primar TB Termostat de lucru
    boiler 
    
 
   
 
   
   
   
  
   
 
   
   
 
   
   
     
  
     
   
   
 
   
   
   
 
   
   
     
  
     
   
   
  
Model BOLV
 
   
 
  
   
   
   
 
   
   
     
  
     
   
Conectare la cazan BIT-SYSTEM: Singurul racord care trebuie efectuat este cel al electropompei boilerului, la clemele 12-13 ale sirului de cleme, situate in interiorul tabloului de comanda al cazanului. CiB - Electropompa de circulatie agent termic primar.
6. RACORDURI HIDRAULICE
Schemele de racordare hidraulica continute in acest capitol sunt orientative. Modul real de cuplare cazan-boiler-armaturi va fi ales de catre proiectantul instalatiei in conformitate cu normele in vigoare.
In cazul montarii unui vas de expansiune inchis pe circuitul de ACM, acesta va trebui sa fie prevazut cu membrana de uz alimentar.
Model PAV
 
   
 
  
   
   
Schemele A si B sunt orientative si se refera la o instalatie in care sunt montate unul sau doua boilere in paralel. Componentele 2-3-5 pot fi cuplate prin intermediul racordului de pe flansa demontabila a boilerului.
Boilerul PAV poate prelua dilatarea volumului apei incalzite, in cazul in care presiunea apei reci nu depaseste 1,5 bar. In cazul unor presiuni mai ridicate, este necesara montarea unui vas de expansiune adecvat.
1 - Electropompa de circulatie
2 - Dezaerator automat de conducta
3 - Vas de expansiune
4 - Robinet de golire
5 - Supapa de siguranta
a - Filtru
b - Clapeta de sens
c - Manometru cu robinet
Modele PAC-BVE
Schema unei instalatii complete compuse din boiler PAC-BVE + cazan

In final, pentru a garanta o functionare sigura si pentru a face mai usoare operatiile de cuplare dintre grupul termic si boiler, au fost prevazute kituri care se livreaza la cerere.
 
   
   
 
   
   
     
  
     
   
n KIT ELECTRIC. Circuit pentru fixarea pe spatele carcasei tabloului electric la grupul termic EMME, avand conductoare electrice care se cupleaza la sirul de cleme al boilerului PAC si stecher cu montare rapida la schema SCM (vezi schema electrica).
n KIT RACORD HIDRAULIC. Doua tuburi flexibile pentru racord dreapta la boiler PAC.
Model BOLV
Sunt livrate de serie, cu accesoriile hidraulice adaptate pentru cuplarea cu grupurile termice BIT-SYSTEM; oricum, clapeta de sens si electropompa de circulatie sunt adaptate si pentru cuplarea cu alt tip de cazan (grup termic).
 A - Cuplare hidraulica BOLV + BIT-SYSTEM 1 - Racord flexibil de retur 2 - Racord flexibil de tur 3 - Cot M/F 1" 4 - Cot F/F 1" 5 - Garnituri 6 - Piulita 1" A - Cazan G - Electropompa de circulatie H - Clapeta de sens 
    
 
   
 
   
   
   
  
   
 
   
   
   
 
   
   
     
  
     
   
   
 
   
   
 
   
   
     
  
     
   
   
  
 B - Schema circuit hidraulic a - Filtru b - Clapeta de sens c - Manometru cu robinet 1 - Electropompa de circulatie 2 - Supapa de siguranta 3 - Vas de expansiune DPP - Dozator polifosfati  
    
 
   
 
   
   
   
  
   
 
   
   
   
 
   
   
     
  
     
   
   
 
   
   
 
   
   
     
  
     
   
   
  
7. OPERATII DE VERIFICARE SI CONTROL (se vor executa inainte de punerea in functiune)
asigurati-va ca:
electropompa de circulatie functioneaza corect (sens de rotatie, amorsare, etc.);
volumul si presiunea de pregonflare a vasului de expansiune sunt adecvate instalatiei;
sondele termostatelor sunt pozitionati corect;
termostatele (de reglare si de siguranta) functioneaza corect;
supapa de siguranta declanseaza la presiunea stabilita;
electropompa de circulatie are debitul/inaltimea de pompare necesare.
 
   
 
   
   
   
  
   
 
   
   
   
  
8. INTRETINEREA PERIODICA A BOILERELOR
Efectuati periodic, cu ajutorul personalului calificat, urmatoarele operatii:
n inlocuirea anodului de magneziu;
n incarcarea eventualului dozator de polifosfati, inhibator, dedurizator, etc.;
n verificarea functionarii aparatului de tratare a apei;
n controlul functionarii tuturor armaturilor de reglare si siguranta;
n curatarea serpentinei: numai o grosime de 1mm de depunere diminueaza eficienta schimbului termic cu circa 25%.
9. CRITERII DE ALEGERE A BOILERULUI
Nu exista criterii riguros stiintifice pentru a predetermina volumul acumularii boilerului, acestea fiind legate de o multitudine de factori foarte variabili si subiectivi. Se recomanda efectuarea unui calcul specific al proiectului care va tine cont, in afara de propria experienta, de exigentele personale in ceea ce priveste necesarul.
Aratam o metoda simplificata rezervata locuintelor civile, pentru a determina o valoare fundamentala, cum ar fi debitul de varf.
METODA A: Se bazeaza pe numarul de bai, intelese ca incaperi de baie-necesar de apa calda pentru fiecare baie, considerand normal, cada de baie (120 litri la 50sC) sau, in lipsa acesteia, dusul (50 litri la 50sC);- procentajul de simultaneitate, de determinat cu ajutorul diagramei.
Exemplu A: Avem 8 bai din care 6 cu cada si dus si 2 numai cu dus. Din diagrama A rezulta, in corespondenta cu 8 bai un factor, F = 0,72.
Calculand avem:
cazi (6x120)x0,72 = 518,4 litri
dusuri (2x50)x0,72 = 72 litri
necesar total = 590,4 litri
 
care este luat in considerare ca valoare corespunzatoare debitului de
varf (litri/10min), boilerul de ales este PAV 600 care da un debit de varf de
maxim 690 litri.
   
   
 
   
   
     
  
     
   
 
   
 
  
   
   
   
 
   
   
     
  
     
   
METODA B: Se bazeaza pe numarul de beneficiari, tinand cont ca pentru fiecare beneficiar se considera: cada de baie de 120 litri la 50sC; dusul, 50 litri la 50sC, chiuveta sau spalator, 10 litri la 50sC;- factor de simultaneitate, de determinat cu ajutorul diagramei.
Exemplu B: Avem 8 bai din care 6 cu cada si dus si 2 numai cu dus; si mai avem 10 chiuvete si 8 spalatoare.
Totalul beneficiarilor este de 32; din diagrama B rezulta un factor F = 0,48.
Calculand avem:
cazi (6x120)x0,48 =345,6 litri
dusuri (8x50)x0,48 =192 litri
chiuvete/spal. (18x10)x0,48 =86,4 litri
necesar total =624 litri
care poate fi luata ca valoare corespunzatoare debitului de varf (litri/10 min.). Boilerul de ales este PAV 600 care da un debit de varf de maxim 690 litri.
METODA C: Este bazata pe numarul de persoane beneficiare.
Pentru fiecare persoana se considera
n un consum de varf de: 28 litri la 50sC, daca locuieste intr-o casa cu o singura familie sau in apartament;
n 45 litri la 50sC daca locuieste intr-o vila sau resedinta.
Exemplu C: Intr-un apartament sunt prezente 22 de persoane. Calculand avem:
22x28=616 litri; aceasta valoare este corespunzatoare debitului de varf (litri/10 min.). Boilerul de ales este PAV 600 care da un debit de varf de maxim 690 litri.
ROMSTAL, Bucuresti, Sos. Vitan-Barzesti 11A, sector 4, tel./fax: (01)330.65.85, (01)330.03.50
| 
Politica de confidentialitate | Termeni si conditii de utilizare | 
              
                Vizualizari: 2537				
                Importanta: ![]()
Termeni si conditii de utilizare | Contact 
     
      © SCRIGROUP 2025 . All rights reserved