| CATEGORII DOCUMENTE |
| Bulgara | Ceha slovaca | Croata | Engleza | Estona | Finlandeza | Franceza |
| Germana | Italiana | Letona | Lituaniana | Maghiara | Olandeza | Poloneza |
| Sarba | Slovena | Spaniola | Suedeza | Turca | Ucraineana |
DOCUMENTE SIMILARE |
|
Tesina sviluppata dall’alunno Zito Fabio della classe 5 ETB.
Esami di Stato 2003
CONTROLLO DELLA VELOCITA’ DI UN MOTORE IN CORRENTE CONTINUA
La velocità di un motore in corrente continua può essere controllata mediante due tecniche fondamentali:
Controllo lineare
Controllo PWM (Pulse Width Modulation).
In basso si riporta lo schema circuitale risolutivo.
La rete soprastante è essenzialmente basata su due elementi fondamentali:
Il circuito integrato TIMER 555 utilizzato come astabile e con duty-cicle regolabile;
Il motore in corrente continua.
TIMER 555
Il timer 555 è un circuito integrato a 8 piedini progettato specificatamente per funzionare da multivibratore astabile e monostabile. Deve il suo nome al fatto di possedere al suo interno tre resistenze ciascuna di valore 5 kW. Nonostante la Signetics lo abbia lanciato sul mercato dal 1972, il timer 555 viene ancora largamente utilizzato grazie alla sua versatilità. Fra le caratteristiche più importanti ricordiamo:
Singola alimentazione regolabile tra 5 V e 15 V;
Durata dell’impulso o periodo di oscillazione regolabile da alcune decine di microsecondi ad alcune decine di minuti;
Capacità di carico fino a 200 mA;
Uscita CMOS o TTL compatibile se si utilizza la stessa Vcc;
Stabilità in temperatura migliore dello 0.005% per grado centigrado.

Il timer 555 risulta essere costituito da due comparatori
(invertente e non), un flip.plop S-R, un BJT NPN, un buffer invertente, da tre
resistenze in serie da 5 kW. Il piedino 1, indicato con
GND è la massa mentre il piedino 8, indicato con Vcc è quello a cui
va applicata la tensione di alimentazione. Il piedino 6 threshold è
collegato all’ingresso non invertente del comparatore che pilota l’ingresso di
reset del flip-flop mentre l’ingresso invertente dello stesso comparatore è
polarizzato al valore di
tramite il partitore
resistivo se si lascia flottante l’ingresso control voltage posto al
piedino 5 (in tal caso si preferisce collegare un condensatore tra il piedino 5
e massa che filtri gli eventuali disturbi di alta frequenza che altererebbero i
riferimenti dei comparatori). Il piedino 2, detto trigger, è collegato
all’ingresso invertente del comparatore che pilota l’ingresso di set del
flip-flop mentre l’ingresso non invertente dello stesso comparatore è
polarizzato al valore
dal precedente partitore. Applicando una tensione esterna
all’ingresso 5 direttamente o tramite un’opportuna resistenza, si modifica il
rapporto di partizione delle tensioni applicate ai comparatori. Il piedino 4 è
collegato all’ingresso di azzeramento del flip-flop e funziona in logica
negativa. Il piedino 7, indicato con discharge, è il collettore aperto
del BJT la cui base è connessa all’uscita complementata del flip-flop e
l’emettitore è collegato a massa. Il piedino, indicato con output, è
l’uscita del buffer invertente anch’esso pilotato dall’uscita complementata dal
flip-flop.
Curve caratteristiche di trasferimento dei due comparatori

2/3Vcc
COMPARATORE NON INVERTENTE COMPARATORE INVERTENTE
Configurazione astabile con regolazione del duty-cicle
Analizzando lo schema elettrico si nota che i piedini 2 e 6 sono collegati tra di loro ed assumono lo stesso potenziale del condensatore C. All’ingresso control voltage è collegato un condensatore di filtro di piccola capacità (10nF) e l’ingresso di azzeramento (pin 4) è collegato all’alimentazione. Il funzionamento è il seguente: quando si fornisce alimentazione al circuito i piedini 2 e 6 sono a potenziale zero se il condensatore C è inizialmente scarico. Tenendo conto dello schema a blocchi e delle curve di trasferimento dei comparatori si ha:
R = 0
Q = 1
Poiché la base del BJT e il buffer sono collegati all’uscita complementata del flip-flop si ha il BJT in interdizione e output (piedino 3) a livello 1. Il condensatore tende a caricarsi al valore Vcc attraverso le resistenze R1, diodo d1,Rp’ con costante di tempo pari a:
Quando C raggiunge il potenziale Vcc/3 il comparatore trigger commuta portando
Lo stato del flip-flop non varia e C continua a caricarsi. Raggiunto però il valore 2VCC/3 commuta anche il comparatore threshold e si ha
S=0
R=1
Il flip-flop commuta e di conseguenza il BJT entra i saturazione e l’uscita si porta a 0. Tra il piedino discharge e massa c’è ora una ddp pari a Vce sat che, in prima approssimazione, è zero. Il condensatore si scarica attraverso la sola R2, d2 e Rp’’ con costante di tempo pari a:
Lo stato del flip-flop resta immutato finché Vc
è compreso nell’intervallo
e
in quanto si verifica
S=R=0. Quando Vc scende al di sotto di
si riottiene S=1, R=0
per cui il BJT torna interdetto caricando C e l’uscita si riporta a 1. In
conclusione, la ddp di C oscilla tra
e
e l’uscita tra 0 e Vcc.
Conoscendo T1 e T2 ci si ricava la frequenza del segnale di uscita:
Come si può notare dalla relazione soprastante la frequenza di oscillazione è costante, indipendente dalla posizione del cursore di Rp. Il duty-cycle D, definito come rapporto tra il tempo T1 in cui l’uscita è al livello alto e l’intero periodo, vale :
Esso è quindi funzione della posizione del cursore, da cui dipende il valore di Rp’.
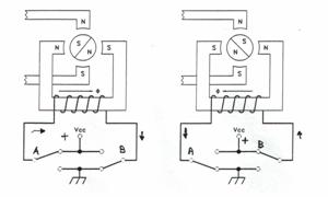
Nei sistemi di controllo industriale i motori in corrente continua occupano certamente un posto in primo piano. Sono dispositivi in grado di trasformare una tensione continua d’entrata in una coppia motrice in uscita, quindi energia elettrica in meccanica. In fig. è mostrata la schematizzazione costruttiva di un motore in corrente continua ad eccitazione indipendente.

Un motore in c.c. è costituito da uno statore e da un rotore. Lo statore genera un flusso magnetico il cui valore dipende dall’intensità di corrente IC del circuito di eccitazione. Il rotore è posto entro le espansioni polari dello statore. Esso è costituito di materiale ferroso o plastico, e presenta sulla periferia delle cave entro le quali è posto un avvolgimento da cui vengono derivati dei conduttori che sono connessi ,in modo opportuno, alle lamelle di un dispositivo denominato collettore.
Sul collettore poggiano dei contatti striscianti (spazzole) generalmente di carbone attraverso cui si alimenta il motore.Il rotore, le spazzole e il collettore costituiscono il circuito d’armatura del motore. Con Va e Ia si indicano rispettivamente la tensione e la corrente di armatura o alimentazione del motore.
Lo statore insieme all’avvolgimento di eccitazione, costituisce il circuito di campo cui applicare la tensione Vc e la corrente Ic che definiscono il campo magnetico induttore.
Sono possibili altri due modi di eccitazione.
Quando si alimenta il motore, la corrente Ia di armatura che circola negli avvolgimenti rotorici interagisce con il campo magnetico di statore generando una forza magnetomotrice che pone il rotazione il rotore.
Tale movimento produce per induzione elettromagnetica una forza controelettromotrice E che si oppone alla tensione Va di armatura. Affinché possa circolare la corrente Ia che tiene in movimento il motore, la tensione Va a regime , deve equilibrare sia la f.c.e.m. E che la caduta di tensione Ra Ia nella resistenza del circuito di armatura:
Si osservi che, essendo il motore alimentato in continua, l’effetto dell’induttanza di armatura La è nullo a regime. La f.c.e.m. E è legata alla velocità di rotazione dalla seguente relazione:
dove K è una costante costruttiva del motore,n il numero di giri al minuto e l’intensità del flusso magnetico induttore. Combinando la formula precedente con la successiva, si ricava:
essendo Ra Ia trascurabile rispetto a Va. La precedente indica che la velocità di rotazione di un motore c.c. è direttamente proporzionale alla tensione di alimentazione Va. Per il principio di conservazione dell’energia e supponendo trascurabili le perdite, la potenza elettrica fornita al motore Pa= Va Ia deve uguagliare quella meccanica di rotazione Pm= Cm. In particolare si è indicato che con Cm la coppia motrice e con w pn, la velocità angolare. Si ha quindi:
Ponendo Km =60K/2p, si ricava:
La formula precedente mostra che la coppia motrice Cm è proporzionale al flusso induttore e alla corrente di armatura.
Il segnale Vi è costituito da un treno di onde rettangolari a frequenza 10 KHz (viene prelevato sul piedino 3 del timer). Supponendo che il BJT commuti tra la saturazione e l’interdizione, la tensione di alimentazione del motore, trascurando VCesat = 0.3 V assume il seguente andamento.

Il motore è equivalente ad un carico induttivo e si comporta come un filtro passa – basso con frequenza di taglio di alcune decine di Hz, imposta dalla costante di tempo meccanica tm
La tensione impulsiva di comando viene, quindi, mediata dall’azione filtrante del motore che, a tutti gli effetti, è come se fosse alimentato da una tensione efficace V pari a:
La precedente relazione mostra che è possibile regolare la velocità di rotazione del motore agendo sul duty-cycle D del segnale rettangolare di comando.
CIRCUITO DI COMANDO DEL MOTORE PASSO-PASSO
Oggetto: analisi del funzionamento di un circuito per il comando in full-step di un motore passo-passo unipolare a 4 fasi
La rete è costituita essenzialmente da tre parti:
circuito logico che realizza la sequenza di pilotaggio delle fasi secondo la tabella di funzionamento del motore;
circuito di potenza atto a fornire la necessaria corrente di lavoro negli avvolgimenti statorici.
motore passo-passo unipolare a 4 fasi
Analisi circuito logico
Osservando le tabelle precedenti si nota che per far ruotare un motore passo-passo è necessario generare un'opportuna sequenza di segnali logici. Questo può essere ottenuti in vari modi:
Nel nostro caso si è deciso di realizzare un circuito logico, il contatore Johnson, che esegue la sequenza di pilotaggio delle fasi di un motore passo-passo unipolare nella modalità full-step:
|
CK |
A |
B |
C |
D |
![]()
Per quanto riguarda il circuito integrato si è utilizzato il 74LS112 di cui si riporta la piedinatura
Analisi circuito di potenza
La seconda parte della rete è costituita da un circuito di potenza il quale fornisce la necessaria corrente di lavoro negli avvolgimenti statorici. Si noti l’utilizzo del transistor di tipo NPN BD137 utilizzato in configurazione interruttore.
Dunque possono presentarsi due situazioni differenti:
BJT interdetto, assimilabile ad un circuito aperto;
BJT saturo, assimilabile ad un corto circuito.
Il Diodo di protezione. Si nota nella figura precedente la presenza del diodo D che ha funzioni protettive. Ciascun avvolgimento del motore passo-passo è sostanzialmente un induttore, cioè un oggetto che tende a mantenere costante la corrente che in esso scorre. Quando un transistor si apre, la corrente istantaneamente dovrebbe andare a zero; l'induttore tende però ad impedire questo repentina diminuzione e per fare questo tende a far salire la tensione sul collettore del transistor (si immagini il transistor che, improvvisamente, sia diventato una resistenza molto elevata in cui l'induttore tenta di far passare una corrente elevata: per la legge di ohm, la tensione deve salire). La tensione arriva facilmente a centinaia di volt, danneggiando il transistor stesso. Tale tensione è spesso chiamata 'di fly-back'. Per evitare questo fenomeno distruttivo viene inserito in parallelo alla bobina del motore un diodo che fornisce alla corrente una via alternativa a quella del transistor nel momento in cui questo si apre. Il catodo va connesso alla tensione di alimentazione: in pratica la corrente va 'in salita'.
I diodi da utilizzare devono avere due caratteristiche fondamentali:
La resistenza R. Inserite in serie alle fasi del motore, hanno il compito di rendere più rapida la risposta in transitorio. Infatti senza R il tempo di assestamento della corrente è dato dalla relazione:
![]()
dove L e RL sono rispettivamente l’induttanza e la resistenza di ogni avvolgimento. Con l’inserimento della resistenza R, di qualche decina di ohm, si ha:
![]()
con evidente diminuzione del tempo di assestamento. La resistenza R non può essere troppo grande altrimenti si deve aumentare eccessivamente la tensione di alimentazione per lasciare inalterato il valore delle correnti di fase.
Analisi motore passo-passo
I motori passo-passo sono la versione a controllo digitale dei motori in c.c. Essi, infatti, trasformano una sequenza di impulsi in uno spostamento angolare fisso, denominato passo (step), con una cadenza imposta dalla frequenza degli impulsi di comando. Questi motori, a parità di peso e di dimensioni, presentano coppie motrici maggiori degli altri motori in c.c. utilizzati nel campo del controllo automatico. Essi trovano applicazione nei sistemi a controllo numerico delle macchine utensili, nei terminali dei PC (stampante, disk-drive, plotter), nella costruzione di robot, ecc. Il valore del passo è, tipicamente, di 1.8°, 2.5°, 3.75°, 7.5° e 30° e dipende dalla struttura tecnologica e dalla tecnica di pilotaggio. I tipi più diffusi sono a quattro o a otto fasi. I primi sono particolarmente utilizzati nel campo della strumentazione e dell’automazione di piccola potenza; sono economici e il circuito di comando è abbastanza semplice. Quelli a otto fasi sono più grandi e sviluppano coppie motrici maggiori; per conto richiedono maggiore potenza di alimentazione e circuiti di comando più complessi. Sono impiegati nei sistemi di posizionamento della macchine utensili e in quelli di trascinamento a velocità variabile. Il verso di rotazione di un motore passo-passo può essere facilmente variato invertendo la sequenza degli impulsi di comando.
I vantaggi dei motori passo passo:
Ovviamente hanno anche difetti:
Per la diversa costituzione tecnologica i motori passo-passo si distinguono in:
Motori a magnete permanente
Motori a riluttanza variabile
Motori di tipo ibrido
Quelli a MAGNETE PERMANENTE presentano:
1. elevate coppie motrici
2. bassa velocità (200-500 step/sec)
3. elevata coppia di arresto
I motori a RILUTTANZA VARIABILE offrono:
Velocità di rotazione più elevata, oltre 10.000 step/sec.
Coppie motrici ridotte.
La coppia di arresto è trascurabile, quindi se le fasi non sono più alimentate il motore continua a ruotare prima di fermarsi.
Il
motore da noi adoperato è un motore a magnete permanente e tali motori
sono costituiti da un rotore a magnete permanente con una o più coppie polari e
da uno statore, a struttura laminata, nelle cui cave sono alloggiati due o più
avvolgimenti opportunamente connessi tra loro. Nella figura che segue si
riporta la struttura interna.
Il rotore appare come una coppia di ruote dentate affiancate e solidali all'albero (i 'denti' sono chiamati coppette) costituite da un nucleo magnetico (le due ruote sono permanentemente magnetizzate, una come NORD, l'altra come SUD) e le coppette in materiale ferromagnetico. Il numero di denti è variabile ma 50 è in assoluto il più frequente. Tra le due ruote è presente uno sfasamento esattamente pari ad 1/2 del passo dei denti: il dente di una delle due sezione corrisponde quindi alla valle dell'altra. Nel rotore non sono presenti fili elettrici e quindi manca completamente ogni connessione elettrica tra la parte in movimento e quella fissa. In genere il rotore è montato su cuscinetti a sfera, anche nei modelli economici.Lo statore appare come il classico insieme di avvolgimenti ed il circuito magnetico è costituito da 4 o, più frequentemente, 8 'espansioni polari'. All'interno dello statore sono presenti piccoli denti che si affacciano esattamente a quelli del rotore. O meglio, sono esattamente affacciati al rotore solo il gruppo di denti appartenenti ad una espansione polare e a quella opposta; le altre coppie sono sfalsate rispettivamente di 1/4, 1/2 e 3/4 del passo dei denti. Avvolti intorno ai poli magnetici dello statore ci sono i fili che, opportunamente percorsi da corrente, generano il campo magnetico.
I motori a magnete permanente si basano sul seguente principio di funzionamento
Due bobine percorse da correnti sfasate tra loro immerse in un campo magnetico generano una forza che mette in movimento il rotore.
La figura mostra la struttura di un motore passo passo a magnete permanente con avvolgimenti statorici bipolari ed il corrispondente simbolo elettrico.
Va sottolineato che la velocità di rotazione dipende dal modo con cui i poli elettromagnetici (avvolgimenti statorici) sono commutati (switched) e che la sequenza delle commutazioni stabilisce la direzione della rotazione.
I modi per invertire l’intensità di corrente sono due e distinguono i motori passo-passo a magnete permanente in: MOTORI BIPOLARI, MOTORI UNIPOLARI
Il termine BIPOLARE indica che la corrente può circolare negli avvolgimenti in entrambi i versi.
Per esempio se la fase A è connessa al morsetto + della tensione
di alimentazione e B a quella -, la corrente scorre da A verso B. Alimentando
in sequenza uno o entrambi gli avvolgimenti si genera un campo magnetico per
cui il rotore, come un ago della bussola, si muove orientandosi nella direzione
del campo magnetico di statore.
In figura si mostra il pilotaggio bipolare.
Vantaggi: la coppia erogata dal motore è tutta disponibile.
Svantaggi: per invertire il campo magnetico è necessario un commutatore per ogni bobina statorica.
Il tipo UNIPOLARE è formato da un avvolgimento a tre poli su ogni nucleo statorico.
La bobina oltre ai capi finali possiede un polo centrale che dimezza l’impedenza del carico costituito dall’avvolgimento.
Vantaggi: serve un solo commutatore singolo per avvolgimento statorico per invertire il verso magnetico di statore.
Svantaggi: ridotta coppia motrice; solo metà avvolgimento è interessato.

In figura si mostra il pilotaggio unipolare.
Nel caso di motori unipolari la coppia motrice aumenta all’aumentare della corrente, chiaramente fino ad un valore massimo di corrente per il quale si ha la saturazione magnetica dello statore ed inoltre essa dipende anche dalla frequenza. Infatti è legata in modo direttamente proporzionale al periodo. Ma l’aumento della frequenza comporta anche il non raggiungimento del valore nominale della corrente, in quanto il numero di commutazioni aumenta di pari passo.
COMANDO DELLE FASI
Sono possibili tre modi fondamentali di comando delle fasi in un motore bipolare:
COMANDO A SINGOLA FASE
COMANDO A PASSO INTERO
COMANDO A MEZZO PASSO
I tre modi di funzionamento sono sintetizzati nella tabella che segue in cui con zero si indica che quell’avvolgimento non è alimentato. La freccia indica la posizione N-S della coppia polare del rotore per meglio evidenziare sia il verso di rotazione che il passo.
Dall’analisi delle tabelle di funzionamento del motore si evince che il comando a singola fase e quello a passo intero sono equivalenti e forniscono un passo di 90°. Con il comando half-step si ottengono passi di 45°. Nella pratica i motori sono realizzati con rotori a più coppie polari in modo da ottenere passi angolari ridotti.
I motori passo-passo unipolari presentano una struttura analoga a quella dei motori bipolari, solo che vengono avvolti quattro avvolgimenti, due in verticale e due in orizzontale ognuno dei quali può essere attraversato dalla corrente in un solo verso da cui il nome unipolare. In figura si mostra il simbolo elettrico e la tebella di funzionamento per il comando half-step con passo di 45°.
CARATTERISTICHE ELETTROMAGNETICHE
Il motore passo-passo soffre di diversi problemi nel momento in cui viene effettuato il cambio di velocità, a causa del suo principio di funzionamento che lo fa assomigliare ad un motore sincrono. Infatti tutti i dispositivi meccanici, a causa dell'inerzia, non possono subire accelerazioni troppo brusche. Un classico motore elettrico reagisce alla richiesta di improvviso aumento di velocità con un momentaneo aumento dell'assorbimento di corrente ed un graduale e relativamente lento aumento di velocità. Nel momento in cui improvvisamente cambia la frequenza in ingresso al dispositivo di pilotaggio del motore passo-passo, lo stepper tenta di adeguarsi (quasi) istantaneamente alla nuova velocità: se la coppia disponibile è sufficiente vi è una brusca accelerazione, praticamente istantanea; se la coppia non basta a vincere l'inerzia e gli attriti,
semplicemente il motore si ferma e, senza un intervento esterno, non è più in grado di ripartire: si dice che il motore 'ha perso il passo'. Questo comportamento deriva dal fatto che la velocità del motore è rigidamente controllata dall'elettronica e che la corrente assorbita è fissa e praticamente indipendente dalla coppia meccanica resistente. Una simile reazione vi è anche nel caso di applicazione di una improvvisa coppia resistente al motore già in moto. Un motore DC, per esempio, semplicemente rallenta per adeguarsi alla nuova situazione ed aumenta l'assorbimento di corrente. Uno stepper invece non può rallentare: se la coppia resistente è relativamente piccola, la velocità non cambia assolutamente; se la coppia è troppo grande, il motore perde il passo e si ferma.
Questo
comportamento è descritto dal seguente grafico con il legame tra coppia e
velocità.
La curva di pull-out indica quale è la massima coppia resistente che può essere applicata al motore in rotazione ad una data velocità costante senza causare il blocco. In pratica rappresenta le massime prestazioni del motore.
TX-RX A RAGGI INFRAROSSI
Il dispositivo è costituito da uno stadio trasmittente e da uno ricevente.
Per la realizzazione di tale stadio, modulato in FM, occorrono due soli integrati, un transistor e tre diodi all’infrarosso.
SCHEMA ELETTRICO
Il segnale da applicare sulla presa “ENTRATA BF” viene prelevato, tramite una presa jack, dalla presa cuffia di un televisore o di una radio. Poiché il segnale trasmesso è mono, è necessario collegare due resistenze da 1.000 ohm 1/8 di watt ai due terminali interni della presa jack come è mostrato nella figura sottoriportata.
Il segnale di BF, passando attraverso il condensatore C8 da 1 microfarad, raggiunge il trimmer R3 che serve per dosare l’ampiezza del segnale BF da applicare sull’ingresso non invertente del primo operazionale IC2/B utilizzato come preamplificatore ed equalizzatore di preenfasi
La
funzione della rete di preenfasi è: cambiare l’andamento del segnale BF in
funzione del rumore che comparirà in trasmissione consentendo, in ricezione, di
ottenere un rapporto S/N costante e dunque una qualità della trasmissione
accettabile. Praticamente la suddetta rete non fa altro che offrire una
reattanza capacitiva sempre più piccola all’aumentare della frequenza,
generando un segnale d’uscita che cresce all’aumentare della frequenza.
Il segnale amplificato viene poi applicato, tramite la resistenza R14 ed il condensatore C14, sul piedino 5 di IC3 che è un NE555
Il TIMER555 è un circuito integrato a 8 piedini progettato specificatamente per funzionare da multivibratore astabile e monostabile. Deve il suo nome al fatto di possedere al suo interno tre resistenze ciascuna di valore 5 kW. Nonostante la Signetics lo abbia lanciato sul mercato dal 1972, il timer 555 viene ancora largamente utilizzato grazie alla sua versatilità. Fra le caratteristiche più importanti ricordiamo:
Singola alimentazione regolabile tra 5 V e 15 V;
Durata dell’impulso o periodo di oscillazione regolabile da alcune decine di microsecondi ad alcune decine di minuti;
Capacità di carico fino a 200 mA;
Uscita CMOS o TTL compatibile se si utilizza la stessa Vcc;
Stabilità in temperatura migliore dello 0.005% per grado centigrado.
Nella figura soprastante si riporta lo schema interno dell’integrato

Il timer 555 risulta essere costituito da due comparatori
(invertente e non), un flip.plop S-R, un BJT NPN, un buffer invertente, da tre
resistenze in serie da 5 kW. Il piedino 1, indicato con
GND è la massa mentre il piedino 8, indicato con Vcc è quello a cui
va applicata la tensione di alimentazione. Il piedino 6 threshold è
collegato all’ingresso non invertente del comparatore che pilota l’ingresso di
reset del flip-flop mentre l’ingresso invertente dello stesso comparatore è
polarizzato al valore di
tramite il partitore
resistivo se si lascia flottante l’ingresso control voltage posto al
piedino 5 (in tal caso si preferisce collegare un condensatore tra il piedino 5
e massa che filtri gli eventuali disturbi di alta frequenza che altererebbero i
riferimenti dei comparatori). Il piedino 2, detto trigger, è collegato
all’ingresso invertente del comparatore che pilota l’ingresso di set del
flip-flop mentre l’ingresso non invertente dello stesso comparatore è
polarizzato al valore
dal precedente partitore. Applicando una tensione esterna
all’ingresso 5 direttamente o tramite un’opportuna resistenza, si modifica il
rapporto di partizione delle tensioni applicate ai comparatori. Il piedino 4 è
collegato all’ingresso di azzeramento del flip-flop e funziona in logica
negativa. Il piedino 7, indicato con discharge, è il collettore aperto
del BJT la cui base è connessa all’uscita complementata del flip-flop e
l’emettitore è collegato a massa. Il piedino, indicato con output, è
l’uscita del buffer invertente anch’esso pilotato dall’uscita complementata dal
flip-flop.
Curve caratteristiche di trasferimento dei due comparatori

2/3Vcc
COMPARATORE NON INVERTENTE COMPARATORE INVERTENTE
Il timer 555 in questa particolare configurazione viene utilizzato per modulare in frequenza l’onda quadra che preleviamo dal suo piedino d’uscita 3. Ruotando il trimmer R12 da 10.000 ohm posto sul piedino 7, è possibile variare la frequenza portante da un minimo di 180 KHz fino ad un massimo di 200 KHz, così da poterla facilmente sintonizzare sulla frequenza sulla quale risulta sintonizzato il ricevitore.
Di fianco è mostrato lo schema elettrico del timer 555 che funziona da astabile. Si noti che i piedini 2 e 6 sono collegati tra di loro ed assumono lo stesso potenziale del condensatore C. Il funzionamento è il seguente: quando si fornisce alimentazione al circuito i piedini 2 e 6 sono a potenziale zero se il condensatore C è inizialmente scarico. Tenendo conto dello schema a blocchi e delle curve di trasferimento dei comparatori si ha:
R = 0
Q = 1
Poiché la base del BJT e il buffer sono collegati all’uscita complementata del flip-flop si ha il BJT in interdizione e output (piedino 3) a livello 1. Il condensatore tende a caricarsi al valore Vcc attraverso la resistenze R15 con costante di tempo pari a:
Quando C raggiunge il potenziale Vcc/3 il comparatore trigger commuta portando
Lo stato del flip-flop non varia e C continua a caricarsi. Raggiunto però il valore 2VCC/3 commuta anche il comparatore threshold e si ha
S=0
R=1
Il flip-flop commuta e di conseguenza il BJT entra i saturazione e l’uscita si porta a 0. Tra il piedino discharge e massa c’è ora una ddp pari a Vce sat che, in prima approssimazione, è zero. Il condensatore si scarica attraverso d e R13//R15 con costante di tempo pari a:
Lo
stato del flip-flop resta immutato finché Vc è compreso
nell’intervallo
e
in quanto si verifica
S=R=0. Quando Vc scende al di sotto di
si riottiene S=1, R=0
per cui il BJT torna interdetto caricando C e l’uscita si riporta a 1. In
conclusione, la ddp di C oscilla tra
e
e l’uscita tra 0 e Vcc.
La modulazione di frequenza adottata è dunque una modulazione di posizione impulsiva PPM. Infatti, si è collegato al piedino n.5 “control voltage” del NE.555, in configurazione astabile, il segnale modulante BF ottenendo in uscita onde quadre con frequenza dipendente dall’ampiezza del segnale modulante applicato al pin 5. Nella PPM, le ampiezze degli impulsi sono tutte eguali, le loro durate anche, ma la loro posizione, anticipata o ritardata rispetto a quella di riposo, racchiude l’informazione della modulante. Quanto più il segnale analogico è positivo, tanto più ritardata è la posizione degli impulsi rispetto alla posizione di riposo. Quanto più negativo è il segnale analogico, tanto più è anticipata la loro posizione, secondo lo schema di figura.
Il funzionamento del trasmettitore è, dunque, tutto basato sull’integrato IC3, il quale non solo ci permette di variare la frequenza di sintonia e di modulare la portante generata in FM, ma anche di fornire sul piedino 3 un’onda quadra con un duty-cycle del 90%.Tale onda quadra serve per il pilotaggio del transistor TR1, un PNP usato come generatore di corrente costante per alimentare i tre diodi emittenti all’infrarosso collegati in serie sul Collettore. Quando l’onda quadra rimane per un tempo del 90% a livello logico 1, il transistor TR1 che è un PNP non conduce, quando invece si commuta sul livello logico 0 per un tempo del 10 % il transistor si porta in conduzione e provvede ad alimentare i tre diodi all’infrarosso.
Nel trasmettitore l’operazionale IC2/A viene utilizzato per controllare che il segnale di BF utilizzato per modulare l’integrato IC3 non superi il massimo livello consentito, onde evitare distorsioni. Se, durante la modulazione, si nota che il diodo DL2 si accende, sarà necessario ruotare il cursore del trimmer R3 oppure abbassare il volume del televisore fino a spegnerlo. Questo trasmettitore a raggi infrarossi va alimentato con una tensione stabilizzata di 12 Volt, che preleviamo dallo stadio di alimentazione composto dal trasformatore T1, dal ponte raddrizzatore RS1 e dall’integrato stabilizzatore IC1.
Il regolatore utilizzato è un LM7808. La tensione fornita dal filtro presenta, infatti, sovrapposta alla componente continua, un’evidente ondulazione residua.
Il regolatore ha il compito di mantenere la tensione d’uscita il più possibile costante, indipendentemente dalle variazioni della tensione di ingresso, del carico e della temperatura. Il 7808 è un regolatore in grado di fornire una tensione di uscita pari +12V e una corrente massima di 1A. Al suo interno il regolatore presenta un limitatore di corrente ed una protezione termica. Il primo fa si che, in caso di cortocircuito, la corrente di uscita non superi il valore massimo di 1,5A. La seconda interviene quando la temperatura del chip raggiunge valori pericolosi, che intaccherebbero l’integrità del componente, interrompendo l’erogazione di corrente.
Caratteristiche:
corrente d’uscita superiore di 1A ;
protezione interna di sovraccarico termico ;
non richiede componimenti esterni ;
area di sicurezza per l’uscita ;
area di sicurezza per l’uscita ;
limitazione della corrente interna di corto circuito ;
disponibile in un contenitore di alluminio .
Si riporta lo schema pratico di montaggio dello stadio trasmittente
![]() |
Per captare tale segnale ci si serve di un normale diodo ricevente all’infrarosso tipo BPW34, che è possibile sostituire con un altro che abbia identiche caratteristiche. Come appare evidenziato nello schema elettrico questo diodo viene collegato tra il collettore e la massa del transistor PNP siglato TR1. Tale transistor posta in questa configurazione non amplifica nessun segnale ma esplica una funzione molto più utile, perché evita che il fotodiodo ricevente DRX, vada in saturazione nel caso venga colpito da una luce intensa.
Il segnale modulato captato da questo fotodiodo, passando attraverso il condensatore C3, raggiunge la Base del transistor TR2 che provvede ad amplificarlo. Sul collettore di tale transistor è presente un circuito L/C (Filtro passa-basso) sintonizzato sulla frequenza di 200 KHz circa, che provvede a rendere l’ingresso molto selettivo. Quindi nel piedino di ingresso 18 dell’integrato IC1 entra la sola frequenza dei 200 KHz. Per calcolare la frequenza di accordo di questo filtro è possibile usare la formula:
KHz:=159.000:![]()
Consultando l’elenco dei componenti si può notare che la JAF1 ha un valore di 220 microhenry, mentre il valore del condensatore C4 risulta di 3.300 picofarad. Inserendo nella formula sopra riportata il valore di C4 e quello di JAF1, questo circuito si sintonizzerà sulla frequenza di:
159.000:![]()
Considerando la tolleranza del condensatore C4 e dell’induttanza JAF1 questo circuito si sintonizzerà sui 180-200 KHz, ma di questo non bisognerà preoccuparsi perché è possibile correggere tale tolleranza ruotando il trimmer R12 del trasmettitore.
L’integrato
IC1 è un completo ricevitore in FM siglato NE.615 costruito dalla Philips.
Di questo integrato non viene usato il primo mixer e lo stadio oscillatore, mentre viene usato lo stadio amplificatore di MF ed il suo demodulatore FM. Come già accennato la frequenza dei 200 KHz circa, prelevata dal collettore del transistor TR2,viene inviata sul piedino 18 di IC1 per essere amplificata internamente. Il segnale amplificato, che fuoriesce dal piedino 16, passa attraverso un filtro passa/banda, ovviamente accordato sui 200 KHz, composto dalle impedenze JAF2-JAF3 e dai condensatori C12-C13-C14.
Il segnale filtrato viene inviato sul piedino 14 per essere demodulato. Dal piedino d’uscita 9 fuoriesce il segnale di BF che, tramite la resistenza R11, viene applicato sulla Base del transistor TR3. Il segnale che preleviamo dal suo Emettitore, prima di essere applicato sul potenziometro di volume siglato R14, viene filtrato tramite la resistenza R13 ed il condensatore C25. Poiché questo segnale non è in grado di pilotare un carico a bassa impedenza come quello di una cuffia, lo amplifichiamo con uno stadio finale a ponte, utilizzando un integrato NE.5532 che presenta il vantaggio di consumare una corrente irrisoria. Come appare evidenziato in figura 6, i due auricolari della cuffia vanno direttamente collegati alle uscite di IC2/A e di IC2/B. I due auricolari di una cuffia stereo debbono risultare collegati in serie, e per farlo è sufficiente non collegare a massa la parte metallica posteriore del connettore jack. Questo ricevitore viene alimentato con una normale pila radio da 9 volt. Poiché la tensione di alimentazione dell’ integrato IC1 non deve mai superare gli 8 volt, si è provveduto ad abbassare i 9 volt della pila di circa 1.3 volt collegando in serie due diodi al silicio.
Per ricevere il segnale emesso dal trasmettitore è necessario sintonizzare la frequenza del trasmettitore con quella sulla quale è sintonizzato il ricevitore, che potrebbe essere compresa tra un minimo di 180 KHz ed un massimo di 200 KHz. Per effettuare la taratura si procede nella seguente maniera:
si collega lo spinotto jack del trasmettitore alla presa di uscita cuffia di una TV o di un ricevitore;
si regola il volume della TV o del ricevitore su un valore medio, poi si ruota il trimmer R3 del trasmettitore fino a far accendere il diodo led DL2 e, ottenuta tale condizione, si abbassa leggermente il volume fino a farlo spegnere.
Preso il ricevitore lo si colloca a circa 1 metro di distanza dal trasmettitore, rivolgendo i suoi diodi emittenti verso il diodo ricevente.
Il cursore del trimmer R12 va ruotato lentamente sino a quando non si sente in cuffia il segnale emesso.
Per sintonizzare con più precisione la frequenza emessa dal trasmettitore è necessario allontanarsi di 3-4 metri e ritoccare il cursore del trimmer R12.
La massima portata che si può raggiungere si aggira in media attorno ai 6 metri. Quando la portata massima viene superata l’audio comincerà ad attenuarsi e sarà accompagnato da un fruscio.
|
Politica de confidentialitate | Termeni si conditii de utilizare |
Vizualizari: 7585
Importanta: ![]()
Termeni si conditii de utilizare | Contact
© SCRIGROUP 2025 . All rights reserved
Distribuie URL
Adauga cod HTML in site