| CATEGORII DOCUMENTE |
| Aeronautica | Comunicatii | Electronica electricitate | Merceologie | Tehnica mecanica |
ACTIONARI ELECTRICE
Actionarea electrica inseamna comandarea mecanismelor (a utilajelor) cu ajutorul energiei electrice. Formele primitive de de actionare au fost: manuala sau cu piciorul si animala. Au urmat apoi roata de vant si roata hidraulica, masina cu aburi, motorul cu ardere interna si motorul electric.
Actionarea electrica a fost impulsionata in urma introducerii curentului alternativ, datorita marilor avantaje ale acestuia in transportul si distributia energiei electrice.
Initial s-a folosit actionarea electrica pe grup (de la un motor, prin transmisii cu curele, se antrenau mai multe mecanisme), actualmente exista numai actionare individual4, care prezinta multiple avantaje si care duce la o crestere a productivitatii muncii, la o reducere a pretului de cost si la o ridicare a calitatii productiei.
Perfectionarea actionarii electrice, prin folosirea pe scara din ce in ce mai mare a comenzilor automate, a creat posibilitatea automatizarii proceselor tehnologice, ridicand indicii tehnico-economici ai productiei.
1.Bazele dinamicii mecanismelor actionate electric
Principalele elemente ale unei actionari electrice pot fi reprezentate schematic in fig.1.1, in care:
I - reprezinta motorul electric de actionare
II - mecanismul executor;
III - masele totale de inertie;
a - panou de aparate electrice;
b - post de comanda
Motorul electric primeste energia electrica si este comandat de partea pur electrica a actionarii (a si b)
Piesele in miscare ale agregatului mecanic inmagazineaza si cedeaza energie cinetica, intervenind in legile miscarii prin inertia lor. Pentru marirea capacitatii de acumulare si de cedare a energiei cinetice, la unele actionari electrice se adauga o masa de inertie suplimentara sub forma unui volant.
La stabilirea regimului de miscare a agregatului mecanic intervin, in general trei cupluri corespunzatoare elementelor I, II si III din fig. 1.1 :
cuplul motor dezvoltat de motorul electric;
cuplul rezistent dezvoltat de mecanismul executor;
cuplul dinamic prin care masele de inertie se opun schimbarilor de viteza.
Suma algebrica a acestor trei cupluri trebuie sa fie totdeauna nula, adica se poate scrie relatia :
M - Mr - Md = 0,
Cuplul motor al motoarelor electrice poate fi de mai multe feluri si anume:
a) Cuplul motor constant . In functionarea normala, motoarele electrice nu dezvolta cuplu constant la arbore, adica independent de viteza si de pozitia relativa intre campul statoric si campul rotoric. Totusi se admite uneori ca motorul dezvolta un cuplu constant (de exemplu, in cazul unui sistem de comanda automata care mentine cuplul constant, indifferent de variatiile altor parametri ).
b) Cuplul motor dependent de viteza unghiulara . La o mare parte din motoare cuplul variaza in functie de viteza rotorului (la motoarele de c.c. si la cele asincrone cu sau fara colector). La aceste motoare, ca sa existe cuplu motor este necesar sa existe o viteza relativa intre infasurarea indusului si campul magnetic inductor (resultant) al masinii.
c) Cuplul motor dependent de unghi. Viteza de rotatie a motorului este constanta si independenta de sarcina (cazul motoarelor sincrone; cuplul motor se produce datorita decalarii polilor campului rotoric de polii campului statoric). Cuplul motor la arbore este dependent de unghiul de decalaj dintre axa polilor campului rotoric si axa polilor de nume contrar al campului magnetic invartitor statoric, vitezele de rotatie fiind aceleasi.
In ceea ce priveste variatia turatiei in functie de momentul cuplului motor, motoarele electrice prezinta trei tipuri de caracteristici: caracteristica tip derivatie (curba 1 fig. 1.2), caracteristica tip serie (curba 2) si caracteristica rigida (curbe 3).
Caracteristica tip derivatie au motoarele de c.c. cu excitatie in derivatie, motoarelele asincrone trifazate si motoarele de c.a. cu colector; aceste motoare sunt indicate a fi utilizate in cazul actionarilor la care se cere o viteza aproximativ constanta in functie de sarcina si nu sunt indicate pentru actionarile unde se ivesc suprasarcini.
Caracteristica tip
serie au motoarele serie de c.c., motoarele serie de c.a. trifazat si
monofazat cu colector si motoarele cu repulsie. Aceste motoare sunt utilizate
la actionarile cu sarcini variabile (la masinile de ridicat) si la actionarile
unde se cere un cuplu mare de pornire pentru accelerarea maselor (mecanisme de
transport, tractiune electrica etc.).
Caracteristica rigida au motoarele sincrone, la care turatia motorului nu variaza cu sarcina motorului. Aceste motoare sunt utilizate in actionarile la care turatia trebuie mentinuta constanta, indiferent de sarcina.
Cuplul rezistent de la arborele motorului depinde de masina de lucru antrenata. Cuplul rezistent constant independent de turatie se intalneste la masinile de ridicat si la masinile unelte (strunguri, masini de gaurit, etc.). In acest caz puterea este proportionala cu turatia:
[W], (1.1)

Caracteristicile n(M) si n(P) sunt
reprezentate in fig.1.3 a si b prin
curba1.
Cuplul rezistent variabil in functie de viteza de roatatie se intalneste la toate actionarile la care trebuie invinsa rezistenta aerului sau a unui lichid. In acest caz cuplul rezistent este proportional cu patratul vitezei de rotatie. Caracteristicile n(M) si n(P) sunt reprezentate in fig 318a si b prin curba 2. Relatiile corespunzatoare sunt:
si
,
in care Mi si Pi sunt momentul cuplului respectiv puterea la turatia ni . In general, pe langa cuplul rezistent proportional cu turatia mai intervine un cuplu constant dat de frecarile din motor si mecanismul antrenat la mers in gol. Curbele 3 din fig 1.3a si b reprezinta variatia n(M) si n(P) pentru acest caz, iar relatiile sunt:
![]()
si
,
Un caz rar intalnit an practica este cuplul rezistent proportional cu viteza de rotatie. Curbele 4 din fig 1.3 a si b reprezinta variatia n(M) si n(P) pentru acest caz, iar relatiile respective sunt:
si
,
Un alt caz care mai poate fi intalnit in practica este si cel corespunzator micsorarii cuplului odata cu cresterea vitezei de rotatie( la masinile de infasurat suluri de tabla, hartie, etc. viteza materialului de tractiune si forta de tractiune sunt constante, independent de diametrul sulului si deci viteza de rotatie scade odata cu cresterea diametrului, iar cuplul rezistent creste). Curbele 5 din figura 1.3 a si b dau variatia n(M) si n(P) pentru acest caz, iar relatiile corespunzatoare sunt:
si
,
Cuplul rezistent variabil in functie de unghiul de rotatie, se intalneste la toate masinile de lucru cu pistoane (pompe, compresoare cu pistoane etc.); la acestea Mr este o functie periodica a unghiului arborelui. In acest caz cuplul Mr se poate descompune intr-un cuplu mediu Mm caruia i se suprapune un cuplu alternativ.
2. Alegerea tipului de motor electric
Functionare in conditii optime a agregatului de productie depinde de alegerea justa a motorului electric care sa antreneze agrgatul respectiv.
Alegerea tipului de motor electric se face in asa fel incat caracteristica sa mecanica sa corespunda caracteristicii mecanice a masinii de lucru pe care o antreneaza. In aceasta privinta sunt trei categorii de motoare electrice si anume:
cu viteza riguros constanta si independenta de sarcina; din aceasta categorie fac parte motoarele sincrone si motoarele de c.c. cu excitatie mixta;
cu viteza variind putin cu sarcina (cu caracteristica tip derivatie);
cu viteza variind mult cu sarcina(cu caracteristica serie).
In majoritatea cazurilor, masinile unelte necesita motoare cu caracteristica tip derivatie (motoarele asincrone trifazate). Se recomanda alegerea motoarelor de c.a. intrucat cele de c.c. necesita instalatii suplimentare pentru redresarea c.a..
La alegerea motorului trebuie sa se tina seama si de conditiile mediului ambiant in care trebuie sa se lucreze, alegandu-se tipul constructiv prevazut cu protectia necesara. In privinta protectiei motoarelor electrice fata de mediul exterior, exista urmatoarele tipuri constructive:
motoare deschise;
motoare protejate sau semiinchise;
motoare inchise.
Motoarele de tip deschis au elemente conducatoare de curent ca: perii, inele colectoare etc., fara protectie speciala. Asemenea motoare au o buna racire, sunt mai usoare si mai ieftine. Au dezavantajul ca nu pot fi folosite in locurile de lucru in care se afla corpuri marunte, praf si murdarie care ar putea sa intre in corpul masinii.
Motoarele de tip protejat sau semiinchis sunt construite in asa fel incat sa se evite patrunderea obiectelor straine in interiorul masinii; in schimb poate intra in masina, aerul, praful, umezeala si orice gaz. Aerul de racire intra si iese prin mici orificii, restul motorului fiind complect inchis. Printr-o dirijare buna a curentului de aer, aceste motoare au o buna ventilatie. Acest tip de motor este cel mai raspandit.
Motoarele de tip inchis sunt protejate contra prafului, a gazelor si a umiditatii. Ele pot fi simplu inchise, capsulate si protejate contra exploziilor.
Motoarele simplu inchise au organele in miscare, infasurarile si elementele conducatoare de curent inchise fata de mediul exterior in care se afla masina.
Motoarele capsulate sunt inchise ermetic, corpul lor fiind separat etans fata de mediul inconjurator. Motorul poate fi scufundat complet in apa timp de 4 ore, fara ca apa sa patrunda in interior.
Motoarele protejate contra exploziilor sunt astfel construite incat sa reziste, in cazul unei explozii de gaze in interiorul masinii si sa nu transmita flacara gazului in exterior.
La toate tipurile de masini inchise racirea se face prin carcasa care este prevazuta cu nervuri radiale. In unele cazuri motorul are si un ventilator exterior, acoperit cu un capac lateral, care usureaza racirea. Racirea acestor motoare facandu-se mai greu, gabaritul lor este mai mare si pretul de cost este mai mare decat la alte tipuri de aceeasi putere.
Tipurile constructive privind protectia contra atingerii si patrunderii lichidelor sunt standardizate prin STAS 625-71 si STAS 5325-70. Tipurile normale de protectie sunt simbolizate prin literele I.P. urmate de doua cifre. Prima cifra indica tipul de protectie contra atingerii si patrunderii corpurilor straine, iar a doua cifra caracterizeaza tipul de protectie contra lichidelor. Sunt standardizate sase grade de protectie contra atingerilor si patrunderii corpurilor straine si opt grade de protectie contra lichidelor. Combinatiile celor doua categorii de grade de protectie sunt in practica mult mai reduse decat posibilitatile teoretice. Mai uzuale sunt urmatoarele combinatii:
-IP20 si IP23 pentru utilizari in incaperi inchise, fara praf;
-IP44 si IP54 pentru utilizari in hale de productie cu praf;
-IP56 si IP67 pentru masini electrice navale.
Mentionam ca se construiesc masini electrice cu protectii speciale (de ex. de tip antigrizutos).
Pentru diferite tipuri de motoare privind: principiul de functionare, varianta constructiva, varianta de mediu, etc., exista o gama mai larga de caracteristici mecanice. In instalatiile de utilizare a energiei electrice intereseaza in mod deosebit puterea si turatia nominala a motorului. Motoarele electrice de un anumit tip se construiesc pentru anumite puteri si turatii standardizate, formand serii unitare de masini electrice.
Vom arata cateva serii unitare de motoare electrice fabricate in tara.
-motoare asincrone trifazate cu rotorul in scurtcircuit de uz general- simbol ASI, protectir IP44, IP54, IP55(caracteristicile sunt prevazute in STAS 1764-70). Gamele de puteri , parametrii si dimensiunile acestor motoare se dau in cataloagele de masini electrice sau in indreptarele de proiectare.
- motoarele asincrone trifazate cu rotorul bobinat, de uz general, simbol AFI, cu protectie IP44, pentru mediu normal (caracteristicile fundamentale sunt date in STAS 1764-70).
- masinile sincrone(motoarele si generatoarele) au simbolul MS, urmaat de I- protectie IP22; O-protectie IP00; A-protectie IP23.
- motoaarele de c.c., din seria pentru uz general, au simbolul Ci sau Ce, si sunt construite pentru protectia IP23, IP44 sau IP55.
In afara acestor motoare se mai construiesc diferite masini de c.c. (generatoare si motoare) pentru anumite aaplicatii industriale sau cu anumite particularitati ale caracteristicilor (de exemplu motoare cu frana electromagnetica pentru instalatiile de ridicat, motoare cu reglaj foarte larg aal turatiei, grupuri generator-motor, generatoare de c.c. antrenate de motoare asincrone trifaazate destinate sudarii electrice, masini pentru tractiune electrica etc.)
3. Alegerea puterii motorului electric
Alegerea corecta a puterii motorului electric are o importanta deosebita. Subdimensionarea motorului electric duce la supraincalzirea si deci deteriorarea rapida a izolatiei. Cuplul de pornire si capacitatea de supraincarcare pot fi prea mici, de unde poate rezulta reducerea productivitatii utilajelor, in special in cazul pornirilor dese. Supradimensionarea motorului duce la sporirea inutila a cheltuielilor de investitie, la reducerea randamentului si in cazul motoarelor asincrone, la reducerea factorului de putere, ceea ce atrage o crestere a costului energieri electrice, respective alte cheltuieli de investitie pentru ameliorarea factorului de putere.
In general, in practica, se observa tendinta de a supradimensiona motoarele, fie din lipsa de date suficiente asupra caracteristicilor sau randamentelor utilajelor antrenate, fie din grija de a evita supraincarcarea, chiar temporara a motoarelor.
Criteriul principal care trebuie luat in considerare, pentru alegerea corecta a puterii motoarelor este incalzirea acestora. Pierderile de energie - inerente functionarii oricarei masini electrice - provoaca solicitari termice ale izolatiei electrice, scurtand durata de serviciu. Durata de functionare normala considerata 20-25 ani, corespunde unor temperature limita, dependente de cele sapte clase de izolatie: Y(900)C, A(1050C), E sau AB(1200C), B(1300C), F(1550C), H sau CB(1800C). Pentru izolatia de clasa A ( celuloza, matase, lemn cu lacuri si uleiuri) durata de serviciu (medie statistica) scade la jumatate pentru fiecare crestere cu 80C a temperaturii izolatiei. Rezulta de aici importanta deosebita a imbunatatirii transmisiei cldurii prin micsorarea temperaturii izolatiei si a cunoasterii procesului de incalzire si racire prin analiza solicitarii termice din timpul functionarii.
In afara de incalzire, motoarele trebuie verificate si din punct de vedre al cuplului de pornire si al capacitatii de supraincarcare, in functie de caracteristicile masinilor de lucru si regimul tehnologic.

Incalzirea
si racirea masinilor electrice se trateaza considerand masina omogena din
puct de vedere termic. Notand cu (incalzirea masiii) - diferenta dintre
temperature masinii si cea a mediului ambient, curbele care reprezinta variatia
in timp a incalzirii si respective a racirii masinii, adica variatia t), sunt date in fig, 319a si b unde a reprezinta incalzirea admisibila in regim
permanent si o - valoarea initiala a diferentei de temperatura.
Pentru masinile electrice normale, alegerea solicitarilor normale si calculul de incalzire- racire se face in ipoteza unei temperature a mediului ambient de maximum 400C.
Pentru a defini incarcarea unei masini (STAS 1893-73), in concordanta cu recomandarile CEI (Comisiei electrotehnice internationala), se introduce notiunile de reegim de functionare si de serviciu tip.
Regimul este dat de ansamblul de valori numerice ale marimilor electricesi mecanice care caracterizeaza functionarea masinii electrice. Regimul nominal corespunde deci, functionarii masinii cu valorile numerice ale parametrilor numerici egale cu cele nominale. In funtionarea sa o masina electrica poate trece prin mai multe regimuri, incepand cu regimul de mers in gol, regimuri sinusoidale, regimuri nominale, regimuri de suprasarcina (supranominale) si regimuri de scurtcircuit. Notiunea de regim caracterizeaza funtionarea masinii la un moment dat.
Pentru a defini incarcarea in timp unei masini elcetrice s-a introdus notiunea de serviciu, care precizeaza succesiunea si durata de mentinere a regimurilor.
Serviciul nominal de funtionare a unei masini este caracterizat de valorile numerice ale parametrilor masinii stabilite de producator si inscrise pe eticheta, iar serviciul tip, carcterizat printr-o succesiune normalizata a unor regimuri specifice.
Serviciile tip ale masinilor electrice sunt in numar de opt si sunt strans legate de regimul termic al masinii. Serviciile tip mai frecvent intalnite in practica sun urmatoarele:
Serviciul continuu - S1, care corespunde funtionarii masinii cu o sarcina constanta, un timp suficient de mare in care temperature de regim este atinsa rar fara a se depasi limita adimisibila.
Serviciul
de scurta durata - S2, corespunde functionarii masnii cu o sarcina
constanta un timp determinat, mai mic decat cel necesar pentru atingerea
temperaturii de regim, urmat de un repaus sufficient pentru ca masina sa se
raceasca pana la temperature mediului ambient. Curbele P(t)
si (t) sunt date in fig. 3.2.
Serviciul intermitent - S3, corespunde funtionarii masinii dintr-o succesiune de cicluri identice, fiecare continand un timp de functionare cu o sarcina constanta si un timp de repaus. La acest serviciu se defineste notiunea de ciclu corespunzator unei perioade de functionare a masinii, urmata de o perioada de repaus. Durata ciclului se considera 10 minute, daca nu se dau alte indicatii. Temperature masinii in perioada de lucru nu depaseste valoarea temperaturii de regim, iar in timpul perioadei de repaus masina se raceste pana la temperatura apropiata de cea a mediului ambient. Curbele P(t) si (t) sunt date in fig. 3.3.
Daca tl reprezinta intervalul de timp corespunzator functionarii in sarcina a masinii si T, durata ciclului, atunci raportul:
![]()
poarta numele de durata relativa de actionare. Valorile standardizate pentru DA sunt: 15, 25, 40 si 60 % la T= 10 minute.
Determinarea puterii motorului de actionare a mecanismelor cu sarcini constante (serviciu tip S1) se face in felul urmator:
Cunoscand
cuplul maxim de durata cerut de mecanismul antrenat si viteza necesara se
calculeaza puterea maxima ceruta P0 max, folosind relatia (1.1) si
tinand cont de randamentul transmisiei tr, se calculeaza puterea mecanica necesara
la arboreal motorului. Se allege din cataloagele cu puteri nominale ale
motoarelor valorea imediat superioara Pn ≥ Pc max/ tr. Pentru regimul de pronire, cand momentul cuplului motor trebuie sa fie
mai mare decat al cuplului rezistent cu valoarea momentului cuplului dinamic,
nu apar solicitari termice excessive datorita duratei relative scurte a
pornirii in raport cu constanta de timp a incalzirii.
In
cazul serviciului de durata cu sarcina variabila, in care sarcina ia
valorile P1, P2, P3, ., Pn in
intervalele de timp t1, t2, t3, ., tn
(fig. 3.4), alegerea puterii motorului se face aplicand fie metoda pierderilor
medii, fie metoda curentului echivalent, cuplului echivalent si puterii
echivalente.
Metoda pierderilor medii, consta in alegerea pentru inceput, a unui motor cu putere nominala de 1,1 + 1,6 ori puterea medie a diagramei de sarcina P(t) (fig. 3.4). Cu ajutorul curbei randamentului motorului ales se calculeaza pierderile de putere ∆Pi pentru fiecare interval t1, t2, t3, ., tn folosind relatia:
![]()
![]()
![]()
Se calculeaza apoi pierderile de putere medie echivalente Pe proportionale cu cantitatea de caldura mediedin masina,folosind relatia
(1.3)
Aceste pierderi Pe se compara cu cele nominale ale motorului Pn .Daca rezulta Pe>=ΔPn se considera ca alegerea puterii nominale a fost bine facuta , in cazul contrar se calculeaza din nou ΔPe pentru noul motor ales .
Urmeaza apoi
verificarea la cuplurile de pornire ,la suprasarcina precum si verificarea
incalzirii la suprasarcina .Pentru verificarea la suprasarcina se
considera cea mai mare valoare a puterii
din diagrama de sarcina si se determina coeficientul de suprasarcina Pmax/Pn
, care trebuie sa fie
la motoarele asincrone trifazate .
Daca nu se respecta aceasta conditie se alege un motor cu Pn mai mare decat puterea luata initial .
Determinarea puterii motorului de actionare a mecanismelor pentru serviciu intermitent se poate face fie alegand un motor construit pentru serviciu continuu(DA , fie alegand un motor construit special pentru serviciu intermitent .
In primul caz calculul se face in mod analog ca la serviciu continuu cu sarcina constanta sau cu sarcina variabila (folosind relatia (257), facandu-se si verificarea la suprasarcina .
Daca se adopta un motor construit pentru serviciu intermitent, puterea motorului se alege pentru o anumita durata relativa de actionare DA1. Daca durata relativa de actionare are in realitate valoarea DA2, diferita de valoarea standardizata DA1, puterea nominala a motorului se deduce din relatia :

in care P1 reprezinta puterea rezultata initil, din calcule, corespunzatoare lui DA1 .Motorul de putere Pn se alege din seria adoptata (cu durata activa DA1), puterea standardizata imediat superioara valorii obtinute prin calcul.
Alegerea puterii motorului pentru serviciu de scurta durata cu sarcina constanta sau variabila in timpul duratei active, se face adoptand un motor construit anume pentru serviciu de scurta durata sau un motor construit pentru serviciu continuu.
In cazul alegerii unui motor construit pentru serviciu continuu(DA=100%) - aceasta situatie este aplicata cel mai frecvent - puterea nominala a motorului se calculeaza cu relatia :
![]()
in care k
este coeficientul de suprasarcina (
pentru motoarele asincrone trifazate co rotorul in
scurtcircuit). In felul acesta se tine seama de suprasarcinape care o poate
suporta motorul ales, pentru un interval scurt de timp.
Deoarece aceste motoare pornesc, de obicei, cu o sarcina insemnata fata de sarcina lor nominala, verificarea cuplului de pornire are o deosebita importanta.
4. Echipamente si scheme electrice de actionare .
Echipamentul unei actionari electrice rezulta din schema electrica a actionarii respective. Cele mai uzuale scheme pentru actionarile electrice sant schemele desfasurate, in care se reprezinta toate aparatele si masinile electrice impreuna cu conexiunile dintre ele, astfel incat functionarea si legaturile electrice sa fie usor de inteles. In acest scop se utilizeaza o serie de simboluri, in conformitate cu STAS 12120 83. Cele mai des intalnite simboluri sunt date in tabelul urmator
|
Nr crt. |
Semn conventional |
Denumire |
|
|
Efect termic |
|
|
|
Efect electromagnetic |
|
|
|
Efect sau dependenta de un camp electromegnetic |
|
|
|
Comanda prin tragere (impingere ,rotire) |
|
|
|
Legatura: mecanica, pneumatica, hidraulica(sau indicare sens, miscare) |
|
|
|
Miscare intarziata |
|
|
|
Reprezentare monofilara pt.un conductor si trei conductoare |
|
|
|
Priza sau pol al unei prize |
|
|
|
Fisa sau pol al unei fise |
|
|
|
Priza si fisa monopolara |
|
|
|
Inductanta, bobina, infasurare |
|
|
|
Inductanta cu miez |
|
|
|
Dioda |
|
|
|
Tiristor |
|
|
|
Intrerupator mecanic (contact ND) |
|
|
|
Contactor(contact de forta) |
|
|
|
Contact N.I. |
|
|
|
Contact ND(NI) cu temporizare la inchidere(deschidere) |
|
|
|
Contact ND(NI) cu temporizare la deschidere(inchidere) |
|
|
|
Element de comanda a unui releu (bobina cu o infasurare) |
|
|
|
Element de comanda, releu Temporizat la actionare |
|
|
|
Siguranta fuzibila |
Actionarea electrica a utilajelor tehnologice presupune realizarea unor operatiuni privind pornirea, reversarea(schimbarea sensului de rotatie), modificarea turatiei, franarea, etc.. Principiile de realizare a acestor operatiuni s-au prezentat in cadrul capitolelor de masini electrice (pentru principalele tipuri studiate). In cele ce urmeaza se vor analiza schemele clasice pentru comanda automata a actionarilor electrice, adica schemele care realizeaza in mod automat, la o simplaa comanda data de operator, succesiunea manevrelor necesare unei operatiuni de schimbarea regimului de functionare la motorul electric.
Schema de forta contine: motorul electric, circuitul trifazat pentru alimentarea motorului, intreruptoare, contactele de forta ale contactoarelor, sigurante, relee termice(bimetale sau elementul de incalzire ale acestora), infasurarile bobinelor releelor primare, de protectie electromagnetica, sau ale unor relee de curent.
Schema de comanda contine: butoaaane de comanda, limitatoarele de cursa, relee de comanda de toate tipurile, bobinele contactoarelor precum si contactele normal inchise NI sau normal deschise ND ale acestora, elementele de semnalizare (lampi, sonerii, etc.), controlere de comanda, elemente de protectie pentru circuitul de comanda, etc..
Rolul circuitului de forta este de a realiza alimentarea motorului sau de a modifica conexiunile acestuia astfel incat sa indeplineasca scopul propus prin actionarea electrica (pornire, franare, reversare, etc.).
Rolul circuitului de comanda este de a determina realizarea efectiva a operatiunilor in schema de forta, in functie de: comenzile primite de la operator, secventa manevrelor impuse de principiul de functionare a motorului, interconditionarile impuse diverselor operatii, starea aparatului de protectie etc..
4.1. Actionarea electrica a doua motoare asincrone trifazate cu rotorul in scurtcircuit
Schema de pornire directa a motoarelor M1 si M2 este data in fig.323. Schema de forta contine circuitul de alimentarea a motoarelor, motoarele M1 si M2, sigurantele F1, contactele de forta 1K2 si 2K2, actionate de contactoarele 1K si 2K, bimetalele releelor termice 1F si 2F. Schema de comanda este alimentata intre faza si nul, avand urmatoarele elemente componente: siguranta F2, butoanele de pornire S3 si S4, butoanele de oprire S5 si S6, bobinele contactoarelor 1K si 2K, contactele NI ale releelor termice 1F1 si 2F1. In schema s-a intercalat si un circuit de semnalizare compus din intreruptorul S2, transformatorul coborator de tensiune T si laampa de semnalizare L.
Pentru pornire se
inchide S1 si S2 si apoi, daca laampa L se aprinde, se apasa fie pe S3 fie pe
S4(depinde care motor vrem sa porneasca mai intai). Bobina contactorului 1K
(sau 2K) va fi pusa sub tensiune, intre faza A si nul, prin F2, S3, S5 si 1F1
(sau prin F2, S4, S6 si 2F1). In consecinta contactorul 1K(sau 2K)actioneaza si
se inchid contactele 1K1 si 1K2 (sau 2K1 si 2K2), pornind motorul M1 (sau M2);
prin inchiderea contactului 1K1(sau 2K1), bobina contactorului ramane
alimentata, chiar daca butonul S3 (sau S4) nu mai este actionat. Deoarece
bobina contactorului se automentine conectata prin contactul 1K1(sau 2K1),
acest contact se numeste de automentinere sau de autoretinere. Dupa pornirea
unuia din cele doua motoare se face pornirea si a celui de-
al doilea motor (nu este indicat de a se apasa simultan pe S3 si
pe S4, intrucat in acest caz curentul de pornire luat de la retea este mult mai
mare).
Pentru oprire se apasa pe S6, pentru oprirea motorului M2 si apoi pe S5, pentru oprirea motorului M1 (daca se apasa intai pe S5 se opresc ambele motoare). In acest caz alimentarea bobinei contactorului se intrerupe si contactele sale revin la pozitia initiala, motorul fiind deconectat de la retea. Butonul S5 nu s-a intercalat in serie cu bobina contactorului 1K pentru a nu permite oprirea motorului M1 inaintea motorului M2, aceasta fiind o cerinta a procesului tehnologic.
Daca actioneaza protectia termica (datorita unei suprasarcini), contactele 1F1(sau 2F1) se deschid si fie ca se opresc ambele motoare fie ca se opreste numai M2.
4.2. Pornirea automata cu inversarea sensului de rotatie a motorului asincron trifazat
Se stie ca pentru schimbarea sensului de rotatie (reversarea) la motoarele asincrone trifazate trebuie sa se inverseze doua faze in circuitul de alimentare al motorului.
Pentru actionarea motorului intr-un sens de rotatie se inchide S1 si se apasa pe butonul de pornire S2. bobina contactorului 1K se pune sub tensiune intre faza A si nul, prin S4, 1F1, S2 si 2K3. Contactorul iK actioneaza si inchide contactele ND 1K1 si 1K2, iar contactele NI 1K3 se deschid. Prin contactele de forta 1K2 motorul se alimenteaza si porneste, prin contactele de autoretinere 1K1 bobina contactorului 1K se automentine alimentata, iaar prin contactele 1K3 (contacte de interblocare electrica) se elimina posibilitatea alimentarii bobinei contactorului 2K si deci , se elimina posibilitatea inchiderii contactelor 2K2 simultan cu 1K2(s-ar produce un scurtcircuit bifazat), daca se apasa S3.

Pentru schimbaarea sensului de rotatie se apasa pe S4 si apoi pe
S3. Bobina contactorului 1K nu va mai fi sub tensiune si deci contactele 1K1,
1K2 si 1K3 revin in pozitia normala; contactele 1K2 se deschid si intrerup
alimentarea motorului, contactele 1K1 se deschid, iar 1K3 se inchid. Cand se
apasa pe S3, bobina contactorului 2K este pusa sub tensiune si se vor inchide
contactele 2K1 si 2k2, iar contactele 2K3 se vor deschide. Prin inchiderea
contactelor 2K1 se produce automentinerea, prin inchiderea contactelor 2K2 se
produce inversarea fazelo A cu C si motorul va porni in sens invers, iar prin
deschidera contactelor 2K3 se produce interblocarea electrica.
4.3. Pornirea automata stea-triunghi a motorului asincron trifazat (fig.4.3)

Se stie ca pentru micsorarea curentului de pornire la motoarele
trifazate cu rotorul in scurtcircuit, se poate face pornirea stea-triunghi
(vezi CAP.VII, 5, fig 7.5.3). In locul comutatorului stea-triunghi se pot
utiliza doua contactoare: contactorul 2K pentru realizarea conexiunii in stea a
infasurarii statorului si 3K pentru realizarea conexiunii in triunghi.
Functionarea schemei este urmatoarea:
Se inchide intrerupatorul S1.La apasarea pe butonul de pornire S2 este pusa sub tensiune bobina contactorului 1K1,prin contactele S2,S3 si 1F1.Contactorul 1K actioneaza si inchide contactele 1K1( de autoretinere),1K2(de forta) si 1K3, care pune sub tensiune bobinele releului de timp si bobina contactorului 2K.Contactorul 2K va actiona imediat si va deschide contactele 2K1( de interblocare electrica) si va inchide contactele 2K2, care vor realiza conexiunea in stea a motorului si deci motorul va porni.Releul d, actionanand cu intarziere , dupa un timp reglat, va deschide contactele d1(NI cu temporizare la deschidere) si va inchide contactele d2 (ND cu temporizare la inchidere).Prin deschiderea contactelor d1, bobina contactorului 2K este este scoasa de sub tensiune si deci 2K2 se deschid, iar 2K1 se inchid.Prin inchidrea contactelor d2 bobina contactorului 3K este pusa sub tensiune ( prin contactele 1K1,S3,1K3,2K1 si d2) si deci se vor inchide contactele 3K2, motorul functionand in continuare cu cu conexiunea in triunghi si se vor deschide contactele 3K1 ( de interblocare electrica).Se observa din schema ca, la functionarea motorului cu conexiune in triunghi( functionare de durata), ramane sub tensiune contactorul 1K si 3K, precum si releul de timp d.
Pentru oprirea motorului se apasa pe S3 si se intrerupe alimentarea contactoarelor 1K si 3K;schema revine la situatia initiala.
4.4. Pornirea automata a motorului asincron trifazat cu rotorul bobinat(fig.4.4).
In CAP.7 -5d s-a explicat pornirea motorului asincron trifazat cu rotorul bobinat, intercaland in circuitul rotorului un reostat de pornire (vezi fig.7.5.4); la pornire reostatul Rp este pus la valoare maxima si pe masura ce viteza de rotatie creste Rp se micsoreaza treptat, treptat, pana la scurtcircuitare.
In cazul pornirii automate, Rp se construieste "in trepte" si scurtcircuitarea acestora se realizeaza la intervale de timp date.
Pentru pornire, se inchide S1 si se apasa pe butonul de pornire S2.Bobinele contactorului 1K si a releului ld sunt puse sub tensiune si se inchid contactele 1K1 (de autoretinere) si 1K2 (de linie).Motorul porneste cu Rpmax si dupa un timp reglat la ld se inchid contactele 1d1, punand sub tensiune bobinele contactorului 2K si a releului 2d.Contactorul 2K va inchide contactele ND 2K1,scurtcircuitand prima treapta a reostatului de pornire, iar releul 2d va actiona, dupa un timp reglat si va inchide contactele sale 2d1, punand sub tensiune bobinele contactorului 3K si a releului 3d.Contactorul 3K va actiona inchizand contactele 3K1 si deci se va scurtcircuita a doua treapta din Rp.Dupa un timp reglat va actiona si releul 3d inchizandu-si contactele 3d1 si punand sub tensiune bobina contactorului 4K.Contactorul 4K va actiona si va inchide contactele 4K1, care scurtcircuiteaza ultima treapta a reostatului de pornire.In continuare motorul functioneaza cu rotorul in scurtcircuit, in serviciu continuu.
Pentru oprirea motorului se apasa pe S3, intrerupandu-se alimentarea bobinelor contactoarelor si releelor, schema revenind in situatia initiala.

4.5. Pornirea automata si franarea dinamica a
motorului de c.c. cu excitatia in derivatie( fig.4.5)
In cazul pornirii motoarelor de c.c. se stie ca, pentru limitarea curentului de pornire, trebuie sa se introduca in serie cu desfasurarea rotorului un reostat de pornire Rp (vezi fig.9.5.1), care in cazul schemei din fig.4.5 este compus din Rp1 si Rp2.Pe masura ce rotorul isi mareste viteza de rotatie se micsoreaza Rp prin scurtcircuitarea succesiva, la intervale de timp date, a celor doua trepte Rp1 si Rp2.
Pentru franarea dinamica, dupa deconectarea motorului de la retea, se cupleaza la perii o rezistenta Rf, numita rezistenta de franare.Rotorul continuandu-si micsorarea de rotatie, datorita inertiei, masina intra in regim de generator, debitand un curent prin Rf.Cuplul la arborele generatorului, proportional cu curentul debitat in rezistenta de franare, este un cuplu rezistent , astfel incat se va produce franarea masinii.

Functionarea schemei: se inchide S1 si se apasa
pe butonul de pornire S2.Bobina contactorului 1K fiind pusa sub tensiune, se
vor inchide contactele 1K1 (de autoretinere), 1K3 (de forta) si 1K4, iar
contactele 1K2 se vor deschide.Motorul fiind alimentat de la retea, va porni cu
Rp=Rp1+Rp2 (Rcx se pune la valoare
minima).Prin inchiderea contactelor 1K1 releul 1d este pus sub tensiune si dupa
un timp reglat isi va inchide contactele ND 1d1 cu temporizare la inchidere
punand bobinele contactorului 2K si a releului 2d sub tensiune.Contactorul 2K
va actiona si va inchide contactele 2K1, scurtcircuitand prima treapta Rp1
din reostatul de porinre, iar releul 2d, dupa un timp reglat , va inchide
contactele 2d1, punand sub tensiune bobina contactorului3K.Contactorul 3Kva
actiona si isi va inchide contactele
3K1, scurtcircuitandu-se a doua treapta a reostatului de pornire, adica motorul
va functiona in continuare cu Rp1 si Rp2 scurtcircuitate.
Oprirea motorului se face deschizand intrerupatorul S1 sau apasand pe butonul de oprire S3, aceasta oprire insa se face cu franare dinamica intrucat contactele 1K2 revenind la pozitiile lor normale, cupleaza rezistenta de franare Rf la periile masinii.Masina intra in regim de generator, debitand pe Rf si deci la arbore apare un cuplu rezistent care produce franarea rapida a masinii.
4.6. Franarea prin contraconectare a motorului asincron trifazat

In CAP.7-3 s-a tratat
functionarea masinii asincrone in cele trei regimuri de functionare:generator,
motor si frana electromagnetica (vezi fig.7.3.2) si s-a mentionat faptul ca la
inversarea sensului de invartire a campului magnetic invartitor statoric,
rotorul motorului asincron franeaza, turatia motorului trece prin zero si apoi
se schimba de sens.Daca in momentul opririi rotorului se intrerupe alimentarea
statorului de la retea , motorul va fi oprit.Pe acest principiu se bazeaza
schema franarii prin contraconectare, a motorului asincron trifazat,
reprezentata in fig.4.6.
Pentru pornirea motorului se inchide intrerupatorul S1 si apoi se apasa pe butonul de pornire S2.Bobina contactorului 1K fiind pusa sub tensiune, se vor inchide contactele 1K1 (de autoretinere),1K2 (de forta ) si se vor deschide contactele NI 1K3 (de interblocare electrica).Circuitul de alimentare a motorului fiin inchis, el va porni.
Pentru franare se apasa pe butonul de franare cu actiune dubla S4( se deschid contactele NI si se inchid contactele ND). Bobina contactorului 1K este scoasa de sub tensiune si deci contactele 1K1, 1K2 si 1K3 revin la pozitia lor normala, iar bobina contactorului 2K va fi pusa sub tensiune si deci se vor inchide contactele 2K1 si 2K2 si se vor deschide contactele 2K3 (de interblocare). Prin deschiderea contactelor 1K2 si inchiderea contactelor 2K2, alimentarea motorului de la retea se va face prin schimbarea a doua faze intre ele (A cu C) si deci campul magnetic invartitor statoric isi va schimba sensul de invartire, adica rotorul va fi franat. Prin inchiderea contactelor 2K1 se pune sub tensiune bobina releului de timp d care va actiona dupa un anumit timp reglat, deschizand contactele sale NI Nd1. In felul acesta bobina contactorului 2K este scoasa de sub tensiune si se vor deschide contactele de forta 2K2, intrerupandu-se alimentarea statorului de la retea.
Daca reglarea timpului de actionare a releului d se face in asa fel incat deschiderea contactelor 2K2 sa aiba loc in momentul opririi rotorului, acesta nu-si va schimba sensul de miscare si va ramane infranat.
Rezistoarele R intercalate in serie cu contactele 2K2 au rolul de a micsora curentul absorbit de stator, de la retea in timpul franarii.
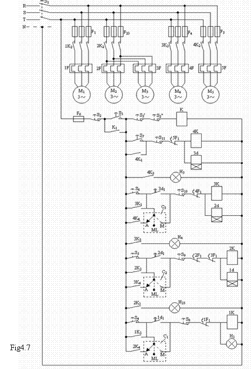
4.7. Comanda actionarii electrice a liniilor tehnologice in flux continuu
Se stie ca intr-o linie tehnologica cu flux continuu se executa o serie de operatii in conformitate cu o tehnologie bine stabilita si ca un utilaj executa o operatie dupa prelucrarea materialului de catre un utilaj situat in amonte. Incetarea functionarii unui utilaj trebuie sa duca la oprirea celorlalte utilaje aflate in functiune in amonte. Din aceasta cauza schema electrica de actionare trebuie sa indeplineasca unele conditii impuse de specificul tehnologiei.
Intr-o linie in flux continuu specificul functionarii utilajelor impune conditia ca un utilaj din linie sa functioneze numai daca cele din aval sunt in stare normala de functionare. Aceasta conditie duce la necesitatea indeplinirii urmatoarelor cerinte:
pornirea utilajelor sa se faca in sens invers sensului fluxului tehnologic(se porneste mai intai de la ultimul utilaj, apoi penultimul, si asa mai departe);
daca un utilaj iese din functiune, toate motoarele care actioneaza utilajele din amonte trebuie sa se opreasca; utilajele din aval vor continua sa functioneze, pentru prelucrarea in continuare a semiprodusului pe care il contine.
Schemele electrice de actionare a liniilor tehnologice pot realiza diverse regimuri de pornire:
regimul "manual"
regimul "manual-logic"
regimul "automat".
In regimul "manual" pornirea oricarui utilaj se face de catre operator, indiferent de starea celorlalte utilaje. Acest regim se utilizeaza in perioadele de revizie ale utilajelor, cand pornirea unui motor nu trebuie sa fie conditionata de functionarea altor motoare.
In regimul "manual-logic" pornirea se realizeaza prin apasarea pe butoanele de pornire intr-o anumita ordine (pornirea se realizeaza numai daca utilajele din aval sunt deja in functiune).
In regimul "automat" pornirea se realizeaza prin apasarea unui singur buton de pornire, dupa care intrarea in functiune a tuturor utilajelor se realizeaza in mod automat, prin cuplarea succesiva a motoarelor electrice, incepand cu cel corespunzator ultimului utilaj.
Schema electrica de forta si de comanda a unei linii tehnologice care contine cinci utilaje dintre care doua trebuie sa porneasca simultan, este data in fig.329. Alegerea regimului de lucru pentru schema de actionare se face cu ajutorul comutatoarelor C1, C2 si C3 cu trei pozitii: M- manual, ML-manual-logic si A-automat.
Punand comutatoarele C1, C2 si C3 pe pozitia "A", pornirea intregii linii se realizeaza prin inchiderea intrerupatorului S1 si apoi se apasa pe butonul de pornire S3. Bobina contactorului K este pusa sub tensiune si deci se vor inchide contactele de autoretinere K1. Se apasa pe butonul S7 si in felul acesta se va pune sub tensiune bobina contactorului 4K si areleului cu temporizare 3d. Contactorul 4K va actiona si se vor inchide contactele de autretinere 4K1, contactele de forta 4K2, contactul 4K3 si 4K4. Prin inchiderea contactelor K2 motorul M5 va porni. Prin inchiderea contactelor 4K3 lampa H5 va semnaliza functionarea

motorului M5. Prin inchiderea contactelor 4K4 se pregateste
punerea sub tensiune a bobinei contaactorului 3K si a releului cu temporizare
2d in momentul inchiderii contactelor ND3d1 cu temporizare la inchidere (dupa
un anumit timp reglat la releul 3d, aflat sub tensiune). Circuitul bobinei
contactorului 3K si a releului 2d se inchide prin contactele S2, K1, 4K4, C3
(pe pozitia A), 3d1, S10, 4F1. Contactorul 3k va actiona si se vor
inchide contactele de autoretinere 3K1, contactele de forta 3K2, contactele 3K3
si 3K4. Prin inchiderea contactelor 3K2 motorul M4 va porni. Prin inchiderea
contactelor 3K3 lampa H4 va semnaliza functionarea motorului M4. Prin
inchiderea contactelor 3K4 se pregateste punerea sub tensiune a bobinei
contactorului 2K si a releului de temporizare 1d in momentul inchiderii
contactelor ND 2d1 cu temporizare la inchidere(dupa un anumit timp reglat la
releul 2d). Contactorul 2K va actiona in momentul punerii sub tensiune so se
vor inchide contactele de autoretinere 2K1, contactele de forta 2K2 (motoarele
M2 si M3 vor porni simultan), contactele 2K3 (lampa H23 va semnaliza
functionarea motoarelor M2 si M3) si 2K4, care va asigura punerea sub tensiune
aa bobinei contactorului 1K in momentul inchiderii contactelor 1d1.
Contaactorul 1K fiind pus sub tensiune va actiona si se vor inchide contactele
de autoretinere 1K1 si contactele de forta 1K2 (motorul M1 va porni). Prin
aprinderea lampii H1 se semnalizeaza functionarea motorului M1.
In aceasta situatie pornirea tuturor motoarelor s-a facut in mod automat, dupa apasarea pe butonul S7. Din schema se observa ca in cazul unei suprasarcini la motorul M4, de exemplu contactele 3F1 actionate de releul termic 4F se deschid si toate celelalte motoare din amonte (M3, M2 si M1) se vor opri, iar M5 va continua sa functioneze (la fel se intampla daca se apasa pe butonul de oprire S10). Oprirea tuturor utilajelor se poate face din mai multe locuri apasand pe butoanele de oprire S2, S2', S2".
Functionarea schemei in regim "manual-logic" se realizeaza in mod analog, cu deosebirea ca, comutatoarele C1, C2 si C3 se pun pe pozitia ML si pornirea motoarelor se face numai prin apasarea pe butoanele S7, S6, S5 si S4, in succesiunea mentionata si numai dupa un anumit timp egal cu cel reglat la releele 3d, 2d si 1d adica la apasarea pe butonul de pornire S4 de exemplu, motorul M1 va porni numai daca contactele 1d1 au fost inchise de releul 1d.
Functionarea schemei in regim "manual" se realizeaza punand comutatoarele C1, C2 si C3 pe pozitia "M" si apasand, pentru pornire, pe butoanele S7, S6, S5 si S4 in aceasta ordine, fie inversata, fie o alta succesiune dorita. Se observa ce, in aceasta situatie, comutatoarele C1, C2 si C3 scurtcircuiteaza contactele ND 3d1, 2d1 si 1d1 si deci se poate face pornirea oricarui motor, in mod independent.
|
Politica de confidentialitate | Termeni si conditii de utilizare |
Vizualizari: 7563
Importanta: ![]()
Termeni si conditii de utilizare | Contact
© SCRIGROUP 2025 . All rights reserved