| CATEGORII DOCUMENTE |
| Aeronautica | Comunicatii | Electronica electricitate | Merceologie | Tehnica mecanica |
1.- Scopul Lucrarii :
Stabilirea caracteristicilor principale ale componentelor pasive de tip inductor, precum si evidentierea factorilor de influenta a acestora.
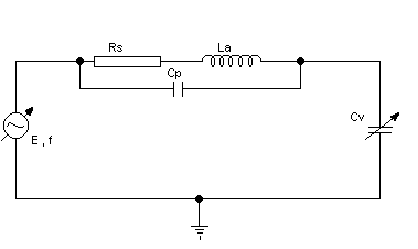
Inductoarele reprezinta componente pasive capabile sa acumuleze energie magnetica. Marimea caracteristica inductoarelor se numeste inductanta si este definita ideal ca raportul dintre fluxul magnetic prin suprafata pe care se sprijina firele inductorului si curentul ce parcurge firele : L = F / I .

Dar, la cresterea frecventei curentului se
pot amplifica si alte efecte fizice (capacitiv si disipativ),
pana acum neglijate, ducand la modificarea inductantei cu
frecventa. Aceste efecte parazite duc la reprezentarea inductoarelor prin
urmatoarea schema echivalenta:
Unde La = 1 / (wr Cv ) - inductanta aparenta a circuitului;
Rs = wr La / Q - rezistenta echivalenta serie;
wr p fr - pulsatia de rezonanta;
Q - factorul de calitate (determinabil cu ajutorul Q-metrului);
Cp - capacitate parazita;
Cv - capacitatea de acord (condensator variabil).
Aceasta schema echivalenta permite studierea comportarii in frecventa a inductoarelor.
2.- Masuratori efectuate :
Pentru primul inductor (conductor circular) se fixeaza valoarea condensatorului variabil la 250 pF si se cauta frecventa de rezonanta si factorul de calitate corespunzator. Apoi se calculeaza inductanta aparenta si rezistenta echivalenta serie, dupa formulele de mai sus.
T.1.
|
Cv |
Q |
fr |
La |
Rs |
|
250 pF |
22,3 Mhz |
10-7 H |
W |
Nota : Pentru efectuarea tuturor calculelor s-a folosit programul MATHCAD.
In prealabil s-a verificat corectitudinea formulelor de calcul disponibile in fisierele INDUCT.MCD si CAPAR.MCD
Pastrandu-se frecventa constanta (fr = 22,3 Mhz), se fac aceleasi masuratori pentru inductorul L2 (in forma literei M), in conditiile modificarii mediului din apropierea conductorului:
T.2.
Inductor |
Mediul |
Cv |
Q |
La |
Rs |
|
L2 |
Aer |
334 pF |
10-7 H |
W |
|
|
Aluminiu |
396 pF |
10-7 H |
W |
||
|
Alama |
416 pF |
10-7 H |
W |
||
|
Lemn |
334 pF |
10-7 H |
W |
||
|
Ferita 1 |
307 pF |
10-7 H |
W |
||
|
Ferita 2 |
312 pF |
10-7 H |
W |
Se confirma faptul ca, pentru acelasi circuit, inductanta este direct proportionala cu permeabilitatea magnetica a mediului din apropiere. Se observa cresterea inductantei aparente progresiv de la aer la alama, aluminiu, lemn si ferita. Deci : L ~ (1)
In aceleasi conditii de mai sus se fac masuratorile si pentru inductoarele L1 (descris mai sus) si L3 (inductor tot circular dar avand doua spire):
T.3.
Inductor |
Mediu |
Cv |
Q |
La |
Rs |
L1 |
Aer |
250 pF |
10-7 H |
W |
|
|
Ferita 1 |
234 pF |
10-7 H |
W |
||
|
Ferita 2 |
238 pF |
10-7 H |
W |
||
|
L2 |
Aer |
334 pF |
10-7 H |
W |
|
|
Ferita 1 |
307 pF |
10-7 H |
W |
||
|
Ferita 2 |
312 pF |
10-7 H |
W |
||
|
L3 |
Aer |
105 pF |
10-7 H |
W |
|
|
Ferita 1 |
103,5 pF |
10-7 H |
W |
||
|
Ferita 2 |
10-7 H |
W |
Se observa ca, pe langa influenta mediului (remarcata la masuratorile anterioare), inductanta aparenta a unui inductor este influentata de geometria sa. Acest fapt era evident deoarece inductanta depinde de fluxul magnetic care trece prin suprafata pe care se sprijina firele inductorului. Se remarca faptul ca inductorul circular are inductanta mai mare (cercul este figura geometrica plana cu aria maxima la un perimetru dat). Deci : L ~ S (2)
O alta observatie este faptul ca inductanta depinde si de numarul spirelor. Inductorul cu doua spire are inductanta mai mare decat dublul inductorului cu o singura spira. Deci :
L ~ Np ; p > 1 (3)
Pentru o frecventa fixata ( f = 21 MHz ) , respectiv o capacitate fixata ( Cv max = 450 pF), se determina capacitatea, respectiv frecventa, de acord, respectiv rezonanta , pentru inductoarele L4 si L5 avand acelasi numar de spire, acelasi mediu intern (aer) dar lungimi diferite:
T.4.
|
Frecventa |
Inductanta |
CV |
Q |
La |
Rs |
|
21 MHz |
L4 |
136 pF |
10-7 H |
W |
|
|
21 MHz |
L5 |
171 pF |
10-7 H |
W |
|
|
11,8 MHz |
L4 |
Max = 450 pF |
10-7 H |
W |
|
|
13,1 MHz |
L5 |
Max = 450 pF |
10-7 H |
W |
Se remarca faptul ca, la frecventa si capacitate parazita constanta, inductanta depinde si de lungimea montajului invers proportional: L ~ l (4)
Se efectueaza o masuratoare si pentru un fir drept, fixand capacitatea de acord la 450 pF:
T.5.
|
Frez =30 MHz |
Q = 70 |
CV = 450 pf |
L6 = 6,254394 10-8 H |
RS = 0,168418 W |
Exista si in acest caz o inductanta, chiar daca este mai mica. Deci chiar pentru un conductor simplu, liniar, apare o inductanta si o capacitate parazita.
In continuare s-a urmarit reprezentarea variatiei inductantei functie de frecventa. Pentru inductorul format dintr-o bobina dispusa pe cablaj s-au variat capacitatile de acord si s-a cautat pentru fiecare din ele frecventa de rezonanta si inductanta aparenta:
T.6.
|
Nr.: |
CV (pF) |
fr (Mhz) |
Q |
L ( 10 -6 H ) |
Graficul inductantei in functie de frecventa este:
G.1.

Se incearca apoi calcularea capacitatii parazite a inductorului. Pentru aceasta se aleg doua frecvente ( f1 si f2 ) si inductantele aparente, respectiv capacitatile de acord corespunzatoare lor ( L1 si L2 , respectiv CV1 si CV2 ). Formula de calcul a capacitatii parazite este :
Cp = ( CV1 - n2 CV2 ) / ( n2 - 1) unde n = f2 / f1 .
Alegand : f1 = 9.1 MHz , deci L1 = 15,29423 10-6 H si CV1 = 20 pF
f2 = 2.4 MHz L2 = 9,772491 10-6 H CV2 = 450 pF
ajungem la rezultatul : CP = 12.14536 pF.
La frecvente mari (probabil in jurul de 100 Mhz) inductorul va intra in regim capacitiv datorita influentei acestei capacitati parazite. Atunci inductanta va incepe sa scada cu frecventa. Frecventa la care inductanta are un maxim se numeste frecventa proprie de rezonanta. Aceasta nu se afla in banda in care s-au efectuat masuratorile, ci intr-o banda superioara.
4.- Raspunsuri la intrebari :
Cum depinde inductanta de elementele constructive ale inductorului?
Asa cum s-a observat la punctele (1) (2) (3) si (4) se regaseste formula inductantei solenoidului: L m (NP S) / l ; p>1.
Deci inductanta este influentata de geometria bobinei, de natura suportului de bobinaj, de numarul de spire si de lungimea bobinei.
In ce conditii efectul secundar capacitiv prezent la un inductor influenteaza mai putin functionarea acestuia? Cautati solutii pentru micsorarea acestui efect nedorit.
Efectull secundar capacitiv este mai putin evident la frecvente joase. Totusi, la frecvente inalte, acest efect se poate diminua prin izolarea firelor bobinei sau prin marirea distantei dintre acestea sau dintre straturile de bobinaj.
In ce masura carcasa pe care se realizeaza bobinarea (suportul de bobinare) influenteaza parametrii inductorului? Precizati care dintre ei.
Suportul de bobinaj (asa cum am aratat si la punctul 1. ) are un rol important prin valoarea permeabilitatii magnetice a materialului din care e realizat.
Pentru ce frecvente inductorul functioneaza ca un condensator (datorita efectului capacitiv preponderent)?
Acest efect se manifesta pentru frecvente foarte inalte (de ordinul zecilor sau sutelor de megahertzi).
Cum explicati diferenta existenta la aceeasi frecventa intre factorii de calitate masurati in tabelul T.4.?
Cum ambele inductoare (de tip solenoid) erau identice pana la lungimea solenoidului format, evident rezistenta de pierderi era egala pentru amandoua. Cum factorul de calitate era egal cu produsul dintre pulsatia de rezonanta si raportul inductanta/rezistenta, este evident ca pentru inductante diferite si factorul de calitate ca fi diferit.
Ce concluzii se pot trage in urma masuratorii efectuate la punctul 6 (conductor liniar foarte scurt)?
Concluzia este clara: orice conductor are o rezistenta interna, prin el trece un curent care genereaza un flux magnetic (oricat de mic), deci are o inductanta oarecare si datorita diferentelor de potential fata de masa circuitului sau alte componente sau datorita structurii interne neomogene acumuleaza energie electrica, deci are o capacitate parazita.
Stabiliti o schema electrica echivalenta pentru un traseu singular de cablaj imprimat.
In lumina celor afirmate la puncul anterior un traseu singular de cablaj ar putea fi reprezentat prin urmatoarea schema electrica echivalenta:

Nota: Capacitatea parazita proprie CP ' este
reprezentata In paralel deoarece pentru C.C. ea nu se manifesta.
Care este motivul petnru care in domeniul frecventelor ultrainalte (UIF) se utilizeaza de regula componente fara terminale sau cu ele foarte scurte?
Am aratat schema electrica echivalenta a unui conductor liniar. Iar terminalele sunt conductori liniari. Deci la frecvente mari efectele parazite (inductiv sau capacitiv) ar putea disturba serios functionarea circuitului (de la zgomote de fond, in domeniul audio, la iesiri din frecventa in domeniul transmisiunilor.
De ce inductoarele care iau nastere in mod nedorit (parazite) nu trebuie trecute cu vederea?
Raspunsul la aceasta intrebare se regaseste in raspunsul de la punctul precedent.
Capacitatea parazita a unei bobine depinde de:
a).- izolatia conductorului de bobinaj;
b).- forma bobinei;
c).- distanta dintre spirel bobinei;
d).- suportul de bobinare.
Schema electrica echivalenta a unui inductor:
a).- este un montaj de laborator;
b).- este un circuit de masura prezentat in cataloage
c).- reprezinta o incercare a fabricantilor de inductoare de a minimiza efectele ce apar in inalta frecventa;
d).- reprezinta o schema electrica echivalenta ce modeleaza un inductor real.
Inductorul:
a).- tinde asimptotic spre inductorul ideal odata cu cresterea frecventei;
b).- se indeparteaza de inductorul ideal odata cu cresterea frecventei;
c).- se manifesta in functionare doar ca element disispativ de energie;
d).- are flux de scapari, pierderi ohmice si pierderi magnetice.
Inductanta aparenta paralel:
a).- poate fi identificata in C.C. cu inductanta echivalenta;
b).- ia valori extrem de mari in modul in apropierea frecventei proprii de rezonanta a inductorului;
c).- este negativa pentru fecvente mai mari decat frecventa proprie de rezonanta ;
d).- are valoare fixa ce poate fi obtinuta masurand inductorul cu orice punte de JF.
|
Politica de confidentialitate | Termeni si conditii de utilizare |
Vizualizari: 1993
Importanta: ![]()
Termeni si conditii de utilizare | Contact
© SCRIGROUP 2025 . All rights reserved