| CATEGORII DOCUMENTE |
| Aeronautica | Comunicatii | Electronica electricitate | Merceologie | Tehnica mecanica |
Convertoare directe de frecventa
Convertoarele directe (cicloconvertoarele) transforma direct energia de curent alternativ de anumiti parametri in energie de curent alternativ de alti parametri. Functionarea unui cicloconvertor se bazeaza pe principiul de functionare al convertoarelor reversibile (bidirectionale) care pot furniza sarcinii tensiune si curent in ambele sensuri (a se vedea 2.3.1), deci pot functiona in toate cele patru cadrane ale planului nOm. Se poate obtine o tensiune medie redresata reglabila in mod continuu in ambele sensuri prin defazarea impulsurilor de comanda in raport cu tensiunea de alimentare alternativa.
Daca se regleaza si frecventa de comutare a celor doua convertoare componente apare posibilitatea schimbarii frecventei tensiunii la bornele sarcinii. Astfel sarcina poate fi alimentata cu tensiune alternativa de amplitudine si frecventa reglabile. Amplitudinea acestei tensiuni se regleaza prin schimbarea valorii tensiunii de comanda uc a convertoarelor componente iar frecventa prin modificarea frecventei de comutare intre cele doua convertoare.
In figura 5.2 este reprezentata schema de principiu a unui convertor direct (cicloconvertor) monofazat. Schema cuprinde doua convertoare monofazate (q = 2)
cu redresarea ambelor alternante (realizate cu tiristoarele T1, T2 si respectiv T'1, T'2) in montaj paralel in opozitie, transformatorul de alimentare si sarcina comuna.
Forma tensiunii us la bornele sarcinii depinde de programul de comanda a convertoarelor componente.
Cand succesiunea comenzii tiristoarelor este T1, T2, T1, T'1, T'2, T'1, T1, T2, s.a.m.d., iar unghiul α = 0, forma tensiunii us la bornele sarcinii este reprezentata in figura 5.3. Dupa cum se observa, forma tensiunii de iesire difera mult de o sinusoida, deci are un spectru bogat de armonici.
Fundamentala tensiunii la bornele sarcinii
are - in cazul analizat - o frecventa de trei ori mai mica decat frecventa
tensiunii de alimentare.

Pentru alimentarea motoarelor
asincrone se urmareste obtinerea unor forme ale curentului de sarcina cat mai
apropiate de o sinusioda. In acest scop
trebuie marit numarul de pulsuri q al convertoarelor componente iar comanda
tiristoarelor trebuie efectuata la unghiuri de comanda ce difera intre ele [11].
Convertorul direct (cicloconvertorul) preia puterea reactiva, necesara functionarii sale, din reteaua de frecventa mai ridicata. El acopera totodata puterea reactiva, pozitiva sau negativa, necesara sarcinii. Aceasta este o proprietate distinctiva a cicloconvertorului.

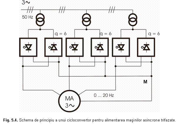
Tensiunea de iesire a cicloconvertorului
prezentat este monofazata. In cazul in care sarcina este trifazata, de exemplu
un motor asincron, este necesara cate o schema de cicloconvertor monofazat
pentru fiecare faza. In acest caz punctul M (fig. 5.4) este punctul neutru al
sarcinii. In figura 5.4 este reprezentata schema de principiu a unui
cicloconvertor pentru alimentarea masinilor asincrone trifazate. Pe fiecare
faza s-a prevazut cate un convertor reversibil (bidirectional) in punte
trifazata (q = 6).
Avantaj: calitatea principala a cicloconvertoarelor este aceea ca sunt necesare numai convertoare comandate de retea iar datorita comutatiei naturale tiristoarele nu sunt suprasolicitate. De asemenea au avantajul convertirii directe a energiei retelei de curent alternativ in energie de acelasi fel.
Dezavantaj: costul ridicat al celor sase punti complet comandate, pentru un consumator trifazat si faptul ca valoarea reala a curentului - datorita actiunii discontinue a convertorului reversibil - poate urmari numai aproximativ valoarea impusa. In fine, din cauza intarzierii la aprindere se poate atinge numai o anumita frecventa maxima f1max care depinde de frecventa retelei de alimentare si de numarul de pulsuri al convertorului bidirectional.
In cazul in care frecventa f1 a valorii impuse a curentului se apropie de frecventa retelei f, forma de unda a curentului is(t) se abate de la forma sinusoidala dorita chiar la inductivitati mari ale circuitului de sarcina.
In mod normal domeniul de variatie a frecventei este [11]:
(5.1)
unde q este numarul de pulsuri al convertorului bidirectional. La utilizarea pentru convertoarele componente a unei scheme in punte trifazata (q = 6) si la frecventa retelei de 50 Hz rezulta f1max = 20 Hz.
|
Politica de confidentialitate | Termeni si conditii de utilizare |
Vizualizari: 2730
Importanta: ![]()
Termeni si conditii de utilizare | Contact
© SCRIGROUP 2026 . All rights reserved