| CATEGORII DOCUMENTE |
| Aeronautica | Comunicatii | Electronica electricitate | Merceologie | Tehnica mecanica |
Instalatie pentru supravegherea si masu-rarea turatiei la turbosuflanta motorului principal naval
1. Introducere
Un procedeu eficient utilizat pentru marirea puterii motoarelor navale este supraalimentarea care consta in cresterea masei de aer in cilindri, astfel incat sa fie posibila arderea optima a unei cantitati sporite de combustibil.
Folosirea turbosuflantei pentru supraalimentare prezinta avantajul autoreglarii turatiei. Intr-adevar cantitatea gazelor evacuate care este proportionala cu sarcina motorului, determina turatia compresorului si prin urmare debitul aerului de baleiaj.
Exploatarea eficienta a navelor maritime si prevenirea unor avarii grave impune supravegherea, masurarea si reglarea parametrilor motorului principal si a celorlalte agregate si instalatii de la bord. O importanta deosebita o prezinta cunoasterea permanenta a turatiei turbosuflantei.
Caracterizarea tranzistorului MOSFET cu drena dubla sensibil magnet
Dispozitivul
MOS cu drena dubla (figura 13.19) este un MOSFET la care regiunea
obisnuita de drena este inlocuita cu doua regiuni de
drena adiacente, curentul total prin canal impartindu-se
intre acestea [10].
Polarizarea
in regiunea liniara are ca rezultat obtinerea unui canal continuu de
grosime aproximativ
perpendicular pe
suprafata dispozitivului se produce deflexia liniilor de curent si ca efect apare un dezechilibru
intre cei doi curenti de drena:
(13.8)
Deoarece semnalul de iesire
pentru magnetotran-zistorul MOS cu drena dubla il constituie
variatia curen-tului intre terminalele sale, acest dispozitiv
functioneaza in "modul de
curent Hall". In figura 13.20 sunt reprezentate schematic dispozitivul MOS cu
drena dubla (a) si dualul sau functionand in "modul de
tensiune Hall" (b).
Pe baza
proprietatilor dispozitivelor Hall duale semnalul de iesire
pentru dispozitivul (b) este
, iar pentru dispozitivul (a) ,
. Se obtine [2]:
(13.9)
in care s-a inlocuit
prin
.
Raspunsul senzorului se defineste prin:

(13.10)
si este dependent de geometria cana-lului. Pentru
a pune in evidenta acest lucru au fost simulate (figura 13.21) trei
structuri MOS cu canal de tip n cu
drena dubla. Dispoziti-vele au aceeasi latime a
canalului
avand rapoarte
diferite:
dispozitivul MDD1,
2; dispozitivul MDD2,
1; dispozitivul MDD3,
0,5.
Se
constata ca sensibilitatea este maxima pentru
0,5 si pentru valori mai mici ale acestui raport.
Crescand latimea canalului sensibilitatea scade cu 10% pentru
, iar in cazul
se reduce cu 35%
fata de valoarea maxima.
Sensibilitatea relativa la curent se defineste prin:
(13.11)
si creste odata cu mobilitatea purtatorilor in canal.
Potrivit
modului de variatie a lui
pentru o placa
Hall rectangulara cu contacte de sesizare punctiforme si la
inductii magnetice joase [2], maximul sensibilitatii se
obtine la dispozitivul cu drena divizata cand
, deci
.
3. Traductor Hall realizat pe baza unui MOSFET cu drena dubla.
In figura 13.22 este
prezentata schema de principiu a unui traductor de turatie realizat
pe baza unui magnetotranzistor cu drena dubla.
In
prezenta campului magnetic se produce dezechilibrul curentilor de
drena si ca efect intre cele doua drene apare o
diferenta de potential propor-tionala cu valoarea
inductiei
. Daca MOSFET-ul lucreaza in regiunea de satura-tie,
rezistenta de iesire de drena este foarte mare (
) si in acest caz tensiunea diferentiala de
iesire este:
(13.12)
Aceasta tensiune se aplica unui comparator cu histerezis care are rolul de comutator. Existenta celor doua praguri de basculare confera circuitului imunitate la zgomote. Monostabilul realizat cu MMC4093 normalizeaza in durata impulsurile generate de traductor.
4. Prezentarea traductorului de turatie
Traductorul de turatie este realizat pe baza unui magnetotranzistor cu drena dubla si are schema de principiu prezentata in figura 13.22.
Principiul
de functionare al traductorului se bazeaza pe ecranarea campului
magnetic cu ajutorul unui disc feromagnetic D
care se roteste solidar cu arborele turbinei (figura 13.23). De o parte
si de cealalta a discului sunt dispuse magnetotranzistorul MGT si magnetul permanent MP. Discul trebuie sa fie suficient
de gros (d>1mm) pentru a obtura
campul magnetic, iar decuparea sa trebuie sa aiba o
suprafata mai mare decat suprafata activa a senzorului
magnetic. Distanta dintre MP si MGT este astfel aleasa incat
atunci cand decuparea practicata in disc se afla in dreptul lor,
inductia magnetica sa depaseasca limita de
detectie si sa se produca dezechilibrul curentilor de
drena (relatia (13.9)). Cand intre magnetul permanent si
magnetotranzistor se afla partea nedecupata a discului, acesta
ecraneaza campul magnetic determinand restabilirea echilibrului intre cei
doi curenti de drena si anuleaza tensiunea ![]()
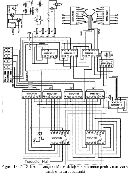
5. Descrierea functionarii pe baza schemei bloc
Schema bloc a instalatiei este prezentata in figura 13.23.
Aceasta
cuprinde in principal patru blocuri: blocul (N) de numarare a impulsurilor
fur-nizate de traductorul de turatie (T), blocul de afisare numerica
a rezultatului masurarii (DA), blocul de comanda (BC) care
asigura desfasurarea corecta a ciclului de masurare
si afisare si un bloc de sesizare si avertizare (BA) in
cazul neincadrarii turatiei in limitele normale. In timpul
functionarii turbosuflantei se genereaza la iesirea
traductorului un tren de impulsuri dreptunghiulare care sunt aplicate unui
numarator format din patru decade de numarare incluse doua
cate doua in cate un circuit integrat MMC4520 (figura 13.25).
Semnalele de la
iesirile celor patru decade sunt aplicate decodificatoarelor latch MMC4511
care realizeaza functiile de memorare a datelor, de decodificare a
acestora din sistemul BCD in sistem sapte segmente si de comanda
a afisoarelor 7 segmente cu led-uri, anod comun. Blocul de comanda
realizat cu circuite MMC4060 care indeplineste functiile de oscilator
si numarator de paisprezece biti asigura semnalele
necesare pentru masurarea si afisarea informatiei. Durata
unui ciclu de masurare este 6,001s. In primele sase secunde se
determina turatia, iar in milisecunda urmatoare valoarea
masurata se memoreaza pentru a fi afisata si se
initiaza un nou ciclu de masurare.
Resetarea
numaratoarelor si unitatii de comanda, se
realizeaza prin intermediul portilor MMC4012. Blocul de sesizare
si avertizare in cazul depasirii domeniului admisibil pentru
turatie este realizat cu doua decodificatoare binar-zecimale MMC4028
si un ansamblu de porti MMC4011. Atata timp cat functionarea
este normala pe blocul de afisaj este aprins led-ul verde, iar la
atingerea oricarei turatii limita se alimenteaza dioda led
tip MDE1533R si totodata se activeaza alarma
Instalatia este prevazuta cu un circuit care sesizeaza absenta semnalului de la traductorul de turatie. Lipsa acestui semnal poate fi cauzata de defectarea traductorului, caderea sursei de alimentare a acestuia sau intreruperea (scurtcircuitarea) liniei de transmitere a semnalului de la traductor la instalatia de masurare. In figura 13.26. este prezentata schema electrica de principiu a acestui circuit.
La intrarea
circuitului se aplica semnalul dreptunghiular provenit de la traductorul
de turatie. Tranzistoarele
si
formeaza un
repetor de tensiune cu rezistenta de iesire foarte mica,
capabil sa asigure o incarcare rapida a condensatoarelor
si
. Aceste condensatoare impreuna cu diodele
si
formeaza un
redresor de tipul varf la varf, adica un redresor a carei tensiune
continua de iesire este foarte apropiata de valoarea tensiunii
varf la varf a semnalului de intrare. In cazul tensiunilor de intrare
sinusoidale, acest tip de redresor este cunoscut sub denumirea de redresor cu
dublarea tensiunii.
Pentru
randament bun al redresarii diodele
,
ar trebui sa fie
diode redresoare rapide de tip DRR sau BA, dar avand in vedere ca
frecventa maxima a impulsurilor nu depaseste cateva sute
de hertzi (turatia maxima la turbosuflanta fiind de 12000
rot/min) se pot utiliza si diode obisnuite de tip 1N400X.
Atata
timp cat la intrarea circuitului se aplica semnalul furnizat de
traductorul de turatie la bornele condensatorului
se obtine o
tensiune continua de aproximativ 3,5 V care mentine saturat
tranzistorul
de tipul BC517. Acesta
este un dranzistor Darlington avand
si
, care are ca sarcina infasurarea de
comanda a unui releu
cu contacte normal
inchise. Atunci cand
este saturat
contactele releului se deschid, situatie in care dioda
electroluminescenta
si sirena S nu sunt alimentate. Daca din
diferite cauze semnalul la intrarea lui
dispare, tensiunea la
bornele lui
incepe sa
scada si in aproximativ 0,5s
devine mai mica decat nivelul necesar mentinerii lui
in conductie. Ca
urmare tranzistorul
se blocheaza, iar
contactele releului
se inchid, intrand
astfel in functiune avertizarea optica si sonora. Instalatia
asigura o masurare precisa a turatiei, afisarea
numerica a rezultatului si poate fi utilizata pentru
supravegherea turatiei la orice tip de turbosuflanta.
|
Politica de confidentialitate | Termeni si conditii de utilizare |
Vizualizari: 1685
Importanta: ![]()
Termeni si conditii de utilizare | Contact
© SCRIGROUP 2025 . All rights reserved