| CATEGORII DOCUMENTE |
| Aeronautica | Comunicatii | Electronica electricitate | Merceologie | Tehnica mecanica |
MASURAREA ENERGIEI REACTIVE IN CIRCUITE TRIFAZATE
1. Generalitati.
Pentru masurarea energiei electrice reactive se folosesc contoare de inductie de energie reactiva care pot fi: cu tensiuni auxiliare(pentru circuitele trifazate alimentate cu tensiuni simetrice) sau cu sunt (pentru circuitele trifazate alimentate cu tensiuni oarecare).
Pentru ca momentul cuplului activ al unui contor de inductie, exprimat prin relatia:
Ma=
sa devina proportional cu puterea reactiva:
Q=UIsinj, e necesar ca fluxurile FI si FU sa
fie proportionale cu curentul I, respectiv cu tensiunea U, iar sinusul
unghiului
, dintre fluxuri, sa fie egal cu sinusul unghiului j, dintre tensiune si curent. Dintre aceste conditii, ultima
se realizeaza prin alimentarea circuitului de tensiune al contorului cu o
tensiune
defazata in urma
tensiunii U cu un unghi de (1800-b b fiind defazajul intern al contorului
(unghiul cu care fluxul FU este defazat fata de tensiunea aplicata contorului
-fig.1.).

Fig. 1
Momentul cuplului activ devine:
![]()

adica cuplul activ este proportional cu puterea reactiva, deci contorul inregistreaza energia reactiva.
Observatii:
La cititrea contorului, sau la fabricarea lui, trebuie sa se
tina seama de raportul tensiunilor, inmultindu-se indicatia
data de contor cu raportul
. -
Obtinerea tensiunilor auxiliare este greu de realizat practic in circuitele monofazate sau trifazate cu tensiuni oarecare, insa este foarte comoda in circuitele trifazate cu tensiuni simetrice daca unghiul b este 600 sau 900.
Pentru determinarea tensiunilor necesare alimentarii circuitelor de tensiune ale contorului se porneste de la expresia puterii reactive pentru circuitul respectiv.
2. Determinarea schemei de legare a contorului de energie reactiva pentru circuite trifazate fara conductor neutru.
Determinarea acestei scheme se face pornind de la expresia puterii reactive, daca se ia faza de referinta faza 1, faza 2 sau faza 3.
Astfel, pentru faza de referinta faza 3, puterea reactiva este:
![]()
![]()
Q=U13I1sin(U13;I1)+ U23I2sin(U23;I2)=Q1+Q2, deci contorul va avea doua sisteme de masurare.
a) In cazul in care b=600, rezulta ca unghiul Y b
Din diagrama vectoriala valabila pentru un sistem de tensiuni trifazat simetric (fig.2.), vor rezulta tensiunile auxiliare U' defazate cu 1200 in urma tensiunilor U din relatia puterii reactive considerate.
Astfel, dupa tensiunea U=U13, defazata cu 1200
in urma este tensiunea
=U21, iar dupa tensiunea U=U23
defazata in urma cu 1200 este tensiunea
=U31,.
Raportul: U


Fig. 2
Pentru justificarea schemei, se arata ca valoarea cuplului activ Ma al contorului trifazat CR32 cu b=600 este proportional cu puterea reactiva Q.
![]()
![]()
Ma=K U21I1
sin[ U21;I1)
+ b U31 I2 sin[ U31;I2)
+ b] = K U21 I1 sin j + 600) + U31 I2 sin j K U21 I1 sin j) + U31 I2 sin j K U21 I1 sin j - 300 )
+ U31 I2 sin j = K
Ul Il sinj = KQ.
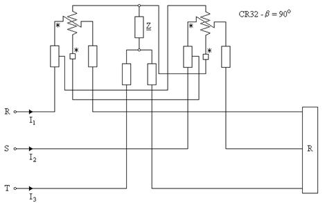
Schema de legare a contorului CR32 cu b=600 este urmatoarea(fig 3.a)

b) In cazul in care b=900, rezulta ca unghiul Y b
Din diagrama vectoriala vor rezulta tensiunile auxiliare U defazate cu 900 dupa tensiunile din relatia puterii reactive considerate pentru faza de referinta 3.
![]()
![]()
Q=U13I1sin(U13;I1)+ U23I2sin(U23;I2)=Q1+Q2
Tensiunile
, defazate cu 900 in urma tensiunilor U13
si U23 , sunt tensiunile de faza U20, respectiv
U01. Raportul tensiunilor
.
Deoarece obtinerea tensiunilor auxiliare de faza in cazul cand defazajul intern al contorului este b=900, necesita crearea unui punct neutru artificial (acesta se realizeaza cu o reactanta Z identica cu aceea a bobinelor de tensiune ale contorului) care complica constructia contorului, au o raspandire mai mare contoarele CR32 cu b
Expresia cuplului activ devine :
Ma=K [I1U20sin(1200-j+900)+I2U01sin(600-j+900)]=K [I1U20sin(2100-j
+ I2U01sin(1500-j)]=K[I1U20sin(j-300)+I2U01sin(j+300)]=K
IfUfsinj =K
Qf,
dar raportul ![]()
, rezulta ca indicatia contorului trebuie
inmultita cu
, deci cuplul activ devine proportional cu expresia:
Ma=K
IfUf
sinj=K3IfUfsin
j=K3Qf=KQ.
Schema de legare a contorului CR32 cu b=900 este urmatoarea(fig 3.b)

Fig. 3b
3. Determinarea schemei de legare a contorului de energie reactiva pentru circuite trifazate cu conductor neutru
Determinarea schemei se face pornind de la expresia puterii reactive pentru un circuit trifazat cu conductor neutru:
![]()
![]()
![]()
Q=U10I1sin(U10;I1)+ U20I2sin(U20;I2)+ U30I3sin(U30;I3)=Q1+Q2+Q3
a) In cazul in care b=600, rezulta ca unghiul Y b
Tensiunile U'
defazate cu 1200 in urma tensiunilor U10 ,U20
,U30 sunt U20 ,U30 ,U10,
deci tot tensiuni de faza si raportul
.
Expresia cuplului activ al contorului CA43, b=600 este:
Ma=K I1U20 sin j+600)+I2U30sin j I3U10sin j
K [I1U20sin(1800-j)+I2U30sin(1800-j)]+I3U10sin(1800-j)]= K3Qf=KQ, deci cuplul activ este proportional cu puterea reactiva.
Schema de legare directa a contorului este in figura (fig.4.a).

Fig. 4.a.
Schema de legare in montaj indirect a contorului este in figura .4.b.

b) In cazul in care b=900, rezulta ca unghiul Y b
Din diagrama vectoriala se
determina tensiunile auxiliare
ce se vor aplica bobinelor
de tensiune ale contorului, tensiuni deafazate cu Y=900 in urma tensiunilor din
relatia puterii reactive:
![]()
![]()
Q= I1U10sin(U10;I1)+ I2 U20sin(U20;I2)+ I3 U30sin(U30;I3).
Aceste tensiuni sunt : U23,U31,U12-tensiuni de linie.
Raportul
, deci pentru determinarea corecta
a energiei reactive, se va inmulti indicatia contorului cu
Expresia cuplului activ al contorului CR43, b=900 este:
Ma= K I1U23 sin j+900)+I2U31sin j I3U12sin j
K I1U23 sin j)+I2U31sin j I3U12sin j =K3IlUlsinj
dar cum ![]()
, inmultim expresia cuplului activ cu acest raport:
![]()
Ma= K3IlUlsinj
= K
IlUlsinj=KQ., deci cuplul activ este proportional cu puterea
reactiva.
Acest contor se leaga in circuit astfel(fig.5.a).

Montajul indirect pentru CR43, b=900.(fig.5.b).
CR43 =900

Fig. 5.b
4. Scheme de montaj si aparate folosite:
CR43 =600

Fig. 6.a.
CR43 =900

Fig. 6.b.
5. Aparate utilizate:
CR43, b -contor de energie reactiva utilizat in circuite trifazate cu conductor neutru;
A -ampermetru 0-5 A;
W1 -wattmetru care masoara puterea activa prin metoda cu nul atificial;
W2 -wattmetru care masoara puterea reactiva prin metoda cu un wattmetru alimentat cu tensiune auxiliara de linie;
V -voltmetru 0-600V;
K -intrerupator trifazat de la tablou;
K1 - heblu trifazat;
L -inductanta trifazata variabila;
R - rezistente;
cosj - cosfimetru.
6. Chestiuni de studiat si modul de lucru
Dupa executarea montajelor se identifica parametrii nominali ai contoarelor si se trec in caiet.
Se calculeaza constantele aparatelor. Avind constanta nominala a contorului, Cn[rot/kVARh], se determina energia pe care contorul o inregistreaza pentru o singura rotatie a discului :
Se va determina energia reactiva totala:
Wrt=W1Z[VARs], unde Z este numarul de rotatii complete pe care le efectueaza discul contorului in timpul t(s).
Metoda indirecta de determinare a energiei reactive este:
Wrt=Qtt, Qt este puterea reactiva consumata de receptor in timpul t:
Qt=
P'w2;
Puterea
aparenta: St=
UlIl;
Puterea activa: Pt=3Pw1;
Factorul de putere :
cosj=![]()
Toate aceste date si calcule se trec in tabelul urmator.
|
Nr. crt. |
CA [A/div] |
aA [div] |
I [A] |
CV [V/div] |
aV [div] |
U [V] |
CW1 [W/div] |
aW1 [div] |
PW1 [W] |
CW2 [W/div] |
aW2 [div] |
P W2 [W] |
Pt [W] |
St [VA] |
Qt [VAR] |
cos j mas. |
Wrt(1) [VARs] |
Wrt(2) [VARs] |
cos j calc. |
W1 [VARs/rot] |
|
Politica de confidentialitate | Termeni si conditii de utilizare |
Vizualizari: 2433
Importanta: ![]()
Termeni si conditii de utilizare | Contact
© SCRIGROUP 2025 . All rights reserved