| CATEGORII DOCUMENTE |
| Aeronautica | Comunicatii | Electronica electricitate | Merceologie | Tehnica mecanica |
MASURAREA SIMULTANA A ENERGIEI ACTIVE SI REACTIVE SI DETERMINAREA FACTORULUI DE PUTERE MEDIU
1. Generalitati
Pentru a se determina consumul de energie activa si reactiva si factorul de putere mediu (cosj mediu) al unui consumator sau grup de consumatori pentru un interval de timp mai mare(o luna de zile) se folosesc doua contoare: unul de enrgie activa si unul de energie reactiva legate in aceeasi schema de masurare.
In circuitele trifazate fara conductor neutru se utilizeaza contoarele: CA32 pentru masurarea energiei active si CR32 avand defazajul intern b=600 sau b=900 - pentru masurarea energiei active.
In circuitele trifazate cu conductor neutru se utilizeaza contoarele CA43 si CR43 avand defazajul intern b=600 sau b=900 - pentru masurarea energiei reactive.
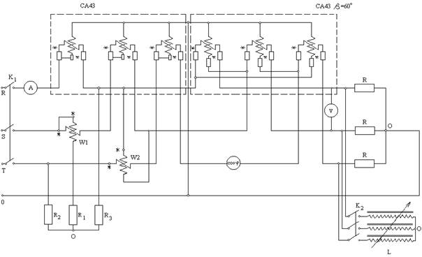
2. Schema de lucru si aparatele utilizate :
=600
|
CA43 |

CA43 -contor de energie activa;
CR43 (b=600 ) - contor de energie reactiva avand defazajul intern b
W1 -wattmetru pentru masurarea puterii active P;
W2 -wattmetru alimentat cu tensiune auxiliara de linie pentru masurarea puterii reactive Q;
V -voltmetru 0-600 V;
A -ampermetru 0-5A;
K1 -intrerupator trifazat de la tablou;
K2 - heblu trifazat;
L -inductanta trifazata variabila;
R - rezistente;
cosj - cosfimetru.
3. Chestiuni de studiat si modul de lucru
Se realizeaza schema de masurare simultana a energiei active si reactive, a puterii active si reactive si a factorului de putere cosj pentru un circuit trifazat cu conductor neutru.
Energie activa se va masura cu un contor CA43. Expresia energiei active:
Wa=
j dt;
Energia reactiva se va masura cu un contor CR43 (b
Expresia energiei reactive:
Wr=
j dt
Facand raportul celor doua energii, rezulta:
, de unde se poate calcula valoarea medie a factoruluide
putere(cosj)med cu relatia
trigonometrica cunoscuta:
cosj=
; (cosj)med=
.
Cele doua energii ;Wa si Wr care intervin in aceasta expresie trebuie sa fie inregistrate de contoare in acelasi interval de timp.
Pentru masurarea puterii active P se va utiliza un wattmetru W1 care va masura putere activa prin metode cu nul artificial.
Pentru masurarea puterii reactive Q, se va utiliza metoda cu un attmetru W2 alimentat cu o tensiune auxiliara de linie.
Factorul de putere cosj se va masura cu un cosfimetru monofazat.
Se va realiza schema de montaj, se vor identifica parametrii nominali ai contoarelor de energie activa si reactiva si se trec in caiet. Se calculeaza constantele aparatelor.
Avand constantele nominlae ale contoarelor se va determina energia activa si reactiva pe care o inregistreaza fiecare contor pentru o singura rotatie a discului:
Astfel : W1a=![]()
W1r=
;
Se va determina energia activa totala:
Wa= W1a∙Za[W∙s], Za numarul de rotatii complete efectuate de disc in timpul ta [s].
Se va determina energia reactiva totala:
Wr= W1r∙Zr[VAR∙s], Zr numarul de rotatii complete efectuate de discul contorului de energie reactiva in timpul tr [s].
Daca ta=tr, se poate determina factorul de putere mediu cu relatia cunoscuta :
(cosj)med=
.
Se vor determina energiile activa si reactiva utilizand metodele indirecte:
Wa=Ptta [Ws], unde P e puterea activa consumata de receptor.
Pt=3PW1 [W]
Wr=Qttr [VARs], Q puterea reactiva totala consumata de receptor.
Q=
∙ P w2 [VAR]
Puterea
aparenta: S=
UlIl;
Factorul de putere: cosj=
.
Toate datele si calculele se trec in tabel.
4.Tabel de date
|
Nr. crt. |
A |
V |
W1 |
W2 |
Pt [W] |
Qt [VAR] |
St [VA] |
Wa==Pt t [Ws] |
CA43 |
Wr=Qt t [VARs] |
CR43 |
cos j mas. |
cos j calc. |
cos j Pt/St |
||||||||||||
|
CA [A/ div] |
aA [div] |
I [A] |
CV [V/ div] |
aV [div] |
U [V] |
CW1 [W/ div] |
aW1 [div] |
PW1 [W] |
CW2 [W/ div] |
aW2 [div] |
P'W2 [W] |
ta [s] |
Za [rot] |
Wa [Ws] |
tr [s] |
Zr [rot] |
Wr [VARs] |
|||||||||
|
Politica de confidentialitate | Termeni si conditii de utilizare |
Vizualizari: 1392
Importanta: ![]()
Termeni si conditii de utilizare | Contact
© SCRIGROUP 2025 . All rights reserved