| CATEGORII DOCUMENTE |
| Aeronautica | Comunicatii | Electronica electricitate | Merceologie | Tehnica mecanica |
OSCILOSCOPUL, CONSTRUCTIE, FUNCTIONARE SI UTILIZARE
CUPRINS
Capitolul 1 - Generalitati
Capitolul 2 - Functionare si Constructie
Capitolul 3 - Masurari cu ajutorul Osciloscopului
Capitolul 4 - Masuri de protectia muncii la folosirea Osciloscopului
Capitolul 5 - Bibliografie
CAPITOLUL 1
GENERALITATI
Osciloscopul este un aparat care permite vizualizarea pe ecranul unui
tub catodic a curbelor ce reprezinta variatia in timp a diferitelor marimi
sau a curbelor ce reprezinta dependenta intre doua marimi. Imaginile ob-
finute pe ecran se numesc oscilograme.
UTILIZARI
Osciloscopul este unu dintre cele mai raspandite aparate electronice,
si are o larga utilizare, fie ca aparat de-sine-statator, fie ca parte com-
ponenta a altor aparate electronice.
Ca aparat de-sine-statator, el se utilizeaza la:
vizualizarea si studierea curbelor de variatie in timp a diferitelor
semnale electrice (curenti, tensiuni);
compararea diferitelor semnale electrice;
masurarea unor marimi electrice (tensiuni, intensitati ale curen-
tului, frecvente, defazaje, grad de modulatie, distorsiuni etc.);
masurarea valorilor instantanee a unor semnale (tensiuni, cu-
renti);
masurarea intervalelor de timp;
vizualizarea caracteristicilor componentelor electronice (tuburi
electronice, tranzistoare), a curbelor de histerezis ale materialelor magnetice etc.
Uneori Osciloscopul face parte din sisteme de masurare si control sau din aparate mai complexe, cum ar fi: caracteriograful (aparat pentru vizua-
lizarea caracteristicilor tranzistoarelor), vobuloscopul (aparat pentru
vizualizarea caracteristicilor de frecventa ale amplificatoarelor). selecto-
graful (aparat pentru vizualizarea curbelor de selectivitate) etc.
Impreuna cu diferite traductoare, Osciloscopul poate fi folosit si la
studierea si masurarea unor marimi neelectrice, cum ar fi in medicina,
fizica nucleara, geofizica etc.
Osciloscopul se realizeaza intr-o mare varietate de tipuri construc-
tive. In tara noastra se constmiesc diferite tipuri de osciloscoape la
I.E.M.I - Bucuresti.
Proprietati
Ca aparat de masurat si control, Osciloscopul prezinta unele avantaje ca:
impedanta de intrare mare, de ordinul megohmilor;
consum de putere foarte mic de la circuitul de masurat:
sensibilitate mare (la unele tipuri constructive constanta fiind
de fractiuni de mV/cm);
banda de frecvente foarte larga, pana la sute de megaherti si, in constructii speciale (cu esantionare), pana la zeci de gigaherti;
comoditate m exploatare.
CAPITOLUL 2
Principiul de Functionare
Elementui principal al unui osciloscop este tubul catodic. Pentru a putea afisa pe ecranul tubului catodic curba ce reprezinta dependenta intre doua marimi, A=f si verticala (y), pentru a descrie pe ecran curba dorita ceea ce este posibil avind in vedere:
Fasciculul de electroni este produs, focalizat si accelerat in tubul catodic si loveste ecranul acestuia producind un punct luminos (spot). Deplasarea spotului pe ecran se realizeaza prim devierea fasciculului de electroni cu ajutorul unor campuri electrice create de doua perechi de placi de deflexie din interiorul tubului catodic, la aplicarea unor
tensiuni Uy la placile de deflexie pe directia y si Ux la placile de deflexie pe directia x.
Pentru ca pe ecran sa apara curba A=f (B), celor duoa perechi de deflexie li se aplica marimile A si B. Ca urmare spotul se va deplasa dupa directiile y si x in acelasi ritm ca si marimile A si B.
Daca marimile A si B sunt periodice, pentru ca pe ecran sa apara o imagine stabila este necesar ca intre frecventele celor doua marimi sa existe relatia:
fA=n x fE
unde n este un numar intreg.
CONSTRUCTIE SI FUNCTIONARE
Elemente componente. Schema Bloc
Osciloscoapele moderne sunt alcatute din mai multe elemente com-
ponente conectate intre ele dupa o schema bloc ca cea reprezenta in figura 1, care contine: tubul catodic, amplificatoarele Ay si Ax, atenuatoarele Aty si Atx generatorul bazei de timp, circuitul de sincronizare (de declansare), circuitul pentru controlul itensitatii spotului, circuitul de intarziere si blocul de alimentare.

Figura 1: Schema bloc a unui osciloscop catodic
NOTA. In afara blocurilor componente reprezentate in figura 1, care sunt comune tuturor osciloscoapelor moderne, la unele osciloscoape se mai intalnesc si alte circuite, cu destinatii diferite in functie de tipul si complexitatea aparatului.
interiorul lui se genereaza fasciculul de electroni care - deviat sub
actiunea campurilor produse de semnalele de studiat, ciocnesc ecranul,
descriind pe acesta curbele dorite.
Amplificatoarele Ay si Ax amplifica semnalele de studiat prea mici, inainte de a fi aplicate placilor de deflexie.
Atenuatoarele Aty si Atx; micsoreaza semnalele prea mari inainte de a fi aplicate amplificatoarelor Ay si Ax. La osciloscoapele moderne, atenuatoarele sunt calibrate in V/cm sau mV/cm reprezentind tensiunea necesara la intrarea atenuatorului pentru a produce o deplasare a spotului pe ecran de 1 cm. Aceasta calibrare este valabila numai daca reglajul amplificarii amplificatorului respectiv este la maxim.
Generatorul bazei de timp. In cazul vizualizarii curbelor ce reprezinta variatia in timp a unor marimi [A = f(t) , la placile de deflexie X trebuie sa se aplice o tensiune proportionala cu timpul:
Ux=Kxt
Tensiunea Ux trebuie deci sa fie o tensiune liniar-variabila in timp,
adica de forma dintilor de ferastrau. Aceasta tensiune este generata in
osciloscop de generatorul bazei de timp.
pe ecran sa fie stabila, conform relatiei de mai sus este necesar ca frecventa
semnalului de vizualizat sa fie un multiplu intreg al frecventei bazei de
timp:
fA=n x fBT.
Pentru realizarea acestei conditii, generatorul bazei de timp are frec-
venta variabila si, in plus, exista posibilitatea sincronizarii ei prin circuitul de sincronizare, fie cu semnal de vizualizat, fie cu un alt semnal exterior.
Pentru a se putea vizualiza si semnale neperiodice, la osciloscoapele
moderne generatorul bazei de timp poate functiona, la alegere, fie continuu (relaxat), generind un semnal periodic chiar si in absenta semnaului de vizualizat, fie declansat.
Spre deosebire de functionarea periodica, functionarea declansata
este comandata, chiar de semnalul de vizualizat. In lipsa semnalului, baza de timp nu functioneaza. La aparitia unui semnal la intrare, baza de timp se declanseaza, genereaza un singur dinte de ferastrau si apoi se blocheaza din nou in asteptarea unui alt semnal. In cazul in care la intrare se aplica un semnal periodic baza de timp urmarind semnalul de la intrare devine periodica.
NOTA: Deoarece toate osciloscoapele construite in prezent sunt prevazute cu posibilitatea functionarii generatorului baza de timp si in regim declansat, denumirea de sincroscop folosita pentru osciloscoapele cu baza de timp declansata nu mai este practic utilizata.

Figura 2: Diagramele tensiunilor in diferite puncte ale schemei osciloscopului:
a-tensiunea; b-tensiunea generata de baza de timp; c-tensiunea pe cilindrul Wehnelt; d-tensiunea dupa circuitul de intarziere
In figura 2 sunt reprezentate diagramele tensiunilor in diferite puncte ale schemei unui osciloscop functionand cu baza de timp declansata. In figura 2 (a) este reprezentat semnalul aplicat la intrare in momentul t=t1. Pana la aparitia semnalului, baza de timp este blocata.
La t=t1 baza de timp se declanseaza genereaza un dinte de ferastrau si apoi se blocheaza din nou (figura 2, b).
Circuitul pentru controlul intensitatii spotului. In cazul functionarii cu baza de timp declansata, in lipsa semnalului la intrare, baza de timp fiind blocata, atat placilor de deflexie Y cat si placilor de deflexie X nu li se aplica nici un semnal. In aceasta situatie fasciculul de electroni ar bombarda ecranul intr-un singur punct, in centru, ceea ce ar duce la distrugerea luminoforului in punctui respectiv. Pentru a proteja ecranul, osciloscopul este prevazut cu un circuit pentru controlul intensitatii spotului. Acesta furnizeaza o tensiune negativa care se aplica pe cilindrul Wehnelt pentru stingerea spotului cand baza de timp este blocata (figura 2c ).
Circuitul pentru controlul intensitatii spotului mai este folosit si
la stingerea spotului pe durata cursei de intoarcere si uneori la modula-
rea intensitatii spotului cu un semnal exterior.
Circuitul de intarziere are rolul de a intarzia semnalul astfel incat acesta sa se aplice placilor Y dupa ce baza de timp a inceput sa functioneze. In figura 2 d este reprezentata diagrama tensiunii Uy, intirziata fata de tensiunea de la intrare, Ui cu timpul t. Daca nu sar folosii circuitul de intarziere, semnalul s-ar aplica placilor Y cand spotul este stins si baza de timp blocata, ceea ce ar face ca inceputul semnalului sa nu mai apara pe ecran ( figura 3 a ). Cu circuitul de intarziere semnalul se vizualizeaza corect (figura 3 b ).

Figura 3. Efectul circuituluiu de intarziere: a - oscilogramul fara circuit de intarziere
b - oscilograma cu circuit de intarziere
Blocul de alimentare contine surse stabilizate de inalta si joasa tensiune si asugura alimentarea celorlalte blocuri inclusiv a tubului catodic.
TUBUL CATODIC
Asa cum s-a aratat, tubul catodic reprezentat este elementul principal al osciloscopului. El este un tub cu vid, care are o parte cilindrica si o parte tronconica (fig. 4 ).
In interiorul tubului in partea cilindrica, se afla un dispozitiv de emisie si focalizare, numit tun electronic, care emite, focalizeaza si accelereaza fasciculul de electroni, si un sistem de deflexie pentru devierea acestui fascicul.
In partea frontala, tubul catodic are un ecran acoperit spre interior cu substante luminofore. El devine luminos in punctul in care este lovit de fasciculul de electroni.
In interiorul tubului pe partea tronconica, este depus un strat bun conducator de electricitate, care are rolul de ecranare si de colec tare a eectronilor, dupa ce acestia au lovit ecranul.
Figura 4: Tubul catodic
DISPOZITIVUL DE EMISIE SI FOCALIZARE
(tunul de electroni)
Tunul de electroni este format deobicei dintr-un catod, un electrod de comanda si doi anozi: de focalozare si de accelerare.
Catodul 1 este un cilindru metalic cu suprafata frontala acomerita de un strat de oxizi de bariu si strontiu, ce poate emite usor electronii. Catodul este incalzit indirect de un filament care se afla in interior.
Electrodul de comanda 2, numit si cilindrul Wehnelt, este un electrod cilindric ce inconjoara catodul si care este prevazut in partea frontala cu un mic orificiu prin care trec electronii.
Electrodul de comanda se afla la un potential negativ fata de catod franand in acest mod deplasarea electronilor. Potentialul electrodului de comanda se poate varia cu potentiometrul Rg. Cu cat electrodul de comanda va fii mai negativ fata de electrod, cu atat putin elecroni vor reusii sa treaca de el. In acest mod, regland negativarea cilindrului Wehnelt se poate controla numarul electronilor din fascicul ce se indreapta spre ecran si, ca urmare, se poate regla luminozitatea spotului de pe ecran.
Dupa trecerea prin electrodul de comanda, fasciculul de electroni
este focalizat pe ecranul tubului catodic cu o lentila electronica formata
din cei doi anozi, de focalizare si de accelerare.
Anodul de focalizare 3 este un cilindru care are un potential po-
zitiv fata de catod (citeva sute de volti), reglabil cu potentiometrul Ra, Variand acest potential se regleaza distanta focala a lentiiei electronice
astfel incat focarul ei sa cada pe ecran. Cand reglajul este corect, imaginea de pe ecran are claritatea maxima.
Anodul de accelerare 4 este tot de forma cilindrica si are un potential fix, pozitiv fata de catod, de ordinul miilor de volti. El are rolul de a accelera miscarea electronilor, determinand viteza Vo cu care acestia se indreapta spre ecran.
DISPOZITIVUL DE DEFLEXIE
Deviatia fasciculului de electroni se poate realiza cu campuri elec- trostatice sau magnetice. La tuburile catodice folosite in osciloscoape
se utilizeaza deviatia cu campuri electrostatice; dispozitivul de defiexie este format din doua perechi de placi de deflexie dispuse perpendiculat una pe alta, pentru devierea fasciculului de electroni dupa cele doua directii, x si y.

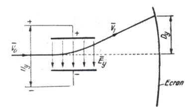
Figura 5: Deviatia fasciculului de electroni
Cand placile sunt la acelasi potential, fascicolul de electroni trece printe ele fara a fii deviat si loveste ecranul in centru
Daca se aplica placilor de deflexie 5 o tensiune Uy figura 5, intre ele apare un camp electronic Ey. Sub actiunea acestui camp, electronii vor fii atrasi de placa mai pozitiva si respinsi de placa mai negativa cu o forta Fy=e * Ey, care va imprima electronilor o acceleratie ay dupa directia y.
Cand electronii ies dintre placi, actiunea cimpului Ey inceteaza si
ei isi continua miscarca dupa o directie tangenta la traiectoria parabolica, lovind ecranul la o distanta Dy fata de centru. Deviatia spotului pe ecran Dy este cu atat mat mare cu cat tensiunea Uy aplicata placilor y este mai mare.
ECRANUL
Dupa ce au trecut prin sistemul de deflexie, electronii ajung pe ecran
(7) producand spotul luminos. Rolul ecranului este de a transforma o parte cat mai mare din energia cinetica a electronilor in energie luminoasa. In acest scop, pe suprafata interioara a ecranului, este depusa o substanta fluorescenta numita luminofor, care devine luminoasa cand este bombardata de ealectroni. Pentru a i se mari eficacitatea, se adauga diferite substante activante.
Culoarea spotului luminos depinde de compozitia substantei fluo-rescente. Pentru observari vizuale se folosesc ecrane cu fluorescenta galben-verzuie, deoarece sensibilitatea ochiului este maxima in acest domeniu. Materialul folosit pentru aceste ecrane este wilemitul (orto-silicat de zinc) activat cu magneziu.
GENERATORUL BAZA DE TIMP
Generatorul baza de timp este blocul functional al osciloscopului catodic in care se genereaza tensiunea de forma dintilor de ferastrau ce se aplica placilor X in cazul vizualizarii curbelor ce reprezinta, variatia in timp a diferitelor marimi.
Conditii impuse tensiunii baza de timp. Deoarece timpul se scurge
uniform, este necesar ca tensiinea aplicata placilor X sa cresca. liniar, deplasand spotul cu viteza uniforma de la stinga la dreapta, iar apoi sa scada brusc, pentru a reincepe o noua variatie. In intervalul de timp t1-t0 cand tensiunea ux creste, spot-ul se deplaseaza de la stinga la dreapta, descriind pe ecran curba dorita. Forma ideala a tensiunii ux este cea desenata cu linie plina in figura 6 a. In practica, insa, nu se poate obtine o astfel de variatie. Semnalele obtinute cu circuitele reale nu sant perfect liniare si anularea lor nu se face instantaneu, ci intr-un interval de timp finit t2-t1 (figura 6 a - linie punctata).

Figura 6. Forma reala so forma ideala a tensiunii ux
Datorita acestor diferente intre forma reala si forma ideala a tensiunii apar unele neajunsuri, care trebuie sa fie minimizate
t2-t1, cand tensiunea scade, spotul se intoarce de la dreapta la stinga descriind pe ecran o linie de intoarere care nu face parte din semnal.
Schema de principiu pentru generarea tensiunii baza de timp
Tinand seama de conditiile impuse tensiunii ux, s-au realizat diferite constrictii de generatoare baza de timp. In principiu insa, toate schemele adoptate se bazeaza pe incarcarea si descarcarea unui condensator.
Modelul cel mai simplu al generatorului baza de timp este reprezentat in figura 7. La inchiderea intrerupatorului K1, la momentul t=t0, condensatorul C se incarca de la sursa E prin rezistenta R, dupa o lege exponentiala (figura 8);

Incarcarea este cu atat mai lenta cu cat constanta de timp t1=RC este mai mare.

Figura 7. Modelul unui generator bazei de timp Figura 8. Variatia tensiunii la bornele condensatorului C
La momentul t=t1, cand tensiunea pe condesator are valoarea Uc, se inchide intrerupatorul K2, ce reprezina o rezistenta de contact r de valoare mica. Incepand in acest moment condensatorul C se descarca pe rezistenta de contact 5 de valoare mica.
Reglarea vitezei de deplasare a spotului (reglarea frecventei bazei de timp)
Durata unui dinte de ferastrau corespunde intervalului de timp t1-t0 in care tensiunea pe condensator creste pana la valoarea Uc necesara devierii fasciculului de electroni, astfel incat spotul sa se deplaseze pe tot ecranul de la stanga la dreapta. Ea depinde de constanta de timp t1=RC. Daca se variaza valorile lui R si C, se pot obtine durate diferite pentru dintii de ferastrau (figura 9 ). De obicei aceasta durata se variaza in trepte cu un comutator ce introduce in circuit condensatoare de diferite valori si fin prin variatia continua a rezistentei R. Comutatorul este calibrat in ms/cm sau us/cm, corespunzator timpului necesar ca spotul sa se deplaseze pe directia orizontala cu 1 cm. Aceasta calibrare este valabila numai daca reflajul fin este la maxim. In cazul fimctionarii periodice, se poate considera ca durata unui dinte de ferastrau corespunde unei perioade a semnalului generat de baza de timp, deci variand durata dintilor de ferastrau se variaza frecventa bazei de timp.

Figura 9. Variatia duratei dintilor de ferastrau in funtie de valoarea constantei de timp
CAPITOLUL 3
MASURARI CU AJUTORUL OSCILOSCOPULUI
In afara de vizualizarea formei semnalelor, osciloscopul catodic mai
are numeroase utilizari in tehnica masurarilor electrice, electronice si magnetice.
Masurarea tenriunilor
Masurarea tensiunilor cu osciloscopul catodic se bazeaza pe faptul ca deviatia spotului este proportionala cu amplitudinea tensiunii aplicate placilor de deflexie. Se pot utiliza diferite metode de masurare:
METODA DIRECTA
Metoda directa se utilizeaza in cazul osciloscoapelor moderne, prevazute cu ecran caroiat (inpartite in patrate cu latura de obicei de 1 cm) si care au ateinuatorul Ay etalonat in mV/cm sau V/cm.
Inainte de utilizare, se recomanda sa se verifice calibrarea atenuatorului Ay. In acest scop, osciloscoapele dispun, la o borna de pe panoul frontal, de o tensiune de calibrare. Cu ajutorul unei sonde (cordon de legatura), se aplica tensiunea de calibrare la intrarea osciloscopului si se verifica daca tensiunea obtinuta pe ecran corespunde indicatiei atenuatorului.
De excmplu, la osciloscopul tip E 0101 fabricat la I.E.M.I. Bucuresti tensiunea de calibrare este de 2 V. Se aplica aceasta tensiune la intrara Y a osciloscopului si se aseaza atenuatorul pe pozifia 2 V/cm. In acest caz, daca reglajul amplificarii este la maxim, pe ecran trebuie sa apara o oscilograma avand inaltimea de 1 cm.
Modul de lucru. Se aplica semnalul de masurat la intrarea Y a osciloscopului, se controleaza daca reglajul amplificarii este la maxim si se regleaza atenuatorul Ay si baza de timp astfel incat sa se obtina o oscilograma corect incadrata in ecran (figura 10). Se masoara cu ajutorul caroiajului de pe ecran inaltimea oscilogramei in centimetri si se inmulteste cu indicatia atenuatorului, obtinandu-se astfel direct valoarea tensiunii masurate.
METODA COMPARATIEI
Cand osciloscopul nu are atenuatorul calibrat sau calibrarea nu mai este corecta, se poate folosi metoda comparatiei. La aceasta metoda tensiunea de masurat, de oforma oarecare, se compara cu o tensiune sinusoidala de joasa frecventa, care poate fi masurata cu un voltmetru obisnuit.
Modul de lucru. Se realizeaza montajul din figura 11. Cu comutatorui K pe pozitia 1 se aplica la intrarea Y a osciloscopului tensiunea Ux de masurat. Se regleaza amplificarea si baza de timp pana se obtine o oscilograma corect incadrata pe ecran si se masoara inaltimea l a oscilogramei.
Fara a interveni la reglajul amplificarii, se trece comutatorul K pe pozitia 2, aplicandu-se la intrarea Y a osciloscopului o tensiure sinusoidala de joasa frecventa. Aceasta se regleaza pana cand oscilograma obtinuta pe ecran are aceeasi inaltime l ca si in cazul vizualizarii tensiunii Ux.
Cele doua oscilograme avand aceeasi inaltime, inseamna ca amplitudinea tensiunii Ux este egala cu amplitudinea varf la varf a tensiunii sinusoidale.

Figura 10. Masurarea directa a tensiunii Figura 11. Masurarea tansiunii prin metoda comparatiei
Tensiunea sinusoidala se masoara cu volmetrul V, care deobicei este etalonat in valori eficace.
2. MASURAREA INTENSITATII CURENTULUI ELECTRIC
Intrucat osciloscopul catodic functioneaza cu deflexic electrostatica,
semnalele ce se aplica la intrarea lui sunt de natura unor tensiuni.
Pentru masurarea a intensitatii curentului cu osciloscopul catodic,
se trece curentul de masurat printr-o rezistenta de valoare cunoscuta si se masoara cu una din metodele studiate in paragraful precedent caderea de tensiune la bornele rezistentei. Apoi, aplicand legea lui Ohm, se calculeaza valoarea intensitatii curentului de masurat.
3. MASURAREA INTERVALELOR DE TIMP
Masurarea intervalelor de timp se poate realiza cunoscand viteza de deplasare a spotului si masurad pe ecran lungimea segmentului care corespunde intervalului de timp considerat. Osciloscoapele moderne au baza de timp calibrata in ms/cm sau us/cm, adica se indica pentru fiecare pozitie a comutatorului ce regleza in trepte frecventa bazei de timp, timpul necesar pentru ca spotul sa se deplaseze pe directie orizontala cu un centimetru. Aceasta calibrare este corecta numai daca reglajul fin al bazei de timp este la maxim.
MASURAREA DURATEI UNUI SEMNAL
Pentru masurarea duratei unui semnal, acesta se aplica la intrarea Y a osciloscopului si se regleaza amplificarea si baza de timp pana cand se obtine o oscilograma corect incadrata in ecran.
Se verifica daca reglajul fin al bazei de timp este la maxim. Apoi se masoara latimea semnalului pe ecran, in centimetri, si se inmulteste cu indicatia reglajului in trepte al bazei de timp, obtinandu-se astfel durata semnalului de masurat.
De exemplu, in cazul oscilogramei din figura 10, daca reglajul in trepte al bazei de timp este pe pozitia 1 ms/cm si latimea impulsului este de 2,5 cm, durata impulsului va fi t = 2,5 x 1= 2,5 ms.
In mod analog se poate masura si durata unei parti din semnal, cum ar fi durata timpului de crestere a unui impuls (timpul in care semnalul creste de la 10% la 90% din amplitudinea sa !).
MASURAREA PERIOADEI UNUI SEMNAL
Pentru masurarea perioadei, este necesar ca baza de timp sa fie astfel reglata incat oscilograma sa contina cel putin doua perioade succesive ale semnalului. In acest caz, daca reglajul fin al bazei de timp este la maxim, se masoara pe ecran in centimetri distanta intre doua treceri succesive ale semnalului prin aceeasi valoare si cu acelasi semn de variatie si se inmulteste cu indicatia reglajului in trepte al bazei de timp. In acest fel, se obtine direct perioada semnalului.
4. MASURAREA FRECVENTELOR
Frecventa se poate masura
cu osciloscopul catodic, masurand perioada semnalului ca la punctul precedent
si apoi calculand frecventa cu relatia bine cunoscuta:
. Aceasta metoda nu asigura insa o precizie buna.
Masurari mai precise se pot obtine folosind unele metode de comparatie, cumar fi: metoda figurilor lui Lissajous, metoda modularii intensitatii spotului, metoda oscilogramelor duble etc
METODA FIGURILOR LUI LISSAJOUS
Dintre metodele de comparatie, metoda figurilor lui Lissajous este cea mai frecvent folosita.
Lissajous, fizician francez (1822 - 1880), a studiat compunerea a
doua oscilatii sinusoidale ale caror directii de oscilatie sunt
perpendiculare. El a constatat ca daca raportul frecventelor celor doua
oscilatii este un numar rational
m si n fiind numere intregi, se obtin figuri a caror
forma depinde de raportul frecventelor celor doua oscilatii si de defazajul
dintre ele (figura 12).
Figurile lui Lissajous se pot obtine pe ecranul osciloscopului catodic daca se aplica ambelor perechi de placi de deflexie tensiuni sinusoidale.
Modul de lucru. Pentru masurarea frecventei Fx a unui semnal,
acesta se aplica unei perechi de placi de deflexie a osciloscopului, iar la
cealalta perechie de placi de deflexie se aplica un semnal de la un generator
de frecventa variabila si cunoscuta, F0 (figura 13 a). Se variaza frecventa F0
pana cand pe ecran se obtine una dintre figurile lui Lissajous. Pentru a
determina raportul corespunzator figurii obtinute pe ecran, se intersecteaza
figura cu doua drepte, una orizontala si una verticala si se numara
punctele de intersectie ale figurii cu cele doua drepte ( figura 13 b ). Pentru
orice figura a lui Lissajous raportul intre numarul de intersectii Nx cu
dreapta orizontala si numarul de intersectii Ny cu dreapta verticala este egal
cu raportul intre frecventa semnalului aplicat placilor Y si frecventa semnalului aplicat
placilor X:
.
Cunoscand raportul corespunzator figurii obtinute pe ecran si frecventa F0, se poate determina frecventa Fx folosind relatia de mai sus.

Figura 12. Figura lui Lissajous Figura 13. Masurarea frecventelor cu figurile lui Lissajous
5. VIZUALIZAREA CARACTERISTICILOR
O caracteristica este reprezentarea grafica a dependentei dintre doua
marimi ce caracterizeaza, un aparat, un dispozitiv sau un material (de exemplu: caracteristica unei diode, i=f(u); caracteristicile tranzistoarelor, Ic=f(Uce); caracteristicile de magnetizare ale materialelor feromagnetice, B=f(H).
La reprezentarea grafica a caracteristicilor se folosesc doua axe rectangulare. Deplasarea spotului la osciloscop se face de asemenea dupa doua axe rectangulare, iar deviatiile sunt proportionale cu tensiunile ce se aplica celor doua perechi de placi de deflexie. Aceasta analogie face posibila vizualizarea pe ecranul osciloscopului catodic a oricarei curbe de tipul A=f(B)
VIZUALIZAREA CARACTERISTICII UNEI DIODE
Caracteristica I=f(U) a unei diode se poate vizualiza folosind montajul din figura 14. Placilor X li se aplica tensiunea U de la bornele diodei, iar placilor Y trebuie sa li se aplice o tensiune proportionala cu curentul diodei. In acest scop, in serie cu dioda s-a montat o rezistenta R la bornele careia se culege tensiunea Ur=RI, care se aplica placilor Y.
Pentru a obtine caracteristica I=f(U) tensiunea U trebuie sa ia diferite valori. De aceea, dioda trebuie alimentata in curent alternativ.
CAPITOLUL 4
MASURI DE PROTECTIA MUNCII LA FOLOSIREA OSCILOSCOPULUI
Protectia muncii constituie un ansamblu de activitati institutionalizate avind ca scop asigurarea celor mai bune conditii in desfasurarea procesului de munca, apararea vietii, integritatii corporale si sanatatii salariatilor si a altor persoane participante la procesul de munca.
CAPITOLUL 5
BIBLIOGRAFIE
DUMITRESCU, I. s.a. Electrotehnica
si masini electrice.
Editura Didactica si Pedagogica, Bucuresti, 1983.
2. DUMITRESCU, I. s.a. Grafica interactiva-initiere.
Editura Universitatii
Ploiesti, 1993.
3. HELFRICK, A.D. a.s. Modern Instrumentation and
Measurement Techniques.
Prentice-Hall International Inc., 1990.
4. ILIESCU, C. s.a.
Masurari electrice
si electronice.
Editura Didactica si Pedagogica, Bucuresti, 1984.
5. MANOLESCU, P., CARMEN IONESCU
GOLOVANOV. Masurari electrice si
electronice.
Editura Didactica si Pedagogica, Bucuresti, 1980.
6. MAZDA, F.F. Electronic
Instruments and Measurement Techniques.
University Press,
7. MILLEA, A. Masurari
electrice - principii si metode.
Editura Tehnica, Bucuresti, 1980.
8. NICOLAU, E. s.a. Manualul
inginerului electronist.
Editura Tehnica, Bucuresti, 1979.
9. PREDA, M., CRISTEA, P., SPINEI, F. Bazele
electrotehnicii I. Electrodinamica.
Editura Didactica si Pedagogica, Bucuresti, 1980.
10. SZTOJANOV, I., PASCA, S. Analiza asistata de calculator a circuitelor
electronice - ghid practic PSice.
Editura 'TEORA', Bucuresti,
1997.
|
Politica de confidentialitate | Termeni si conditii de utilizare |
Vizualizari: 2087
Importanta: ![]()
Termeni si conditii de utilizare | Contact
© SCRIGROUP 2026 . All rights reserved