| CATEGORII DOCUMENTE |
| Aeronautica | Comunicatii | Electronica electricitate | Merceologie | Tehnica mecanica |
SUBIECTE FINAL MME
1. Contorul monofazat de inductie
1 bobinǎ electromagnet curent; 2 miez elmg. de curent; 3 bobinǎ electromagnet tensiune; 4 miez magnet tensiune; 5 disc aluminiu; 6 magnet permanent; 7 axul de rotatie.
n Se considerǎ cǎ cei doi curenti care parcurg bobinele celor doi electromagneti sunt alternativi si au expresiile:

n fluxurile magnetice inductoare produse de curentii i1(t) si i2(t) sunt in fazǎ cu acesti curenti si au expresiile:

n tensiunile electromotoare induse in disc de aceste fluxuri se pot scrie, conform legii inductiei electromagnetice:

n T.e.m. induse dau nastere in disc la curenti turbionari si , in fazǎ cu aceste tensiuni datoritǎ caracterului rezistiv al discului. Din interactiunea curentului cu fluxul si a curentului cu fluxul iau nastere forte electromagnetice care actioneazǎ asupra discului producand cuplul activ mediu:
Cuplul activ
![]()
Cuplul rezistent
n este dat de curentii turbionari indusi in disc de magnetul permanent fiind proportional cu pǎtratul fluxului magnetic inductor Φo al magnetului si cu turatia n a discului:
![]()
Regimul stationar
![]()
din care rezultǎ proportionalitatea dintre cuplul activ si turatia discului.
Diagrama de fazori a mǎrimilor caracteristice
Fluxul Φ1
este in fazǎ cu I1, iar fluxul Φ2 este in fazǎ cu I2, deoarece
s-au neglijat pierderile in fier. I2 este defazat cu unghiul β in
urmǎ fatǎ de tensiunea U Defazajul dintre tensiunea si curentul
din circuitul de mǎsurǎ a energiei este φ.

Deoarece fluxul Φ1 este proportional cu curentul I1 care circulǎ prin circuitul receptor si fluxul Φ2 este proportional cu curentul I2 (deci cu tensiunea U de la bornele receptorului), putem scrie relatia:
![]()
n Pentru a se obtine proportionalitate intre cuplul activ al instrumentului si puterea activǎ P=UI1cosφ a receptorului, se realizeazǎ constructiv defazajul β = 90s. In acest caz, cuplul activ al instrumentului devine:
![]()
Energia consumatǎ in timpul t se obtine

Asadar, energia consumatǎ in timpul t este proportionalǎ cu numǎrul de rotatii complete N, efectuate de contor in acel timp.
Observatii
n La relatia anterioara s-a ajuns fǎcand anumite ipoteze simplificatoare. Aceste ipoteze pot conduce la erori importante ale intrumentului de inductie
n Nerealizarea defazajului β = 90s conduce la o neproportionalitate intre cuplul activ si puterea activǎ a dispozitivului, deci la erori.
n Franarea suplimentarǎ a discului, datoratǎ fluxurilor magnetice ale celor doi electromagneti, conduce la o eroare negativǎ pentru cǎ discul se roteste mai incet.
n Influenta frecǎrilor la sarcini reduse este importantǎ.
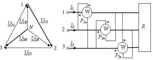
2. Mǎsurarea puterii si energiei in circuite trifazate c.c.n.
TEOREMA LUI BLONDEL
Puterea totala intr-un circuit cu n faze poate fi masurata cu ajutorul a n watmetre conectate astfel incat bobinele de curent sa fie parcurse de curentii de linie iar bobinele de tensiune sa fie conectate intre conductoarele respective si un punct N de potential oarecare.
![]()
![]()
![]()

TEOREMA LUI BLONDEL
Potentialul punctului de referintǎ N este arbitrar, de aceea se poate alege chiar pe una dintre fazele circuitului, de exemplu pe faza k, numitǎ fazǎ de referintǎ. Se gǎseste astfel, schema de mǎsurare a puterii active cu n 1 wattmetre.
Metodele celor n si n 1 aparate sunt valabile indiferent de gradul de nesimetrie al tensiunilor de alimentare ale circuitului si indiferent de gradul de dezechilibru al curentilor de linie.
Observatii
n Puterea este independenta (nu depinde) de punctul N;
n Puterea nu depinde de tipul sarcinii;
n Indicatia wattmetrelor monofazate nu are semnificatie fizica.
Mǎsurarea puterii active circuite trifazate c.c.n.

Mǎsurarea puterii trifazate c.c.n. cu trafo de curent si rezistente aditionale

![]()
Schema contorului de energie reactivǎ cu conductor de nul:

a cu defazaj intern β = 60o; b cu defazaj intern β = 90o
Mǎsurarea cu 3 wattmetre a puterii reactive c.c.n
Schema unui contor de energie reactivǎ pentru sisteme trifazate c.c.n., avand defazajul intern β = 60o.
3. MASurarea puterii SI energiei in circuite trifazate f.c.n.
TEOREMA LUI BLONDEL
Puterea totala intr-un circuit cu n faze poate fi masurata cu ajutorul a n watmetre conectate astfel incat bobinele de curent sa fie parcurse de curentii de linie iar bobinele de tensiune sa fie conectate intre conductoarele respective si un punct N de potential oarecare.
![]()
![]()
![]()

TEOREMA LUI BLONDEL
Potentialul punctului de referintǎ N este arbitrar, de aceea se poate alege chiar pe una dintre fazele circuitului, de exemplu pe faza k, numitǎ fazǎ de referintǎ. Se gǎseste astfel, schema de mǎsurare a puterii active cu n 1 wattmetre.
Metodele celor n si n 1 aparate sunt valabile indiferent de gradul de nesimetrie al tensiunilor de alimentare ale circuitului si indiferent de gradul de dezechilibru al curentilor de linie.
Observatii
n Puterea este independenta (nu depinde) de punctul N;
n Puterea nu depinde de tipul sarcinii;
n Indicatia wattmetrelor monofazate nu are semnificatie fizica.
Mǎsurarea puterii active in circuite trifazate f.c.n.

Schema de mǎsurare a puterii active trifazate f.c.n. cu trafo de tensiune si curent

![]()
Mǎsurarea cu 3 wattmetre a puterii reactive in circuite trifazate f.c.n

![]()
4. Mǎsurarea indirectǎ a puterii si energiei in circuite c.c.n.
Mǎsurarea indirectǎ a energiei active, cu TCA43, in circuite c.c.n.

Mǎsurarea indirectǎ a puterii si energiei in circuite f.c.n.
Mǎsurarea indirectǎ a energiei active, cu TCA32, in circuite f.c.n.

|
Politica de confidentialitate | Termeni si conditii de utilizare |
Vizualizari: 670
Importanta: ![]()
Termeni si conditii de utilizare | Contact
© SCRIGROUP 2025 . All rights reserved