| CATEGORII DOCUMENTE |
| Aeronautica | Comunicatii | Electronica electricitate | Merceologie | Tehnica mecanica |
FENOMENELE DE BAZA LA PORNIREA MOTOARELOR DE CURENT CONTINUU
In practica se utilizeaza urmatoare metode de pornire a motoarelor de c.c.:
conectarea directa a motoarelor la retea;
metoda cu rezistente aditionale de pornire, in care caz in circuitul indusului se introduce un reostat de pornire;
variatia tensiunii de alimentare fara reostat de pornire.
In unele cazuri, cum este cazul in instalatiile maritime cu elice, este posibila aplicarea combinata a ultimelor doua metode.
Din punctul de vedere al pretului redus al aparaturii si simplitatii operatiei de pornire, conectarea directa a motorului la plina tensiune a retelei este, desigur, cea mai avantajoasa. In acest caz, operatia de pornire se reduce de fapt la simpla inchidere a contactului din circuitul rotorului, numai ca infasurarea de excitatie in derivatie se excita in prealabil.
Cu toate acestea, metoda acesta are un sir de defecte foarte importante, determinate de socul insemnat al curentului de pornire la conectare.
Din aceasta cauza:
pe colectorul motorului se poate ivi un foc circular;
in cazul unei operatii de lunga durata (instalatiei cu inertie mare) se observa o
ridicare foarte mare a temperaturii tuturor infasurarilor din circuitul indusului;
functionarea aparaturii de protectie si de masura din circuitul indusului se
complica;
- are loc o cadere importanta a tensiunii in reteaua de alimentare daca nu este dimensionata pentru socul curentului de pornire;
- la arborele motorului apare un mare cuplu de accelerare, pentru care trebuie sa fie calculat mecanismul de transmisie la masina antrenata, in caz contrar aceasta din urma poate suferi avarii.
Sa vedem ce factori determina socul de curent la pornire in retea la conectarea directa a motorului, fie acesta un motor cu excitatie derivatie.
Conform ecuatiei cunoscute
. (4.1)
In
momentul in care curentul de pornire atinge valoare sa maxima
,
derivata
si
(4.2)
Daca in intervalul
de timp in care curentul iA ajunge la
motorul nu porneste (ca exemplu in instalatii
cu volant mare), e0 = 0 si
,
adica in acest caz socul curentului de pornire este determinat numai de
tensiunea retelei de alimentare si de rezistenta ohmica a rotorului RA.
De obicei, la curentul nominal IAN caderea de tensiune
careia ii corespunde curentul
Daca in intervalul de timp aratat mai sus, motorul
porneste si se obtine o viteza oarecare mai inainte ca curentul iA
sa atinga valoarea maxima,
socul
de curent este limitat si este mai putin periculos.
Experientele au
aratat ca, la pornirea directa in gol, socul de curent la motoarele cu
excitatie derivatie este
iar timpul de demarare tp = 0,1.0,3
s (fig. 4.1.).

La
pornirea sub sarcina, socul de curent este mai mare decat la pornirea in gol cu
15 - 35%, iar in timpul pornirii tp > 0,3 s. Incalzirea
infasurarii indusului este neglijabila, de ordinul catorva grade. O atentie
speciala trebuie insa indreptata asupra comutatiei, deoarece la pornirea
directa apar scanteieri care pot trece in focul circular. Experienta a aratat
ca in cazul unui curent de 4 - 6 ori curentul nominal se observa numai o
scanteiere slaba, aproximativ sub o jumatate a periei, iar la curent de 7 - 11
ori cel nominal se observa o scanteiere puternica, inaccesibila la porniri
dese. Gradul de scanteieri se mareste mult cu marirea puterii, de unde se poate
trage concluzia ca, chiar la motoarele de putere mica, insa destinate pentru
porniri dese, curentul
nu trebuie sa depaseasca (4.6)IAN.
In figura 4.2. se prezinta schema de principiu a pornirii automatizate reversibile (intr-un sens sau altul), utilizandu-se butoanele de comanda b1 (pornire stanga), b2 (pornirea dreapta) si b3 (oprire indiferent de sens) si doua contactoare c1 (pornire stanga) si c2 (pornire dreapta), la un motor cu excitatie separata.

Intai se inchide intreruptorul cu parghie a1 care conecteaza al reteaua de curent continuu excitatia Ex a motorului si partea de comanda a instalatiei. Apasand pe butonul b1, se alimenteaza bobina electromagnetu1ui din contactorul c1, care actioneaza si inchide contactele sale principale (de forta) din circuitul 2 al rotorului motorului. In felul acesta motorul porneste in sensul stanga. Totodata, contactorul c1 actioneaza si contactele auxiliare cl, in numar de doua, unul in circuitul 6 si altul in circuitul 7 [circuitele sant numerotate de la stanga la dreapta in josul schemei, iar sub bobinele contactoarelor se indica cu linie mai groasa circuitele in care sunt plasate contactele principale (de forta) ale contactorului respectiv si cu linie mai subtire contactele auxiliare; o simpla linie indica contact normal deschis, o linie taiata contact normal inchis]. Contactul auxiliar c1 din circuitul 6, numit de autoblocare, permite alimentarea contactorului c1, chiar daca butonul b1 nu mai este actionat. Contactul auxiliar normal inchis c1 din circuitul 7 se deschide cand contactorul c1 este alimentat si impiedica alimentarea contactorului c2 in cazul cand s-ar apasa din greseala, motorul mergand in sensul stanga, pe butonul b2 de pornire in sens dreapta.
Daca vrem ca motorul sa schimbe sensul de rotatie, trebuie mai intai sa apasam butonul de oprire b3, care intrerupe alimentarea contactoarelor si a motorului, readucand instalatia in pozitia initiala de repaus, si apoi sa apasam butonul b2. Astfel, se alimenteaza contactorul c2, care inchide contactele principale (de forta) c2 plasate in circuitele 1 si 3 si contactul auxiliar de autoblocare c2 din circuitul 8 si deschide contactul c2 din circuitul 5, impiedicand o manevra gresita de alimentare simu1tana si a contactorului c1. Contactele principale (de forta) c2 modifica polaritatea tensiunii aplicate circuitului rotoric, la acelasi sens de curent de excitatie si motorul schimba de sens.
4.2. PORNIREA CU REOSTAT SAU CU TREPTE DE REZISTENTA
Pentru a reduce socul de curent la pornire, se conecteaza un reostat de pornire in circuitul indusului motorului. In raport cu destinatia si conditiile de functionare, reostatele de pornire se confectioneaza din diferite materiale si au diferite forme constructive.
Pentru pornirea motoarelor de curent continuu se utilizeaza in mod practic numai reostate metalice, cu racire cu aer sau cu ulei, cu doua sau trei borne, simple si combinate, cu comanda manuala si automata sau semiautomata etc.
In figura 4.3. este data schema celui mai simplu reostat de pornire cu doua borne si reprezentarea sa schematica. In cazul acesta reostatul consta din patru trepte legate in serie si are sase contacte, din care unul - primul este de zero, patru intermediare si unul - ultimul - de lucru.

La pozitia cursorului (manivelei) reostatului de pornire pe contactul 0, circuitul rotoric este deschis; miscand cursorul in directia aratata in figura, treptele reostatului se scot si, dupa terminarea operatiei de pornire, cursorul reostatului de pornire ramane timp indelungat pe contactul 5.
La studierea operatiei de pornire, pentru simplitate consideram ca curentul de excitatie al motorului si respectiv fluxul sau sunt date (IE = constant si ΦE = constant), ceea ce are loc daca excitatia se ia in afara reostatului de pornire. La trecerea cursorului reostatului de pornire de la contactul 0 la contactul 1, are loc primul soc de curent, care determina limita superioara a curentului de pornire IApm.
Deoarece in primul moment t.e.m. E0 (Ω = O), rezulta
(4.3)
in care Rp este suma rezistentelor tuturor treptelor reostatului.
Curentului
ii corespunde un cuplu
.
Daca acest cuplu
este mai mare decat cuplul static la arborele motorului, acesta porneste cu o
acceleratie oarecare si creeaza o t.e.m. proportionala cu Ω (curba a din figura 4.4.). Ca urmare, se vor micsora dupa
curba A din aceeasi figura curentul de pornire si odata cu el cuplul de
pornire, cu care este proportional.
Cand curentul de pornire se micsoreaza pana
la IApmin, trecem cursorul reostatului de pornire pe contactul 2 scotand
prin aceasta rezistenta R1 a primei trepte. La dimensionarea
potrivita a rezistentei, curentul de pornire creste din nou pana la
dupa care viteza motorului incepe sa creasca dupa curba b, iar
curentul si cuplul sa scada dupa curba B. Mai departe procesul se petrece in aceeasi ordine (curbele a-b-c-d-f
si A-B-C-D-F din
figura 4.4.) pana, cand scoatem intregul reostat, dupa care motorul lucreaza in regim stabil, la curentul IA
si viteza Ω.

Daca lasam timp mai indelungat cursorul reostatului de pornire pe un contact intermediar oarecare, variatia curentului este aratata cu linii intrerupte, care constituie prelungirea liniilor pline respective.
Curentul IApmin, reprezinta limita inferioara a curentului de pornire. De obicei reostatele de pornire se
confectioneaza pentru pornirea motoarelor in plina sarcina sau cu jumatate din
ea, calculul facandu-se astfel ca
si
.
Cifrele mari se refera la motoare de putere mai mica si invers. Calculul
reostatelor de pornire se face pentru curentul de pornire mijlociu
.
In raport cu puterea motorului, se ia numarul treptelor reostatului de pornire
de 4 - 7 si mai mu1t. In cazul in care puterea retelei de alimentare
este mare in comparatie cu puterea motorului si daca pornirea este usurata (de
exemplu motorul merge in gol), deseori se iau numai 1 - 2 trepte, chiar la
reostatele de pornire destinate pentru motoarele de putere mai mare. In acest
mod, se obtine un reostat de pornire usor, ceea ce este foarte important in
unele cazuri, insa operatia de pornire nu mai este lina.
Pornirea motoarelor cu excitatie in derivatie se realizeaza mai ales cu reostate de pornire cu trei borne. Schema unui astfel de reostat si conectarea sa in circuitul motorului, precum si reprezentarea sa schematica, sunt aratate in figura 4.5. Curentul I IA + IE trece de la retea prin borna L in maneta reostatului, iar dupa aceasta se ramifica; curentul IA trece prin rezistenta reostatului de pornire si prin borna R in indusul motorului, iar curentul IE prin segmentul de cupru C si borna M in infasurarea de excitatie. Segmentul C se leaga cu contactul printr-un conductor. Acesta se face pentru ca la inapoierea cursorului reostatului in pozitia de plecare (contactul 0), infasurarea de excitatie sa fie inchisa prin indus si reostatul de pornire. Cu aceasta, energia electromagnetica a infasurarii de excitatie se consuma sub forma de caldura in rezistenta reostatului. Daca nu ar exista aceasta legatura, energia s-ar consuma in arcul care se formeaza la deschidere si ar putea crea supratensiuni periculoase pentru izolatia infasurarii de excitatie.

Borna M legata la un capat al excitatiei,
fiind conectata la segmentul de cupru C, pe care freaca maneta reostatului
legata la retea,
intreaga tensiune U a retelei se aplica circuitului de excitatie din primul moment al pornirii si tot
timpul dupa aceea. Daca nu avem un asemenea reostat special de pornire cu trei
borne, ci un simplu reostat cu doua borne (fig. 4.3.), capatul E1
al excitatiei trebuie legat in L si nu in R. Daca se leaga in
R, circuitul de excitatie primeste la pornire o tensiune egala cu U IApmRp. Cum IApmRp este
foarte mare, circa 80%
din U, curentul de excitatie si fluxul masinii vor fi foarte mici si
cuplul de pornire
poate fi insuficient pentru pornirea motorului.
Daca capatul E1 al excitatiei se leaga in L, adica in afara reostatului de pornire, direct la retea, excitatia primeste la pornire toata tensiunea U a retelei si motorul porneste cu un cuplu ridicat.
Pornirea motoarelor cu excitatie serie prezinta unele particularitati. Deoarece infasurarea de excitatie a motorului serie se conecteaza in serie cu indusul, la celelalte conditii egale curentul de pornire este mai mic decat la motorul cu excitatie derivatie. Pe de alta parte, motorul in serie are un cuplu de pornire mai mare, deoarece simultan cu curentul de pornire in indus creste si fluxul ΦE. Pentru un sir de utilizari (instalatii de ridicare, de tractiune si altele), aceasta proprietate a motorului serie are mare valoare. Este necesar totusi sa se aiba in vedere ca motorul serie nu se poate porni in gol, deoarece in acest caz motorul obtine o viteza inadmisibila de mare si poate suferii avarii grele.
4.3. PORNIREA FARA REOSTAT PRIN REDUCEREA TENSIUNII DE
ALIMENTARE A MOTORULUI
In instalatiile de mare putere, reostatul de pornire devine voluminos si provoaca pierderi insemnate de energie, mai ales la porniri dese. De aceea, intr-un sir de instalatii (motoare de laminoare, cele care antreneaza alice etc.) se recurge la pornirea fara reostat, prin reducerea tensiunii de alimentare a motorului pentru momentul pornirii. In aceasta categorie se incadreaza pornirea cu sistemul generator-motor sau mutator electronic-motor. O mare raspandire a obtinut ultima metoda. Ea este destinata, asa cum se va vedea mai departe, si pentru reglarea vitezei.
4.4. PORNIREA AUTOMATA
Daca pornirea motorului se realizeaza dupa un singur impuls al unui operator fara nici o interventie ulterioara, se spune ca pornirea este automatizata. In figura 4.6. se prezinta un reostat de pornire a unui motor derivatie cu patru trepte de pornire, care utilizeaza pentru eliminarea treptelor de rezistenta niste contactoare de scurtcircuitare.

Inchiderea contactoarelor ci se poate face automat in functie de timp, de curent sau de viteza de rotatie cu ajutorul unei instalatii de comanda prevazuta cu relee si contacte adecvate.
In figura 4.7. este redata schema principiala a sistemului de comanda automata a pornirii in functie de viteza a unui motor cu excitatie derivatie cu ajutorul a trei trepte de rezistenta. Sistemul de comanda cuprinde urmatoarele aparate:
- un intreruptor manual a cu rol de separator, care se manevreaza numai atunci cand motorul este oprit;
- un contactor de linie c bipolar, cu suflaj magnetic, cu un contact auxiliar de autoblocare;
- un releu termic e4 pentru protectia motorului impotriva suprasarcinilor;
- trei contactoare de scurtcircuitare cl, c2, c3 (denumite uneori si de accelerare) fara suflaj magnetic, deoarece ele se vor deschide totdeauna in gol;
sigurante fuzibile el, e2, e3 pentru protectia circuitelor de comanda;
un buton de comanda a opririi b2 si unul pentru comanda pornirii b1, ambele cu revenire in pozitia normala.
Comanda in functie de
viteza necesita masurarea vitezei, urmata de actionarea
aparatajului corespunzator. Viteza se masoara indirect, prin t.e.m. indusa in infasurarea rotorica
(la
= constant).

Inchiderea intreruptorului a pregateste instalatia pentru pornire, alimentand infasurarea de excitatie Ex. Prin actionarea butonului de pornire b1, contactorul e anclanseaza si motorul m porneste, cu intreaga rezistenta Rp1 + Rp2 + Rp3 introdusa in circuitul rotoric, curentul inregistrand in primul moment varful IApm. Dupa aceea, curentul scade treptat pe masura ce viteza Ω creste. La o anumita viteza unghiulara Ω1 curentul prin rotor atinge valoarea IApmin iar tensiunea la bornele contactorului de accelerare c1 devine:
(4.4)
fiind egala cu tensiunea de anclansare a acestui contactor. Contactorul c1 scurtcircuiteaza deci prima treapta Rp1 de rezistenta, curentul crescand brusc iar la valoarea IApm. Contactorul c2 trebuie sa aiba tensiunea de anclansare:
(4.5)
iar contactorul c3 tensiunea de anclansare
(4.6.)
In acest mod se scurtcircuiteaza pe rand cele trei trepte Rp1, Rp2, Rp3. Datorita diferentei mici dintre tensiunile de anclansare ale contactoarelor de accelerare c1, c2, c3, se pot utiliza contactoare identice.
Comanda pornirii automatizate in functie de viteza se foloseste la puteri reduse (pentru actionarea masinilor unelte, a unor dispozitive auxiliare la laminare. etc.). Ea necesita numai contactoare de accelerare, fara alte relee si contacte. In acelasi timp, sistemul acesta prezinta dezavantajul foarte serios ca rezistentele de pornire se pot arde in cazul unei porniri prelungite, fie din cauza unei defectiuni a instalatiei, fie datorita unei sarcini cu moment foarte mare de inertie. Intr-adevar, rezistentele de pornire se calculeaza in regim de foarte scurta durata pentru ca ele sa fie ieftine si nu prea voluminoase si grele. Orice prelungire a timpului de functionare poate sa aiba drept consecinta arderea rezistentelor. Un alt impediment este legat de dificultatile de reglare corespunzatoare a tensiunilor de anclansare a contactoarelor de accelerare, data fiind variatia importanta a rezistentelor de pornire de la starea rece la cea rezultata dupa un numar de porniri repetate.
Schema electrica de principiu a comenzii pornirii automatizate in functie de curent in doua trepte de rezistenta este prezentata in figura 4.8. Schema cuprinde pe langa contactorul c, comandat prin butoanele b1, b2 de pornire si, respectiv, de oprire, doua contactoare cl, c2 de accelerare, doua relee de curent d1, d2 pentru comanda contactoarelor de accelerare, precum si doua relee d3, d4 cu temporizare la actionare.
Prin actionarea butonului b1 (cu intreruptorul a inchis), contactorul c anclanseaza si motorul porneste, avand toata rezistenta Rp1 Rp2 de pornire introdusa in circuitul rotoric. Curentul prin rotor creste brusc la valoarea IApm si parcurgand releul de curent d1 provoaca anclansarea acestuia si deci deschiderea contactului sau d1 din circuitul 5, impiedicandu-se alimentarea primului contactor de accelerare c1. In acelasi timp contactorul c, inchizand contactul auxiliar c din circuitul 4, permite alimentarea releului auxiliar d3, al carui contact d3 din circuitul 5 se inchide temporizat. Temporizarea releului d3 se alege ceva mai mare decat timpul propriu de actionare a releu1ui d1, dar mai mica decat timpul t1 (fig. 4.8., b), cand curentul in scaderea sa atinge valoarea IApmin. Cand curentul iA = IApmin, la momentul t1, contactul temporizat d3 din circuitul 5 este, deja inchis. Lucrurile se aranjeaza de asa maniera incat curentul de revenire a releului d1 este chiar IApmin, si deci la aceasta valoare releul d1 declanseaza si contactul sau d1 din circuitul 5 se inchide, contactorul de accelerare c1 este alimentat, el scurtcircuiteaza prima treapta Rp1 de rezistenta si inchide si contactele auxiliare c1 din circuitele 5 (de autoblocare) si 6 (de alimentare a celui de al doilea releu auxiliar d4). Curentul iA inregistreaza un nou varf IApm, trecand prin bobina releului de curent d2, care anclanseaza, deschizand contactul sau normal inchis din circuitul 7 si impiedicand alimentarea contactorului de accelerare c2. Releul d4 isi inchide temporizat contactul d4 din circuitul 7 mai inainte de momentul t2 (fig. 4.8, b), cand curentul in scaderea sa atinge valoarea IApmin Aceasta valoare coincide cu curentul de revenire a releului d2, care declanseaza si contactul sau d2 revine in pozitia initiala, adica se inchide. Se alimenteaza astfel contactorul de accelerare c2, care scurtcircuiteaza si a doua treapta de rezistenta.
Desi schema prezentata foloseste numai doua trepte de rezistenta, ea contine mult mai multe contacte si relee decat prima, fiind deci mai putin sigura in functionare si mai scumpa. Ea are avantajul ca se pot controla cu siguranta valorile IApm si IApmin, indiferent de momentul de inertie al sarcini.
Releele intermediare d3, d4 sunt absolut necesare. Daca ar lipsi d3, atunci contactul sau ar trebui inlocuit cu un contact auxiliar c, ceea ce ar face ca, inainte de anclansarea releului d1 sa anclanseze contactorul de accelerare c1, ceea ce ar fi total neplacut.
Schema principiala de pornire automatizata in functie de timp a motorului de curent continuu cu excitatie in derivatie este prezentata in figura 4.9.
In schema de pornire automata in functie de timp, temporizarea releului d1 se determina ca diferenta dintre timpul necesar mentinerii primei trepte a reostatului si timpul propriu de anclansare a contactorului c2,
(4.7)
In acelasi mod se determina si reglajul releului d2
(4.8)
Inchiderea intreruptorului a pregateste schema pentru pornire. Contactului d1 din circuitul 6 este deschis, iar contactul d2 din circuitul 7 este inchis. Actionarea butonului de pornire b1 pune sub tensiune indusul motorului m. Motorul porneste avand conectat in circuitul rotoric reostatul de pornire. Prin deschiderea contactului c din circuitul 5 releul d1 incepe temporizarea de inchidere a contactului sau normal inchis cu temporizare la inchidere. Releul d2 isi deschide contactul din circuitul 7 si contactorul cl scurtcircuiteaza prima treapta Rp1. Din acest moment incepe temporizarea releului d2 (bobina acestuia este scurtcircuitata de contactul c1 din circuitul 3). La terminarea temporizarii, releul d2 inchide contactul din circuitul 7, contactorul c2 anclanseaza si scurtcircuiteaza a doua treapta Rp2.
In unele scheme se iau masuri speciale pentru prevenirea supratensiunilor care apar in infasurarea de excitatie, la intreruperea acesteia sau la disparitia tensiunii de alimentare. (fig. 4.10.). Conectarea permanenta a unui rezistor r in paralel cu infasurarea de excitatie (fig. 4.10, a) prezinta dezavantajul unor pierderi suplimentare, deoarece rezistenta r este de trei pana la de cinci ori mai mare decat rezistenta infasurarii de excitatie. Introducerea comutatorului cu doua pozitii b (fig. 4.10, b) micsoreaza pierderile, dar nu este eficienta in cazul disparitiei tensiunii de alimentare a excitatiei. Acest inconvenient poate fi eliminat prin conectarea diodei p (fig. 4.10. c). La disparitia tensiunii de alimentare curentul produs de tensiunea electromotoare indusa in infasurarea de excitatie se inchide prin dioda, rezistor si infasurarea de excitatie. Protectia la intreruperea infasurarii de excitatie se realizeaza cu releul de nul d, inseriat cu infasurarea de excitatie (fig. 4.10, d).

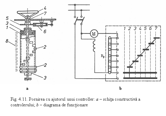
4.5. PORNIREA CU AJUTORUL UNUI CONTROLER
In practica exista cazuri cand scoaterea din functiune a diferitelor trepte de rezistenta de pornire este comandata cu ajutorul unui controler cu comanda manuala.
Controlerul este un comutator cu actiune multipla, destinat sa realizeze o succesiune de modificari a conexiunilor unor circuite de pornire sau reglare.
Comutatorul tip controler format toba (fig. 4.11, a) se compune dintr-o serie de segmenti circulari metalici 2, de obicei de cupru, dispusi pe un cilindru 1 care se roteste in jurul axei sale prin intermediul unui dispozitiv de comanda format din roata de manevra 4, roata dintata 5, clichetul 6. Segmentii metalici sunt conectati electric intr-una sau mai multe grupe, dupa necesitati. In dreptul segmentilor se gasesc o serie de perii fixe 8 de tip deget, care sunt montate pe una sau mai multe axe izolate. Prin invartirea cilindrului, anumiti segmenti vor face contact cu anumite perii la fiecare dintre pozitiile de oprire ale cilindrului, realizand conexiunile cerute.
In figura 4.11, b este reprezentata diagrama de functionare a unui reostat de pornire tip controler. In pozitia 1 a reostatului, motorul este conectat la retea cu toata rezistenta in serie, iar, in pozitiile de la 2 la 7 treptele de rezistenta sunt scurtcircuitate in mod progresiv. In figura se vede desfasurata controlerului formata din segmentii rotorului si linia periilor fixe, la care sunt conectate punctele de separatie ale treptelor de rezistenta.

Pe liniile marcate 1-7 se opresc periile atunci cand reostatul este manevrat pe pozitiile respective. Aceste linii indica pe ce segmenti calca periile in fiecare pozitie.
Reostatul are doi segmenti lungi, facand contact cu periile in pozitiile1-7, primul de jos fiind pentru conectarea unuia dintre conductorii retelei la intreg ansamblul reostat-motor, iar al doilea pentru a mentine excitatia motorului permanent conectata la tensiunea retelei in perioada de pornire.
Uneori, pentru a se impiedica manevrarea prea rapida de catre operator al controlerului, se prevad dispozitive prin care scurtcircuitarea rezistentelor de pornire are loc la intervale de timp independente de viteza de manevrare manuala. In acest caz se utilizeaza contactoare de accelerare si relee, iar pornirea, este denumita semiautomata.
|
Politica de confidentialitate | Termeni si conditii de utilizare |
Vizualizari: 5137
Importanta: ![]()
Termeni si conditii de utilizare | Contact
© SCRIGROUP 2025 . All rights reserved