| CATEGORII DOCUMENTE |
| Aeronautica | Comunicatii | Electronica electricitate | Merceologie | Tehnica mecanica |
PORNIREA MOTOARELOR DE CURENT CONTINUU CU EXCITATIE SERIE
Cuprins
SINTEZA
Motorul electric de curent continuu este un sistem de conversie electromecanica a energiei care, prin intermediul campului electromagnetic, transforma energia mecanica in energie electrica de curent continuu sau invers, energie electrica de curent continuu in energie mecanica. Statorul indeplineste functia de inductor, iar rotorul reprezinta indusul masiniui.
Motorul de curent continuu poate functiona in trei regimuri, din punct de vedere al transformarii energetice efectuate: de generator, de motor si de frana.
Pornirea motorului de curent continuu cu excitatie serie - se mentioneaza trei metode de pornire: pornirea prin conectare directa (Metoda se poate folosi numai la puteri mici) ; pornirea cu reostat (este metoda cea mai raspandita, reostatul de pornire este divizat in cateva trepte care sunt comutate manual sau automat pe masura ce curentul scade ca urmare a cresterii tensiunii electromotoare); pornirea prin reducerea tensiunii de alimentare (se foloseste la unele instalatii de mare putere).
Caracteristica
externa, unica care se poate ridica, dar si aceasta in
conditiile unui flux magnetic de excitatie variabil prin
variatia curentului, apare prin scaderea grafica a curbei de
magnetizare si, respectiv, caderii proprii de tensiune
conform ecuatiei :
Curba ne arata incapacitatea acestui generator de a-si pastra tensiunea aproape constanta, independent de sarcina, cerinta strict necesara in exploatare.
PORNIREA MOTOARELOR DE CURENT CONTINUU CU EXCITATIE SERIE
1. Generalitati
Motorul electric de curent continuu este un sistem de conversie electromecanica a energiei care, prin intermediul campului electromagnetic, transforma energia mecanica in energie electrica de curent continuu sau invers, energie electrica de curent continuu in energie mecanica.
In practica sunt folosite mai ale motoarele (masinile) de curent continuu heteropolare (la acestea campul magnetic inductor are o variatie periodica in intrefier, in lungul periferiei indusului), in timp ce masinile homopolare sau unipolare (la care campul magentic inductor este invariabil in lungul periferiei indusului) se utilizeaza rar, ca generatoare de tensiune joasa si curent foarte mari.
Generatoarele de curent continuu se utilizeaza in cadrul unor instalatii de curent continuu cum ar fi cele de la locomotivele diesel-electrice, ale navelor cu actionare electrica etc.; motoarele de curent continuu se folosesc pe scara larga in tractiunea electrica (la locomotive diesel-electrice, locomotive electrice, nave, metrouri, troleibuze), in metalurgie, la actionari reglabile de la masini-unelte etc.
Motorul de curent continuu se construieste cu puteri nominale de la zeci de wati pana la mii de kilowati, intr-o gama larga de turatii si tensiuni pana la aproximativ 1900 V.
2. Elemente constructive
Motorul (masina) de curent continuu poate fi reprezentata schematic, intr-o sectiune transversala (figura 1) care evidentiaza cele doua parti constructive de baza:

figura 1
Statorul , partea imobila a masinii, ce joaca rol de inductor si care are ca elemente constructive principale:
1 - carcasa (jugul statoric);
2 - polii de excitatie impreuna cu infasurarea concentrata de curent continuu (bobine);
3 - poli de comutatie (auxiliari) cu infasurarea concentrata corespunzatoare;
4 - talpa de prindere;
5 - rotorul, care joaca rol de indus, urmand sa dam o scurta descriere a elementelor sale;
6 - perie.
Carcasa (jugul statoric) reprezinta partea imobila pe care se fixeaza polii de excitatie si cei de comutatie. La masinile de putere mai mare decat cateva sute de wati, carcasa si jugul statoric (care serveste drept drum de inchidere a fluxului magnetic inductor), reprezinta aceeasi piesa constructiva. Pentru a oferi fluxului magnetic o reluctanta cat mai mica, carcasa se construieste din fonta sau otel turnat, uneori din tabla groasa de otel sudata.
La masinile mici si la masinile alimentate prin instalatii de redresare cu gama larga de reglare a vitezei, jugul statoric se realizeaza din tole de otel electrotehnic de (0,51)mm grosime, stantate in forma adecvata, incat se realizeaza dintr-o data si polii de excitatie.
Polii de excitatie (principali) se construiesc din tole de otel electrotehnic de (0,51)mm grosime, stranse pachet cu ajutorul unor buloane nituite. Ei poarta bobinele de excitatie strabatute de curentul de excitatie.
In partea spre rotor, miezul polar se termina cu asa numita talpa a polului sau piesa polara, in scopul de a inlesni trecerea fluxului magnetic prin zona ingusta de aer dintre pol si rotor numita intrefier. Din punct de vedere mecanic, talpa polului serveste pentru asigurarea pozitiei bobinei montata pe miezul polului.
Bobinele de excitatie se realizeaza dintr- un conductor rotund sau profilat de cupru. Conductorul este izolat pentru a nu produce scurtcircuit intre spirele bobinei.
Bobinele polilor de excitatie se leaga intre ele in serie sau paralel si se alimenteaza de la bornele de excitatie din cutia de borne. Legaturile bobinelor se realizeaza astfel incat fluxul magnetic al unui pol sa fie dirijat dinspre piesa polara spre rotor (pol Nord), iar cel al unui pol vecin dinspre rotor spre piesa polara (pol Sud).
Polii de comutatie (auxiliari) constau dintr-un miez si din bobina infasurata pe miez. Polii auxiliari se aseaza exact in axa de simetrie (axa neutra) dintre polii principali. Rotorul impreuna cu colectorul este reprezentat in figura 2.

figura 2
Miezul rotoric 2 - se construieste din tole de otel electrotehnic de forma circulara cu dinti si crestaturi, izolate intre ele si este plasat pe arborele 1. Crestaturile longitudinale 3 se constituie in sediul infasurarii rotorice.
Infasurarea rotorica este formata din "sectii" a caror capete 4 se leaga la colector 5, care este un subansamblu caracteristic masinii de curent continuu.
Colectorul are forma cilindrica, fiind construit din placute de cupru, denumite lamele, izolate una fata de cealalta printr-un strat de micanita si, de asemenea, izolate fata de suport. Capetele sectiilor infasurarii rotorice se lipesc direct de aripioarele lamelelor cu un aliaj de cositor sau se utilizeaza ca piese intermediare niste "stegulete" (cazul masinilor de putere mare). Colectorul se invarteste solidar cu rotorul.
Pentru a realiza o legatura intre infasurarea rotorica care se invarteste si bornele masinii care sunt imobile, pe colector freaca o serie de "perii" realizate din material conductor, in general pe baza de grafit, care asigura frecari si uzuri mai reduse. Prin intermediul unor piese speciale, "portperiile", periile realizeaza un contact electric sub presiune constanta cu lamelele colectorului
Periile sunt legate galvanic intre ele, si anume periile de numar impar (socotite la periferia colectorului) se leaga la o borna a masinii, iar periile de numar par se leaga la cealalta borna. Periile sunt plasate la distanta egala la periferia colectorului, iar numarul de randuri de perii este egal cu numarul de poli de excitatie din masina.
3. Regimurile de functionare
Masina de curent continuu poate functiona in trei regimuri, din punct de vedere al transformarii energetice efectuate: de generator, de motor si de frana.
3.1 Regimul de generator
In regimul de generator, masina transforma puterea mecanica primita pe la arbore de la un motor (care antreneaza masina) in putere electrica debitata intr- o retea de curent continuu.
Sa presupunem ca masina de curent continuu este antrenata de catre un motor primar (motor Diesel, turbina cu abur, turbina hidraulica etc.) in sensul aratat in figura 3, cu viteza (turatia n) constanta. Motorul primar dezvolta pentru aceasta cuplul activ Ma cu acelasi sens ca si viteza de rotatie. Mai presupunem ca infasurarea de excitatie a masinii de curent continuu este asigurata de un curent de la sursa de curent continuu oarecare, care poate fi un redresor, un acumulator, un alt generator de curent continuu sau chiar masina electrica considerata (autoexcitatie).
In aceste conditii, in sectiile infasurarii rotorului, invartite in campul magnetic de excitatie, se vor induce tensiuni electromotoare, care se regasesc la bornele exterioare A1 si A2 sub forma unei tensiuni de mers in gol, egala cu tensiunea electromotoare culeasa de perii.
Daca intre aceleasi borne A1 si A2 conectam o rezistenta de sarcina oarecare Rs, tensiunea electromotoare E va da nastere unui curent I care va strabate infasurarea rotorului, avand acelasi sens ca si tensiunea electromotoare E.
La functionarea in sarcina, tensiunea UA la bornele infasurarii rotorului va fi obtinuta de tensiunea electromotoare E in urma acoperirii unor caderi de tensiune cauzate de curentul I la trecerea prin infasurarea rotorului, prin infasurarea polilor auxiliari si prin infasurarea de compensare (RaI) pe de o parte, si la trecerea prin contactele perii colector ale masinii pe de alta parte ( Up).
Daca ne referim la cuplurile ce actioneaza asupra masinii in regim de generator, putem evidentia:
a) cuplul activ Ma, datorat motorului primar, care dicteaza si sensul de rotatie
b) cuplul Mm, datorat frecarii rotorului cu aerul, frecarilor din lagarele masinii si pierderilor mecanice in ventilatorul fixat pe acelasi arbore, Mm fiind un cuplu rezistent cuplul MFe, datorat pierderilor in fierul rotorului prin fenomenul de histerezis si prin curenti turbionari, fiind tot un cuplu rezistent;
c) cuplul electromagnetic

figura 3
3.2 Regimul de motor
In regimul de motor, masina transforma energia electrica primita de la o retea electrica in energie mecanica, prin intermediul campului electromagnetic.
Sa consideram o
masina electrica conectata prin intermediul bornelor sale
A1 si A2 la o retea electrica de curent continuu cu tensiune

figura 4
3.3 Regimul de frana
In regim de frana electrica, masina primeste putere mecanica pe la arbore si putere electrica de la reteaua de curent continuu si le transforma ireversibil, in timp, in caldura, dezvoltand , totodata, un cuplu necesar franarii unei instalatii mecanice.
Pentru a intelege functionarea masinii intr-un astfel de regim, sa presupunem ca functioneaza initial in regim de motor, dezvoltand un anumit cuplu activ la o viteza de rotatie, sensul vitezei fiind acelasi cu al cuplului.
In aceasta situatie se inverseaza sensul tensiunii U la bornele infasurarii rotorului, se adauga o rezistenta suplimentara RF in serie cu infasurarea rotorica, pastrand sensul initial al curentului de excitatie.
Cuplul electromagnetic dezvoltat de motor schimba de sens odata cu curentul I, in comparatie cu regimul initial de motor electric si se opune vitezei de rotatie intocmai ca un cuplu de franare (rezistent).

figura 5
4. Caracteristicile motorului de curent continuu
Exista o serie de marimi care influenteaza functionarea in regim stationar a unui motor de curent continuu, cum ar fi: tensiunea electromotoare E, tensiunea la borne U, curentul din infasurarea rotorica I, curentul de excitatie, viteza de rotatie (turatia n).
Dependenta dintre doua din marimile enuntate mai sus, in ipoteza ca celelalte sunt constante, poarta numele de caracteristica.
Din punctul de vedere al importantei in exploatare, cat si pentru evaluarea performantelor unui generator, ne vor interesa urmatoarele lui caracteristici:
caracteristica externa
caracteristica de mers in gol
caracteristica de reglaj
5. Pornirea motorului de curent continuu cu excitatie serie
Curentul prin indusul masinii de curent continuu este dat de relatia:
![]()
La
pornire
= 0, deci si E = K
= 0. Rezulta
si cum RA are valori foarte mici, valorile curentului rotoric, respectiv
cuplului de pornire (Mp = K
Ip) sunt foarte mari.
Pentru limitarea curentilor si a cuplurilor de pornire se utilizeaza diverse procedee. Se mentioneaza trei metode de pornire:
a) pornirea prin conectare directa;
b) pornirea cu reostat;
c) pornirea prin reducerea tensiunii de alimentare.
a) Pornirea prin conectare directa
Metoda se poate folosi numai la puteri mici, la motoare construite in mod special astfel incat curentul de pornire sa nu depaseasca valori de ordinul Ip = 5 IN. La pornirea motoarelor de medie si mare putere, curentii de pornire ating valori nepermis de mari care solicita periile, bobinajul si arborele la incalzire respectiv forte si cupluri electrodinamice mari, iar reteaua de alimentare este solicitata la un soc de curent periculos.
b) Pornirea cu reostat - este metoda cea mai raspandita. Reostatul de pornire este divizat in cateva trepte care sunt comutate manual sau automat pe masura ce curentul scade ca urmare a cresterii tensiunii electromotoare. Schema electrica si diagramele pornirii pentru motorul de curent continuu cu excitatie serie sunt prezentate in figura 6.

figura 6 - Pornirea motorului de curent continuu cu excitatie serie
Comanda automata cu relee si contactoare se realizeaza in functie de viteza, intensitatea curentului sau timp.
c) Pornirea prin reducerea tensiunii de alimentare se foloseste la unele instalatii de mare putere, in cazurile cand sunt necesare porniri dese si cand reostatul este voluminos si produce pierderi de energie insemnata. Odata cu dezvoltarea variatoarelor statice de tensiune continua, acest procedeu capata o raspandire din ce in ce mai larga.
Ecuatiile in regim stationar ale motorului de curent continuu cu excitatie serie
Motoarele de curent continuu se pot clasifica dupa modul de realizare a alimentarii excitatiei. In continuare vom prezenta schemele electrice ale motorului de curent continuu in regimul de generator, respectiv, de motor si vom scrie ecuatiile in regim stationar cu ajutorul teoremelor lui Kirchhoff.
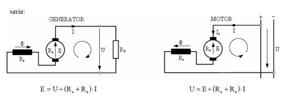
Motorul de curent continuu cu excitatie alimentata de la propria infasurare rotorica, serie:

figura 7
Deoarece la aceasta masina curentul debitat este si curentul de excitatie, rezulta ca atat caracteristica de mers in gol, cat si caracteristica de reglaj nu au sens.
Caracteristica externa, unica care se poate
ridica, dar si aceasta in conditiile unui flux magnetic de excitatie
variabil prin variatia curentului, este redata in figura 8. Ea apare prin scaderea
grafica a curbei E(I) (curba de magnetizare) si, respectiv,
caderii proprii de tensiune
conform ecuatiei :
![]()
Curba rezultanta ne arata incapacitatea acestui generator de a-si pastra tensiunea aproape constanta, independent de sarcina, cerinta strict necesara in exploatare.
Este evident ca generatorul cu autoexcitatie serie nu este intrebuintat in practica din acest motiv.
figura 8
Norme generale de protectia muncii
Elevii vor desfasura activitatea fara sa se expuna la pericole si accidente profesionale.
In acest scop ei au urmatoarele obligatii:
BIBLIOGRAFIE
1. Micu Emil (1978). Masini si actionari electrice, Baia Mare: Litografia Institutului de Subingineri.
2. Bala C. (1972). Masini electrice, Litografia Institutului Politehnic Bucuresti.
3. Ioan Novac, Emil Micu, Gheorghe Atanasiu, s.a. (1986). Masini si actionari electrice, Bucuresti: Editura Didactica si Pedagogica.
|
Politica de confidentialitate | Termeni si conditii de utilizare |
Vizualizari: 7206
Importanta: ![]()
Termeni si conditii de utilizare | Contact
© SCRIGROUP 2025 . All rights reserved