| CATEGORII DOCUMENTE |
| Aeronautica | Comunicatii | Electronica electricitate | Merceologie | Tehnica mecanica |
Reductor Melcat-Cilindric
-antrenarea motorului se face printr-un cuplaj corespunzator (sau curele):
-puterea motorului de antrenare: P=4 KW,
-turatia: n=1000 rot/min
-raportul de transmitere total: iT=63
-reductorul este cu doua trepte:
-treapta 1 fiind angrenajul melcat
-treapta 2 fiind angrenaj cilindric
-pentru treapta de intrare in reductor se va monta o transmisie prin curele trapezoidale
Proiectul va cuprinde:
Memoriu tehnic:
-consideratii generale
-alegere schemei cinematice
-alegerea solutiei constructive
2. Memoriu justificativ de calcul
-intocmirea schemei cinematice (analizarea ei);
-calculul cinematic si dinamic (rapoarte de transmitere, turatii, momente, randamente, etc.);
-calculul organologic (roti dintate, arbori, lagare, cuplaje, suruburi, pene, etc.);
-alegerea materialelor;
-consideratii de precizie;
-consideratii economice si de protectie a muncii;
3. Desene:
-desenul de ansamblu general.
MEMORIUL TEHNIC
1.1 Consideratii teoretice
Reductoarele fac parte din marea categorie a transmisiilor mecanice si servesc la reducerea (micsorarea)numarului de turatii si la marirea (cresterea) momentului de torsiune. Se incadreaza in categoria transmisiilor prin angrenaje cu roti dintate cu raport de transmitere constant i>1 montate in carcase inchise.
Dupa tipul angrenajelor componente, reductoarele pot fii:
-cu roti dintate cilindrice;
-cu roti dintate conice;
-cu roti dintate elicoidale;
-cu roti dintate pseudoconice;
-cu roti dintate melcate si combinate;
Elementele principale a unui reductor, indiferent de tip sunt urmatoarele:
-carcasa (corp+capac);
-angrenajele;
-arborii si lagarele
Carcasa se executa in general din fonta rin turnare. Este prevazuta cu nervuri care au urmatoarele scopuri: mareste rigiditatea ansamblului, reduc zgomotul si vibratiile, mareste suprafata de racire a reductorului.
La reductoarele de dimensiuni mari, netipizate si la unicate se utilizeaza cu succes carcase sudate.
Carcasele trebuie sa asigure pozitii relativ corecte a arborilor prin intermediu lagarelor si rotilor dintate, servind si ca baie de ulei.
In planul de separatie corpul si capacul reductorului se prelucreaza finit si se acopera, inainte de asamblare cu lacuri, vopsele sau sticla solubila pentru asigurarea etanseitatii. Suprafata de separatie corp-capac poate fi prevazuta cu canale de ungere care sa impiedice iesirea lubrifiantului in afara si sa-l ghideze spre lagare.
Corpul reductorului este prevazut la partea inferioara cu un dop de golire a uleiului uzat, dupa rodaj sau dupa timpul normal de utilizare.
Capacul reductorului are prevazut, in partea superioara, un orificiu de vizitare acoperit cu un capac metalic sau transparent. Prin capacul de vizitare se urmareste periodic starea angrenajelor si se introduce lubrifiant in reductor.
Carcasa compusa din corp si capac se asambleaza prin suruburi si se centreaza cu ajutorul unor stifturi cilindrice sau conice.
In dreptul lagarelor sunt prevazute capace care se pot monta prin fixare cu suruburi pe carcasa sau in niste locasuri prevazute anume in peretii carcasei.
Angrenajele constituie partea functionala principala a unui reductor. Cele mai frecvent utilizate in constructia de reductoare sunt:
-cilindrice cu: -dintii drepti; dinti inclinati; in V.
-conice cu: -dintii drep; dintii inclinati; dintii curbi;
-melc-roata melcata:
In functie de cerintele locului de utilizare se va alege angrenajul sau combinatia de angrenaje care sa intruneasca cele mai multe avantaje.
La reductoarele cu mai multe trepte se impune impartirea rationala a rapoartelor de transmitere pe fiecare treapta, in vederea obtineri unor conditii de gabarit optime, ungere satisfacatoare a tuturor treptelor, etc.
Arborii pe care sunt fixate angrenajele sunt arbori dreptii. Ei sunt proiectatii cat mai scurt pentru a avea o rigiditate cat mai mare care este foarte importanta in functionare si a asigura o constructie compacta a reductoarelor.
Orice reductor are un arbore de intrare si un arbore de iesire. La reductoarele cu mai multe trepte exista si arbori intermediarii. Arborii pot fii verticali sau orizontali in functie de tipul si pozitia relativa a angrenajelor, locul de utilizare a reductorului, etc. Existe constructii de reductoare cu doua capete de cuplare la iesire sau cu iesire pe arbori intermediari.
Lagarele sunt in marea majoritate a cazurilor cu rulmentii. Tipul si marimea rulmentilor vor fi in functie de valoarea si sensul fortelor ce solicita arborii, tipul constructiei alese, etc.
In afara de aceste elemente principale orice reductor mai are o serie de elemente auxiliare strict necesare pentru buna functionare a reductorului si anume:
-elemente de etansare;
-elemente pentru masurarea si controlul nivelului de ulei di baia reductorului (joje, vizoare);
-elemente pentru deplasarea si transportul reductorului (inele de ridicat, umeri de ridicat);
-elemente pentru fixarea si pozitionare rulmentilor si rotilor dintate pe arbori si in carcase (capace laterale, piulite si saibe de siguranta pentru rulmentii, placute de reglare, bucse si inele de distantare, pene, etc.)
-aerisitoare, pentru a se evita crearea unei suprapresiuni in interiorul reductorului, care ar perturba in primul rand ungere corespunzatoare a rotilor dintate si rulmentilor si ar forta sistemul de etansare.
Ungerea reductoarelor de uz general se face cu uleiuri. Metoda de ungere se alege in functie de viteza periferica a rotilor dintate, in primul rand.
Pentru viteze periferice pana la 1215m/s ungerea angrenajelor se face prin barbotare.
La angrenajele
cilindrice, nivelul uleiului la roata mare trebuie sa treaca peste dinti cu
0,75 din latimea lor dar nu mai putin de
Rotile de turatie mica de pe treapta a doua sau a treia se pot scufunda pana la 1/3 din diametrul exterior al lor.
La angrenajele conice roata mare va fii scufundata in ulei pe toata inaltimea dintelui cel putin.
Limita maxima de scufundare in ulei este tot de 1/3din diametrul exterior al rotii.
Melcul se recomanda a fii scufundat in ulei pe o inaltime de 2,34 mx. Daca roata melcata este cea care se afla in ulei, se vor aplica recomandarile de la angrenajele cilindrice sau se va opta pentru solutia ungerii prin presiune.
Rulmenti reductoarelor se ung in general prin barbotarea uleiului de catre rotile dintate. La viteze sub 4 m/s rulmentii se vor unge cu unsori consistente, prevazandu-se in astfel de cazuri elemente de protectie pentru a evita patrunderea produselor de uzura in rulmenti si spalarea unsori.
Elemente pentru etansare utilizarea mai frecvent in constructia reductoarelor sunt mansetele de etansare cu buza de etansare si inele de pasla.
Dispozitivele de ungere sunt necesare pentru asigurarea ungeri cu ulei sau unsori consistente a rulmentilor, uneori chiar a angrenajelor cand nici una din rotile dintate nu ajunge in baia de ulei. Conducere lubrifiantului la locul de ungere se realizeaza folosind diverse constructii de dispozitive de ungere: canale de ungere, ungatoare, roti de ungere, inele de ungere, lant de ungere, etc.
Capacele servesc la fixarea si reglarea jocurilor din rulmenti, la asigurarea etansari, fiind prinse in peretele reductorului cu ajutorul unor suruburi.
Indicatorul nivelului de ulei din reductor, in cele mai multe cazuri, este executat sub forma unei tije pe care sunt marcate nivelul maxim, respectiv minim al uleiului, sau sub forma unor vizoare montate pe corpul reductorului. Exista si indicatoare care functioneaza pe principiul vaselor comunicante, realizate pe baza unui tub transparent care comunica cu baia de ulei.
Elementele pentru ridicarea reductorului si manipularea lui sunt realizate sub forma unor inele de ridicare cu dimensiuni standardizate si fixate in carcasa prin asamblare filetata. Uneori, tot in scocul posibilitati de ridicare si transportare a reductorului, pe carcasa se executa niste umeri de ridicare (inelare sau tip carlig). La reductoarele de dimensiuni mari intalnim ambele forme inele de ridicare in capacul reductorului si umeri de prindere pe corp.
Alegerea solutiei constructive
Constructia unui reductor melcato-cilindric, avand carcasa realizata prin turnare din doua bucati si cu planul de separatie orizontal, situat in planul rotilor conduse. Arborele melcului este fixat pe doi rulmenti radial-axial, cu role conice. Jocul din rulmenti se poate regla cu ajutorul capacului montat pe carcasa reductorului, pe capacul de intrare a arborelui. Celelalte lagare de sustinere sunt cu rulmenti radiali-axiali cu bile, ungerea angrenajelor si a rulmentilor se realizeaza cu ulei din baia reductorului, al carui nivel trebuie sa ajunga peste dantura melcului si a roti conduse di a doua treapta de reducere, dar trebuie tinut seama de recomandarea ca nivelul de ulei sa nu depaseasca o treime din diametrul exterior al roti conduse. Pentru buna functionare a reductorul este prevazut cu capac de vizitare a danturi, aerisitor, dop de golire, indicator al nivelului de ulei cu vizor si inele de ridicare executate in capac prin turnare. Etansarea arborelui de intrare si iesire se realizeaza cu mansete de rotatie.
Reductorul melcato-cilindric are carcasa realizata din trei parti, cu doua plane de separatie orizontale. Axele arborilor, rotilor conduse sunt cuprinse intr-un plan vertical. In aceasta constructie creste inaltimea reductorului in detrimentul reducerii lungii. Arborele melcului este fixat pe doi rulmenti radial-axiali. Jocul din rulmenti si pozitia melcului se poate regla cu ajutorul celor doua capace. Ungerea angrenajului melcat si a rulmentilor de pe arborele melcului se face cu uleiul din baia reductorului. Pentru ungerea angrenajului cilindric se foloseste un pinion executat dintr-un material moale, care transporta uleiul pe dintii rotii conducatoare di a doua treapta de reducere. Rulmenti de pe arbori rotilor sunt de tipul radial-axial cu role conice, iar ungerea lor se face cu vaselina, a carui scurgere in baia de ulei este oprita de niste capace. Etansarea arborelui de intrare si de iesire este realizata cu mansete de rotatie. Reductorul mai este prevazut cu capac de vizitare, aerisitor, indicator al nivelului de ulei cu vizor, dop de golire si inele de ridicare.
Memoriu justificativ de calcul
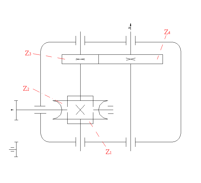
Intocmirea schemei cinematice

![]()
Stabilirea rapoartelor de transmitere pe
trepte
Valorile limita a rapoartelor de transmitere
3-4 (pentru roti dintate cilindrice cu dinti drepti) max=8
3-5 (pentru roti dintate cilindrice cu dinti inclinati) max=10
2-4 (pentru roti dintate conice) max=6
8-10( pentru melc roata melcata) max=160
conform STAS 6012
Pentru transmisia prin curele ICT raportul este 1-3
2.1.1. Stabilirea rapoartelor de transmitere pe trepte la reductor:
2.1.2.Reducerea melcato-cilindrica
Din STAS rezulta:
|
|
|
|
2.3. Stabilirea momentului de torsiune
[daN m]
[KW]
randamentul curelelor
[rot/min]
[daN·m]
[KW]
randamentul melcului cu doua inceput
randamentul lagarelor cu rulmenti
[rot/min]
[daN m]
[KW]
randamentul rotilor dintate cilindrice cu
dinti drepti
[rot/min]
[daN m]
2.4.Alegerea motorului electric
Motor electric asincron cu colivie
AT
2.5. Diametrul axului motorului
Φ=42 mm
2.6.Randamentul total al transmisiilor
ht hct hr hm hr hc hr
2.7.Calculul organologic
2.7.1.Calculul transmisiei prin curele
2.7.1.1. Puterea de calcul a arborelui condus
Pc=4 KW
2.7.1.2. Turatia roti de curea condusa
n1=1000 rot/min
2.7.1.3. Turatia rotii de curea condusa
[rot/min]
2.7.1.4. Regimul de lucru al transmiteri
-continuu cu 16 ore/zi
2.7.1.5. Raportul de transmitere
2.7.1.6. Tipul curelei
-se alege din monograme si anume
-curea trapezoidala de tip SPA
-![]()
2.7.1.7. Diametrul primitiv al rotii mici
[mm]
-se alege constructiv functie de tipul curelei respectandu-se prescriptiile din STAS 1162-67
2.7.1.8. Diametrul primitiv al roti mari
[mm]
-se rotunjeste la valoarea cea mai apropiata din STAS 1162
2.7.1.9. Diametrul primitiv mediu al rotilor de curea
[mm]
2.7.1.10. Diametrul primitiv al rolei de intindere
[mm]
2.7.1.11. Distanta intre axe
Preliminara
![]()
![]()
Definitiva
![]()
Pentru orice valoare a unghiului β1

pentru 
in care
![]()
2.7.1.12 Unghiul dintre ramurile curelei
2.7.1.13. Unghiul de infasurare la roata mica
![]()
2.7.1.14. Unghiul de infasurare la roata mare
![]()
2.7.1.15. Lungimea primitiva a curelei Lp
-pentru ![]()

-Pentru orice valoare a lui ![]()

2.7.1.16. Viteza periferica a curelei
![]()
-se recomanda
v=5,23 m/s curea trapezoidala clasica
2.7.1.17. Coeficientul de functionare
cf=1,1
2.7.1.18. Coeficientul de lungime
cl=0,86
2.7.1.19. Coeficientul de infasurare
cβ=1
2.7.1.20. Puterea nominala transmisa de o curea se alege din tabele
![]()
2.7.1.21. Numarul de curele
Preliminara
curele
Definitiva
![]()
2.7.1.22. Coeficientul numarului de curele
![]()
2.7.1.23. Numarul de roti ale transmisiei
X=5
2.7.1.24. Frecventa incovoierilor curelei
![]()
Hz
la curele cu insertie retea
Hz
la curele cu insertie snur
2.7.1.25. Forta periferica transmisa
[N]
2.7.1.26. Forta de intindere a curelelor
[N]
2.7.1.27. Cotele de modificare a distantei dintre axe
2.7.2. Calculul angrenajului melc-roata melcata
.1. Turatia rotii melcate este
[rot/min]
2.7.2.2. Puterea pe roata melcata
[KW]
2.7.2.3. Raportul de transmitere
2.7.2.4.Materialul rotii melcate este CuSn12 STAS197/2-83
|
Grupam de material |
Denumirea materialului si standardele aferente |
Marca |
Modul de turnare |
Caracteristici mecanice |
Domeniu de viteze Val |
|||
|
Rezistenta la rupere la tractiune σrt |
Limita de curgere la tractiune σct |
Duritate Brinell DB |
Modulul de elasticitate longitudinal E |
|||||
|
N/mm2 |
N/mm2 |
N/mm2 |
N/mm2 |
m/s |
||||
|
Aliaje cupru-staniu STAS 197/2-83 |
CuSn12 |
N C | ||||||
Materialul melcului este OLC45 STAS 880-88
|
Marca otelului |
Stare |
Caracteristici statice conform STAS |
HB1 mimimum |
Rezistenta la oboseala |
||||||
|
σr |
Z |
KCU300/2 |
σo |
σak1 NB=107 |
||||||
|
daN/mm2 |
daN/mm2 |
daN/cm2 |
daN/mm2 |
daN/mm2 |
daN/mm2 |
|||||
|
OLC 45 |
N | |||||||||
|
I |
| |||||||||
2.7.2.5. Distanta intre axe

2.7.2.6. Numarul de inceputuri al melcului
![]()
2.7.2.7. Numarul de dinti ai rotii melcate
![]()
2.7.2.8. Raportul de angrenare efectiv este
![]()
Raportul
de angrenare standardizat este
STAS 6012-92
2.7.2.9. Abaterea raportului de angrenare
![]()
pentru
![]()
2.7.2.10. Diametru de divizare preliminar al melcului
mm
2.7.2.11. Diametru de divizare al rotii melcate
mm
2.7.2.12. Modulul axial al melcului
![]()
Modulul
standardizat se alege
mm,
iar coeficientul diametral q=10
2.7.2.13. Modulul frontal al rotii melcate este
mm
2.7.2.14. Unghiul de panta a elicei
![]()
2.7.2.15. Modulul normal
![]()
2.7.2.16. Distanta axiala elementara
mm
2.7.2.17. Deplasarea specifica de profil
![]()
2.7.2.18. Diametrele medii
mm
mm
2.7.2.19. Verificare
mm
2.7.2.20. Diametrele cercurilor de cap
mm
mm
2.7.2.21. Diametrele cercurilor de picior
mm
![]()
2.7.2.22. Inaltimea dintelui
mm
2.7.2.23. Verificari
mm
mm
2.7.2.24. Lungimea melcului
mm
2.7.2.25. Latimea rotii melcate
mm
2.7.2.26. Verificarea la presiunea de contact



pentru
melc din otel si roata melcata din
CuSn12 centrifugat
Nmm
pentru
functionare fara socuri

2.7.2.27. Verificarea la incovoier
![]()
pentru
melc din otel si roata melcata din
CuSn12 centrifugat
![]()
mm
N
![]()
2.7.2.28. Verificarea la incalzire

![]()
![]()
![]()

pentru
melci din otel de imbunatatire si roata melcata
din CuSn12
melc jos
![]()
2.7.2.29. Verificarea arborelui melcului la deformatii
pentru
melc imbunatatit
![]()
mm
pentru
otel
![]()
![]()
![]()
m/s
pentru
m/s
N

![]()
![]()
2.7.3. Calculul angrenajului cilindric cu dinti drepti
2.7.3.1. Turatia rotii conducatoare este
2.7.3.2. Puterea pe roata motoare
2.7.3.3. Raportul de transmitere
![]()
2.7.3.4. Materialul rotilor dintate este 40Cr10 din STAS 192/2-83
2.7.3.5. Numarul de dinti al rotii conducatoare 1
![]()
2.7.3.6. Numarul de dintiai rotii conduse 2
![]()
2.7.3.7. Raportul de angrenare
![]()
2.7.3.7. Abatere de la raportul standardizat
![]()
![]()
2.7.3.8. Momentul de torsiune pe arborele rotii 1 este
Nmm
2.7.3.9. Raportul
![]()
2.7.3.10. Factorul zonei de contact
![]()
2.7.3.11.Factorul de material
![]()
2.7.3.12. Consideratii pentru predimensionare
![]()
pentru 40Cr10
N/mm2
2.7.3.13. Presiune de contact admisibila
![]()
N/mm2
2.7.3.14. Modulul angrenajului tinand seama de presiunea de contact

-se alege din
STAS 822-82 ![]()
2.7.3.15. Diametrele de divizare sunt
mm
mm
2.7.3.16. Distanta elementara axiala este
mm
-distanta axiala
standardizata este
mm
2.7.3.17. Unghiul de angrenare
![]()
rad
![]()
![]()
![]()
2.7.3.18. Suma deplasarilor de profil

![]()
2.7.3.19. Coeficientul de modificare a distantei axiale
![]()
2.7.3.20. Coeficientul de scurtare a inaltimi dintelui
![]()
2.7.3.21. Diametrele cercurilor de cap
![]()
mm
![]()
mm
2.7.3.22. Diametrele cercurilor de picior
![]()
mm
![]()
mm
2.7.3.23. Inaltimea dintelui
![]()
mm
2.7.3.23. Diametrul cercului de rostogolire
![]()
mm
![]()
mm
2.7.3.24. Diametrul cercurilor de baza
![]()
mm
![]()
mm
2.7.3.25. Verificari
mm
mm
mm
2.7.3.26. Gradul de acoperire al angrenajului

rad
rad
![]()
rad
![]()
rad
rad
![]()
rad
![]()
![]()
2.7.3.26. Numarul de dinti care se pot executa fara sa apara ascutirea la varf

mm
![]()
rad
rad
![]()

-deoarece
<
nu
apare ascutirea la varful dintelui
2.7.3.27. Verificarea danturii la solicitarea de incovoiere
![]()
N/mm2
pentru masina antrenata cu sarcina uniforma
iar masina motoare este motor electric
pentru
clasa de precizie 7
pentru dinti drepti necaliti clasa de precizie
7
pentru ![]()
factorul de forma a dintelui
factorul concentratorului de tensiune
factorul
gradului de acoperire
2.7.3.28. Efortul unitar admisibil pentru solicitarea de incovoiere

N/mm2
N/mm2 pentru OLC45 imbunatatit
factorul de corectarea efortului unitar
pentru
![]()
![]()
![]()
![]()
![]()
Se observa ca dintele rezista la solicitare de incovoiere deoarece:
N/mm2<
N/mm2
2.7.3.29. Verificarea danturi la presiunea de contact

![]()

![]()
![]()
![]()
pentru clasa de precizie 7
pentru clasa de precizie 7, dinti drepti
necaliti
2.7.3.30. Efortul unitar la presiunea de contact
![]()
N/mm2
N/mm2
pentru 40Cr10
pentru
cicluri
![]()

![]()
Pentru ungerea
angrenajului s-a ales din STAS 10588-76 un ulei TIN 82 EP cu vascozitate
cinematica la
mm2/s

![]()
m/s


![]()
![]()
Se observa ca dintele rezista la solicitari de presiune de contat :
N/mm2<
N/mm2
2.8. Calculul arborilor
Calculul de proiectare al arborilor se face in urmatoarele etape:
stabilirea schemei de calcul si de incarcare;
alegerea materialului;
stabilirea rezistentelor admisibile;
stabilirea modulului de rezistenta axial;
schita arborelui in functie de montajul rotilor;
schema de incarcare;
stabilirea reactiunilor pe reazeme in plan vertical si orizontal;
trasarea diagramelor de momente incovoietoare;
dimensionarea sectiunilor se face din conditia solicitarii la incovoiere ;
se face o verificare la oboseala ;
se face verificarea rigiditatii flexionale
2.8.1. Calculul arborelui de iesire (4)
1.Calculul de predimensionare:
Calculul de predimensionare se face din conditia de torsiune:
[Nmm];
[mm];
2.Calculul la solicitari compuse:
Solicitarile compuse se refera la solicitarea de incovoiere cu rasucire.
Se stie:
diametrul cercului de rulare la roata 4 dW4=380 [mm];
unghiul de rulare aw
unghiul de frecare j

3.Forta periferica:
[N];
4.Forta radiala:
[N];
5.Determinarea reactiunilor:
din planul orizontal:
[N];
[N];
din planul vertical:
[N];
[N];
6.Incarcarea rezultanta pe lagare:
[N];
[N];
7.Momentul incovoietor maxim din H:
MimaxH=l1 HI=156,5 1017=159000[Nmm];
8.Momentul incovoietor maxim din V:
MimaxV=l1 VI=156,5 2397=375000[Nmm];
9.Momentul incovoietor maxim rezultant:
[Nmm];
10.Determinarea marimii momentului echivalent:
[Nmm];
a - este raportul dintre rezistentele admisibile la incovoiere pentru ciclul alternant simetric si una din rezistentele admisibile saiI saiII saiIII corespunzatoare modului de rotatie a momentului de torsiune (static , pulsant , alternant simetric ).
Conform teoriei a III-a de rezistenta a
[Nmm];
sa [N/mm2];
[mm];

Se stabileste forma constructiva a arborelui pe baza dimensiunilor calculate in etapa anterioara , tinand seama de : organele de masini care monteaza pe arbore, de considerente tehnologice si de standardizare. Dimensiunile finale ale arborilor vor vi stabilite dupa determinarea lungimii butucilor si a latimii rulmentilor.
Dupa acestea se face o verificare la oboseala in sectiunea considerata cea mai periculoasa care este 1-1. Verificarea la oboseala la solicitari simple presupune determinarea coeficientilor de siguranta nominali (efectivi ) "c" pe baza comportarii la oboseala a materialelor si compararea lor cu coeficienti de siguranta admisi. In aceste calcule starile de tensiune din piese trebuie raportate la rezistentele la oboseala ale pieselor reale.
11.Calculul momentelor incovoietoare din sectiunea periculoasa:
MiH=HII 22=49850[Nmm];
MiV=VII 22=117400[Nmm];
12.Momentul incovoietor rezultant:
[Nmm];
13.Solicitarea de incovoiere este produsa de un ciclu alternant simetric:
[N/mm2];
14.Tensiunea medie:
15.Amplitudinea:
[N/mm2];
16.Coeficientul de asimetrie:
17.Solicitarea de torsiune este produsa printr-un ciclu alternant pozitiv:
[N/mm2];
[N/mm2];
18.Tensiunea medie:
[N/mm2];
19.Amplitudinea:
[N/mm2];
20.Coeficientul de asimetrie R=0;
21.Se determina dupa metoda SERENSEN coeficientul de siguranta pentru solicitarile de incovoiere si coeficientul de siguranta pentru solicitarile de torsiune:
;
;
22.Coeficientii de material:
23.Coeficientul de siguranta pentru solicitarile compuse:
24.Caracteristicile mecanice ale materialului OLC45 :
- rezistenta la oboseala din incovoiere:
-ciclu alternant simetric s sr 637,64=318,82[N/mm2];
-ciclu pulsatoriu s sr 637,64=318,82 [N/mm2];
- limita de curgere sr=637,64 [N/mm2] , sc=372,78 [N/mm2] conform STAS 880-66
- rezistenta la oboseala din rasucire:
-ciclu alternant simetric t sr 637,64=175,353[N/mm2];
-ciclu pulsatoriu t sr 637,64=315,636 [N/mm2];
25.Coeficientii care tin seama de concentratori de tensiune si dimensionali si de starea suprafetei:
26.Din diagramele corespunzatoare solicitarii rezulta:
ks kt
27.Coeficientii dimensionali pentru solicitarea normala respectiv tangentiala:
es et
28.Coeficientul g care tine cont de calitatea suprafetei si de tratamentul termic aplicat arborilor:
gs gt g b b
29.Coeficientul de calitate a suprafetei: b =1 , pentru Ra=1,6;
30.Coeficientul dependent de tratamentul termic aplicat stratului superficial b
> ca=1,5
31.Verificarea la deformatii de incovoiere (rigiditate flexionala):
Sageata maxima:
[mm];
[mm];
[mm];
Rotirea din lagare:
[rad];
[rad];
Rotirea din lagarul I :
[rad];
[rad];
[rad];
Rotirea din lagarul II :
[rad];
2.8.2. Calculul arborelui intermediar (3)
1.Calculul de predimensionare:
Calculul de predimensionare se face din conditia de torsiune:
[Nmm];
[mm];
2.Calculul la solicitari compuse:
Solicitarile compuse se refera la solicitarea de incovoiere cu rasucire.
Se stie:
diametrul cercului de rulare la roata 3 dW3=120 [mm];
diametrul cercului de rulare al melcului dm1=50 [mm];
unghiul de rulare aw
unghiul de frecare j
coeficient de frecare melc roata-melcata m
3.Momentul de
torsiune pe arborele 2
[Nmm];
4.Forta periferica:
[N];
5.Forta radiala:
[N];
6.Forta axiala:
[N];
7.Forta radiala de pe roata melcata:
- unghiul de inclinare al spirei melcului:

8.Forta periferica de pe roata melcata:
[N];
9.Determinarea reactiunilor:
SHMII=0ÛFr l3+Fp' (l2+l3)-HI (l1+l2+l3)=0Þ
[N];
SHMI=0ÛFp' l1+Fr (l1+l2)-HII (l1+l2+l3)=0Þ
[N];
SVMII=0ÛFp l3+Fr' (l2+l3)-VI (l1+l2+l3)=0Þ
[N];
SVMI=0ÛFr' l1+Fp (l1+l2)-VII (l1+l2+l3)=0Þ
[N];
10.Determinarea incarcarii rezultante pe lagare:
[N];
[N];
11.Momentul incovoietor maxim din H:
MimaxH=Mi2H= l3 HII=39,5 4620=182498 [Nmm];
Mi1H=HI l1=4531 57,5=260537 [Nmm];
12.Momentul incovoietor maxim din V:
MimaxV=Mi1V= l1 VI=57,5 18823=1082342 [Nmm];
Mi2V=l3 VII=39,5 13878=548201 [Nmm];

13.Momentul incovoietor maxim rezultant:
[Nmm];
[Nmm];
14.Determinarea momentului echivalent conform teoriei a III-a de rezistenta:
[Nmm];
sa=40 [N/mm2];
[mm];
15.Se adopta din motive constructive d=70 [mm];
16.Se stabileste forma constructiva a arborelui:
17.Calculul momentelor incovoietoare din sectiunea periculoasa:
MiH=HI 10=45310 [Nmm];
MiV=VI 10=188230[Nmm];
18.Momentul incovoietor rezultant:
[Nmm];
19.Solicitarea de incovoiere este produsa de un ciclu alternant simetric:
[N/mm2];
20.Tensiunea medie:
21.Amplitudinea:
[N/mm2];
22.Coeficientul de asimetrie:
23.Solicitarea de torsiune este produsa printr-un ciclu alternant pozitiv:
[N/mm2];
[N/mm2];
24.Tensiunea medie:
[N/mm2];
25.Amplitudinea:
[N/mm2];
26.Coeficientul de asimetrie R=0;
27.Se determina dupa metoda SERENSEN coeficientul de siguranta pentru solicitarile de incovoiere si coeficientul de siguranta pentru solicitarile de torsiune:
;
;
28.Coeficientii de material:
29.Coeficientul de siguranta pentru solicitarile compuse:
30.Caracteristicile mecanice ale materialului OLC45 :
- rezistenta la oboseala din incovoiere:
-ciclu alternant simetric s sr 637,64=318,82[N/mm2];
-ciclu pulsatoriu s sr 637,64=318,82 [N/mm2];
- limita de curgere sr=637,64 [N/mm2] , sc=372,78 [N/mm2] conform STAS 880-66
- rezistenta la oboseala din rasucire:
-ciclu alternant simetric t sr 637,64=175,353[N/mm2];
-ciclu pulsatoriu t sr 637,64=315,636 [N/mm2];
31.Coeficientii care tin seama de concentratori de tensiune si dimensionali si de starea suprafetei:
[mm],
[mm];
32.Din diagramele corespunzatoare solicitarii rezulta:
ks kt
33.Coeficientii dimensionali pentru solicitarea normala respectiv tangentiala:
es et
34.Coeficientul g care tine cont de calitatea suprafetei si de tratamentul termic aplicat arborilor:
gs gt g b b
35.Coeficientul de calitate a suprafetei: b =1 , pentru Ra=1,6;
36.Coeficientul dependent de tratamentul termic aplicat stratului superficial b
> ca=1,5
37.Verificarea la deformatii de incovoiere (rigiditate flexionala):
Sageata maxima se determina utilizand metoda suprapunerii efectelor :
38.Sageata maxima din planul H:
fmaxH= fmaxFp'H+fmaxFrH;
fmaxH= fmaxFp'H+fmaxFrH=0,00323+0,00161=0,00485[mm
39.Sageata maxima din planul V :
fmaxv= fmaxFr'V+fmaxFpV;
fmaxv= fmaxFr'V+fmaxFpV=0,014+0,0038=0,018[mm];
40.Sageata maxima totala :
< 0,08=fadm;
41.Rotirea din planul H:
[rad];
[rad];
[rad]
[rad];
[rad]
[rad];
42.Rotirea din planul V:
[rad]
[rad];
[rad];
[rad];
[rad];
[rad];
43.Rotirea totala din lagare:
[rad];
[rad];
2.8.2. Calculul arborelui melcat (2)
1.Calculul de predimensionare:
Calculul de predimensionare se face din conditia de torsiune:
[Nmm];
[mm];
2.Calculul la solicitari compuse:
Solicitarile compuse se refera la solicitarea de incovoiere cu rasucire.
Se stie:
diametrul cercului de rulare al melcului dm1=50 [mm];
unghiul de frecare j
coeficient de frecare melc roata-melcata m
3.Forta axiala:
[N] ;
4.Forta radiala de pe roata melcata:
- unghiul de inclinare al spirei melcului:
5.Forta periferica de pe roata melcata:
6.Determinarea reactiunilor:
din planul orizontal:
[N];
din planul vertical:
[N]

8.Incarcarea rezultanta pe lagare:
[N];
[N];
9.Momentul incovoietor maxim din H:
MimaxH=l1 HI=130 750,68=97590[Nmm];
10.Momentul incovoietor maxim din V:
MimaxV=l1 VI=130 11860=1541000[Nmm];
11.Momentul incovoietor maxim rezultant:
[Nmm];
12.Determinarea momentului echivalent conform teoriei a III-a de rezistenta:
[Nmm];
sa=40 [N/mm2];
[mm];
Se adopta din motive constructive d=70 [mm];
13.Calculul momentelor incovoietoare din sectiunea periculoasa:
MiH=HI 10= 7506.8[Nmm];
MiV=VI 10=118600[Nmm];
14.Momentul incovoietor rezultant:
[Nmm];
15.Solicitarea de incovoiere este produsa de un ciclu alternant simetric:
[N/mm2];
16.Tensiunea medie:
17.Amplitudinea:
[N/mm2];
18.Coeficientul de asimetrie:
19.Solicitarea de torsiune este produsa printr-un ciclu alternant pozitiv:
[N/mm2];
[N/mm2];
20.Tensiunea medie:
[N/mm2];
21.Amplitudinea:
[N/mm2];
22.Coeficientul de asimetrie R=0;
Se determina dupa metoda SERENSEN coeficientul de siguranta pentru solicitarile de incovoiere si coeficientul de siguranta pentru solicitarile de torsiune:
;
;
23.Coeficientii de material:
24.Coeficientul de siguranta pentru solicitarile compuse:
25Caracteristicile mecanice ale materialului OLC45 :
- rezistenta la oboseala din incovoiere:
-ciclu alternant simetric s sr 637,64=318,82[N/mm2];
-ciclu pulsatoriu s sr 637,64=318,82 [N/mm2];
- limita de curgere sr=637,64 [N/mm2] , sc=372,78 [N/mm2] conform STAS 880-66
- rezistenta la oboseala din rasucire:
-ciclu alternant simetric t sr 637,64=175,353[N/mm2];
-ciclu pulsatoriu t sr 637,64=315,636 [N/mm2];
26Coeficientii care tin seama de concentratori de tensiune si dimensionali si de starea suprafetei:
27.Din diagramele corespunzatoare solicitarii rezulta:
ks kt
28.Coeficientii dimensionali pentru solicitarea normala respectiv tangentiala:
es et
29.Coeficientul g care tine cont de calitatea suprafetei si de tratamentul termic aplicat arborilor:
gs gt g b b
30.Coeficientul de calitate a suprafetei: b =1 , pentru Ra=1,6;
31.Coeficientul dependent de tratamentul termic aplicat stratului superficial b
> ca=1,5
32.Verificarea la deformatii de incovoiere (rigiditate flexionala):
Sageata maxima:
[mm];
[mm];
[mm];
Rotirea din lagare:
[rad];
[rad];
Rotirea totala din lagare:
[rad];
2.9. Alegerea lagarelor cu rulmenti
In constructia reductoarelor sunt foarte raspandite lagarele cu rulmenti. Rulmentii fiind tipizati, alegerea lor se face dupa standarde si cataloagele fabricilor producatoare pe baza diametrului fusului arborelui pe care se monteaza, a sarcinilor de pe lagar si a duratei de exploatare alese initial.
Pentru alegerea lagarelor cu rulmenti trebuie sa se efectueze urmatoarele:
sa se intocmeasca schema cinematica functionala cu indicarea marimii directiei, sensului si locul de aplicare a fortelor;
sa se stabileasca reactiunile ce apar in reazeme;
sa se stabileasca cel mai potrivit tip de rulment in functie de marimea directia si sensul reactiunilor, de constructia ansamblului, de turatie, de conditii de exploatare si montaj;
sa se determine marimea rulmentului pe baza solicitarii, a durabilitatii si a turatiei limita;
sa se puna la punct in concordanta a tipului de rulment ales cu constructia ansamblului si tehnologia de executie a lui;
sa se stabileasca clasa de precizie a rulmentilor si a jocurilor functie de conditiile de exploatare ( precizie , vibratii);
stabilirea tipului ajustajului intre inelele rulmentului si arbori respectiv carcasa functie de modul de fixare a rulmentului, a marimii si directiei sarcinilor si clasa de precizie;
stabilirea felului ungerii si a sistemului de etansare functie de turatie, de mediul inconjurator de temperatura, de destinatie;
definitivarea solutiei constructive cu luarea in considerare a necesitatii asigurarii rigiditatii corespunzatoare si a rezistentei pieselor in contact cu rulmentii, a realizarii coaxialitatilor locului de asezare a rulmentilor;
Schema cinematica functionala cu indicarea directiei si sensul fortelor care actioneaza asupra lagarelor:

1.Alegerea rulmentilor pentru arborele de iesire (4):
Date de proiectare:
forta radiala care actioneaza in mijlocul lagarului FR=FrII=7087[N];
forta tangentiala FP=8921[N];
forta axiala Fa=0[N];
momentul de torsiune Mt=M4=1695000[Nmm];
coeficientul de frecare m
2.Alegerea rulmentilor :
Se face in functie de durabilitatea maxima a rulmentilor:
;
;
unde :
L10 - durabilitatea [milioane de rotatii];
C - capacitatea de incarcare dinamica a rulmentului, [daN];
Pm - sarcina dinamica echivalenta, [daN];
p - coeficient care este : 3 pentru rulmenti cu bile ;
3,3 pentru rulmenti cu role;
, [daN];
Lh - durabilitatea [ore];
Durabilitatea impusa este de Lh=20000[ore];
unde :
V - coeficient care tine seama de inelul care se roteste; V=1, pentru inel interior rotitor;
X si Y - coeficienti care depind de
raportul
, si de tipul rulmentului;
Avand in vedere ca Fa=0, Pm=Fr=7087[N];
3.Capacitatea de incarcare dinamica este:
, [daN];
Se poate alege rulmentul cu simbolul 6015 care are :
d=75[mm]; D=115[mm]; B=20[mm]; C=3100 [daN];
4.Durabilitatea :
[milioane
de rotatii];
5.Alegerea rulmentilor pentru arborele intermediar (3):
Date de proiectare:
forta radiala care actioneaza in mijlocul lagarului FR=FrII=14627[N];
forta tangentiala FP=9313[N];
forta axiala Fa=1501[N];
momentul de torsiune Mt=M3=558793[Nmm];
coeficientul de frecare m
6.Alegerea rulmentilor :
Se face in functie de durabilitatea maxima a rulmentilor:
;
;
unde :
L10 - durabilitatea [milioane de rotatii];
C - capacitatea de incarcare dinamica a rulmentului, [daN];
Pm - sarcina dinamica echivalenta, [daN];
p - coeficient care este : 3 pentru rulmenti cu bile ;
3,3 pentru rulmenti cu role;
, [daN];
Lh - durabilitatea [ore];
Durabilitatea impusa este de Lh=20000[ore];
unde :
V - coeficient care tine seama de inelul care se roteste; V=1, pentru inel interior rotitor;
X si Y - coeficienti care depind de
raportul
, si de tipul rulmentului;
Conform STAS 7160-65 X=1; Y=0;
Deci Pm=Fr=14627[N];
7.Capacitatea de incarcare dinamica este:
, [daN];
Se poate alege rulmentul cu simbolul 6214 care are :
d=70[mm]; D=125[mm]; B=24[mm]; C=4800 [daN]; C0=3800 [daN];
e - se determina din raportul
;
i - numarul de lagare;
8.Durabilitatea :
[milioane
de rotatii];
9.Alegerea rulmentilor pentru arborele melcat (2):
Date de proiectare:
forta radiala care actioneaza in mijlocul lagarului FR=FrI=FrII=11880[N];
forta tangentiala FP=Fa=1501[N];
forta axiala Fp'=5588[N];
momentul de torsiune Mt=M2=37534[Nmm];
coeficientul de frecare m
10.Alegerea rulmentilor
Se face in functie de durabilitatea maxima a rulmentilor:
;
;
unde :
L10 - durabilitatea [milioane de rotatii];
C - capacitatea de incarcare dinamica a rulmentului, [daN];
Pm - sarcina dinamica echivalenta, [daN];
p - coeficient care este : 3 pentru rulmenti cu bile ;
3,3 pentru rulmenti cu role;
, [daN];
Lh - durabilitatea [ore];
Durabilitatea impusa este de Lh=20000[ore];
unde :
V - coeficient care tine seama de inelul care se roteste; V=1, pentru inel interior rotitor;
X si Y - coeficienti care depind de
raportul
, si de tipul rulmentului;
Conform STAS 7160-65 X=1; Y=0.75;
Deci
[N];
11.Capacitatea de incarcare dinamica este:
, [daN];
Se poate alege rulmentul cu simbolul 3214 care are :
d=70[mm]; D=125[mm]; B=39.7[mm]; C=7650 [daN]; C0=8300 [daN];
e - se determina din raportul
;
i - numarul de lagare;
12.Durabilitatea :
[milioane
de rotatii];
2.10.Etansarea rulmentilor
Conditiile impuse unei etansari eficiente sunt:
sa reziste in timp la regimul de functionare (temperatura, viteza medie, presiune);
sa aiba durata de functionare maxima;
constructie simpla cu montare si demontare usoara;
sa fie frecarea in etansare cat mai redusa;
La reductor etansarea se rezolva cu garnituri de etansare, manseta de rotatie conform STAS 5907.
Conditii de folosire a mansetelor de rotatie:
diferenta de presiune dintre cele doua medii sa fie mai mic 0,5 [bar];
viteza periferica maxima a arborelui sa fie sub 10 [m/s];
rugozitatea fusului sa fie Ra=1,6 mm pentru diametre intre 40 pana la 300 [mm];
Ra=0,2 mm pentru diametre mici si viteze periferice mari;
la viteze mai mari de 4 [m/s], este obligatoriu ca suprafata sa fie calita si cromata;
montarea mansetelor se va face cu respectarea STAS 7950 si a indicatiilor producatorului;
2.11. Calculul asamblarilor cu pene
Calculul lungimii penei pentru arborele de iesire (4) se determina din conditia presiunii de contact admisibile. Materialul penei se alege un OLC45 cu sas=70[N/mm2];
1.Date de proiect:
M4=1695000[Nmm];
diametrul arborelui pe care se monteaza pana d=78[mm];
tensiunea admisibila la forfecare taf sa 40=32[N/mm2];
Conform STAS 1004-71 pentru d=78[mm], corespunde o pana cu: b=22[mm], h=14[mm]; l=45.180[mm];
2.Lungimea de calcul al penei:
[mm]; se
adopta conf. aceluias STAS lungimea l=90[mm];
3.Verificarea la forfecare:
[N/mm2];
Se va utiliza o pana paralela A 22x14x90 STAS 1004-71.
Calculul lungimii penei pentru arborele intermediar (3) se determina din conditia presiunii de contact admisibile. Materialul penei se alege un OLC45 cu sas=70[N/mm2];
4.Date de proiect:
M3=558793[Nmm];
diametrul arborelui pe care se monteaza pana d=80[mm];
tensiunea admisibila la forfecare taf sa 40=32[N/mm2];
Conform STAS 1004-71 pentru d=80[mm], corespunde o pana cu: b=22[mm], h=14[mm]; l=45.180[mm];
Lungimea de calcul al penei:
[mm]; se
adopta conf. aceluias STAS lungimea l=45[mm];
6.Verificarea la forfecare:
[N/mm2];
Se va utiliza o pana paralela A 14x22x45 STAS 1004-71.
2.12. Calculul cuplajului elastic cu bolturi
Calculul si proiectarea cuplajului elastic cu bolturi se face conform STAS 5982.
1.Date de calcul:
[Nm];
[rot/min];
P4= P3 h h = 2.817 [kW];
Regimul de functionare 16 ore pe zi.
2.Calculul de dimensionare:
Momentul de torsiune de calcul:
; unde Ks-
coeficient de siguranta.
K1- coeficient care depinde de masina motoare si masina antrenata, K1=1,4 pentru cazul functionarii neuniforme cu socuri medii de inertie;
K2- coeficient care depinde de regimul zilnic de functionare, K2=1,25 pentru timpul de functionare 16 ore/zi;
K3- coeficient ce depinde de durata totala de functionare, K3=1,65 pentru durata de functionare peste 160 ore.
[Nm];
3.Se adopta un cuplaj CE 9 CS 65 STAS 5982-74/OLC 35.
2.13. Calculul termic al angrenajelor si ungerea reductorului
Deoarece functionarea angrenajelor are loc cu frecari o parte din puterea transmisa se disipeaza si ca urmare provoaca incalzirea angrenajului. Considerand ca intreaga caldura este obtinuta din puterea pierduta prin disipare cantitatea de caldura degajata din angrenaj este:
[Kcal/h];
unde: Pn- puterea pe arborele motor [KW];
-
randamentul total al angrenajului;
1.Cantitatea de caldura degajata intr-o ora prin carcasa:
l- coeficient de transmitere al caldurii
l= 7.9 [Kcal/m2 grad], pentru circulatie slaba a aerului;
l= 12.15 [Kcal/m2 grad], pentru circulatie buna a aerului;
l= 18.24 [Kcal/m2 grad], pentru racire cu ventilatorul;
t si t0 -temperatura finala si initiala; t0=200C, iar t=600C.700C.
[m2];
S -suprafata [m2];
2.Suprafata
estimata din calculele preliminare este:
[mm2];
care este de fapt 0,9582 [m2]; Deci nu sunt necesare modificari de distante axiale.
3.Pentru o racire suplimentara se procedeaza astfel:
se introduc nervuri si aripioare de racire
se folosesc ventilatoare
se utilizeaza circuit fortat de racire prin exterior
4.Ungerea reductoarelor:
ungere cu grafit sau bisulfura de molibden la viteze pana la 0,4 [m/s];
ungere cu unsoare consistenta la viteze pana la 0,8 [m/s]
ungere cu unsoare sau ulei la viteze intre 0,8.4 [m/s];
ungere cu uleiuri minerale sau sintetice la viteza mai mari de 4 [m/s];
Alegem tipul de ulei mineral rafinat cu aditivi moderati TIN 82 EP.
5.Alegerea sistemului de ungere:
Se face ungerea prin imersiune (barbotare). Adancimea de scufundare este minim 1 modul sau 10 [mm] si maxim 6 module la treapta rapida. La angrenajul melcat cu melcul dedesupt nivelul uleiului trebuie sa ajunga la corpurile de rulare a rulmentilor.
6.Cantitatea de
ulei din baie 0,35.0,7 l pentru fiecare KW transmis. Deci se utilizeaza aproximativ
7. Perioada de schimbare a uleiului intre 2500 si 3000 ore.
La ungerea cu circulatie fortata a uleiului pentru viteze sub 20 [m/s], timpul de recirculatie a uleiului este de 0,5.2,5 minute, cand uleiul este pompat din baia de ulei si de 4 pana la 30 minute cand exista un, circuit exterior de racire.
Bibliografie
ANTAL, A. , Elemente privind proiectarea angrenajelor. Cluj-Napoca, Editura ICPIAF, 1998
ANTAL, A. , Indrumar de proiectare pentru reductoare. Universitatea Cluj-Napoca , 1994
BUZDUGAN, Gh. , s.a. Rezistenta materialelor. Bucuresti, Editura tehnica, 1980
CHISIU, A. , s.a. Organe de masini. Bucuresti, Editura Didactica si Pedagogica, 1981
CRUDU, I. , s.a. Atlas de reductoare cu roti dintate. Bucuresti, Editura Didactica si Pedagogica, 1981
DRAGHICI, I. , s.a. Organe de masini. Culegere de probleme. Bucuresti, Editura Didactica si Pedagogica,1980
GAFITANU, M. , s.a. Organe de masini, vol. I si II . Bucuresti, Editura Tehnica, 1982,1983
|
Politica de confidentialitate | Termeni si conditii de utilizare |
Vizualizari: 5970
Importanta: ![]()
Termeni si conditii de utilizare | Contact
© SCRIGROUP 2026 . All rights reserved