| CATEGORII DOCUMENTE |
| Aeronautica | Comunicatii | Electronica electricitate | Merceologie | Tehnica mecanica |
CAMPUL ELECTROMAGNETIC CVAZISTATIONAR
1. Regimul cvazistationar al campului electromagnetic
Regimul cvazistationar este un regim al campului electromagnetic studiat in aproximatia neglijarii unor termeni din ecuatiile generale ale campului electromagnetic. Se disting doua tipuri de regimuri cvazistationare:
- regimul cvazistationar de tip magnetic sau anelectric, in care se neglijeaza curentul de deplasare (dy/dt) in legea circuitului magnetic; acest regim intervine la studiul curentilor variabili in conductoare masive;
- regimul
cvazistationar de tip electric sau amagnetic, in care se neglijeaza campul
electric indus de variatia in timp a campului magnetic (
); acest regim intervine in studiul
dieletricilor conductivi sau cu pierderi.
Rezolvarea problemelor de camp electromagnetic in regim variabil este mult mai dificila decat in regim stationar.
In regim variabil, in conductoare pot sa apara curenti de conductie datorita campului electric indus. Acesti curenti se numesc curenti turbionari sau curenti Foucault.
In conductoarele cu curenti de aductie (impusi din exterior) distributia curentului pe sectiunea conductoarelor masive este influentata de variatia in timp a marimilor, manifestandu-se efectul pelicular.
Daca un conductor masiv cu curent de aductie se afla in vecinatatea altor conductoare parcurse de curenti, in regim variabil se manifesta o modificare a repartitiei curentului in sectiune, prin efectul de proximitate sau de apropiere.
La conductoarele masive asezate in crestaturile masinilor electrice sau in fasciculele de conductoare avand curenti impusi, atunci cand sunt parcurse de curenti variabili in timp se manifesta un efect de repartizare neuniforma a curentului pe sectiunea conductoarelor, cunoscut ca efectul Field.
In cele ce urmeaza va fi abordata o problema generala a regimului cvzistationar de tip magnetic, o problema de curenti Foucault, una de efect pelicular si efectul Field.
Mai trebuie amintit faptul ca in regim variabil in timp trebuie revazute definitiile anumitor marimi, ca rezistenta, tensiune electrica s.a.
2. Premizele studiului campului electromagnetic cvazistationar in conductoare masive imobile
Ecuatiile
campului electromagnetic se obtin neglijand in legea circuitului magnetic
densitatea curentului de deplasare
in
raport cu densitatea curentului de conductie
Aceasta neglijare este admisibila atunci cand
|
|
Dar t e s este constanta de timp a relaxarii sarcinii electrice. In conductoare acesta constanta are valori de ordinul a 10-19 s.In regim sinusoidal rezulta o conditie pentru frecventa
|
f << 1018 Hz. |
Intrucat frecventele utilizate in tehnica nu depasesc 1012 Hz, in conductoare densitatea curentului de deplasare este neglijabila in raport cu densitatea curentului de conductie. In semiconductoare si in plasma aceasta conditie nu este indeplinita la frecvente foarte mari.
3. Ecuatiile campului electromagnetic cvazistationar in conductoare masive imobile
Ecuatiile lui Maxwell pentru campul electromagnetic sunt
|
|
La acestea trebuie adaugate relatiile constitutive
|
|
in legea conductiei electrice fiind neglijat campul imprimat. In medii omogene si linare marimile e m si s sunt constante.
Introducand relatiile constitutive in primele doua ecuatii, de evolutie, si neglijand curentul de deplasare, se obtin relatiile
|
|
care reprezinta ecuatiile fundamentale ale campului electromagnetic in conductoare masive omogene, sau ecuatiile de ordinul intai.
Luand divergenta acestor ecuatii si apoi tinand seama de omogenitatea mediului, se stabilesc relatiile
|
|
deci cele
patru campuri,
sunt solenoidale.
Luand rotorul ecuatiilor (3-3) si tinand seama ca
|
|
daca se elimina cate una dintre functiunile necunoscute, se obtin ecuatiile de ordinul doi
|
|
Solutiile pentru cele patru campuri nu sunt independente, ele fiind legate prin ecuatiile de ordinul intai (3-3). Aceste ecuatii trebuie completate cu relatiile de trecere prin suprafete de discontinuitate
|
|
In continuare se vor studia numai probleme in regim permanent sinusoidal, folosind reprezentarea in complex; aceasta se aplica fiecarei marimi scalare, respectiv componentelor scalare ale vectorilor. Derivarea in raport cu timpul a unei marimi revine la multiplicarea cu jw a imaginii marimii.
4. Patrunderea campului electromagnetic in semispatiul conductor infinit
Se considera un bloc de material conductor,de permeabilitate si conductivitate s, limitat spre stanga de o fata plana infinit extinsa si ocupand intregul semispatiu drept (fig.4-1) Se alege un sistem de axe cartezian, cu axa Ox normala pe fata blocului si dirijata spre interior.
|
|
Fig. 4-1. Notatii pentru patrunderea campului electromagnetic in semispatiul infinit. |
La suprafata
semispatiului este stabilit un camp magnetic omogen tangential
(orientat dupa axa Oz)
|
|
Se studiaza numai regimul permanent. Toate marimile depind numai de coordonata x si de timp
|
|
La x = 0 in interiorul semispatiului conductor campul are aceeasi componenta tangentiala
|
|
si in interior are numai componenta dupa Oz
|
|
Ecuatia campului magnetic in mediul conductor este
|
|
In regim sinusoidal aceasta ecuatie se reprezinta in complex simplificat sub forma
|
|
Se noteaza
|
|
unde
|
|
este constanta de atenuare.
Cu aceste notatii, solutia generala a ecuatiei (4-5) este
|
|
Daca domeniul este infinit, trebuie ca A2 = 0, pentru ca la infinit campul magnetic sa fie finit. La x = 0 Hz = Hz(0) = A1. Rezulta solutia
|
|
Valoarea instantanee a campului este
|
|
Aceasta este o unda elementara directa, puternic atenuata, cu viteza de faza v si lungimea de unda l date de relatiile
|
|
Densitatea de
curent
si
intensitatea campului electric
se
deduc din prima ecuatie a lui Maxwell
|
|
Dezvoltand rotorul se obtin relatiile complexe
|
|
Valorile instantanee ale acestor marimi sunt defazate cu p/4 inaintea campului magnetic. La suprafata conductorului intensitatea campului electric este
|
|
Pierderile de
putere se calculeaza cu ajutorul vectorului Poynting. Intrucat
si
, vectorul densitatii fluxului de energie
este dirijat spre interiorul conductorului
(sensul in care se propaga undele elementare Hz(x,t) si Ey(x,t)),
|
|
unde valoarea instantanee Sx este
|
|
Marimea Sx reprezinta puterea instantanee transmisa prin unitatea de suprafata a planelor x = const. Acest aflux de energie provine de la campul electromagnetic exterior si scade rapid o data cu patrunderea in conductor, datorita faptului ca acopera pierderile locale de putere prin efect Joule-Lenz. Aportul de putere instantanee prin suprafata conductorului este
|
|
avand valoarea medie, sau puterea activa specifica
|
|
Campul electric, campul magnetic si densitatea curentului au valori importante numai in vecinatatea suprafetei conductorului, amplitudinile lor scazand exponential o data cu departarea de la suprafata conductorului. De exemplu, valoarea efectiva a densitatii curentului are expresia
|
|
Se numeste adancime de patrundere (sau adancime echivalenta de patrundere) a campului electromagnetic in semispatiul conductor, distanta d de la suprafata pe care ar trebui repartizat in mod uniform curentul total, pentru ca pierderile de putere activa sa fie egale cu cele din cazul repartitiei reale a curentului.
Pe o inaltime a (dupa Oz), curentul total complex este
|
|
si are valoarea efectiva
|
|
Daca ar fi repartizat uniform si sinfazic pe adancimea d, intr-un volum a.b.d acest curent ar produce pierderile de putere activa
|
|
Puterea primita prin suprafata de arie ab este
|
|
Cele doua puteri trebuind sa aiba valori egale rezulta expresia adancimii de patrundere
|
|
La frecventa industriala (50 Hz) si temperatura de 20 C adancimea de patrundere este de 9,5 mm la cupru, respectiv de 12,3 mm la aluminiu. La materiale magnetice cu permeabilitate mare (fier) adancimea de patrundere este de la cativa milimetri pana la fractiuni de milimetru. Pentru apa de mare d 30 m, in sol d 750 m.
5. Probleme de curenti turbionari
In aplicatiile tehnice, curentii turbionari (sau Foucault) apar in miezurile feromagnetice ale circuitelor magnetice din masinile si aparatele electrice de curent alternativ, determinand pierderi suplimentare de putere prin efect Joule si inrautatind functionarea acestor aparate si masini. Totodata exista numeroase aplicatii utile ale curentilor turbionari: incalzirea electrica prin inductie (in care puterea dezvoltata de curentii turbionari este folosita pentru a incalzi, sau chiar a topi conductorul), franele si ambreiajele magnetice de inductie (in care se utilizeaza fortele pe care campul magnetic le exercita asupra conductorului parcurs de acesti curenti) s.a.
Curentii turbionari din conductoare influenteaza repartitia campului magnetic, datorita campului magnetic suplimentar produs de acestia (numit si camp magnetic de reactie al curentilor turbionari). Din acest motiv, pentru rezolvarea exacta a acestor probleme este necesara utilizarea ecuatiilor generale ale regimului cvazistationar de tip magnetic (anelectric). In cazuri limita, la frecvente joase (cand campul de reactie este mic, neglijabil), sau la frecvente inalte (cand adancimea de patrundere este mica fata de dimensiunile conductorului), se pot folosi metode aproximative.
Pierderi prin curenti Foucault in tole feromagnetice.
Circuitele magnetice de curent alternativ sunt realizate din tole feromagnetice, de grosime D mult mai mica decat latimea l (D << l), deci tola poate fi asimilata cu o placa de extensie infinita din punct de vedere al rezolvarii problemei de camp magnetic cvzistationar. Se adopta un sistem de axe cartezian (fig. 5-1), astfel incat planul de simetrie al placii sa se afle in planul x = 0. Marimile din placa vor depinde numai de coordonata x.
Fie f fm sinwt fluxul magnetic sinusoidal care revine unei tole
de grosime D si latime l,
atunci inductia magnetica aparenta in tola este B = f Dl) = Bm
sinwt si se considera orientata in lungul axei Oz:
Se
va folosi reprezentarea in complex si atunci amplitudinea complexa a inductiei
este B = Bm.
Din legea inductiei electromagnetice se obtine
|
| ||
|
|
Fig. 5-1. Notatii pentru studiul curentilor Foucault intr-o tola. |
|
Daca se poate neglija reactia curentilor turbionari, se obtine o solutie simpla, independenta de eventuala neliniaritate a caracteristicii magnetice a tolei
|
|
Curentii indusi sunt Jy = sEy, apoi puterea activa disipata pe unitatea de volum este pR = J2/(2s), care trebuie mediata pe grosimea placii si se obtine densitatea de volum medie a pierderilor prin curenti turbionari
|
|
iar inductia magnetica este neschimbata (datorita neglijarii reactiei curentilor indusi).
De exemplu, la frecventa de 50 Hz si inductia Bm = 1T, tola de otel electrotehnic cu grosimea de 0,5 mm si conductivitatea de 6,67 Sm/mm2, cu masa specifica 7,8 kg/dm3, are pierderile specifice medii pR med = 6,85732 W/dm3 = 0,87914 W/kg, iar tola inalt aliata, de 0,3 mm grosime, cu conductivitate de 2,08 Sm/mm2, cu masa specifica 7,6 kg/dm3, are pR med = 0.76983 W/dm3 = 0.10129 W/kg.
Daca nu se neglijeaza reactia curentilor turbionari, atunci mai trebuie luata in consideratie teorema lui Ampère. Considerand tola liniara, de permeabiltate , se obtine ecuatia
|
|
Cu
si
trecand la reprezentarea in complex, dupa eliminarea
si
se
obtine ecuatia lui Helmholtz (complexa)
|
|
Se noteaza cu
si solutia (care trebuie sa fie simetrica
fata de planul x = 0) este
|
|
in care B0 este inductia magnetica minima, la mijlocul tolei.
Imaginea complexa a fluxului magnetic al tolei este
|
|
Intrucat este cunoscut (dat) fluxul magnetic al tolei, ultima relatie permite determinarea constantei de integrare B0
|
|
Inductia este maxima la marginea tolei si este data de relatia
|
|
Intensitatea campului electric se poate calcula din relatia
|
|
Puterea complexa primita bilateral de tola pe unitatea de arie este
|
|
Partea reala a acestei puteri, impartita cu grosimea tolei da densitatea de volum medie a puterii disipate
|
|
In cele doua cazuri examinate anterior (tole de 0,5 mm si de 0,3 mm grosime), pentru permeabilitatea relativa de r = 7000 se obtin urmatoarele valori
|
gros. [mm] |
a [m-1] |
B /Bm |
Bmax/Bm |
|
0,9746-j0,1889 |
1,0291+j0,3808 |
||
|
0,9997-j0,0216 |
1,0004+j0,0431 |
Pierderile specifice calculate cu relatia 'exacta' sunt de 6,8003 W/dm3 = 0,8718W/kg, respectiv 0,76975 W/dm3 = 0,10128W/kg. Valorile sunt foarte apropiate de cele calculate cu relatia aproximativa, care neglijeaza reactia curentilor turbionari. La valori mai mici ale permeabilitatii diferentele sunt si mai mici.
6. Efectul pelicular
In regim variabil, curentul injectat intr-un conductor are o repartitie diferita de repartitia de curent continuu, fenomen numit efect pelicular sau efect skin. Datorita fenomenului de inductie electromagnetica, asociat cu reactia curentilor indusi, curentul are tendinta de a se repartiza cu o densitate mai mare in zonele periferice ale conductoarelor. Totodata, in regim periodic apar defazaje intre densitatile de curent din diferitele puncte ale sectiunii conductorului.
Efectul pelicular in conductorul plat
Un caz de efect pelicular care este mai usor de studiat este cel al conductorului plat, aflat departe de alte conductoare parcurse de curenti si avand o grosime a mult mai mica decat latimea b (fig. 6-1). Acest caz se poate studia, aproximativ, neglijand 'efectele de margine', ca in cazul tolei. Atunci campul electromagnetic in sectiunea conductorului devine unidimensional, adica depinde de o singura coordonata.
Se adopta un
reper cartezian xOyz ca in figura 6-1,
axa Oy fiind in lungul liniilor
curentului de aductie
, axa Ox
este dupa latimea, iar axa Oz - dupa
grosimea conductorului plat, cu originea in planul de mijloc al conductorului.
Densitatea curentului
si
intensitatea campului electric
in
conductor au componenta numai dupa Oy,
care depinde numai de coordonata z
|
|
iar campul magnetic are numai componenta dupa axa Ox
|
|
Fig. 6-1. Notatii pentru studiul efectului pelicular intr-un conductor plat. |
|
|
| ||
Din legea inductiei electromagnetice si din teorema lui Ampère rezulta relatiile scalare
|
|
Trecand la amplitudini complexe, pentru un regim sinusoidal cu pulsatia w, se obtin ecuatiile
|
|
respectiv se stabilesc ecuatiile de ordinul doi
|
|
unde s-a notat
Solutiile au forma
|
|
in care E0 este intensitatea campului electric in planul median al conductorului (z = 0). Mai rezulta densitatea curentului in centrul conductorului J0 = sE si o intensitate de referinta a campului magnetic H0 = sE g. Prin integrare pe sectiunea conductorului se obtine amplitudinea complexa a curentului conductorului
|
|
din care se poate determina valoarea constantei E0 daca se cunoaste curentul
|
|
La suprafata conductorului intensitatea campului electric are valoarea E0 ch(ga/2). Cu aceasta se poate calcula un factor de crestere a impedantei complexe in curent alternativ, fata de rezistenta in curent continuu, raportand aceasta valoare la aceea care ar rezulta in curent continuu I/(abs
|
|
La acelasi rezultat se ajunge cu ajutorul puterii complexe primite de conductor. La suprafata vectorul Poynting are valoarea
|
|
Calculand E0 din relatia sa cu curentul I, se obtine
|
|
Astfel rezulta
|
|
Puterea complexa primita de conductor pe unitatea de lungime pe ambele fete este I2 g/(4bs th(ga/2)), pe cand la repartitie uniforma pe sectiune ar rezulta puterea I2/(2abs), factorul 1/2 fiind datorit faptului ca s-a lucrat cu amplitudinea complexa. Se regaseste valoarea stabilita anterior, pe o cale mai simpla.
Efectul pelicular in conductorul cilindric plin
Efectul pelicular se va exemplifica pe cazul conductorului cilindric circular, rectiliniu si infinit lung, de raza a, avand conductivitatea s si permeabilitatea , parcurs in sens axial de un curent sinusoidal cu amplitudinea I si pulsatia w. Datorita extensiei axiale infinite si simetriei fata de axa conductorului, marimile de camp depind numai de coordonata radiala r a unui reper cilindric , a carui axa Oz coincide cu axa conductorului. Campul electric este axial, iar campul magnetic este transversal
|
|
Folosind reprezentarea in complex, din legea lui Faraday a inductiei electromagnetice si din teorema lui Ampère rezulta ecuatiile scalare
|
|
Eliminand intensitatea campului magnetic se obtine ecuatia de ordinul doi a intensitatii campului electric
|
|
Prin eliminarea intensitatii campului magnetic se obtine ecuatia
|
|
Se observa ca ambele campuri satisfac ecuatia lui Bessel, prima de ordinul zero, iar a doua de ordinul unu. Ambele au forma ecuatiei modificate, cu argument imaginar.
Solutia ecuatiei campului electric este de forma
|
|
Aici I0(x) si K0(x) sunt functiile lui Bessel modificate, de prima si de a doua speta si ordin 0. In general
|
|
Intrucat la r = 0 functiunile de a doua speta tind spre infinit, rezulta A2 = 0.
Solutia devine
|
|
Intensitatea campului magnetic se obtine prin derivare
|
|
intrucat dI0(x)/dx = I1(x
Constanta de integrare A se poate determina cunoscand ca la suprafata conductorului (la r = a) intensitatea campului magnetic este I/(2pa), unde I este curentul conductorului
|
|
sau
|
|
Functia I0(x) are valoarea 1 la x = 0 si apoi creste monoton cu x real. Variabila complexa proportionala cu (1+j) mentine caracterul crescator al modulului functiei, o data cu cresterea argumentului functiei complexe. Functia I1(x) este nula la x = 0 si apoi creste monoton cu x real. Pentru o variabila complexa proportionala cu (1+j), in vecinatatea originii argumentul functiei este p/4 iar apoi creste o data cu modulul.
In fig. 6-2 s-au reprezentat partile reale si imaginare ale functiilor I0((1+j)x) si I1((1+j)x), in partea din stanga pentru xI[0, 3], in partea dreapta pentru xI
Factorul de 'impedanta' al conductorului, adica raportul dintre impedanta complexa a conductorului si rezistenta sa in curent continuu, se calculeaza cu intensitatea campului electric la suprafata A.I0(ga
|
|
La acelasi rezultat se poate ajunge si cu ajutorul puterilor, care se pot calcula ca fluxul vectorului Poynting prin suprafata care margineste conductorul. Acest vector este orientat spre interiorul conductorului.
|
|
|
|
Fig. 6-2. Functiunile Bessel I0(x(1+j)) si I1(x(1+j)): Ae, 2) m, 3) Ae, 4) m |
|
Vectorul Poynting complex la suprafata conductorului este
|
|
Multiplicand cu perimetrul 2pa si luand partea reala, respectiv imaginara a expresiei, se obtin puterile active si reactive pe unitatea de lungime
|
|
In curent continuu cu intensitatea I/ 2 ar fi rezultat puterea pe unitate de lungime
|
|
Factorul de impedanta este
|
|
Factorul de majorare a pierderilor prin efect pelicular, numit si factor de majorare a rezistentei kr, are expresia
|
|
rezistenta echivalenta pe unitate de lungime este
|
|
iar reactanta interioara a conductorului se exprima sub forma
|
|
Se poate defini si un factor al reactantei interioare kx, raportand reactanta interioara Xi la reactanta corespunzatoare densitatii de curent constante Xcc = w p) si atunci
|
|
In figura 6-3 sunt date diagramele factorilor kr si kx, ca functie de x aa = a/d, pentru cilindru de cupru, la 50 Hz.
Cand aa ³ 4 o buna aproximare o da relatia
|
|
care considera ca numai un strat superficial de grosime d a ar conduce. In acest caz kr aa
|
|
Fig. 6-3. Factorii de modificare a rezistentei si a reactantei interioare a conductorului cilindric. |
De exemplu, pentru un conductor de cupru cu diametrul de 20 mm, la frecventa de 50 Hz, la care d = 9,5 mm, rezulta aa = 10/9,5 = 1,0526 si apoi cu formula 'exacta' se obtine kr = 1,0251 , pe cand cu formula aproximativa s-ar obtine un factor subunitar. La o frecventa de 1000 Hz, se obtine aa = 4,7075, apoi un factor 'exact' kr = 2,2412 si un factor aproximativ 2,3538, cu 5% mai mare decat cel exact.
7. Efectul Field
Conductoarele asezate in crestaturile masinilor electrice sunt parcurse de curenti de aductie (cu valori impuse), variabili in timp. Campul magnetic 'de dispersie' creat de acesti curenti (campul transversal al crestaturii) modifica distributia curentilor pe sectiunile conductoarelor, modificare cunoscuta ca efectul Field. Un efect similar se manifesta si in conductoarele infasurarilor transformatoarelor, respectiv in fasciculele de conductoare (cu curenti elementari impusi), parcurse de curenti variabili in timp.
Efectul Field se studiaza in doua situatii:
a) o singura bara parcursa de curent in crestatura,
b) o bara parcursa de curent in campul din crestatura produs de un alt curent.
Aceste situatii vor fi studiate pe rand, de fapt cu ajutorul acelorasi ecuatii.
a) Efectul Field in bara dreptunghiulara, fara camp exterior
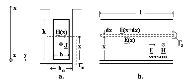
Se considera o bara conductoare dreapta, lunga, cu sectiunea dreptunghiulara b.h, parcursa axial de un curent sinusoidal avand valoarea efectiva complexa I (mai departe se va lucra cu amplitudinea complexa a marimilor de camp). Bara este nemagnetica si este asezata intr-o crestatura de largime bc, practicata intr-o armatura feromagnetica (fig. 7-1). Armatura este lunga (in sens axial) si atunci campul se poate studia intr-un plan perpendicular pe directia muchiilor barei si crestaturii.
Se alege un reper cartezian cu axele orientate astfel:
Oz - axa paralela cu muchiile barei,
Ox - axa dupa inaltimea barei, paralela cu peretii crestaturii, cu originea la baza barei,
Oy - axa transversala pe bara.
Solutia exacta a acestei probleme de camp electromagnetic este complicata, datorita efectului marginilor crestaturii in apropierea suprafetei libere a armaturii (unde, de regula, se afla intrefierul masinii electrice). Din aceasta cauza se va considera, aproximativ, ca in crestatura liniile de camp sunt pur transversale (dupa axa Oy), iar densitatea curentului in bara nu depinde decat de cota x (are aceeasi valoare pe toata latimea b).
Se considera un contur Gx care trece transversal prin crestatura la cota x, inchizandu-se prin cei doi dinti vecini si pe sub baza crestaturii, ca in figura 7-1a. Pe acest contur se scrie teorema lui Ampère direct cu imaginile complexe ale marimilor
|
| |
|
|
|
|
Fig. 7-1. Notatii pentru studiul efectului Field in crestatura unai masini electrice. |
|
Datorita permeabilitatii foarte mari a corpului feromagnetic in care este practicata crestatura, se poate neglija tensiunea magnetica in fier si atunci tensiunea magnetomotoare se reduce la tensiunea magnetica din crestatura
|
|
Solenatia corespunzatoare variaza cu cota x. Notand cu J(x) functia de cota x a densitatii de curent in bara, solenatia va fi
|
|
Solenatia ultimului interval include restrictia asupra densitatii de curent
|
|
Derivand in raport cu x relatia (7-1) si tinand seama de (7-2), (7-3), se obtine forma diferentiala
|
|
Se considera un al doilea contur Gz (fig. 7-1b) in lungul barei, care trece pe la cotele x si x+dx, pe o lungime axiala l. Scriind legea inductiei electromagnetice pe acest contur, tinand seama de orientarile versorilor intensitatii campului electric E si a intensitatii campului magnetic H (indicati in partea din dreapta a fig. 7-1b) si parcurgand conturul in sens antiorar (spre stanga, cum este indicat langa simbolul Gz se obtine relatia
|
|
adica
|
|
Luand in consideratie si legea conductiei electrice J(x) = sE(x), din relatiile (7-5) si (7-6) se tabileste ecuatia diferentiala de ordinul 2 a intensitatii campului magnetic
|
|
unde
|
|
g fiind constanta de propagare, iar ae de este constanta de atenuare, egala cu valoarea reciproca a adancimii de patrundere modificata
|
|
Se observa ca fata de cazul semispatiului conductor, constanta de atenuare, respectiv adancimea de patrundere este modificata, ca si cum crestatura ar fi umpluta pe toata largimea sa cu un material cu conductivitatea redusa in raportul b/bc.
Solutia ecuatiei (7-7) este de forma
|
|
Intrucat H(0) = 0, rezulta B = 0, apoi
|
|
si solutia devine
|
|
Densitatea de curent se deduce direct din relatia (7-5)
|
|
Se observa ca distributia curentului dupa inaltimea barei, proportionala cu valoarea functiei ch gx, este neuniforma, fiind minima la baza barei si maxima la x = h.
Puterea complexa primita de bara se poate calcula cu fluxul vectorului lui Poynting, observand ca acest vector, orientat spre bara, este nenul numai deasupra barei, unde are valoarea
|
|
Factorul 1/2 provine de la folosirea amplitudinilor complexe pentru marimile de camp, dar se simplifica cu patratul lui
Puterea complexa lineica a barei este
|
|
Observatie. Mai sus s-a multiplicat cu latimea crestaturii si nu cu latimea barei, datorita formei simplificate (7-2) cu care s-a calculat intensitatea campului magnetic. In caz contrar, o parte din puterea data de vectorul lui Poynting s-ar transmite spatiului dintre bara si peretii crestaturii. Cum s-a observat anterior, modelul folosit corespunde unei bare care ar umple crestatura, dar ar avea o conductivitate mai mica, pentru a obtine aceeasi rezistenta in curent continuu.
Se poate defini impedanta lineica complexa a barei
|
|
Notand x ae h, impedanta se poate pune sub urmatoarea forma, cunoscuta din literatura de specialitate
|
|
Partea reala a acestei impedante este rezistenta lineica echivalenta a barei, iar partea imaginara - reactanta lineica a barei. De regula prima marime se compara cu rezistenta de curent continuu
|
|
iar a doua - cu reactanta barei fara refulare
|
|
Se observa ca Xcc/Rcc = 2x /3. Cu aceste observatii impedanta lineica se poate pune si sub formele
|
|
unde s-au introdus functii de corectie pentru rezistenta si pentru reactanta
|
|
Marimile kr si kx sunt factori de corectie pentru rezistenta si reactanta barei inalte, pentru a tine seama de influenta 'refularii' curentului in bara.
In fig. 7-3 sunt reprezentate functiile j x) si y x impreuna cu alte doua functiuni, corespunzatoare cazului urmator.
b) Efectul Field in bara dreptunghiulara, cu camp exterior
In crestatura se pot afla mai multe bare parcurse de curent si atunci barele din straturi superioare se afla in campul creat de curentii barelor din straturile inferioare.
Se considera configuratia din fig. 7-2a, in care bara din crestatura, de inaltime h, este parcursa de curentul I si se afla in campul creat de curentul total Ie (in straturile inferioare).
|
|
|
Fig. 7-2. Notatii pentru studiul efectului Field intr-o bara situata in camp exterior. |
Originea coordonatei x se alege la baza barei examinate.
Scriind teorema lui Ampère pe conturul Gx din fig. 7-2a si legea inductiei electromagnetice pe conturul Gz (fig. 7-2b), se stabilesc aceleasi ecuatii de ordinul 1 (7-5) si (7-6), aceeasi ecuatie de ordinul 2 (7-7) si aceeasi forma a solutiei (7-10), cu diferenta ca desi domeniul in care este valabila prima ecuatie este tot xI(0, h), valorile limita pentru intensitatea campului magnetic sunt modificate
|
|
Cu aceste conditii la limita constantele de integrare se determina din sistemul
|
|
Dupa unele calcule solutia devine
|
|
Se observa ca solutia se compune din campul propriu (primul termen) si campul indus (al doilea termen). Ultimul prezinta simetrie fata de mijlocul inaltimii barei.
Densitatea curentului in bara se obtine cu (7-5) si este
|
|
Distributia curentului data de al doilea termen este simetrica in raport cu mijlocul inaltimii barei.
Vectorul lui Poynting, diferit de zero la ambele nivele extreme, are valorile
|
|
Puterea complexa primita pe unitatea de lungime este
|
|
unde cu qe s-a notat defazajul dintre curentii I si Ie.
Folosind din nou notatia x ae h si parametrii Rcc, Xcc (relatiile 7-16, 7.17), dupa unele calcule se obtine
|
|
unde s-au introdus doua functii de influenta
|
|
In figura 7-3 s-au reprezentat functiile de influenta definite anterior. Referitor la factorii de pierderi Joule, se observa ca j x) pleaca de la valoare 1 si apoi creste pana cel mult proportional cu x, pe cand je x) pleaca de la 0 (la frecventa mica nu se induc curenti), creste la inceput cu puterea a 4-a, ca apoi sa fie plafonata de crestere proportionala cu x
In privinta reducerii reactantei de dispersie in crestatura ambele functii y x) si ye x) pleaca cu tangenta orizontala in origine si incep sa scada abia peste x = 0.8. A doua functie pleaca de la valoarea in origine 3, datorita raportarii sale la reactanta Xcc care contine factorul 1/3.
|
|
|
Fig. 7-3. Diagramele functiilor de influenta pentru efectul Field. |
La unele discipline de specialitate, din anii superiori, se vor intalni forme prelucrate ale efectului Field, adaptate aplicatiilor respective, in care intervin anumite multimi de conductoare identice ca forma si parcurse de curenti de aceeasi valoare. In aceste aplicatii se folosesc, de regula, expresii de aproximare pentru functiile j x) si y x) definite anterior, la valori mici ale argumentului x. Aceste expresii se obtin prin dezvoltare in serie Mac Laurin (sau Taylor pentru argument nul).
8. Campul electromagnetic cvazistationar amagnetic
Campul electromagnetic cvazistationar amagnetic (sau de tip electric) intervine in sudiul dielectricilor cu pierderi.
Dielectricii
reali nu sunt perfect izolanti si pot prezenta ceracteristici de polarizare
neunivoce. In acesti dielectrici relatia intre intensitatea campului electric
si
cele doua marimi de camp pe care le determina, densitatea curentului de conductie
si
polarizatia temporara
, este, in general, neliniara. De
asemenea, se poate manifesta un fenomen de histerezis electric, iar in regim
foarte rapid variabil se observa si un fenomen de viscozitate electrica (post
efect electric), polarizatia temporara
ramanand
in urma intensitatii campului electric. Toate aceste efecte se pot studia in
cadrul regimului cvazistationar amagnetic.
In ipoteza neglijarii fenomenului de inductie electromagnetica, ecuatiile campului electromagnetic devin
|
|
La acestea se adauga legea de legatura
|
|
si relatii constitutive neliniare, de forma
|
|
cu observatia ca ultima relatie poate prezenta si histerezis (sau 'ereditate' electrica).
Se observa ca a
doua ecuatie (a lui
) poate fi omisa, intrucat campul magnetic
nu intervine in celelalte ecuatii.
Campul electric fiind irotational (prima ecuatie), deriva dintr- un potential
|
|
In medii omogene, liniare si izotrope, de permitivitate e, potentialul electric satisface ecuatia lui Poisson
|
|
Integrala de energie electromagnetica in acest regim devine
|
|
Condensatorul cu pierderi. O aplicatie importanta a acestui regim se refera la studiul condensatorului cu pierderi si in care se poate manifesta fenomenul de viscozitate magnetica. In acest regim polarizatia temporara este data de relatia lui Boltzmann
|
|
in care f(t') este functia de intarziere, iar em - o permitivitate de referinta.
Daca intensitatea campului electric variaza sinusoidal
|
|
introducand aceasta expresie in (8-7) si integrand, se obtine urmatoarea expresie a polarizatiei
|
|
unde constantele A si B se calculeaza cu expresiile
|
|
Expresia (8-9) se mai poate pune sub forma
|
|
in care s-a notat
|
|
Unghiul dp este numit unghi de pierderi prin histerezis si viscozitate electrica. Intr-un dielectric cu pierderi dielectrice polarizatia este defazata in urma intensitatii campului electric cu acest unghi.
Curentul unui condensator plan cu pierderi, caruia i se aplica o tensiunea u(t), se poate pune sub forma
|
|
Mai sus cu A s-a notat aria suprafetei unei armaturi a condensatorului, cu s - conductivitatea (in general neliniara) a dielectricului, cu E(t) si D(t) - valorile instantanee ale intensitatii campului electric si a inductiei electrice in dielectric, respectiv cu G - conductanta dielectricului si cu q - sarcina electrica a unei armaturi. In modelul condensatorului plan, cu distanta intre armaturi a, intrucat E(t) = u(t)/a, ultimele doua marimi se exprima cu relatiile
|
|
In general, conductanta G depinde de valoarea instantanee a tensiunii u(t), iar sarcina q este intr-o relatie neliniara (si neunivoca) cu tensiunea, datorita caracterului neliniar al polarizatiei
|
|
Puterea instantanee primita de condensator este
|
|
Primul termen corespunde efectului Joule in dielectric, datorita curentului de conductie, pe cand al doilea termen contine o parte oscilanta - variatia unei energii electrice stocate temporar in condensator - si o parte disipata prin histerezis si post efect electric. Ultimul termen se pune usor in evidenta intr-un regim sinusoidal, tinand seama ca D(t) = e E(t) + P(t)
|
|
Ultimul termen din paranteza are nenula valoarea medie pe o perioada si reprezinta puterea activa disipata in dielectricul condensatorului
|
|
|
Politica de confidentialitate | Termeni si conditii de utilizare |
Vizualizari: 2434
Importanta: ![]()
Termeni si conditii de utilizare | Contact
© SCRIGROUP 2026 . All rights reserved