Scrigroup - Documente si articole

     

HomeDocumenteUploadResurseAlte limbi doc
AeronauticaComunicatiiElectronica electricitateMerceologieTehnica mecanica


Masurarea rezistentelor cu aparate de citire directe

Electronica electricitate



+ Font mai mare | - Font mai mic



Masurarea rezistentelor cu aparate de citire directe

Problema 3.1.

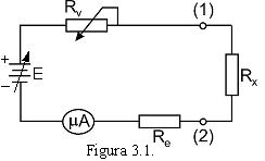
Un ohmmetru serie are schema prezentata in figura 3.1. Dispozitivul magnetoelectric pe baza caruia este construit microampermetrul are rezisten-ta interna numarul de diviziuni al scarii gradate diviziuni, curentul nominal , clasa de precizie . a) Sa se determine valorile minima si maxima ale lui si de ase-menea valoarea rezistentei etalon pentru ca intensitatea curentului prin microampermetru sa nu depaseasca limita admisibila , stiind ca sursa de curent continuu are tensiunea E cuprinsa in intervalul ; b) Sa se exprime eroarea teoretica la masurarea rezistentelor cu ohmmetrul serie la capetele scarii gradate si la mijlocul acesteia.



Rezolvare

a)    In cazul scurtcircuitarii bornelor (1) si (2) curentul prin dispozitivul de masurat ia valoarea maxima:

Pentru valoarea minima a tensiunii sursei, curentul maxim se exprima astfel:

Se deduce:

Pentru valoarea maxima a tensiunii sursei de alimentare se poate scrie:

din care:

Tinand seama de valoarea rezistentei interne a microampermetrului, se obtine sistemul:

Se observa ca , deci , iar .

b)    Daca se noteaza prin rezistenta echivalenta serie a circuitului ohmmetrului cand bornele (1) si (2) sunt scurtcircuitate, deviatia maxima pe scara gradata a aparatului este:

in care reprezinta fluxul magnetic prin suprafata descrisa de spirele bobinei mobile a dispozitivului magnetoelectric, iar D cuplul rezistent specific al arcurilor spirale.

Dupa inlaturarea scurtcircuitului si conectarea rezistentei de masurat , deviatia devine:

Ecuatia generalizata a scarii ohmmetrului serie se exprima sub forma:

Se observa ca sensul de crestere al valorilor pe scara gradata este opus celui al deviatiei .

Datorita erorilor de indicatie de natura constructiva ale microampermetrului, rezultatul masurarii va fi afectat de o eroare relativa procentuala maxima probabila care se determina prin metoda diferentierii logaritmice.

Se expliciteaza si apoi se logaritmeaza:

;

Diferentiind membru cu membru se obtine:

Deoarece este constanta, iar , rezulta

Pentru a exprima eroarea relativa maxima probabila se inlocuiesc diferentialele logaritmice prin erori relative maxime si se schimba totodata semnul factorilor negativi.

La inceputul scarii gradate , deci , iar .

Spre sfarsitul scarii gradate si , deci .

La mijlocul scarii gradate si , iar

Daca se exprima eroarea relativa maxima probabila in procente si se tine seama de expresia clasei de precizie a microampermetrului:

se poate scrie:

Factorul prezinta un minim pentru , deci

Ohmmetrul este un aparat cu citire directa care permite masurarea rapida a rezistentelor de valori medii, dar precizia masurarii fiind scazuta, este folosit mai ales pentru verificarea continuitatii circuitelor electrice.

Pentru microampermetrul prezentat in enuntul problemei:



Politica de confidentialitate | Termeni si conditii de utilizare



DISTRIBUIE DOCUMENTUL

Comentarii


Vizualizari: 1347
Importanta: rank

Comenteaza documentul:

Te rugam sa te autentifici sau sa iti faci cont pentru a putea comenta

Creaza cont nou

Termeni si conditii de utilizare | Contact
© SCRIGROUP 2026 . All rights reserved