| CATEGORII DOCUMENTE |
| Aeronautica | Comunicatii | Electronica electricitate | Merceologie | Tehnica mecanica |
MOTOARE HIDRAULICE ROTATIVE
|
Tip motor |
Parametru |
Cilindree / Volum unitar |
|
|
Pistoane axiale Bloc Inclinat |
|
|
Pistoane axiale Disc Fulant |
|
|
Pistoane radiale |
|
|
Palete Simpla actiune |
|
PaleteDubla actiune |
|
Debit mediu |
|
|
Toate tipurile de motoare |
|
|
|
Cuplu mediu |
|
Toate tipurile de motoare |
|
|
Debit instantaneu |
|
|
Pistoane axiale Bloc Inclinat |
|
|
Pistoane axiale Disc Fulant | |
|
Pistoane radiale |
|
|
Tip motor |
Parametru |
|
Palete Simpla actiune |
|
PaleteDubla actiune | |
|
Debit maxim |
|
|
Pistoane axiale Bloc Inclinat |
|
|
Pistoane axiale Disc Fulant | |
|
Pistoane radiale |
|
|
Palete Simpla actiune |
|
PaleteDubla actiune | |
Debit minim |
|
|
Pistoane axiale Bloc Inclinat |
|
|
Pistoane axiale Disc Fulant |
|
|
Pistoane radiale | |
|
Palete Simpla actiune | |
PaleteDubla actiune |
Tip motor |
Parametru |
Pulsatia debitului / cuplului |
|
|
Pistoane axiale Bloc Inclinat |
|
|
Pistoane axiale Disc Fulant | |
|
Pistoane radiale | |
|
Palete Simpla actiune | |
PaleteDubla actiune |
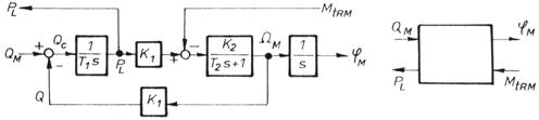
Modelul
matematic al MHR (
(1)
(2)

;
MHR (
) =
,
in raport cu debitul de intrare
,
MHR (
)
=
,
in raport cu cuplul de torsiune rezistent
.
|
Politica de confidentialitate | Termeni si conditii de utilizare |
Vizualizari: 1559
Importanta: ![]()
Termeni si conditii de utilizare | Contact
© SCRIGROUP 2025 . All rights reserved