INSTRUCTIUNI DE EXPLOATARE CAZAN DE ABUR - 30 t/h, 15kgf/cm2, 2500C
1.SCOP Prezenta procedura descrie instructiunile de exploatare ale cazanelor de 30 t/h, 15kgf/cm2, 2500C din Centrala Termica nr.2. 2.DOMENIUL DE APLICARE Se aplica in cadrul Sectiei Termo-Hidro. &nCiteste tot ... 4718 cuvinte
Dimensiune medie + cu poze |
 |
 |
CONDUCTIA STATIONARA BIDIMENSIONALA A CALDURII
Conductia stationara Bidimensionala a caldurii Un camp termic se numeste stationar daca el nu variaza in timp. De obicei, un astfel de camp termic reprezinta situatia de echilibru a unui sistem solicitat termic. Exemplele practCiteste tot ... 1021 cuvinte
Dimensiune mica + cu imagini |
 |
 |
Centrale termice cu condensare
Centrale termice cu condensare Centrale termice cu condensare: putina istorie Primul inventator care si-a propus sa recupereze caldura gazelor arse evacuate de centrala termica a fost Hugo JUNKERS in 1894. Primele centrale termiceCiteste tot ... 656 cuvinte
Dimensiune mica + cu imagini |
 |
 |
PROIECTAREA, EXECUTIA, EXPLOATAREA SI POSTULIZAREA PUNCTELOR DE DESFACERE A BUTELIILOR CU GPL LA CONSUMATORI
PROIECTAREA, EXECUTIA, EXPLOATAREA SI POSTULIZAREA PUNCTELOR DE DESFACERE A BUTELIILOR CU GPL LA CONSUMATORI * GENERALITATI * PROIECTARE * EXPLOATAREA PUNCTELOR DE DESFACERE A BUTELIILOR * POSTUTILIZARE * ANEXA 1: Desene explicativCiteste tot ... 9087 cuvinte
Dimensiune mare + cu imagini |
 |
 |
NECESARUL DE CALDURA PENTRU CLADIRI CIVILE, INDUSTRIALE SI AGROZOOTEHNICE
NECESARUL DE CALDURA PENTRU CLADIRI CIVILE, INDUSTRIALE SI AGROZOOTEHNICE 1. Conditii conventionale de calcul A. Temperatura exterioara de calcul Pentru stabilirea temCiteste tot ... 3519 cuvinte
Dimensiune medie + cu poze |
 |
 |
FUNCTIA ECOLOGICA A PARAMETRILOR DE CONFORT
Functia ecologica a parametrilor de confort In cadrul fiecarui ecosistem exista parametrii climatici specifici, dezvoltarii speciilor. Daca in continuare ne vom referii la climatul specific tarii noastre, vom putea spune, ca parametrii speCiteste tot ... 1873 cuvinte
Dimensiune medie + cu poze |
 |
 |
PROIECT INSTALATII SANITARE - Se va intocmi proiectul instalatiilor sanitare pentru un ansamblu de 8-12 caldiri de locuit, avand fiecare P+8 etaje. An
UNIVERSITATEA TEHNICA DE CONSTRUCTII BUCURESTI 1. Tema proiectului · Instalatii sanitare Se va intocmi pCiteste tot ... 13011 cuvinte
Dimensiune mare + cu imagini |
 |
 |
REZISTENTE TERMICE
rezistente termice 1. Caracterizarea elementelor de inchidere Asigurarea unor spatii confortabile pentru desfasurarea activitatilor umane, presupune utilizarea unor elemente de inchidere, au o contributie importanta in asigurareaCiteste tot ... 7513 cuvinte
Dimensiune mare + cu imagini |
 |
 |
NECESARUL DE CALDURA PENTRU CLADIRI
NECESARUL DE CALDURA PENTRU CLADIRI 1. Conditii conventionale de calcul 1.1.. Temperatura exterioara de calcul Pentru stabilirea temperaturii exterioare de calcul existCiteste tot ... 3608 cuvinte
Dimensiune medie + cu poze |
 |
 |
Clasificarea cazanelor de abur
Clasificarea cazanelor de abur In functie de destinatia aburului, instalatiile de cazane de abur pot fi: energetice, industriale, de incalzire sau mixte In functie de felul in care se realizeaza circulatia apei in sistemul fierbator, cazanelCiteste tot ... 414 cuvinte
Dimensiune mica + cu imagini |
 |
 |
Turbine cu gaze: rol, principiu de functionare, avantaje si dezavantaje
Turbine cu gaze: rol, principiu de functionare, avantaje si dezavantaje Turbinele cu gaze sunt masini termice motoare care produc energie mecanica pe baza caderii de entalpie a unui gaz pe timpul destinderii intre paletele unui arbore rotor.Citeste tot ... 356 cuvinte
Dimensiune mica - fara poza |
 |
 |
Agenti de lucru frigorifici: rol, clasificare, cerinte
Agenti de lucru frigorifici: rol, clasificare, cerinte Agentii frigorifici sunt substante care la presiunea normala fizica vaporizeaza la temperaturi cuprinse intre +60-130o C. Aceste substante trebuie sa indeplineasca anumite cerinte:Citeste tot ... 155 cuvinte
Dimensiune mica + cu imagini |
 |
 |
Agregatele frigorifice: definire, clasificare
Agregatele frigorifice: definire, clasificare In functie de temperatura surselor de caldura raportate la temperatura mediului ambiant Tamb, masinile care functioneaza dupa un ciclu inversat se impart in trei grupe: Instalatiile frigorCiteste tot ... 244 cuvinte
Dimensiune mica + cu imagini |
 |
 |
Cazane cu abur: rol, compunere (enumerarea elementelor componente)
Cazane cu abur: rol, compunere (enumerarea elementelor componente) Instalatiile de cazane de abur au rolul de a asigura obtinerea aburului sau apei calde in scopuri energetice, tehnologice, de incalzire sau mixte. Procesul de producere a apeiCiteste tot ... 110 cuvinte
Dimensiune mica + cu imagini |
 |
 |
Compresoarele: Rol, Clasificare, Schema de principiu
Compresoarele: Rol, Clasificare, Schema de principiu Compresoarele sunt masini de lucru consumatoare de energie, care realizeaza cresterea presiunii gazelor sau a vaporilor si transportul acestora. Dupa gradul de comprimare b peCiteste tot ... 236 cuvinte
Dimensiune mica + cu imagini |
 |
 |
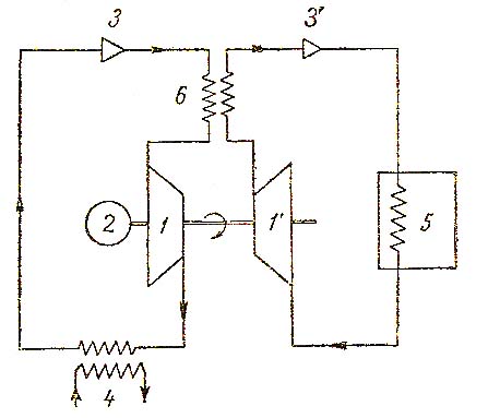
Instalatia frigorifica binara
Instalatia frigorifica binara compuse din doua instalatii frigorifice in cascada, dintre care prima functioneaza cu amoniac sau cu freon 12, iar cea de-a doua cu freon 13 (figura 13.4): Fig. 13.4 Instalatie binara 1,1`-compresoare;Citeste tot ... 114 cuvinte
Dimensiune mica + cu imagini |
 |
 |
Turbine cu gaze:: compunere
Turbine cu gaze:: compunere Principalele elemente componente ale instalatiilor de turbine cu gaze sunt: camera de ardere, turbina, compresorul si recuperatoarele de calduraCiteste tot ... 354 cuvinte
Dimensiune mica + cu imagini |
 |
 |
Turbine cu abur: rol, principiu de functionare
Turbine cu abur: rol, principiu de functionare Rol:Turbina cu abur este o masina energetica in care are loc transformarea energiei potentiale a aburului in energie cinetica si aceasta in energie mecanica care serveste la rotirea arborCiteste tot ... 150 cuvinte
Dimensiune mica - fara poza |
 |
 |
Turbine cu abur: elemente componente
Turbine cu abur: elemente componente 1.Canalele de abur Dupa rolul functional, canalele de abur ale turbinelor sunt formate din ajutaje, palete si sisteme de etansare. Ajutajele se pot executa prin turnare sau frezare pentru pCiteste tot ... 740 cuvinte
Dimensiune mica + cu imagini |
 |
 |
Turbine cu abur: clasificare
Turbine cu abur: clasificare Dupa principiul termodinamic de functionare, turbinele cu abur pot fi: 1. Turbine cu abur cu actiune pura la care destinderea aburului se executa in totalitate in aparatul director. Caderii de presiune in ajutajCiteste tot ... 466 cuvinte
Dimensiune mica + cu imagini |
 |
 |
Alte pagini