Scrigroup - Documente si articole

     

HomeDocumenteUploadResurseAlte limbi doc
AeronauticaComunicatiiElectronica electricitateMerceologieTehnica mecanica


FUNCTIA GENERATORULUI DE ABUR

Tehnica mecanica



+ Font mai mare | - Font mai mic



FUNCTIA GENERATORULUI DE ABUR

Generatorul de abur reprezinta o instalatie termicǎ care utilizeazǎ energia termica rezultatǎ prin arderea combustibililor clasici sau prin reactiile de fisiune nuclearǎ pentru a transforma apa in vapori saturati sau supraincalziti.



Generatoarele de abur cu combustibili clasici pentru instalatiile energetice furnizeaza aburul supraincalzit turbinei de abur, masina termica care antreneaza la randul ei generatorul electric. In acest fel, se ajunge de la energia termica produsǎ prin arderea combustibililor, la lucru mecanic produs la arborele turbinei si in final la energie electrica produsa de generatorul electric insotita de o oarecare cantitate de energie termica, avand drept suport fizic abur de parametri mai scazuti, utilizata in reteaua de termoficare sau pentru alte utilitati.

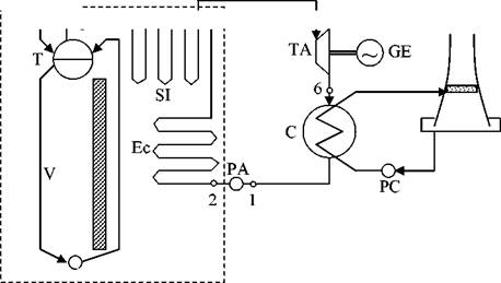
Ciclul de functionare al unei instalatii energetice cu abur este ciclul Clausius-Rankine. Scheme instalatiei este prezentata in figura 1, in timp ce in figura 2 sunt reprezentate fazele de realizare a acestui ciclu in coordonate T-s, deoarece in aceasta diagrama fazele de lucru apar nedeformate iar caldurile transferate apar ca simple suprafete.

GA   

i-n .,, ^n

CI


TR



6 x =1


Figura 1.

Pompa de apa PA preia apa cu starea 1 de lichid saturat provenita de la condensatorul instalatiei avand presiunea ( p1) si produce modificarea de stare 1-2, adicǎ ridicǎ presiunea apei pana la presiunea de functionare a cazanului, (p2). Pe parcursul acestei "comprimari" adiabatice, din cauza frecarilor din pompǎ apa se incalzeste cu circa 3-5 OC pastrandu-si aceeasi entropie, s1=s2. Pentru realizarea acestei transformǎri, pompa de apǎ consumǎ lucrul mecanic de comprimare, l1-2. Starea 2 a apei la iesirea din pompǎ este cea de lichid subrǎcit.

T

K

Figura 2.

s

Apa refulata de pompa de alimentare a cazanului, avand presiunea p2 este introdusa in preincalzitorul de apa al cazanului, Ec, unde se preincalzeste izobar (p2=p3) pana la temperatura T3, de saturatie, cu care patrunde in tamburul T al cazanului. Procesul de preincalzire al apei se desfasoara la presiunea de functionare a cazanului pe baza caldurii preluate de apǎ de la gazele de ardere generate in focarul cazanului, ajunse la o temperaturǎ relativ scǎzutǎ, circa 180 oC, dupǎ ce au cedat cǎldurǎ celorlalte aparate schimbǎtoare de cǎldurǎ ale cazanului montate in amonte de preincalzitorul de apǎ. Din cauza continutului de caldurǎ redus al gazelor din zona preincalzitorului de apǎ, caldurǎ care mai poate fi folosita cel mult la preincalzirea aerului de combustie, se poate considera cǎ acest aparat recupereazǎ ultimele resurse calorice ale gazelor de ardere. Dacǎ preincalzirea apei s-ar produce pe baza unui consum suplimentar de energie termicǎ, intr-un aparat separat de instalatia de cazan, s-ar reduce mult randamentul termodinamic brut al cazanului, tocmai din cauza unui consum suplimentar de energie termicǎ introdusǎ in circuitul generatorului de abur de la o sursǎ exterioarǎ, care la randul ei ar consuma energie pentru a o ceda apei.. Tocmai din acest motiv, preincǎlzitorul de apǎ al cazanului poartǎ numele de economizor, Ec.

Preincalzirea apei este necesarǎ din motive economice, pentru a folosi vaporizatorul cazanului strict pentru transformarea lichidului saturat in vapori saturati, dar si din motive de sigurantǎ in functionare, evitandu-se in acest fel vaporizarea bruscǎ a apei introdusǎ in tambur, care ar supune peretii tamburului la eforturi mecanice mari, putand produce fisurarea acestora.

Lichidul saturat din economizor pǎtrunde in tamburul T al cazanului. Pe la partea inferioarǎ a tamburului, lichidul intra in tevile coboratoare ale sistemului vaporizator V, ajunge in colectorul inferior CI si apoi isi urmeaza calea ascendentǎ prin ecranele de tevi urcǎtoare ale vaporizatorului inapoi cǎtre tambur. Pe acest parcurs, tambur -tevi coboratoare-tevi urcatoare - tambur, circuit care caracterizeaza cazanele cu circulatie naturala si cunoscut sub numele de bucla de circulatie naturalǎ, lichidul saturat se transforma in amestec lichid -vapori saturati. Separarea lichidului de abur se face gravitational, in tamburul cazanului, aburul saturat luand drumul cǎtre supraincalzitorul cazanului pe la partea superioarǎ a tamburului, in timp ce lichidul nevaporizat din tambur impreuna cu lichidul venit din economizor in locul aburului produs, reintrǎ in bucla de circulatie prin tevile coboratoare ale sistemului vaporizator legate la partea inferioarǎ a tamburului.

Procesul de vaporizare al apei in vaporizatorul cazanului, este reprezentat in diagrama T -s de izoterma 3 - 4, suprapusǎ cu izobara mǎrginitǎ de aceleasi puncte. Pe parcursul acestui proces, apa parcurge succesiv stǎrile lichid saturat (x=0, punctul3), vapori umezi (palierul orizontal 3 -4), vapori saturati uscati (x = 1, punctul 4). Vaporizarea este un proces obligatoriu pentru toate generatoarele de abur, care se desfǎsoarǎ, asa cum se stie, in conditii izoterme (T3 = T4) si izobare, la presiunea de functionare a cazanului (p3 =p4). Aria de sub curba transformǎrii 3-4, in diagrama T-s, reprezintǎ cǎldura de vaporizare introdusǎ in apa de cazan in scopul vaporizǎrii acesteia.

Din vaporizatorul V al cazanului, aburul saturat avand starea 4, vapori saturati uscati, intrǎ in supraincalzitorul de abur, SI. Aici, primind in continuare cǎldurǎ de la gazele de ardere, aburul saturat se incǎlzeste, transformarea 4 -5, mǎrindu-si temperatura de la T4 la T5, in conditii izobare. Procesul de supraincalzire al aburului este necesar pentru cazanele energetice in scopul cresterii entalpiei aburului, entalpie ce va fi folositǎ pe parcursul procesului de destindere care urmeazǎ sǎ aibǎ loc in turbina de abur TA a instalatiei. Pentru ciclul ideal, care se realizeazǎ fǎrǎ frecǎri, punctele de stare 2, 3, 4 si 5 se aflǎ pe aceeasi izobarǎ, izobara de functionare a cazanului.

Punctul 5 reprezintǎ starea aburului la iesirea din cazan (vapori supraincalziti) si intrarea in turbina de abur TA. Turbina este masina termicǎ in care aburul supraincalzit se destinde producand energie mecanica la arbore, transmisǎ generatorului electric GE in scopul

transformǎrii acesteia in energie electricǎ. Aceastǎ destindere, consideratǎ adiabaticǎ (la entropie constantǎ) in ciclul ideal, este reprezentatǎ in diagramǎ de verticala 5 - 6.

Procesul 5-6 se desfǎsoarǎ intre presiunile p5 si p6 (presiunea din condensator), respectandu-se conditia ca la sfarsitul destinderii, titlul aburului x6 sa fie mai mare de 0,9, din conditii de fiabilitate a turbinei. Pe parcursul acestei transformǎri, la arborele turbinei se culege lucrul mecanic specific lt = i5- i6.

Aburul cu starea 6 de la iesirea din turbina de abur intrǎ in condensatorul C al instalatiei. Condensatorul reprezintǎ principala sursǎ rece a instalatiei, care asigurǎ extragerea din abur a cǎldurii de vaporizare pentru a fi posibilǎ transformarea acestuia in lichid saturat ce urmeaza a fi preluat de pompa de circulatie si reintrodus in cazan. Procesul de condensare este reprezentat in diagramǎ de orizontala 6-1, o izotermǎ suprapusǎ cu o izobarǎ, iar aria de sub aceasta reprezintǎ cǎldura de condensare extrasǎ in condensator din aburul provenit de la turbinǎ in scopul transformǎrii acestuia in lichid saturat. Agentul termic care preia cǎldura de condensare din aburul intrat in condensator este apa de rǎcire a condensatorului, care la randul ei cedeazǎ cǎldura de condensare preluatǎ aerului inconjurǎtor, intr-un alt utilaj termic al instalatiei de cazan, turnul de rǎcire, TR. Circulatia apei de rǎcire a condensatorului prin turnul de rǎcire este asiguratǎ de pompa de circulatie PC. Pompa de circulatie trimite apa de rǎcire in turn, unde aceasta este dispersatǎ in picǎturi fine sau sub formǎ de peliculǎ. Apa, sub efect gravitational, cade la interiorul turnului circuland in contracurent cu aerul introdus in turn pe la partea inferioarǎ a acestuia si cedeazǎ aerului prin schimb combinat de cǎldurǎ si masǎ cǎldura de condensare preluatǎ din condensator.



Politica de confidentialitate | Termeni si conditii de utilizare



DISTRIBUIE DOCUMENTUL

Comentarii


Vizualizari: 1542
Importanta: rank

Comenteaza documentul:

Te rugam sa te autentifici sau sa iti faci cont pentru a putea comenta

Creaza cont nou

Termeni si conditii de utilizare | Contact
© SCRIGROUP 2025 . All rights reserved