| CATEGORII DOCUMENTE |
| Aeronautica | Comunicatii | Electronica electricitate | Merceologie | Tehnica mecanica |

MANUAL TEHNIC

AX
GENERATOR DE ABUR
CARACTERISTICI TEHNICE. 2
DATE GENERALE. 2
CHARACTERISTICI 2
DATE TEHNICE.. 3
ACCESORII. 4
PRESIUNEA 4
Masurarea presiunii 4
Functionarea presostatului 5
Presostat de siguranta 5
Supapa de siguranta 6
NIVELUL 6
Indicatorul de nivel 6
Controlul automat al nivelului 7
ALIMENTAREA CU APA. 7
Injectorul 8
INSTALAREA.. 9
POZITIONAREA. 9
CONEXIUNILE HIDRAULICE.. 9
CONEXIUNILE ELECTRICE. 10
COSUL DE FUM.. 11
ARZATORUL. 11
Cuplarea arzatorului cu cazanul 11
FUNCTIONAREA.. 12
PRIMA PORNIRE 12
CONDITII NORMALE DE FUNCTIONARE 12
INTRETINEREA 13
INTRETINEREA CURENTA 13
INTRETINEREA PERIODICA 13
Timer (oprirea generatorului) 13
PROGRAM DE FUNCTIONARE 15
ConservaTrea pe perioadele de Inactivitate 15
Conservarea uscata 15
Conservarea umeda 15
CARACTERISTICILE APEI.. 16
ALIMENTAREA CU APA-VALORI LIMITA.. 16
APA CAZANULUI-VALORI LIMITA. 17
FRECVENTA ANALIZELOR 17
DEFECTE POSIBILE.. 18
Generatoarele de abur AX sunt de tipul cu tuburi de fum orizontale,complet automatizate.Cazanele pot functiona cu arzatoare presurizate alimentate cu gaze,motorina sau pacura.
Generatoarele noastre sunt sigure,robuste,au o eficienta inalta si o buna calitate a aburului.
Va recomandam sa cititi cu atentie instructiunile de mai jos.
Acest generator produce abur de inalta presiune (12-15 kgf/cmp) are o camera de combustie cu inversiune de flacara.In Italia se folosesc generatoare de abur de pana la 3000 kg/h.
Presostat de lucru (controlul treptei 1 si 2 a arzatorului).
Presostatul de siguranta (opreste arzatorul la atingerea presuinii maxime;cazanul este resetat manual de la panoul de control).
Regulatorul de nivel (Doua sonde sunt conectate la un releu electronic care mentine nivelul apei intre nivelele reglate).
Nivostat (doua sonde sunt conectate la doua relee electronice independente care vor opri arzatorul daca nivelul apei coboara sub nivelul minim;resetarea se face manual de la panoul de control).

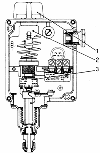
Fig. 1
LEGENDA
SwitchboardPanou electric
Regulator de presiune
Presostat de siguranta
Manometru
Sonda nivel 1 de siguranta
Sonda regulatorului de nivel
Sonda nivel 2 de siguranta
Indicator de nivel
Indicator de nivel de descarcare
Placa frontala
Robinet de testare a nivelului
Vizor flacara
Placa arzator
Vana abur tur
Vana anti retur
Robineti de siguranta
Filtru de alimentare
Spate cutie de fum
Conexiune cos
Robinet de golire
Injector
Pompa de alimentare
N1 Priza de abur
N2 Alimentare
N3 Iesirea vanei de siguranta
N4 Iesire cazan
N5 Flansa vanei de siguranta
|
Model |
Putere utila |
Cant abury |
Presiune |
Dimensiune mm |
Fitinguri DN/in |
Masa |
|||||||||||||||
|
kcal/h |
kW |
kg/h |
mbar |
A |
A1 |
B |
C |
D |
H |
H1 |
H2 |
H3 |
L |
Æc |
N1 |
N2 |
N3 |
N4 |
N5 |
kg |
|
|
AX 200 (4) |
|
|
|
|
|
|
|
|
|
|
|
|
|
|
|
|
1"¼ |
|
|
|
|
|
AX 300 (4) |
|
|
|
|
|
|
|
|
|
|
|
|
|
|
|
|
1"¼ |
|
|
|
|
|
AX 400 (4) |
|
|
|
|
|
|
|
|
|
|
|
|
|
|
|
|
1"¼ |
|
|
|
|
|
AX 500 (4) |
|
|
|
|
|
|
|
|
|
|
|
|
|
|
|
|
1"¼ |
|
|
|
|
|
AX 600 (4) |
|
|
|
|
|
|
|
|
|
|
|
|
|
|
|
|
1"¼ |
|
|
|
|
|
AX 800 (4) |
|
|
|
|
|
|
|
|
|
|
|
|
|
|
|
|
1"¼ |
|
|
|
|
|
AX 1000 (4) |
|
|
|
|
|
|
|
|
|
|
|
|
|
|
|
|
1"¼ |
|
|
|
|
|
AX 1200 (4) |
|
|
|
|
|
|
|
|
|
|
|
|
|
|
|
|
1"¼ |
|
|
|
|
|
AX 1500 (4) |
|
|
|
|
|
|
|
|
|
|
|
|
|
|
|
|
1"¼ |
|
|
|
|
|
AX 1750 (4) |
|
|
|
|
|
|
|
|
|
|
|
|
|
|
|
|
1"¼ |
|
|
|
|
|
AX 2000 |
|
|
|
|
|
|
|
|
|
|
|
|
|
|
|
|
1"¼ |
|
|
|
|
|
AX 2500 |
|
|
|
|
|
|
|
|
|
|
|
|
|
|
|
|
|
|
|
|
|
|
AX 3000 |
|
|
|
|
|
|
|
|
|
|
|
|
|
|
|
|
|
|
|
|
|
80C apa alimentare
Date care se refera la 12 bar
Generatoarele de abur AX sunt dotate cu o serie de accesorii cum ar fi:
dispozitive de siguranta(supape de siguranta,limitatoare de nivel,presostate)
dispozitive de observatie(indicatoare de nivel,indicatoare de presiune,lentile de observare a flacarii)
dispozitive de control(nivostate si presostate )
dispozitive de alimentare cu apa(pompe centrifuge,injector)
dispozitive de operare manuala (robineti,robineti de purjare)
In descrierea urmatoare, accesoriile sunt clasificate in functie de parametrii pe care ii controleaza (presiune,nivel)
Manometrul este de tip Bourdon cu o teava metalica care are la capatul inchis un arc de sectiune eliptica.Un capat este deschis si conectat spre interiorul generatorului,sau al partii a carei presiune se masoara,celalalt capat este liber sa se miste printr-un system de angrenaje,rezultand o indicatie a acului pe cadran.
Punctul rosu de pe cadran indica presiunea limita.
Manometrul este montat printr-un robinet cu trei cai pentru:
Comunicarea generator/manometru (pozitie normala)
Comunicarea dintre manometru si exteriorul cazanului (pozitie necesara purjarii)
Comunicarea dintre cazan,manometru si un manometru etalon (pozitie necesara pentru verificarea manometrului de lucru)
Fig. 2
Acest aparat controleaza presiunea in interiorul generatorului si o mentine intre limitele minima si maxima.
Instructiuni de calibrare
Intrerupatorul electric are trei borne (2-1-3 de la dreapta spre stanga)
La atingerea presiunii reglate,contactul 2-1 se comuta in 2-3.
Calibrarea presostatului(Fig. 3):
a) Rotiti manerul (1) pana cand indicatorul (2) arata valoarea presiunii la care se aprinde arzatorul
b) Scoateti capacul presostatului si reglati cilindrul (3) la valoarea diferentiala dorita (arzatorul oprit),vezi Fig. 4.
Examplu:
* Tipul presostatului: RT 5
* Indicatie cadran 9 bar
* Indicatie cilindru 4 corespunde la 2,1 bar
* Arzatorul porneste la 9 bar
* Arzatorul se opreste la 11,1 bar


Fig. 3 Fig. 4
Presostatul de lucru este calibrat la o presiune mai mare decat presiunea maxima de lucru; dar la o presiune mai mica decat a presostatului de siguranta.
Presostatul de siguranta functioneaza in eventualitatea ca a aparut un defect al presostatului de luctu:astfel arzatorul va fi oprit si blocat.Repornirea arzatorului se va putea face doar dupa eliminarea defectului,impreuna cu o repornire manuala de la panoul de control.
Pentru a regla acest presostat urmati instructiunile de la presostatul de lucru (regulator) dar asigurati-va ca cilindrul indicator este la indicatia 1,adica diferentialul este inactive.

Aceasta supapa descarca aburul atunci cand a fost atinsa presiunea maxima.
Supapele pot fi de tipul nivel si greutate (Fig. 5) sau arc (Fig. 6).
Supapa descarca aburul atunci cand presiunea maxima reglata a fost atinsa.Aceasta este protectia cea mai sigura a generatorului de abur si cea mai buna asigurare ca presiunea din generator nu atinge limita de siguranta.
Deoarece aceasta supapa functioneaza foarte rar,este recomandat sa se verifice periodic sa nu fie astupata;actionati-o pana vedeti ca functioneaza si elimina abur.
ATENTIE
La prima pornire asigurati-va ca
supapa de siguranta este calibrata la
nivelul correct.In general,arcul supapei este calibrat pentru greutate/nivel si
mai trebuie facuta doar o ajustare a greutatii pentru a corespunde necesitatii.
Supapa de siguranta instalata pe generatorul de abur trebuie sa descarce aburul in exteriorul camerei cazanului.Trebuie acordata o atentie deosebita la instalarea tevilor de descarcare;iata cateva exemple.
Este recomandata folosirea tevilor de descarcare a burului de diametre apropiate de a flansei de iesire a supapei de siguranta.
Orice curba sau cot al tevilor de evacuare trebuie sa fie la unghiuri mari.
Toate tevile de descarcare trebuie astfel instalate incat sa se evite formarea condensului;iar in cazul in care acesta se formeaza,sa permita completa golire a condensului.
Trebuie acordata o atentie deosebita sablarii scaunului supapei,operatia se va face pentru a elimina scurgerile;se vor folosi abrazivi pe baza de carburi si uleiuri.Este recomandat ca mai intai sa folositi abrazivi cu granulatie fina si apoi foarte fina.
Indicatorul de nivel este echipat cu o pereche de robineti conectati la o sticla de nivel cu prisma de sticla.Acest aparat este conectat la generatorul de abur deasupra si sub nivelul normal de apa; la punctual cel mai jos exista un robinet de purjare.Aceste robinete sunt necesare pentru a verifica eficient nivelul indicatoarelor,dupa cum urmeaza::
Deschideti robinetul de purjare pentru cateva secunde si apoi inchideti-l din nou.Daca apa dispare si dupa aceea revine repede la nivelul anterior cu oscilatii mari;indicatorul poate fi considerat I regula.Daca,pe de alta parte,apa revine incet sau se opreste la un nivel diferit,aceasta inseamna o obstructionare a comunicatiei cu cazanul;pentru a detecta care dintre cele doua cai este infundata,si pentru a o desfunda:inchidem robinerul superior lasand robinetul inferior deschis,deschidem apoi robinetul de purja.Apa va iesi ducand cu ea eventualele impuritati.Inchideti robinetul de apa si deschideti robinetul superior mentinand deschis robinetul de purja;aburul va iesi pe robinetul de purja curatand si calea superioara a sticlei de nivel.Se inchide robinetul de purja deschizand robinetul inferior al sticlei de nivel;apa va reveni la nivelul ei anterior.Daca acest lucru nu se va intampla,inseamna ca trebuie curatite conductele de legatura ale indicatorului de nivel cu generatorul.Aceasta se va efectua in cadrul reviziei cazanului.Revizia cazanului se va face dupa oprirea acestuia,respectand toate masurile de protectie a muncii si a modului de operare al instalatiei tehnologice in care este cuprins cazanul.
Masurarea nivelului si principiul de control sunt bazate pe conductivitatea electrica a apei.Sistemul de masurare este alcatuit dintr-un releu electronic si mai multe sonde situate la nivele diferite ale corpului cazanului.
Conditii de lucru:
Pompa porneste si se opreste automat: Cazanul contine doua sonde :sonda lunga porneste pompa in timp ce sonda scurta il opreste.Ele sunt conectate amandoua la un releu regulator de pe panoul de control.
Arzatorul se opreste atunci cand nivelul este coborat: Cazanul contine doua sonde de aceeasi lungime dar conectate la doua relee regulatoare diferite de pe panoul electric;arzatorul va fi oprit permanent daca nivelul apei coboara sub nivelul admis.
Sondele cazanului:
Pompa oprita
Pompa pornita
Prima treapta a arzatorului blocata si alarma pornita
A doua treapta a arzatorului blocata si alarma pornita
NOTA.:Este recomandabil sa fie instalata o alarma in camera cazanului in parallel cu o sonerie sau o lampa de avertizare in camera cea mai circulata.
Fig. 7
Alimentarea cu apa se face cu o pompa centrifuga intr-o treapta.Inaltimea apei in tancul de alimentare variaza cu temperatura,asa cum este indicat in tablel:
|
Temperatura apei de alimentare (Celsius) |
Inaltimea de intrare (metri) |
|
|
|
|
|
|
|
|
|
|
|
|
ATENTIE:
Temperatura apei nu trebuie sa fie sub 60 Celsius,deoarece aceasta contine o mare cantitate de oxygen si produce coroziunea.
Pentru a evita aparitia fenomenului de cavitatie,temperatura apei in bazinul de colectare a condensatului nu trebuie sa depaseasca niciodata 90 Celsius.
Injectorul functioneaza cu abur din cazan,transformand energia cinetica (provenita din curgere),in presiune,care este capabila sa alimenteze direct cazanul cu apa.
Fig. 8 ilustreaza cele doua conuri convergente, (C1) si (C2), prin care aburul trece marindu-si viteza progresiv, ajustata de varful (VC) care este reglat cu ajutorul lui(M) si al camei (E). Din cauza curgerii rapide aburul creaza vacuum in camera dintre conurile (C1) si (C2).Acest vacuum absoarbe apa din tancul de alimentare care se amesteca cu aburul,care apoi condenseaza,dupa care amestecul apa-abur trece prin conul divergent(C3),unde se pierde viteza dar ramane presiunea

Fig. 8
Sistemul poate functiona pana la o presiune maxima de15 kgf/cm2 la o temperatura maxima a apei de alimentare de 40C.
Este interzisa absorbtia apei din rezervorul de condensat deoarece aici apa are o temperatura foarte ridicata.
Pentru a conecta injectorul este recomandat sa ne asiguram ca toate partile si tevile de apa si abur,precum si vanele,sunt similare(ca grosime la perete) cu fitingurile injectorului.
Procedurile de punere in functiune sunt urmatoarele:
Avand vana de abur deschisa,actionaqti incet levierul,miscandu-l pana cand apa apare.
Continuati operatiunea pana cand levierul face o rotatie completa de 90 grade si injectorul incepe sa functioneze.Corecta functionare este insotita de un sunet specific.
Pentru oprire,reveniti cu levierul in pozitia initiala si apoi opriti vana de abur.
Generatoarele de abur sunt construite monobloc,ceea ce nu necesita construirea unei fundatii speciale;o sapa neteda si uniforma,de aproximativ 5-10 cm,este suficienta.
Dupa instalare,generatorul de abur trebuie conectat la sistem dupa cum urmeaza (Fig. 9):
Apa
Din rezervorul de colectare a condensatului (10)(daqca exista,daca nu,din rezervorul de colectare a apei tratate)se alimenteaza aspiratia pompei;de la rezervorul de apa tratata sau direct din sursa principala de alimentare la aspiratia pompei (9)
Aburul
De la vana principala (3) la utilizatori;de la supapa de siguranta (6) spre exteriorul instalatiei spre un loc unde nu creeaza pericol.
Descarcarea
De la indicatorul de nivel de descarcare (16) si golirea cazanului (17) spre golirea sistemului.
Combustibilui Arzatorul va avea conexiuni pentru gaze sau metan

Fig. 9 - Schema instalatiei
LEGENDA
Generator
Priza de abur
Arzator
Presostat
Supapa de siguranta
Retur condensat
Alimentarea motorului pompei
Pompa de alimentare
Rezervor colectare condensat
Nivelul apa
Tratarea apei
Alimentarea cu apa
Aerisire
Golirea rezervorului de condensat
Indicator de nivel de descarcare
Golirea cazanului
Descarcarea supapei de siguranta
Utilizatorul(exemplu)
Rezervorul de alimentare cu apa al injectorului
Alimentarea injectorului
CONEXIUNI ELECTRICEGeneratorul de abur este alimentat prin panoul electric (IP 54 grad de protectie)in totalitate echipat ca accesoriu al cazanului.
Inainte de conectarea panoului electric este recomandat sa se verifice eficienta prizei de pamant.
Schema cuprinde cablele de putere (U0,V0,W0,N,TERRA) si sondele presostatului I (terminalele 12,13) si eventual II (terminalele 15,16) cvare trebuie sa ajunga la arzator.
Schema electrica (SE 063/A)
ATENTIE:Schema electrica deschisa este pur informative si face referire la schema din panoul electric de alimentare.
LEGENDA
B1 Presostat de siguranta
B2 Presostat de limita
B3 Presostat treapta a doua(daca exista)
B4 Presostat de modulare(daca
exista)
F1 Sigurante arzator
F2 Sigurante pompa de aqlimentare
F3 Sigurante auxiliare 230 V
F4 Sigurante auxiliare24 V
F5 Releu termic al pompei de
alimentare a cazanului
F6 Condensator
H1 Sirena
H2 Lampa system pornit (alba)
H3 Lampa arzator (alba)
H4 Lampa de avertizare maxima
presiune (rosu)
H5 Lampa de avertizare releu termic
pompa de alimentare (Galben).
H6 Lampa de avertizare pompa de
alimentare cazan (alba)
H7 Lampa 1 de avertizare nivelminim
de siguranta(rosu)
H8 Lampa 2 avewrtizare nivel minim de
siguranta (rosu)
K1 Releu arzator
K2 Releul pompei nde alimentare a
cazanului
K3 Releu de siguranta presiune
K4 Releu de siguranta nivel 1 cazan
K5 Releu de siguranta nivel 2 cazan
K6 Releu de timp 6 h
Q1 Intrerupator general
Q2 Intrerupator arzator
Q3 Intrerupator automat?manual
S1 Buton de reset semnalizare
presiune de siguranta (albastru)
S2 Buton de reset semnalizare nivel
1 de siguranta (albastru)
S3 Buton de reset semnalizare nivel
de siguranta 2(albastru)
T Transformator 0-230-400 12-0-12 V
U1 Regulator electronic de nivel24 V
U2 Nivel electronic de siguranta 1,
24 V
U3 Nivel electronic de siguranta 2,
24 V
Conectarea conductelor de fum de la cazan spre cos trebuie sa fie executata in sensul curgerii in sus a acestuia si este recomandat sa nu aiba un grad de inclinare mai mic de 10%.Drumul fumului trebuie sa fie cat mai scurt si mai drept posibil, cu fitinguri si curbe amplasate rational in concordanta cu sensul curgerii.
Pentru lungimi de pana la 2 metri,se foloseste tabelul urmator pentru alegerea diametrului de racordare.Pentru trasee mai lungi,diametrele vor fi considerabil marite (se calculeaza)
Pentru a avea un tiraj correct se vor face verificari si observatii continue.Se va acorda o atentie deosebita diametrelor si trecerilor interioare,izolatiei,scaparilor de fum,gurilor de acces pentru curatare si punctelor in care se va face masurarea pentru analiza gazelor de ardere.
Va propunem sa instalati un arzator in doua trepte sau unul modulant,pentru a avea o functionare cat mai buna;aceasta preintampina aparitia de variatii mari de presiune legate de cerintele variabile de abur.
In cazul arzatoarelor de gaz metan,la fiecare repornire a arzatorului,camera de ardere este indelung preventilata;ceea ce duce la o pierdere semnificativa de caldura la cos.
Asigurati-va ca spatial dintre arzator
si
Tabelul ilustreaza dimensiunile capului de ardere la acest tip de generatoare de abur.

|
Tip cazan |
L - Lungimea capului arzatorului (mm) |
D - Gaura pentru trebuie (mm) |
|
|
AX |
|
I 330 |
|
|
AX |
I |
I 360 |
|
|
AX |
I |
I 400 |
|
|
AX |
I |
I 420 |
|
|
AX |
|
I 420 |
|
|
AX |
I |
I 470 |
|
|
AX |
|
I 530 |
|
|
AX |
I |
I 530 |
|
Verificati ca toate fitingurile sunt bine stranse
Asigurati-va ca teava de alimentare cu apa este curata ,goliti-o repetat inainte de punerea in functiune si prima umplere
Inchideti urmatoarele:robinetul de golire, vana de descarcare abur
Deschideti urmatoarele: robinetul de control nivel si robinetul de alimentare cu apa.
Asigurati-va ca gura de vizitare superioara
Porniti cazanul dupa cum urmeaza:
Alimentati electric panoul de control
Asigurati-va ca rotorul pompei este liber sa se roteasca;asigurati-va ca rotirea pompei se face in sensul correct.
Reglati comutatorul pompei pe pozitia AUT si in timp ce pompa functioneaza ,,asigurati-va ca circuitul este deschis spre arzator(nivel scazut-lipsa sonde arzator)
Asigurati-va ca pompa se opreste atunci cand a fost atins nivelul maxim,observati indicatoarele de nivel si verificati-le pozitiile indicatiilor.
Efectuati setarile din butoane si verificati daca exista continuitate de circuit la bornele arzatorului 12-13 (nivel maxim-sonda arzatorului)
Mentine butonul de reset nivel de siguranta pentru 10 secunde deoarece este legat la un releu electronic cu temporizare.
Deschideti robinetul de golire al cazanului si verificati pe indicatorul de nivel punctual in care intyervine sonda pompei si o pune in functiune.
Aduceti selectorul pompei la "0",lasand golirea deschisa,si ve3rificati la bornele 12-13 daca sondele de nivel de siguranta functioneaza,fata de nivelul minim de referinta comunicat de constructor.
Inchideti robinetul de descarcare si reglati comutatorul pompei pe pozitia AUT
Alimentati electric arzatorul si cresteti presiunea in cazan;calibrati aparatele la presiunea de lucru
ATENTIE:La generatoarele dotate cu o gura de vizitare,la prima pornire, este fundamental ca bolturile sa fie progresiv stranse pe masura ce presiunea creste.Daca nu se face acest lucru,se pot crea situatii periculoase datorita scurgerilor de abur care vor deteriora rapid mantaua generatorului punand in pericol personalul care lucreaza la centrala termica.
La pornirea de la rece asigurati-va ca:
Cazanul este plin cu apa pana la nivelul minim
Cresterile de volum datorate cresterii de temperatura nu sunt atat de mari incat sa fie necesara o descarcare regulata pentru a mentine nivelul.
O data ce presiunea setata a fost atinsa;vana de admisie a aburului trebuie deschisa treptat pentru a incalzi tevile de trecere si pentru a elimina orice urma de condens.
Nu apar scurgeri pe la gura de vizitare.
Purjati periodic:indicatoarele de nivel,tecile sondelor,(daqca exista) si cazanul pentru a evita depunerile de namol.
Verificati eficienta reglarii si functionarii instrumentelor de control prin verificarea cu atentie a partilor electrice (si a conexiunilor) si mecanice (presostate);este de asemenea recomandat ca partile ceramice ale sondelor sa fie inlocuite annual.
Efectuati intretinerea arzatorului (vezi instructiunile specifice)
Verificati strangerea bolturilor flanselor si starea garniturilor
Verificati imbracamintea interioara a usilor
Curatati tevile si tubulatura.
Asigurati unservice correct al pompei(lagare,parti mecanice)
Verificati robinetul de golire;daca a fost afectat in functionare de actiunea abraziva a namolului.
Panoul electric al generatorului de abur este dotat cu un ceas programator care opreste arzatorul dupa fiecare 6 ore de functionare in conformitate cu Directivele Europene PED 97/23/CEE cu privire la echipamentele sub presiune.
Din timp in timp (dupa fiecare 6 ore de functionare) uzina termica trebuie inspectata de personal calificat pentru a se verifica eficienta sistemelor de siguranta:
Supape de siguranta
Nivostate
Sistemul poate fi pornit daca nu s-au sesizat defectiuni:lasati panoul electric deconectat aproximativ 20 secunde ,actionati intrerupatorul general si apasati pe butonul de re4set.Ceasul programator va actiona peste alte 6 ore.
Pentru mai multe detalii vezi schema de mai jos:

Toate generatoarele de abur trebuie oprite periodic pentru verificari amanuntite si intretinere:perioadele de inactivitate trebuie decise in functie de conditiile locale cum ar fi:conditiile de functionare a procesului tehnologic,calitatea apei de alimentare si tipul de combustibil folosit.
Inainte de a intra in corpul cazanului pentru a il curati,trebuie sa va asigurati ca nu a mai ramas apa sau abur in interiorul generatorului sau al tevilor.Fiecare robinet trebuie blocat,si daca este necesar chiar blindat cu flanse.
Toate partile sub presiune trebuie examinate cu atentie pentru a detecta orice urma de depuneri de calcar, coroziune si alte potentiale surse de pericol care apar datorita apei de alimentare.
Toate depunerile trebuie indepartate prin metoade chimice sau mecanice.Cu instrumente speciale se va verifica grosimea inveliusului;ea trebuie sa fie mai mare sau egala decat cea din desenele constructive.. Orice unflatura (aspect de basici) sau alt tip de coroziune trebuie frecata si curatata cu o perie metalica pana se obtine metalul curat din nou.Orice scapare in sistemul tevilor de fum si al tubulaturii,trebuie inspectata cu atentie;orice sudura trebuie facuta respectand normativele si avand intotdeauna in minte regula ca generatorul de abur este un echipament sub presiune care poate prezenta pericol de explozie.
In timpul inspectarii,verificati toate accesoriile si mai presus de toate supapele de siguranta,sondele de nivel si presostatele.
Coroziunea reprezinta problema cea mai importanta care apare in perioadele de inactivitate.Masurile care se iau depind in principal,de durata de conservare.
O conservare uscata este recomandata pentru perioadele lungi de inactivitate;in timp ce o conservare umeda este ideala pentru opririle scurte sau trebuie pornit imediat.
In ambele cazuri masurile care se iau ajuta la eliminarea coroziunii.
Generatorul trebuie golit si uscat cu atentie;apoi se introduce in corpul cazanului o substanta higroscopica(silicagel ,etc)
Cazanul trebuie umplut in intregime deoarece coroziunea este cauzata de prezenta simultana a apei si oxigenului.Astfel oxigenul trebuie eliminat din apa si apoi trebuie eliminata orice posibilitate de infiltrare ulterioara a aerului.Anumite substante,cum ar fi hidrazina sau sulfatul de sodium ,absorb oxigenul.Totusi dupa folosire,trebuie verificata alcalinitatea apei.
Pentru generatoarele de abur cu suprafata de transfer de caldura mai mare de 15 mp, exista cateva reglementari care impun anumite caracteristici si valori limita ale apei. Aceste valori sunt regasite in tabelul de mai jos.
Oricum,limitele vor fi adoptate pentru toate generatoarele de abur ca baza pentru tratamentul apei si analiza apei.Multe greseli si alte accidente serioase sunt cauzate de folosirea apei cu parametric necorespunzatori.
Tab.1
|
Caracteristici |
U.M. |
Presiune 15 bar |
Presiune 25 bar |
|
pH |
|
I |
I |
|
Duritate |
mg/l CaCo3 |
|
|
|
Oxigen (1) |
mg/l O2 |
|
|
|
Dioxid de carbon liber (1) |
mg/I CO2 |
|
|
|
Fier |
mg/l Fe |
|
|
|
Cupru |
mg/l Cu |
|
|
|
Substante uleioase |
mg/I |
|
|
|
Aspect |
Curata,transparenta,fara spuma persistenta |
||
Fara acesta,temperatura in rezervorul de apa trebuie marita la 80 Celsius (vezi capitolul 2.3-Alimentarea) pentru a reduce continutul gazelor dizolvate(O2 si CO2). Dexoxigenatorii chimici trebuie utilizati pentru eliminare a oxigenului din apa de alimentare si pentru reducerea cat mai mult posibil a efectului coroziv CO2 .
Tab.2
|
Caracteristici |
U.M. |
Presiune 15 bar |
Presiune 25 bar |
|
pH |
|
I |
I |
|
Alcalinitate totala |
mg/l CaCo3 |
|
|
|
Duritate |
mg/l CaCo3 |
|
|
|
Conductivitate (4) |
mS/cm |
|
|
|
Dioxid de siliciu |
mg/l SiO2 |
|
|
|
STD (4) |
mg/l |
|
|
|
Conditionator apa (2) |
|
|
|
|
Aspect |
Claritate,limpezime,spuma care nu persista |
||
(1)Pentru a mentine alcalinitatea,valorile siliciului in generator in cadrul limitelor,este necesara purjarea continua a generatorului.Apa de alimentare si valorile concentratiilor la generator sunt in urmatoarea relatie
where
|
S% |
|
Procentul de purjare comparat cu apa de alimentare la generator |
|
Ca |
|
Concentratia de moment a unei sari sau ion din alimentarea cu apa |
|
Cc |
|
Concentratia maxima atinsa pentru aceeasi sare in interiorul generatorului |
Pentru o functionare corecta,dozajul si limitele se refera la natura si tipul aditivului.
Proba filtrata
Cei doi parametric au aceleasi caracteristici fizice dar valorile pot fi comparate doar daca este cunoscuta compozitia chimica a apei.
Intervalul la care trebuie efectuate analizele depinde de modul in care este utilizat generatorul si de calitatea apei de alimentare,oricum,este recomandat ca valorile PH,duritate totala si alcalinitatea apei de alimentare/functionare sa fie verificate lqa fiecare doua zile.La schimbarea conditiilor de lucru,este folositor sa se efectueze lunar,o analiza completa a probelor de apa de alimentare/lucru.
Condensul retuirnat va fi verificat visual pentru a se detecta subtantele uleioase sau poluante (evaporare redusa in cazan datorita unei pelicule de ulei ).
|
DEFECT |
PROBABLE CAUSE |
SUGGESTED REMEDY |
|
Deschiderea supapelor de siguranta |
Presiunea maxima reglata la supapa care trebuie sa fie egala cu presiunea de lucru,a fost depasita |
Ajustati supapa de siguranta la o valoare mai mare a presiunii la care sa actioneze |
|
Supapa de siguranta nu este correct reglata |
Verificati si reajustati supapa de siguranta cu ajutorul manomertului de referinta |
|
|
Supapele de siguranta au scurgeri |
Murdarie in jurul scaunului supapei |
Curatati scaunul supapei folosind periodic levierul de deschidere manuala |
|
Scaunul supapei are zgarieturi |
Demontati supapa si polizati interiorul cu pasta abraziva extra fina |
|
|
Pompa blocata |
Releul termic al pompei a functionat |
Verificati alimentarea motorului |
|
Verificati reglajul releului |
||
|
Rotorul pompei este blocat |
Reparati pompa |
|
|
Presostatul de siguranta a functionat |
Limita la care functioneaza presostatul de siguranta prea apropiata de cea de functionare |
Modificati valoarea de functionare a presostatului de siguranta |
|
Valoare gresita de reglare a presostatului de siguranta |
Inlocuiti presostatul |
|
|
Serpentina presostatului blocata (astupata) |
Curatiti sau inlocuiti serpentina |
|
|
Interventia limitatoarelor de nivel |
Monitorizarea nivelului apei este intrerupta |
Blocaj cu calcar.Cablu de conectare interrupt. |
|
Defect al releului de nivel de siguranta |
Inlocuiti releul electronic de siguranta cu unul dintre cele doua relee de pe panou.Daca aceasta este problema,inlocuiti definitive releul defect |
|
|
Nu se face alimentarea cu apa |
Vezi "alimentarea cu apa" |
|
|
Insuficienta incarcare cu apa |
Pompa blocata |
Vezi "pompa blocata" |
|
Filtrul de aspiratie al pompei este murdar |
Curatati filtrul |
|
|
Regulatorul de nivel functioneaza anormal |
Inlocuiti temporar releul electronic de siguranta cu unul din cele doua din panou.Daca aceasta este problema,inlocuiti definitive releul defect |
|
|
Sondele regulatorului de nivel in scurt circuit |
Desfaceti sondele pentru a inspecta visual izolatia ceramica |
|
|
Pompa in cavitatie |
Diferenta de inaltime dintre aspiratia pompei si nivelul de la care se poate aspira |
|
|
Curatati filtrul de aspiratie al pompei |
||
|
Sectiune de aspiratie prea mare |
||
|
Sensul invers de rotire al pompei |
Inversati fazele la bornele de alimentare (pompe trifazate) |
|
|
Arzatorul tot timpul pornit |
Incorecta conectare electrica in panou |
Studiati scema electrica |
|
Defect al releului de nivel de siguranta |
Vezi nivelul de siguranta 1 si 2 |
|
|
Presostat de reglare defect |
Verifica presostatul de regloare |
|
|
Verifica conexiunea in panou a presostatului |
||
|
Arzatorul tot timpul oprit |
Probleme cu arzatorul |
Manual Vezi manualul arzatorului |
|
Sigurantele arzatorului intrerupte |
Inlocuiti sigurantele |
|
|
Lipsa comunicare cu presostatul de reglare |
Inlocuiti presostatul de reglaj |
|
|
Lipsa informatii da la releul de siguranta de nivel al arzatorului |
Vezi nivelul de siguranta 1 si 2 |
|
|
Conexiuni electrice incorecte in panou |
Studiati schema electrica |
|
Politica de confidentialitate | Termeni si conditii de utilizare |
Vizualizari: 3193
Importanta: ![]()
Termeni si conditii de utilizare | Contact
© SCRIGROUP 2025 . All rights reserved