TEMA PROIECTULUI
Sa se proiecteze mecanismul de prehesiune (figura 1) compus din
motor electric;
reductor de turatie cu doua trepte de roti
dintate cilindrice cu dinti inclinati;
mecanism surub-piulita;
degete de apucare;
cuplaj elastic cu bolturi.
Date de proiectare: G= 1800 N
ni=nn
ns=750 rot/min
i= 5,3
Fig.1
CUPRINS
pag
Consideratii generale
Cap.I - Calculul de predimensionare a
suruburilor............7
1.1- Calculul fortei de strangere
1.2- Calculul fortri de predimensionare a
suruburilor
1.3- Alegerea din
STAS a suruburilor
1.4- Verificarea surubului
1.5- Dimensionarea piulitei si calculul
numarului de spire la piulita
1.6- Randamentul
surubului
Cap.II- Alegerea motorului electric...............12
2.1- Calculul puterii necesare la motor
2.2- Alegerea motorului electric
Cap.III- Dimensionarea angrenajelor...............14
3.1- Stabilirea rapoartelor de transmitere
3.2- Calculul momentului de torsiune si
a turatiei la arbori
3.3- Dimensionarea primei trepte
3.3.1- Alegerea materialelor si calcului
tensiunii admisibile
3.3.2- Factorul de
corectie a incarcarii
3.3.3- Alegerea numarului de dinti,
coeficientul de latime, unghiul de inclinare al dintelui
3.3.4- Distanta minima dintre
arborii I si II prin limitarea presiunii de contact
3.3.5- Calculul modului normal minim prin
limitarea tensiunii
de incovoiere
3.3.6- Recalcularea unghiului de inclinare a
dintilor
3.3.7- Elementele geometrice ale danturii
3.3.8- Gradul de acoperire
3.3.9 - Randamentul angrenajului
3.3.10- Forte in angenaj
3.3.11- Verificarea angrenajului
3.3.12- Elemente constructive
Cap.IV-Verificarea la
incalzire...............25
4.1- Alegerea materialului de ungere si
a sistemului
4.2- Randamentul total al reductorului
4.3- Dimensionarea carcasei
4.4- Calcului suprafetei carcasei
4.5- Verificarea la incalzire
Cap. V- Calculul arborilor....................30
5.1- Alegerea materialelor
5.2- Predimensionarea arborilor
5.3- Stabilirea schemei de calcul
5.4- Calculul arborelui I
5.4.1- Stabilirea diametrelor
5.4.2- Forma constructiva 5.4.3-
Alegerea penelor
Incarcarea arborelui I
5.5- Calculul arborelui II
5.5.1- Stabilirea diametrelor
5.5.2- Forma constructiva
5.5.3- Alegerea penelor
Incarcarea arborelui II
5.5.5- Verificarea la oboseala in zona
canalului de pana
Cap. VI- Alegerea
rulmentilor..............43
6.1.- Alegerea rulmentului arborelui I
6.1.1- Alegerea tipului si schemei de
montare 6.1.2-
Alegerea seriei rulmentului 6.1.3-
Calculul sarcinii dinamice echivalente
6.1.4- Capacitatea dinamica
necesara 6.1.5-
Dimensionarea capacelor si garniturilor
6.2- Alegerea rulmentului arborelui II
6.2.1- Alegerea tipului si schemei de montare 6.2.2-
Calculul sarcinii dinamice echivalente
6.2.3- Capacitatea dinamica necesara
6.2.4- Dimensionarea capacelor si
garniturilor
Cap. VII- Alegerea cuplajului..................48
Consideratii
generale
Transmisiile
mecanice dintre motor si masina electrica de lucru maresc
sau micsoreaza viteza, respectiv momentul transmis;
modifica traiectoria sau caracterul miscarii; modifica
sensul sau planul de miscare; regleaza si modifica continuu
viteza; sumeaza miscarea si momentele de transmis de la mai
multe motoare sau distribuie miscarea la mai multe masini sau organe
de de lucru; protejeaza organele masinii motoare contra
suprasarcinilor.
Transmisiile mecanice pot fi prin angranare si prin
frecare. Transmisiile prin angrenare(roti dintate) cu raport de
transmitere constant montate in carcase inchise se numesc reductoare cand reduc
turatia ( i > 1) si amplificatoare cand maresc turatia
(i < 1). Cand acestea permit variatie de viteza in trepte se
numesc cutii de viteze.
Reductoarele pot fi cu una, doua sau mai multe trepte de
reducere, constituie fie ca subansamble izolate, fie facand parte din
ansamblul unei masini. In functie de pozitiile relative ale
arborelui motor si condus, reductoarele se construiesc cu roti
dintate cilindrice (cand cele doua axe sunt paralele sau axiale), cu
roti conice, si roti pseudoconice (cand cei doi arbori sunt
concurenti sau incrucisati) sau in combinatii de roti
conice sau angrenaje melcate cu roti cilindrice (la rapoarte de
transmitere mari).
Reductoarele cu roti dintate au o larga
utilizare datorita avantajelor pe care le prezinta:raport de
transmitere constant, posibilitati de realizare a unor transmisii cu
incarcari de la cativa newtoni la incarcari foatre mari,
gabarit redus si randament ridicat, intretinere simpla si
ieftina.
Reductoarele pot fi de uz general sau speciale. Reductoarele
de uz general au un singur lant cinemtic- deci un raport de transmitere
mic- si o carcasa independenta. In categoria reductoarelor de uz
general nu intra reductoarele cu angrenaje conice si melcate ce au
axele in alta pozitie decat orizontala sau verticala
si respectiv unghiul dintre axe diferirit de 90.
Reductoare cu
angrenaje cilindrice
Reductoarele cu angrenaje cilindrice sunt cele mai
raspandite datorita gamei largi de puteri si rapoarte de
transmitere ce se pot realiza cu ajutorul lor cat si a
posibilitatii tipizarii si executiei in uzine
specializate. In practica se intalnesc reductoare pentru puteri pana
la 100000kW, la viteze periferice a rotilor pana la 200m/s.
Reductoarele cu angrenaje cilindrice pot fi construite cu
roti dintate cilindrice cu dinti drepti, inclinati sau
in V, cu dantura exterioara si foarte rar cu dantura
interioara. Felul danturii depinde de viteza periferica a rotii
si de destinatia transmisiei.
Rotile dintate cilindrice cu dinti drepti se recomanda la: viteze
periferice reduse, cand nu apar socuri si zgomot; in cazul in care nu
se admit forte axiale in arbori si lagare; la cutii de viteze cu
roti deplasabile.
Rotile dintate cilindrice cu dinti
inclinati au in V se recomanda la angrenaje silentioase si
la viteze periferice mari. Rotile dintate cu dinti in V se
folosesc de preferinta, la reductoare cu dimensiuni mari pe cand cele
cu dinti drepti si inclinati la reductoarele mici si
mijlocii. In general se prefera rotile dintate cu dinti
drepti, din cauza tehnologiei si a montajului lor mai simplu.
Numarul de trepte al reductoarelor depinde de raportul
de transmitere "i".La reductoare cu o treapta, i = 1,2-6,3(maximum 8); la
reductoare cu doua trepte i = =7,1-56(maximum 60); la reductoare cu trei
trepte i = 40-180(maximum 200).
Reductoarele cu o treapta sunt folosite pentru puteri
pana la 500kW, cand ungarea se face prin barbotare si pana la
950kW, cand ungerea este fortata. Randamentul este 0,98-0,99 in cazul
variantei cu roti cu dinti drepti sau inclinati si
0,97-0,98 la roti dintate cu dinti in V.
Reductoarele cu doua trepte se executa practic in
patru variante. Pentru o prima varianta se folosesc rapoarte de
transmitere i = 7,1-56, cu randament de 0,97-0,98 si este cea mai
raspandita, fiind standardizata. Datorita pozitiei
rotilor, reactiunilor din reazeme sunt diferite dar din motive
constructive si de exploatare, se aleg rulmenti identici pentru cele
doua lagare ale aceluiasi arbore. Pentru reducerea incarcarii
din reazemele arborelui intermediar este avantajos a se utiliza roti
dintate cu dinti inclinati, inclinarea dintilor fiind in
acelasi sens la rotile de pe arborele intermediar.
Intr-o a doua varianta la puteri mari si rapoarte
de transmitere i = 7,1-60 se utilizeaza reductoare cu roti
dintate cu dinti in V.
A treia varianta este pentru rapoarte de transmitere i =
7,1-56, la distante dintre axa cuprinse intre 160si 560mm, cu
randament de 0,97-0,98, se folosesc reductoare cu doua axe geometrice.
Acestea sunt constructii scurte dar de latime marita.
Ambele roti conduse pot ajunge in baia de ulei; arborele condus se
afla in continuarea arborelui motor. Incarcarea pe dinti se
repartizeaza insa neuniform datorita arborelui intermediar, care
rezulta mai lung. O constructie de dimensiuni optime se obtine
prin alegerea corespunzatoare a celor doua rapoarte de transmitere, a
latimii rotilor dintate sau a materialelor celor doua
perechi de roti. Datorita rigiditatii reduse a arborelui
intermediar, cu cresterea distantelor dintre axe si a puterilor
ce se transmit, neuniformitatea sarcinii in flancul dintelui craste, motiv
pentru care aceste reductoare sunt recomandate pentru puteri mici si
mijlocii.
O larga raspandire o au reductoarele cu trei axe
geometrice, cu una din trepte relizata cu roti duble, datorita
repartitiei uniforme a sarcinii pe reazemele arborilor si a
posibilitatii utilizarii la limita a capacitatii
portante a rotilor ambelor trepte.
Reductoarele cilindrice cu trei trepte se utilizeaza la
rapoarte de transmitere i = 40-180 si distanta intre axe pana la
1250mm, cu randament de 0,96-0,97. Aceste reductoare sunt combinatii ale
variantelor constructive de reductoare cu doua trepte.
CAPITOLUL I
Calculul de
predimensionare a suruburilor
1.1 Dimensionarea
surubului
Fig.1.2
Fig. 1.1
Din conditia de functionare a
mecanismului avem:
4F> G (=0,25 coeficient de frecare)
Scriem conditia limita de functionare si vom avea:
4F=kG => F=
=2700 N
k=1,5 (k- coeficient
de siguranta)
1.2. Calculul fortei de predimensionare a suruburilor
Pentru apropierea degetelor in
surub trebuie sa se dezvolte o forta Fa.
Filetul recomandat este un filet fierastrau
stanga-dreapta care va apropia cele 2 bacuri. Forta in lungul
surubului se va calcula cu formula:
Fa=2Fcos450=
=3818,376 N
Alegem materialul surubului din OL50 iar piulita din bronz
fosforos. Nu este necesar ca toata piesa sa fie din bronz ci numai
niste bucse.
Materialul din care este cofectionat
surubul este OL50 si are urmatoarele proprietati: r= 500 N/mm
ca=15
at r/ ca =500/15
=33,333 N/mm2
Diametrul interior se obtine
din conditia limitarii tensiunii de tractiune:


d3
≥
=> d3≥
=>d3≥6,752 mm
Fig.
1.3
1.3. Alegerea din STAS
a suruburilor
Pentru a avea asigurata
conditia de autofranare si precizia de deplasare se alege din STAS
1090/66 pentru surub un pas normal. Aceste dimensiuni sunt redate in
tabelul 1.1.
Toate
dimensiunile sunt in milimetri.
Fig. 1.4
Tabel 1.1
|
DN
(diam.nominal)
|
p
(pas)
|
D2=d2
|
d3
(diam. interior)
|
D1
|
|
|
|
|
|
|
1.4 Verificarea surubului
Verificarea la
autofranare
Unghiul de
inclinare al spirei se calculeaza astfel:

μOL-Bronz=0,1
b = 3
Conditia de autofranare
.
Fig. 1.5
Verificarea la
solicitarea compusa
σe
=26,857 N/mm2
σt
= 20,719 N/mm2
t
= 9,867 N/mm;
Mf =Fa
tg(
=6965,975 Nmm
Wp =
=705,92 mm3
Cum e< at vreificarea la
solocitarea compusa este indeplinita.
1.5 Dimensionarea
piulitei si calculul
numarului de spire la piulita
Piulita este confectionata din bronz si are: Pas
OL-Bronz=7 MPa.
σai Bronz=40 MPa
O singura
spira a piulitei este incarcata cu o presiune:
N/Z=
=16,013 MPa;
(unde H1 este
inaltimea spirei si reptezinta H1=0,75p=3,75 mm)
Cum toate spirele sun incarcate egal vom avea:
N=
≤Pas ; (unde Z reprezinta numarul de spire ale piuleitei)
De aici scoatem numarul de spire Z' ca fiind: Z'≥
=>Z'≥2,28 spire.
Spira piulitei este supusa la incovoiere si la forfecare:
σi
N/mm2
f
N/mm2
σe =
≤σai Bronz =>
≤40
=>Z"≥
=>
Z"≥0,62 spire.
Numarul de spire al piulitei va fi maximul dintre (Z'= 2,28 si
Z"=0,62) care din STAS trebuie sa fie cuprins intre 8-12 spire. Vom alege ZSTAS=8 spire.
1.6 Randamentul surubului
Randamentul surubului se
calculeaza cu formula:

CAPITOLUL II
Alegerea motorului
electric
Pentru alegerea motorului electric trebuie cunoscute conditiile de
exploatare (graficul de lucrari, temperatura si umiditatea mediului
inconjurator, etc.), puterea necesara si turatia arborelui
motorului.
2.1. Calculul puterii necesare a motorului
Deoarece motoarele utilajelor
propuse lucreaza in regim de lunga durata, cu sarcina
constanta, determinarea puterii se face pentru aceasta situatie.
Puterea motorului electric se
determina cu relatia: 
Momentul rezistent pe arborele 2.






;
2.2. Alegerea
motorului electric
Avand in vedere tipul sarcinii
si faptul ca transmisiile mecanice au destinatii din cele mai
diferite, se recomanda sa se aleaga motoare electrice trifazate
cu rotorul in scurtcircuit. Aceasta serie de motoare este simbolizata
prin grupul de litere ASI, urmat de un grup de cifre si o majuscula.
A- motor asincron trifazat;
S- rotor in scurtcircuit;
I- constructie
inchisa(capsulata);
2.2.2. Etapele alegerii motorului electric
Cu turatia "n" data in
tema de proiectare se alege tabelul 2.1.
Se parcurge coloana a doua din
tabelul 2.1.pana are loc relatia P P1;
Se alege tipul motorului
corespunzator puterii P1 si se extrage turatia n1;
Observatii:
-Puterea motorului electric P din
tabel ramane ca o data specifica a motorului electric si nu
intervine in calculele ulterioare.
-Puterea necesara la arborele
motorului electric P1 reprezinta puterea de calcul la
dimensionarea transmisiei. Faptul ca P>P1 reprezinta o
rezerva de putere.
-Turatia se va lua in
calculele ulterioare este turatia de regim a motorului electric n.
Se alege din STAS motorul ASI-100L-28-8:
|
Tipul motorului
|
Puterea nominala
[kW]
|
Turatia nominala
[rot/min]
|
|
ASI-100L-28-8
|
|
|
2.2.3. Dimensiunile de gabarit ale motorului electric
Schita
motorului electric trifazat este reprezentata in figura 2.1, iar
principalele dimensiuni de gabarit, precum si dimensiunile de montaj in
tabelul 2.2.
|
A
|
AA
|
AB
|
AC
|
AD
|
B
|
BA
|
BB
|
C
|
D
|
E
| |
|
|
|
|
|
|
|
|
|
|
|
| |
|
F
|
G
|
GD
|
H
|
HA
|
HC
|
HD
|
K
|
L
|
LC
|
LD
|
KK
|
|
|
|
|
|
|
|
|
|
|
|
|
IPE 13,5
|
| | | | | | | | | | | | | | | | | |

CAPITOLULIII
Dimensionarea angrenajelor
3.1. Stabilirea rapoartelor de transmitere
In STAS 6012-68 (tabel 3.1) se dau
rapoartele de transmitere pentru angrenaje cilindrice,conice si melcate,
folosite in constructia de masini. Valorile din sirul I vor fi
preferate celor din sirul II si acestea valorilor din sirul III.
In functie de marimea
raportului de transmitere se alege numarul de trepte.
La stabilirea raportului de
transmitere se recomanda ca numarul de dinti ai rotii
conduse sa nu fie multiplu intreg al numarului de dinti ai
pinionului pentru a evita oscilatiile intretinute si a asigura
uzura uniforma a danturii.
Descompunerea raportului de
transmitere total pe treptele reductorului se poate executa pornind de la
diferitele conditii cum sunt: rezistenta egala a
flancurilor sau a bazei dintilor, volumul total al rotilor sa
fie minim, realizarea ungerii tuturor treptelor prin scufundare egala in
baia de ulei, etc.
In general, raportul de
transmitere itotal se repartizeaza pe trepte dupa tipul
reductorului. In cazul de fata, reductor cilindric cu doua
trepte, raportul de transmitere pentru prima treapta se recomanda
sa se ia dupa formula:
3.2 Calculul momentului de torsiune si a turatiei la arbori
Momentul
de torsiune la arborele I se calculeaza cu formula de mai jos si are
valoarea de 6522,753 Nmm.

Momentul
de torsiune la arborele II se calculeaza cu formula de mai jos si are
valoarea de 32500,408 Nmm.
Turatia la arborele I are aceiasi valoare ca si turatia nominala
a motorului electric si are valoarea: n0=n1=705rpm.
Turratia la arborele II va fi egala cu raportul dintre turatia
arborelui I si raportul de transmitere al
reductorului si are valoarea:
3.3.
Dimensionarea primei trepte de angrenare
3.3.1. Alegerea materialului
si calculul tensiunii admisibile
Alegerea materialului
Se recomanda pentru angrenaje mediu soliciate si viteze
periferice vI(812)m/s:oteluri
carbon si aliate(OLC 35; OLC 45;
40Cr10; 41MoCr11) imbunatatite la 3035HRC si calite
superficial la 5055HRC. Pentru viteze vI(48)m/s:oteluri
carbon de calitate(OLC 35; OLC 45; OLC 60) si oteluri aliate
(35CrMnSi13; 40Cr10; 41MoCr11) imbunatatite.
Observatii:
-Rotile care angreneaza este bine sa nu fie executate din
acelasi material(la materiale identice tendinta de gripare este
maxima).
-Roata conducatoare functioneaza in conditii mai grele
decat roata condusa deci trebuie executata dintr-un material cu
caracteristici mecanice mai ridicate.
-Pentru reductoarele obisnuite se recomanda utilizarea
otelurilor cu duritati mici si mijlocii HB
(25003500)MPa, astfel micsorandu-se pericolul griparii,
diferensa intre roti fiind de HB (200300)MPa.
Caracteristicile de rezistenta ale otelurilor si
fontelor folosite la constructia rotilor dintate sunt prezentate
in tabelul 3.2.
Tabel
3.2
Materialul
|
Duritatea
flancurilor
HB[MPa]
|
Relatii de calcul
|
Grupa
|
Simbol
|
σ H lim [MPa]
|
σ 0 lim [MPa]
|
Fonte nodu-
lare sau peri-
ferice
|
Fgn 600-2
Fmp 7s00-2
|
|
|
|
Oteluri aliate
de imbunata-
tire
|
40Cr10
41MoCr11
30MoCrNi20
|
|
Laminate
0,15HB+300
Turnate
0,15HB+250
|
Laminate
0,57HB+385
Turnate
0,57HB+300
|
40Cr10
41MoCr11
|
(50-55) HRC
|
20HRC+60
|
|
40Cr10
41MoCr11
|
(50-57) HRC
|
20HRC
|
|
Oteluri car-bon aliate
si de cementare
|
OLC10
OLC15
21MoMnCr12
|
(55-63) HRC
|
24HRC
25,5HRC
|
|
Oteluri car-bon de
imbu-natatire
|
OLC35
OLC45
OLC60
|
|
Laminate
0,15HB+250
Turnate
0,1 HB+250
|
Laminate
0,05HB+320
Turnate
0,05HB+250
|
Avand un angrenaj mediu solicitat vom alege OLC45 cu HB=1850 Mpa si propietatile


Calcului tensiunii admisibile
a)Tensiunea admisibila la
solicitarea de contact:

unde:
sH lim = tensiunea limita de baza
la solicitarea de contact;
SHP
- coeficientul de siguranta minim admisibil pentru solicitarea de
contact.
Pentru
o functionare normala SHP =1,15.
ZN
=1- factorul de durabiliate, in functie de material si de cicli de
functionare;
ZL
=1 -factorul de ungere;
ZR
=0,9 - factorul de rugozitate;
ZV
=1 -factorul de viteza;
ZW
=1 -factorul de duritate al flancurilor;
ZX =1-
factorul de dimensiune.
b) Tensiunea admisibila la
solicitarea de incovoiere se determina cu relatia:

unde:
s0 lim -tensiunea limita la solicitarea
de incovoiere;
SFP
-coeficientul de siguranta minim admisibil pentru solicatarea de
incovoiere. Pentru o functionare normala SFP = 1,25.
YN
- factorul de durabilitate la incovoiere, in functie de material si
durata de functionare;
Yd - factorul de sprijin. Yd
YR
- factorul rugozitatii racordarii dintelui;
YX
- factorul de dimensiune in functie de modulul normal de dinti.
Pentru predimensionare YX = 1.
3.3.2. Factorul de
corectie al incarcarii
a) Pentru solicitarea de contact
KH = KA .
KV . KHa . KHb
unde:
KA
- factorul de utilizare.
Avand in vedere ca in
cazul antrenarii reductorului cu motor electric caracteristica de
functionare a masinii antrenate este cu socuri medii, se va lua
KA = 1,25;
KV
- factorul dinamic.
Pentru calcule preliminarii
alegerea lui se face din tabelul 3.3 in functie de precizia adoptata
pentru prelucrarea rotilor. Pentru reductoare de uz general treapta de
precizie recomandata este 7.
Se
adopta deci KV = 1,5.
Tabel
3.3
Treapta de precizie
|
KV
|
Roti cilindrice
|
Roti conice
|
Angrenajemelcate cilindrice
|
Dinti
Drepti
|
Dinti
Inclinati
|
dinti drepti
|
dinti inclinati
|
|
|
|
HB1(2)<3500
0,98+0,00032n1HB1(2)>3500
0,97+0,00014n1
|
HB1(2)<3500
0,98+0,00011n1HB1(2)>3500
0,96+0,0007n1
|
|
|
|
|
|
|
|
|
|
KHa - factorul repartitiei frontale a sarcinii la solicitarea de contact. La angrenajele precise, in clasele
1..7, se adopta KHa
KHb - factorul repartitiei sarcinii pe latimea danturii la
solicitarea de contact. Cand se cunoaste coeficientul de latime al rotii ψd pentru
angrenaje cilindrice si ψdm pentru angrenaje conice, KHβ se alege din
tabelul 3.4. In cazul nostru ψd = 1,12.
Tabel 3.4
Duritatea flancului
|
Pozitia pinio-
nului fata de
reazeme
|
KHβ
|
Pinion
|
Roata
|
Angr. cilindric
|
Angr. Conic
|
≤3500HB
|
≤3500HB
|
In consola
Simetrica
Nesimetrica
|
0,35ψd+1
0,15ψd+1
0,25ψd+1
|
0,5(0,7ψdm+2)
0,5(0,5ψdm+2)
|
>3500HB
|
>3500HB
|
In consola
Simetrica
Nesimetrica
|
0,7ψd+1
0,3ψd+1
0,5ψd+1
|
0,7ψdm+1
0,5ψdm+1
|

KH = KA .
KV . KHa . KHb
b) Pentru solicitarea de incovoiere
KF = KA .
KV . KFa . KFb
unde:
KFa - factorul repartitiei frontale a sarcinii de incovoiere. Se
adopta KFa
KFb - factorul repartitiei sarcinii pe latimea danturiila
solicitarea de incovoiere. Se adopta KFb
KF = KA .
KV . KFa . KFb
3.3.3. Alegerea
numarului de dinti, a coeficientului delatime si a
unghiului de inclinare al dintelui
Alegerea numarului de dinti
Adoptam pentru roata
conducatoare z1 = 29 dinti.
Numarul de dinti ai
rotii conduse z2 = ia1 . z1
Se alege z1 si z2
se aleg astfel incat sa nu aiba divizori comuni.
z2 = Z2=5,3 29=153,7≈157
dinti.. Adoptam z2 = 157.
u=iREAL=
=
=5,413.
Alegerea coeficientului de
latime al danturii
Acest coeficient se poate calcula
cu relatiile:

iar yd se alege din tabelul 3.5.
Tabel 3.5
Duritatea flancurilor
|
Amplasarea pinionului
|
yd
|
Treapta de precizie
|
5-6
|
7-8
|
9-10
|
Una sau am-bele danturi cu
HB 3500Mpa
|
Intre
reazeme
|
simetric
asimetric
|
|
|
|
In consola
|
|
|
|
Ambele danturi cu
HB>3500MPa
|
Intre
reazeme
|
simetric
asimetric
|
|
|
|
In consola
|
|
|
|
Alegerea unghiului de inclinare a
dintilor pe cercul de divizare
Pentru angrenaje cu dinti
inclinati se recomanda b
Se adopta b
3.3.4. Distanta
minima intre arborii I si II prin limitarea presiunii de contact

unde:
u -raportul de
transmitere;
Mt2-momentul
de torsiune pe arborele 2. 
KH
-factorul de corectie al incarcarii;
ZH -factorul zonei de contact. ZH
=2,35;
ZE -factorul de material. ZE
=189,8
Ze -factorul
gradului de acoperire. Ze
Zb -factorul de inclinare al dintilor. Zb =
= 0,982.
Pinion
|
Roata condusa
|
ZE [MPa]1/2
|
Material
|
E[MPa]
|
Material
|
E2[MPa]
|
otel
laminat
|
|
otel laminat
otel turnat
fonta
nodulara
bronz cu zinc turnat
bronz cu zinc
fonta
cenusie
|
. 105
|
|
Otel turnat
|
|
otel turnat
fonta
nodulara
fonta
cenusie
|
|
|
Pentru cateva
combinatii de materiale, factorul ZE se da in tabelul 3.6 Tabelul 3.6

Se adopta aSTAS conform STAS 6055-82. In acest caz se
mareste la prima valoare standardizata. Se adopta aSTAS
daca:

Se adopta aSTAS =100mm.
3.3.5. Modulul normal minim
Din limitarea tensiunii de incovoiere:
mn'=
0,410mm
unde:
YFa - coeficient de forma a danturii;
Y -factorul de inclinare al dintilor;
Ye -factorul gradului de acoperire. Ye
Din limitarea presiunii de contact
mn"=
Modulul normal rezultat din
calcule este mn min = 1.
3.3.6. Recalcularea
unghiului de inclinare
Pentru a se putea obtine o
distanta intre axe standardizata si un modul normal
standardizat, la rotile cilindrice cu dinti inclinati se
recalculeaza unghiul de inclinare al danturii cu relatia:
cos
β*=
=
=0,929 => β*=21,5˚
Astfel se poate evita deplasarea de profil a
danturii.
3.3.7.Elementele
geometrice ale danturii
n=20˚; ha*=1;
c*=0,25; profilul de referinta STAS
Calculul elementelor geometreice este indicat
in tabelul urmator: Tablelul 3.7
|
Elementul
geometric
|
Simbol
|
Relatia de calcul
|
Valoare
|
|
Numarul de
dinti
|
z1(2)
|
|
|
|
|
Modulul normal
standardizat
|
mn
|
|
|
|
Modulul frontal
|
mt
|
mn/cos
β
|
|
|
Inaltimea
capului dintelui
|
ha
|
ha*
∙mn
|
|
|
Inaltimea
piciorului dintelui
|
hf
|
(ha*+c*)mn
|
|
|
Diametrul de
divizare
|
d1(2)
|

|
|
|
|
Diametrul cercului
de picior
|
df1(2)
|
d1(2)-2hf
|
|
|
|
Diametrul cercului
de varf
|
da1(2)
|
d1(2)+2ha
|
|
|
|
Diametrul de
rostogolire
|
dw1(2)
|
d1(2)
|
|
|
|
Diametrul cercului
de baza
|
db1(2)
|
d1(2)
cosαt
|
|
|
|
Unghiul de
presiune la capul dintelui
|
αa1(2)
|
arc cos
|
|
|
|
Distanta dintre
axe
|
a
|

|
|
|
Unghiul profilului
in plan frontal
|
αt
|
tg αt=

|
αt=21,355˚
|
|
Latimea
rotii conduse
|
b2
|
a ψa
|
|
|
Latimea
rotii conducatroare
|
b1
|
b2+0,75mn
|
|
| | | | | |
3.3.8. Gradul de acoperire
ε
= εα + εβ
≥ 1,2
unde:

ε
= εα + εβ
=1,59 + 4,06 = 6,65.
3.3.9. Randamentul angrenajului

unde : f = 2 pentru angrenaje aflate in rodaj;
Coeficientul μa se alege din tabelul 3.8. Tabelul 3.8
Materialele danturilor
|
Prelucrarea flancurilor
|
μa
|
Oteluri durificate
artificial
|
Rectificare
Savaruire
Frezare
|
|
Oteluri
imbunatatite sau
normalizate
|
Frezare
|
|
3.3.10.Forte in angrenare
-forta
tangentiala:
;

-forta
axiala:
;

-
forta radiala:
;

Verificarea
angrenajului
Cunoscanduse geonetria si cinematica angrenarii,
se poate face:
verificarea la solicitarea de contact, cu
relatia:
σH=zHzEzεzβ
σH=
verificarea la incovoiere, cu
relatia:
σF=
σF=
verificarea lipsei ascutirii dintilor. Grosimea dintilor
pe cilindrul de cap:




verificarea lipsei subtaierii:



CAPITOLUL IV
Verificarea la incalzire a reductoarelor
4.1. Alegerea materialului de ungere si
a sistemului
Adoptarea materialului de undegere
Materialul de ungere
se recomanda in functie de viteza pe cercul de rostogolire al
rotii, astfel:
v= 0→0,4 m/s -grafit cu bisulfura de mobiden
v= 0→0,8 m/s -unsoare
v= 0,4→0,8 m/s -unsoare cu ulei
v>4m/s -uleiuri
minerale sau sintetice
Uleiurile recomandate pentru angrenaje ce functioneaza in carcase
inchise, cu temperatura de functinare tf=45-90sC se gasec in
tabelul 4.1
Tabelul 4.1
|
Materialul rotii
dintate
|
σr
MPa
|
Viscozitarea
cinematica la 50s la viteza [m/s] de:
|
|
<0,5
|
|
|
|
|
|
>25
|
Rel de calcul
|
|
Materiale plastice, fonta,
bronz
|
|
TIN125
|
TIN125
|
TIN 82
|
TIN55
|
TIN42
|
TIN 32
|
|
υ=100/v0,4
|
|
Otel normalizat sau
imbunatatit
|
|
TIN200
|
TIN125
|
TIN 125
|
TIN82
|
TIN55
|
TIN 42
|
TIN 32
|
υ=125/v0,4
|
|
|
TIN300
|
TIN300
|
TIN200
|
TIN125
|
TIN82
|
TIN 55
|
TIN 42
|
υ=200/v0,4
|
|
|
TIN300
|
TIN300
|
TIN300
|
TIN200
|
TIN125
|
TIN 55
|
TIN 55
|
υ=300/v0,4
|
|
Otel durificat
superficial
|
|
TIN300
|
TIN300
|
TIN300
|
TIN200
|
TIN125
|
TIN55
|
TIN55
|
υ=300/v0,4
|
Sistemul de ungere
Ungera prin
imersiune(barbotare) se utilizeaza pentru v≤15 m/s. Trebuie sa se cufunde
in baie de ulei cate o roata de la fiecate treapta. Adancimea de scufundare este minima un modul
sau 10mm si maxima 6 module la treapta rapida, iar roata ultimei
trepte pana la 1/3 din diametrul ei sau 100mm.
4.2. Randamentul total al reductorului
Randamentul total al reductorului se calculeaza cu relatia:

unde:
-ηa -randamentul unei trepte de angrenare
-ηe -randamentul unui lagar
-ηu -randamentul datorita barbotarii uleiului in baie

unde:
-Pfu -puterea pierduta prin fecarea rotii cu uleiul
W
-h2 -adancimea de cufundare a rotii in ulei
mm
-v -viteza periferica a rotii
m/sec
4.3. Dimensionarea carcaselor
Elemente constructive ale corpurilor si capacelor
reductoarelor:
Grosimea peretelui corpului: =0,025a+5
mm
unde: a- distanta dintre axe la redoctor;
Grosimea peretelui capacului: δ
Grosimea flansei corpului: h=1,5δ
Grosimea flansei capacului: h1=1,5
Grosimea talpii(in varianta cu bosaje pentru suruburile de
fundtie): t=1,5δ
;
Grosimea nervurilor corpului: c=0,8δ
;
Grosimea nervurilor capacului: c1=0,8δ1
;
Diametrul suruburilor de fixare a
reductorului pe fundatie: d≈1,5δ
Se
adopta din STAS 2350-84 M12;
Diametrul suruburilor de fixare a
capacului de corpul reductorului, care se afla langa lagare: d1≈0,75d
Se
adopta din STAS 4272-84 M9;
Diametrul suruburilor de fixare a capacului de corpul
reductorului, care nu sunt langa lagare: d2≈0,75d=6,75≈7.
Se adopta din STAS 4272-84 M7;
Latimea flansei corpului si a capacului: k=3d2=21mm;
Distanta minima intre rotile dintate si
suprafata interioara a reductorului: Δ≥ 1,5δ=12mm;
Distanta intre roata cea mare si fundul baii de ulei:
Δ1≥5δ1=35mm;
Distanta de la elementul rotitor pana la capatul
lagarului: l2=20 mm;
Distanta de la rulmentul de la marginea interioara a carcasei
reductorului: l1=10mm;
Lungimea partii de arbore pe care se
fixeaza roata conducatoare: l3=1,5daI=42mm;
Latimea capacului lagarului: l4=25 mm;
Latimea rulmentului: l5I=0,5daI=9mm
l5II=0,5daII=14mm
Predimensionarea
arborilor se face tinand seama de solicitarea lor la rasucire. Diametrele
arborilor I si II se determina cu relatiile:


Unde σat(0)=20
Nm - tensiunea admisibila la rasuciree pentru cilclul pulsator pentru
arbori din Otel.

4.4. Calcului suprafetei carcasei
Pentru a stabili
temperatura uleiului din baie este necesar sa se determine suprafata
de schimb de caldura cu mediul exterior.
In scopul stabilurii
suprafetei reductrorului se calculeaza dimensiunile pentru reductorul
cu o treapta de roti dintate cilindrice:
R=
r=
L=a+R+r=100+94,309+35,573=229,882mm
l=b1+2 =38+24+16=78mm
H=
=
132,359mm
tgθ=
=0,587 => θ=30,428s


S=17930,796+2689435,825+7114,6+5873,6+
S=300674,309mm2=0,3m2
4.5. Verificarea la
incalzire a reductorului
Temperatura uleiului din baie, in cazul carcaselor inchise cand nu mai are
loc recircularea uleiului, se calculeaza din ecuatia echilibrului
termic:
sC≤ta=80sC
P2=
W
rad/sec
rot/min unde:
P2 - puterea la arborele de iesire din
reductor;
ηt - randamentul total al reductorului;
SC - suprafata de
calcul a reductorului: SC=1,2S, suprafata se majoreaza cu
20% pentru a tine seama de nervurile de rigidizare si de flanse;
λ - coeficientul de transmisie a caldurii intre carcasa si aer.
CAPITOLUL V
Calculul arborilor
5.1. Alegerea
materialelor
Stabilirea materialelor si
tratamentului termic trebuie sa se ia in considerare atat modul de
solicitare al arborilor cat si conditiile de lucru ale fusurilor.
Arborii care nu se trateaza termic si pentru
solicitari usoare se utilizeaza otelurilor carbon
obisnuite OL 50 sau OL60 (STAS 500/2-80). Tabel
5.1
Marca otelului
|
STAS
|
Duritatea
[HB]
|
Rm(σR)
[Mpa]
|
σc
[MPa]
|
τc
|
Rezistenta la oboseala[MPa]
|
incovoiere
|
tractiune
σ-1t
|
rasucire
|
OL50
OL60
OLC15
OLC45
OLC60
40Cr11
41MoCr11
41CrNi12
|
"
"
"
"
"
|
|
|
|
(0,580,65)σc
|
|
|
|
Tabel
5.2
Materialul
|
σr [Mpa]
|
Rezistenta
admisibila la oboseala [Mpa]
|
de rasucire
|
de incovoiere
|
τat(0)
|
σ ai (+1)
|
σai (0)
|
σ ai (-1)
|
Otel carbon
|
|
60
78
96
|
170
200
230
|
75
95
110
|
45
55
65
|
Otel aliat
|
|
64
75
|
270
330
|
130
150
|
75
90
|
Otel turnat
|
|
32
52
|
100
200
|
50
70
|
30
40
|
In tabelul 5.1 se dau principalele
caracteristici mecanice ale otelurilor uzuale utilizate in executia
arborilor iar in tabelul 5.2 se prezinta tensiunile admisibile pentru
calculele preliminare.
Vom alege pentru arbori OL50.
5.2. Predimensionarea arborilor
Determinarea preliminara a
diametrului arborelui se face pe baza unui calcul conventional
simplificat, considerand numai rezistenta la rupere prin rasucire:

unde: Mt1 si Mt2
-momentele de torsiune pe arbori
Se
adopta : -dI = 18mm;
-dII
= 28mm.
5.3. Stabilirea schemei de calcul
La aceste angrenaje schema de
calcul se prezinta in figura 5.1.

Figura 5.1.
5.4 Calculul arborelui I
l2΄ = l5
/2 + l1 + Δ +b2 /2 = 14/2 + 10 + 12 + 35/2 =
7+22+17,5=46,5≈47mm
l2΄
=47mm
5.4.1 Stabilirea diametrelor
d1=18mm;
d12=d1+5=18+5=23mm
d2=d12+2=23+2=25mm
d23=d2+5=25+5=30mm
d4= d2=25mm
5.4.2 Forma constructiva

5.4.3 Alegerea
penelor
Pana este confectionata din OL60 cu urmatoarele
proprietati:
|
Marca Otelului
|
Duritate HB
|
Rm(σr)
MPa
|
σc
MPa
|
τc
MPa
|
Rezistenta la oboseala
|
|
|
σ-1t
|
|
|
OL60
|
|
|
|
(0,58-0,65)σc
|
|
|
|
Tabel 5.4.3
Pentru diametrul d1=18mm avem dimensiunile:
mm cu adancimea pe arbore de t1=3,5mm, respectiv pe butuc de t2=2,8mm.

Calculul lungimii penei
Lungimea penelor paralele se calculeaza din doua conditii:
a). din limitarea presiunii de contact:
mm
unde: Fp1- forta
ce solicita pana;
N
in care: Mt1 -momentul de torsiune la arborele I;
d1 -diametrul arborelui I pe tronsonul
respectiv al asamblarii;
μ=0,15 -coeficient de frecare dinte pana
si butucul rotii;
h -inaltimea penei, in mm;
pa=100 N/mm2 -presiunea
admisibila de contact.
b). din conditia de rezistenta la tensiunea de forfecare:
mm
unde: Fp1 s-a calculat mai sus;
b -latimea penei, in mm;
τaf=0,25σc=75N/mm
-tensiunea admisibila la forfecare.
Valorile lSTAS se calculeaza astfel:
-se alege maximul dintre l1 si l2:lmax =max(l1
,l2)=2,028mm
-se standardizeaza valoarea lmax la lSTAS
dupa STAS 1005-71si vom avea lSTAS=16mm.
Incarcarea arborelui I
(V) M1=0
RV l Ft l '=0 =>
M
-RV1 ∙2l2' + Ft1
∙ l2'=0 =>
(H) M1=0
RH3 ∙ 2l2'- Fr1'∙ l2'
+ Fa1 ∙d2/2=0 =>

M3=0
-RH1∙2 l2' + Fr1 ∙l2'+
Fa1 ∙d2/2=0 =>




5.5 Calculul arborelui II
5.5.1 Stabilirea diametrelor
d1=daII=28mm
d5=
d7=35mm
d6= d7+5=40 mm
d56= d6+5=45mm
d8=28mm
5.5.2 Forma constructiva

5.5.3 Alegerea penelor
Alegera penei pentru
roata dintata
Pana este confectionata
din OL60 cu urmatoarele proprietati:
Tabel
|
Marca Otelului
|
Duritate HB
|
Rm(σr)
MPa
|
σc
MPa
|
τc
MPa
|
Rezistenta la oboseala
|
|
|
σ-1t
|
|
|
OL60
|
|
|
|
(0,58-0,65)σc
|
|
|
|
Pentru diametrul d6=40mm
avem dimensiunile:
mm cu adancimea pe arbore de t1=5mm, respectiv pe butuc de t2=3,3mm.

Calculul lungimii penei
Lungimea penelor paralele se calculeaza din doua conditii:
a). din limitarea presiunii de contact:
mm
unde: Fp2- forta
ce solicita pana;
N
in care: Mt2 -momentul de torsiune la arborele
II;
d1 -diametrul
arborelui II pe tronsonul respectiv al asamblarii;
μ=0,15 -coeficient
de frecare dinte pana si butucul rotii;
h -inaltimea
penei, in mm;
pa=100 N/mm2
-presiunea admisibila de contact.
b). din conditia de rezistenta la tensiunea de forfecare:
mm
unde: Fp2 s-a calculat mai sus;
b -latimea penei, in mm;
τaf=0,25σc=75N/mm
-tensiunea admisibila la forfecare.
Valorile lSTAS se calculeaza astfel:
-se alege maximul dintre l1 si l2:lmax =max(l1
,l2)=3,411 mm
-se standardizeaza valoarea lmax la lSTAS
dupa STAS 1005-71si vom avea lSTAS=28mm.
Incarcarea arborelui II
(V) M6=0
RV l Ft l '=0 =>
M
-RV6 ∙2l2' + Ft2
∙ l2'=0 =>
(H) M4=0
RH6 ∙ 2l2'- Fr2'∙ l2'
- Fa2 ∙d6/2=0 =>
M6=0
-RH4∙2 l2' + Fr2 ∙l2'-
Fa2 ∙d6/2=0 =>


Calaculul momentelor incovoietoare
(V)
(H)

Momente incovoietoare rezultante
Deoarece solicitarea de incovoiere
se efectueaza in doua plane se determina momentul incovoietor
rezultant(in fiecare punct important) prin insumare geometrica:

Momente incovoietoare echivalente
In afara solicitarii de
incovoiere arborele II este supus si unui moment de torsiune Mt2,
deci solicitarea este compusa. Momentul echivalent se determina cu
relatia:

α - coeficient ce tine
cont de faptul ca solicitarea de incovoiere se produce dupa un ciclu
alternant simetric (-1) iar cea de torsiune dupa un ciclu pulsator(0).

[vezi tabelul 5.2].
Verificarea arborelui

5.5.5. Verificarea la oboseala a arborelui
Verificarea la oboseala se
face in sectiunile cu o concentrare importanta a eforturilor - canale
de pana, salturi de diametre, etc. - si consta in determinarea
coeficientului de siguranta efectiv "c" si compararea lui cu un
coeficient de siguranta admis:

unde:
cσ
- coeficient de siguranta la oboseala prin incovoiere;
cτ
- coeficient de siguranta la oboseala prin torsiune.
Se
va considera ca solicitarea de incovoiere se produce dupa un ciclu
alternant simetric iar solicitarea de torsiune dupa un ciclu pulsator.
Calculul coeficientului de siguranta cσ
Coeficientul
de siguranta cσ se calculeaza cu relatia:

unde:
βσ
- coeficient efectiv de concentrare a tensiunilor.
Pentru canalul de pana de pe
arborele I, in zona cuplajului, executat cu freza disc βσ
= 1,47;
γ
- coeficient de calitate al suprafetei;
Coeficient de calitate se
determina pentru strunjire bruta ; γ = 0,88
εσ
-factor dimensional pentru otel carbon cu concentrari moderate, se
gaseste εσ = 0,9;
σv
- amplitudinea ciclului de solicitare la incovoiere in sectiunea
respectiva, in [N/mm2],
in care Mi este
momentul incovoietor in sectiunea in care se face verificarea;
σ-1
- rezistenta la oboseala a materialului arborelui(tabelul 5.1);
σm
- tensiunea medie la solicitarea de incovoiere a sectiunii respective
(σm = 0 - ciclul
de solicitare fiind alternant simetric).

Calculul coeficientului de
siguranta cτ
Coeficientul
de siguranta cτ se calculeaza cu relatia:

unde:
βτ
= 1,47; γ = 0,88;ετ = 0,87;
τ-1
= 140
La
solicitare pulsatorie:


Coeficientul
de siguranta total:


CAPITOLUL VI
Alegerea
rulmentilor
Pentru a adopta un anume tip de rulment se va tine seama
de: marimea si sensul solicitarii, turatie, temperatura de
lucru, conditii de montaj si exploatare.
Deoarece in acest caz avem incarcari relativ mari
vom alege rulmenti cu role si deoarece avem incarcari
si radiale si axiale, vom alege rulmenti radiali-axiali.
6.1. Alegerea rulmentilor arborelui I
6.1.1. Alegerea tipului si a schemei de montare
Pentru d = 25mm vom alege
rulmentul cu seria 33205 cu dimensiunile din tabelul 6.1.1.
|
Dimensiuni
[mm]
|
Capacitatea
de incarcare [N]
|
e
|
Y
|
Seria
|
|
d
|
D
|
T
|
Dinamica
C
|
Statica
C0
|
|
|
|
|
|
|
|
|
|
Fig. 6.1
Adoptam schema de montaj a
rulmentilor in "X".
Fortele radiale din rulmenti se calculeaza cu relatia:

unde:
RH1(2)
si RV1(2) -reactiunile din lagare in plan orizontal
si vertical.
Fortele axiale interne, provenite din
descompunerea fortei normale la caile de rulare in directia axei
rulmentului, se vor calcula cu relatiile:
Fai1(2) = (1,211,26)
Fr1(2) tgα
Fai1 = 1,21 .
Fr1 . tgα = 1,21 . 126,96 . tg
15˚= 41,16 N
Fai3 = 1,21 .
Fr3 . tgα = 1,21 . 117,21 . tg
15˚= 38 N
In calculul preliminar, pentru
calcularea fortelor axiale din rulment si alegerea seriei lor, se
cunoaste Y si se poate calcula exact Fai . Aceasta atrage
de la sine recalcularea fortelor axiale Fa1 si Fa2.

Fortele axiale din rulmenti depind
de sensul fortei axiale Fa si se calculeaza cu
relatiile:
Fa1 =Fa +Fai3
↔ Fa1 = 71,8 + 34,47 = 106,28 N
Fa3 = Fai1
↔ Fa3 = 37,34 N
6.1.3. Calculul sarcinii dinamice echivalente
Sarcina dinamica
echivalenta se solicita rulmentul se calculeaza cu
relatiile:
P1 = X . V .
Fr1 + Y . Fa1 = 0,67.1 .
126,96 + 1,7. 106,28 = 265,73 N
P3 = X . V .
Fr3 + Y . Fa3 = 0,67.1 . 117,21 + 1,7 . 37,34 = 142 N
unde:
V - coeficient cinematic; V = 1;
X - coeficientul radial al rulmentului; Deoarece Fa
/Fr =0,65> e atunci X
= 0,67;
Y - coeficientul axial al rulmentului; Y = 1,7.
6.1.4. Capacitatea dinamica necesara
Se calculeaza cu
relatia:
unde:
L
- durabilitatea nominala a rulmentului, care se calculeaza cu
relatia:

n
- turatia arborelui;
Lh
- durata de functionare[ore];
p
= 3-pentru rulmenti cu role.
Deoarece C1(2) < CSTAS
rulmentii au fost bine alesi.
6.2. Alegerea
rulmentilor arborelui II
6.2.1. Alegerea
tipului si a schemei de montare
Pentru d = 20mm vom alege
rulmentul cu seria 33207 cu
|
Dimensiuni
[mm]
|
Capacitatea
de incarcare [N]
|
e
|
Y
|
Seria
|
|
d
|
D
|
T
|
Dinamica
C
|
Statica
C0
|
|
|
|
|
|
|
|
|
|
Adoptam schema de montaj a
rulmentilor in "X".

Fig. 6.2
Fortele radiale din rulmenti se calculeaza cu relatia:

unde:
RH4(6) si RV4(6)
-reactiunile din lagare in plan orizontal si vertical.
Fortele axiale interne, provenite din
descompunerea fortei normale la caile de rulare in directia axei
rulmentului, se vor calcula cu relatiile:
Fai1(2) = (1,211,26) Fr1(2)
tgα
Fa4 = 1,26 .
Fr4 . tgα = 1,26 . 49,4 . tg
15˚= 16,6N
Fai6 = 1,26 .
Fr6 . tgα = 1,26 . 55,2 . tg
15˚= 18,6N
In calculul preliminar, pentru
calcularea fortelor axiale din rulment si alegerea seriei lor, se
cunoaste Y si se poate calcula exact Fai . Aceasta atrage
de la sine recalcularea fortelor axiale Fa5 si Fa6.
Fortele axiale din rulmenti depind
de sensul fortei axiale Fa si se calculeaza cu
relatiile:
Fa1 = Fai2
↔ Fa1 = 16,2N
Fa2 = Fa+ Fai1
↔ Fa2 = Fa+ Fai6=71,8+14,5=85,3 N
6.2.2. Calculul sarcinii dinamice echivalente
Sarcina dinamica
echivalenta se solicita rulmentul se calculeaza cu
relatiile:
P4 = X . V .
Fr4 + Y . Fa4 =0,67. 49,4 +1,7.
16,2 = 51 N
P6 = X . V .
Fr6 + Y . Fa6 = 0,67 . 55,2 + 1,7 .
85,3 = 182 N
unde:
V
- coeficient cinematic; V = 1;
X
- coeficientul radial al rulmentului; Deoarece Fa /Fr
> e atunci X = 0,67;
Y
- coeficientul axial al rulmentului; Y =
1,7.
6.2.3. Capacitatea dinamica necesara
Se calculeaza cu
relatia:

unde:
L
- durabilitatea nominala a rulmentului, care se calculeaza cu
relatia:

n
- turatia arborelui;
Lh
- durata de functionare[ore];
p
= 3,33 -pentru rulmenti cu role.
Deoarece
C1(2) < CSTAS rulmentii au fost bine alesi.
6.2.4. Dimensionarea capacelor si garniturilor
Montajul si intretinerea rulmentilor
Pentru etansarea
rulmentilor se utilizeaza capace care se fixeaza prin 4
suruburi M6 de corpul si capacul reductorului.
da - diametrul
arborelui in cazul capacelor patrunse;
D - diamerul exterior al
rulmentului;
ds - diametrul
suruburilor de fixare.
Pentru D=52
D1 = D + 2,5ds
=52 + 2,5 . 6 = 67mm;
D2 = D1 +
2,5ds = 67 + 2,5 . 6 =82mm;
D3 = 0,9D = 0,9 .
52 = 46,8mm ;
b ≈ 2,5ds = 2,5.6=15mm;
b1 = b2 = 1,2ds = 7,2 mm.
Pentru D=72
D1 = D + 2,5ds
=72 + 2,5 . 6 = 97mm;
D2 = D1 +
2,5ds = 97 + 2,5 . 6 =112mm;
D3 = 0,9D = 0,9 .
47 = 64,8mm ;
b ≈ 2,5ds = 2,5.6=15mm
CAPITOLUL VI
Alegerea cuplajului
Cuplarea reductorului cu alte ansamble se realizeaza cel
mai adesea printr-un cuplaj elastic cu bolturi datorita avantajelor
conferite de acesta. Acest cuplaj permite deplasari axiale pana la
5mm, radiale pana la 1mm si unghiulare pana la 1 ,
amortizeaza socurile si vibratiile torsionale, schimba
frecventa oscilatiilor proprii ale arborilor evitand rezonanta.
Cuplajul elastic cu bolturi
este standardizat, in STAS 5982-79,
executandu-se in doua
variante-tip N si tip B. Cel mai folosit si cel care il alegem este
cel de tip N.
Semicuplele se executa in
urmatoarele variante:
P - pregaurit: se
utilizeaza in cazul in care marimea de cuplj aleasa este
corespunzatoare din punct de vedereal momentului nominal necesar, dar
capetele de arbore pe care se monteaza cuplajul au diametrele mai mici
decat diametrele nominale d corespunzatoare marimii respective de
cuplaj;
C - cu alezaj cilindric, fara
fixare frontala;
Cf - cu alezaj
cilindric, cu fixare frontala;
Ki - cu alezaj conic,
cu fixare frontala.
Momentul de torsiune pe care trebuie sa-l transmita cuplajul
este Mt, datorita socurilor care apar la pornire, precum
si a unei functionari neuniforme, alegerea din standard a
cuplajului se face luand in considerare un moment nominal Mn.
Mn
= cs . Mt = 1,65 . 6500= 10725 N .
m
unde cs este
coeficientul de serviciu. Se alege cs = 1,65 - pentru
functionare uniforma, socuri mici si rare, sarcini usoare
si de scurta durata.
Diametrul
boltului "δ", nespecificat in standard, se adopta in
functie de capatul lui filetat: δ = 1,5 . d4
=1,5 . 6 = 9mm .
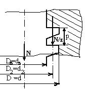
Verificarea cuplajului
Forta
cu care se incarca un bolt se calculeaza cu relatia:

unde:
n
- numarul de bolturi pe cuplaj;
D1
- diametrul pe care sunt amplasate bolturile;
Bolturile
se verifica la:
-presiune de contact, presiune ce apare intre
mansoanele de cauciuc si bolt:

-la incovoiere, in sectiunea de
incastrare in semicupla 1:

Deoarece diametrul interior al
cuplajului este mai mare decat diametrul capatului de arbore (d=11mm) pentru
montaj este necesara fie bucsarea arborelui fie schimbarea configuratiei
geometrice a arborelui de intrare.